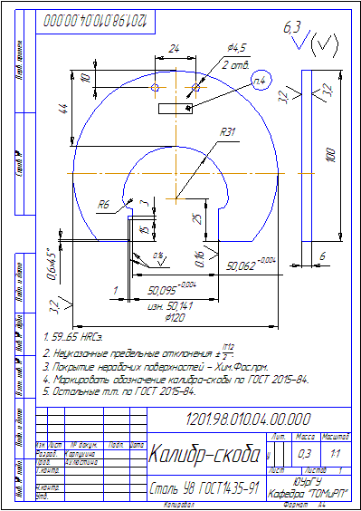
Для студентов по предмету ЧерчениеВыполнить чертёж как указано на рисунке:Калибр-скоба 50 мм. Чертёж курсовой либо расчётно-графическойВыполнить чертёж как указано на рисунке:Калибр-скоба 50 мм. Чертёж курсовой либо расчётно-графической
4,805357
2014-08-112025-05-22СтудИзба
Задача: Выполнить чертёж как указано на рисунке:Калибр-скоба 50 мм. Чертёж курсовой либо расчётно-графической
Описание
Калибр-скоба 50 мм. Чертёж курсовой либо расчётно-графической работы.
К сожалению, автор работы не указал допуск на контролируемый размер.
Характеристики решённой задачи
Предмет
Просмотров
2330
Качество
Идеальное компьютерное
Размер
4,63 Kb
Список файлов
Калибр-скоба.cdw
Комментарии
Нет комментариев
Стань первым, кто что-нибудь напишет!























