Для студентов МГТУ им. Н.Э.Баумана по предмету Автоматизированные системы управления компьютерно-интегрированным производствомРазработка автоматизированной системы управления грузового лифтаРазработка автоматизированной системы управления грузового лифта
5,0052
2021-03-162024-09-03СтудИзба
Курсовая работа: Разработка автоматизированной системы управления грузового лифта
-41%
Описание
Разработка автоматизированной системы управления грузового лифта - часть2: https://studizba.com/hs/1...ovannoj-sistemy.html
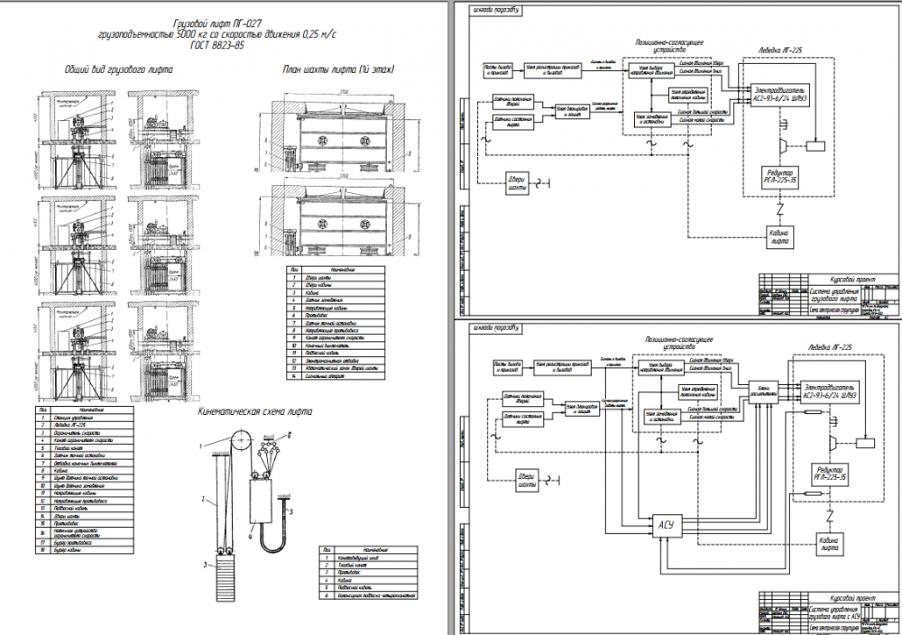
Автоматизированная система управления – система, в контуре которых функционируют человек и технические средства, осуществляющие сбор и обработку информации на основе алгоритмов с целью принятия оптимальных решений по управлению процессом или производством [1, 51]. Автоматизированная система управления технологическим процессом – система для выработки и реализации управляющих воздействий на технологический объект управления в соответствии с принятым критерием управления и представления информации о состоянии технологического объекта управления и внешней среды персоналу или в другие автоматизированные системы. Реализует в автоматизированном режиме технологическое управление производством [Терминология каф. РК9]. Автоматизированная система управления предприятием – человеко-машинная система, обеспечивающая сбор и обработку информации, необходимой для оптимизации управления предприятиями, как автономно, так и в составе АСУ производственным объединением [1,144]. Автоматизированная транспортно-складская система – система взаимосвязанных автоматизированных транспортных и складских устройств для укладки, хранения, временного накопления и доставки предметов труда, технологической оснастки и удаления отходов [2, 744].
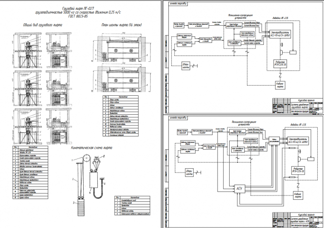
Общее описание объекта управления Объектом управления для разрабатываемой АСУ является грузовой лифт модели ПГ-027, установленный в восьмиэтажном здании цеха №12 ОАО «МПО им.И.Румянцева». Согласно паспорту [3] лифт (заводской № 243) постройки завода «Строммашина» (г. Свердловск) введен в эксплуатацию в 1980 году. Лифт ежедневно используется для перевозки деталей между различными участками цеха и имеет 5 позиций (1,2.4,6,8 этажи). Детали транспортируется в тарах, размещаемых на ручных тележках. В связи с переходом цеха на новое оборудование лифт применяется для транспортировки металлорежущих станков на 2,4,6 этажи цеха.
![]()
Автоматизированная система управления – система, в контуре которых функционируют человек и технические средства, осуществляющие сбор и обработку информации на основе алгоритмов с целью принятия оптимальных решений по управлению процессом или производством [1, 51]. Автоматизированная система управления технологическим процессом – система для выработки и реализации управляющих воздействий на технологический объект управления в соответствии с принятым критерием управления и представления информации о состоянии технологического объекта управления и внешней среды персоналу или в другие автоматизированные системы. Реализует в автоматизированном режиме технологическое управление производством [Терминология каф. РК9]. Автоматизированная система управления предприятием – человеко-машинная система, обеспечивающая сбор и обработку информации, необходимой для оптимизации управления предприятиями, как автономно, так и в составе АСУ производственным объединением [1,144]. Автоматизированная транспортно-складская система – система взаимосвязанных автоматизированных транспортных и складских устройств для укладки, хранения, временного накопления и доставки предметов труда, технологической оснастки и удаления отходов [2, 744].
Общее описание объекта управления Объектом управления для разрабатываемой АСУ является грузовой лифт модели ПГ-027, установленный в восьмиэтажном здании цеха №12 ОАО «МПО им.И.Румянцева». Согласно паспорту [3] лифт (заводской № 243) постройки завода «Строммашина» (г. Свердловск) введен в эксплуатацию в 1980 году. Лифт ежедневно используется для перевозки деталей между различными участками цеха и имеет 5 позиций (1,2.4,6,8 этажи). Детали транспортируется в тарах, размещаемых на ручных тележках. В связи с переходом цеха на новое оборудование лифт применяется для транспортировки металлорежущих станков на 2,4,6 этажи цеха.





Характеристики курсовой работы
Учебное заведение
Просмотров
39
Размер
1,75 Mb
Список файлов
Курсовой проект на тему Разработка автоматизированной системы управления грузового лифта.pdf

Друзья, спасибо за доверие! Если вам понравилась работа – поставьте 5⭐ и напишите отзыв. Это поможет другим студентам, а мне даст силы делать ещё больше качественных материалов для вас 🔥