Методичка (997824), страница 5
Текст из файла (страница 5)
Как известно, силы взаимодействия атомов зависят от расстояния. В зоне дислокации расстояния атомов 3 и 4 от краевого атома 1 экстраплоскости 1-11 увеличены и связи между этими атомами утрачены. Под действием сдвигающей силы Р смещение плоскостей приводит к уменьшению расстояния 1-4 и увеличению расстояния 2-4, в результате чего связь между атомами 1 и 4 восстанавливается, а между атомами 2 и 4 обрывается. Дислокация перемещается на одно мажатомное расстояние.
В полной аналогии с моделью гусеницы общее перемещение атомной плоскости происходит путем последовательного перемещения дислокации – аналога лапки гусеницы. Движение дислокации – это процесс последовательного разрыва и восстановления связей кристаллической решетки. Пробег дислокации от одной границы кристалла до другой есть элементарный акт деформации кристалла на одно межатомное расстояние. Из совокупности пробегов дислокаций складывается общая деформация кристаллического тела.
5.3. Плотность дислокаций
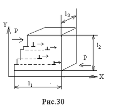
Сколько же дислокаций требуется для получения значительной деформации тела?
На рис. 30 показан кристалл с размерами l1, l2, l3 , в котором имеется
n дислокаций.
Введем понятие плотности дислокаций =
, где знаменатель – площадь поверхности, пересекаемой дислокациями. Иногда используется другая мера плотности дислокаций – суммарная длина дислокационных линий в единице объема =
. Если предположить, что все дислокации прямолинейны и перпендикулярны площадке, на которой мы фиксируем их выход на поверхность, то меры эти идентичны.
Для простоты выберем первую меру плотности. Когда все дислокации пробегут путь от левой до правой грани кристалла, каждая из них даст на поверхности ступеньку величиной «в». Пока ступеньки есть только на левой грани кристалла, изменение его размера в направлении Х, связанное с одной дислокацией, будет меньше «в» и составлять от «в» такую же часть, какую пробег дислокации «х » составляет от l1: = в
Понятно, что при х = l1 получим = в.
Полное изменение размера кристалла в направлении оси X будет равно сумме тех смещений , которые связаны с каждой дислокацией, т. е.
= 1+ 2 + …+ n =
, где х - усредненная по всему кристаллу длина пробега дислокаций.
Относительный сдвиг в плоскости ХY равен отношению изменения размера по оси X к начальному размеру по оси Y, т.е. =
=
, или, с учетом плотности дислокаций =
, =
.
Принимая средний пробег дислокаций х равным среднему расстоянию между ними, когда зоны искажения еще не перекрывают друг друга, а также зная межатомное расстояние в = (2–3)10-8см, было подсчитано, что для получения относительного сдвига 10 % плотность дислокаций должна составлять 1013 на 1 см2 поверхности или общая длина дислокационных линий должна быть равна 1013см в 1 см3 ( расстояние больше, чем от Земли до Луны).
5.4. Краевая дислокация
Линейная дислокация, образованная наличием неполной атомной плоскости (экстраплоскости), называется краевой дислокацией. В одном измерении протяженность искажения кристаллической решетки такая же, как длина края экстраплоскости, т. е. размер ее макроскопический. В плоскости, перпендикулярной краю экстраплоскости, область несовершенства решетки имеет малые размеры – от двух до десяти атомных диаметров. Можно себе мысленно представить, что рассматриваемая область несовершенства находится внутри трубы, осью которой является край экстраплоскости.
Вне этой трубы строение кристалла близко к идеальной решетке, а внутри – сильно искажено. Положение центра ядра дислокации обозначается значком ^. При этом, если экстраплоскость находится в верхней части кристалла, то дислокация считается положительной и обозначается знаком ^, если в нижней части кристалла, то - отрицательной и обозначается знаком . Краевые дислокации одинакового знака, действующие в одной плоскости, взаимно отталкиваются, противоположного знака – притягиваются и при встрече уничтожаются, в результате чего решетка восстанавливается.
Таким образом, краевая дислокация – это линейное несовершенство, образующее внутри кристалла границу зоны сдвига. Эта граница отделяет ту часть плоскости скольжения, где сдвиг уже произошел, от той части, где он еще не начинался. Краевая дислокация перпендикулярна вектору сдвига.
5.5. Винтовая дислокация
Другим видом линейных несовершенств является винтовая дислокация. Представим кристалл в виде параллелепипеда и сделаем в нем надрез по плоскости АВСД (см. рис. 31).
Затем сдвинем правую часть кристалла по этой плоскости относительно левой части на один период решетки так, что верхняя атомная плоскость правой части совместится со второй горизонтальной атомной плоскостью левой части, вторая атомная плоскость правой части – с третьей плоскостью левой части и т.д. Очевидно, что правильная решетка сохранится во всем объеме кристалла, кроме локальной зоны вдоль линии ВС, где смещение атомов произошло на расстояние, меньшее периода решетки. Видно, что верхняя атомная плоскость, как и все параллельные ей атомные плоскости, оказалась изогнутой по винтовой линии. Отсюда локальное искажение решетки вдоль линии ВС названо винтовой дислокацией, а линия ВС – линией винтовой дислокации. В плоскостях, перпендикулярных линии ВС, область несовершенства кристаллической решетки не превышает нескольких атомных диаметров, а вдоль линии ВС эта область имеет макроскопический размер.
Дислокация может быть правой и левой, в зависимости от того, в какую сторону идет закрутка винтовой линии, если смотреть сверху (по часовой стрелке – правая винтовая дислокация, против часовой стрелки - левая). Винтовая дислокация перемещается в направлении, перпендикулярном вектору сдвига, а линия винтовой дислокации параллельна вектору сдвига. После того, как винтовая дислокация полностью пересечет кристалл, его правая часть будет полностью сдвинута относительно левой части на одно межатомное расстояние (период решетки).
-
. Смешанная дислокация
Дислокация не может закончиться внутри кристалла, не соединяясь с другой дислокацией. Это следует из того, что дислокация является границей зоны сдвига, а зона сдвига всегда есть замкнутая линия, причем часть этой линии может проходить по внешней поверхности кристалла. Следовательно, линия дислокации должна замыкаться внутри кристалла или оканчиваться на его поверхности.
На рис. 32 показаны частный случай, когда граница зоны сдвига (линия дислокации авcdf ) образована прямыми участками, параллельными и перпендикулярными вектору сдвига, и более общий случай криволинейной линии дислокации gh.
а g
в с
e d
f h
Рис.32
На участках ав, cd и ef дислокация краевая, на участках вс и de – дислокация винтовая. Отдельные участки криволинейной линии дислокации имеют краевую или винтовую ориентацию, но часть этой кривой не перпендикулярна и не параллельна вектору сдвига, и на этих участках имеет место дислокация смешанной ориентации.
Н
а рис.33 линия АВ ограничивает внутри кристалла зону сдвига АВС. Заштрихованная ступенька на передней грани кристалла показывает сдвиг верхней части кристалла относительно нижней части по
площади АВС. Вблизи точки А дислокация параллельна вектору сдвига и, следовательно, имеет винтовую ориентацию. Вблизи точки В дислокация
перпендикулярна вектору сдвига и, следовательно, имеет краевую ориентацию.
В промежутке между чисто винтовым участком вблизи точки А и чисто краевым участком вблизи точки В дислокация имеет смешанную ориентацию, промежуточную между винтовой и краевой. Под действием приложенных касательных напряжений заштрихованная зона сдвига расширяется. Участок дислокации с чисто краевой ориентацией вблизи точки В скользит в направлении приложенной силы, а участок с чисто винтовой ориентацией вблизи точки А – перпендикулярно этому направлению. Когда вся линия смешанной дислокации выйдет на внешние грани, верхняя часть кристалла окажется сдвинутой относительно нижней на один период решетки в направлении действующих касательных напряжений.
На приведенном рисунке линия смешанной дислокации оканчивается на внешних гранях кристалла. Но она может образовывать и замкнутые плоские петли внутри кристалла. Плоская петля смешанной дислокации, как и любая дислокация, является границей зоны сдвига и отделяет область плоскости скольжения внутри нее, где сдвиг уже произошел, от области, лежащей вне петли и еще не охваченной сдвигом. Т.к. винтовая дислокация легко переходит из одной плоскости в другую, то, в общем случае и линия смешанной дислокации, и поверхность скольжения не лежат в одной плоскости.
5.7. Контур и вектор Бюргерса
Одной из характеристик дислокации является вектор смещения - вектор Бюргерса. Вектор Бюргерса - это дополнительный вектор, который нужно ввести в контур, описанный вокруг дислокации, чтобы замкнуть соответствующий ему контур в решетке идеального кристалла, разомкнувшийся из-за наличия дислокации.
На рис.34 показан контур, проведенный в решетке идеального кристалла путем последовательного обхода некоторой зоны от атома к атому, причем число атомов на противоположных сторонах контура одинаково.
Теперь построим соответствующий контур, называемый контуром Бюр- герса, в искаженной решетке реального кристалла, например, вокруг винтовой дислокации, как показано на рис. 35, или вокруг краевой дислокации, как
показано на рис. 36. Начинаем обход по часовой стрелки из точки А. Идем 4 шага, равных межатомному расстоянию, до точки В, затем 4 шага до точки С и 4 шага до точки D.
В обоих случаях для того, чтобы замкнуть контур в направлении от D к А, необходимо ввести дополнительный вектор в, который и называется вектором Бюргерса. У краевой дислокации вектор Бюргерса перпендикулярен, а у винтовой дислокации – параллелен линии дислокации.
Вектор Бюргерса является мерой искаженности кристаллической решетки, обусловленной присутствием в ней дислокации. Если дислокация вводится в кристалл чистым сдвигом, то вектор сдвига и является вектором Бюргерса.
Контур Бюргерса может быть смещен вдоль линии дислокации, растянут или сжат в направлении, перпендикулярном линии дислокации, при этом величина и направление вектора Бюргерса остаются постоянными.
5.8. Размножение дислокаций при пластическом
деформировании
Изначально дислокации возникают в процессе кристаллизации из расплава. Растущие из расплава зерна имеют различную ориентацию кристаллографических осей и поэтому при срастании зерен на их границах возникают нарушения правильности кристаллической решетки, т. е. дислокации. Поскольку общая протяженность границ зерен очень велика, количество дислокаций в них огромно. В реальном металле в отожженном состоянии на каждый 1 см2 площади сечения приходится 106 - 108 дислокаций.
Рентгено-структурный анализ показывает, что после деформирования плотность дислокаций увеличивается на 3 - 4 порядка и составляет уже 1012 дислокаций на 1 см2. Это говорит о том, что в процессе деформации происходит зарождение новых дислокаций или попросту размножение исходных дислокаций. Каждая исходная дислокация является источником появления новых. Механизм генерирования дислокаций в процессе деформирования был открыт в 1950 г. английскими учеными Франком и Ридом. Для пояснения этого механизма рассмотрим процесс образования мыльных пузырей с помощью трубки (см. рис. 37). При смачивания конца трубки мыльным раствором на торце трубки образуется плоская пленка, закрывающая отверстие. При постепенном повышении давления воздуха в трубке пленка выпучивается, последовательно проходя стадии 1, 2, 3, 4















