КП1 (995096)
Текст из файла
Задание
Требуется спроектировать повышающий импульсный регулятор постоянного напряжения, с переменной нагрузкой, для преобразования напряжения топливных элементов для питания двигателя электрической коляски.
Дано:
E= 24 B 10%
Uвых=120 В
P= 10000 Вт
Введение
На первый взгляд задача преобразования энергии топливных элементов с выходным напряжением 24 В в поступательное движение управляемого аппарата не представляет собой очень трудной задачи. В простейшем варианте это должен быть частотный инвертор, который преобразует энергию постоянного тока напряжением 24 В в трехфазное напряжение регулируемой частоты для питания асинхронного двигателя, который в свою очередь приводит в движение перемещаемый аппарат. В принципе, такие частотные инверторы давно существуют, и, также давно, широко используются.
Однако, при практической реализации подобного устройства могут встретиться довольно серьезные технические трудности. Главная из них, это очень низкий К.П.Д. всего устройства в целом. Это связано, прежде всего, с относительно низким напряжением самих топливных элементов, что приводит к необходимости коммутации (в частотном инверторе) относительно больших (до 4050 А) токов при напряжении 24 В и полезной мощности всего устройства порядка 1000 Вт. В качестве примера можно взять один из частотных инверторов известной фирмы “REFU” типа 402/10-1D. Его мощность равна 4000 Вт и питается он от трехфазной сети 380 В (переменного тока) или от источника постоянного тока величиной 500 В. То есть в его инверторе коммутируются токи порядка 10 А. При этом потери активной мощности в инверторе, по данным фирмы равны 100 Вт. Если учесть, что при питании от источника 24 В и мощности 1000 Вт токи достигают (4050 А), а потери на тепло (conductivity losses) прямо пропорциональны квадрату тока, то они (потери) могут достигать неприемлемо большой величины в не одну сотню Ватт, даже при применении самых современных мощных ключей (MOSFET). Очевидно, что при высокой стоимости самого топливного элемента и питающего его водорода, такие потери совершенно не допустимы.
Другим источником потерь энергии при такой тривиальной схеме преобразования является сам трехфазный асинхронный двигатель. Дело в том, что при питании серийных асинхронных двигателей от обычной трехфазной сети переменного тока 220 В их К.П.Д. едва достигает 75% мощности в единицы киловатт. В нашем же случае применить стандартный двигатель из-за низкого питающего напряжения и придется его разрабатывать и изготовлять специально. Однако и здесь, из-за слишком больших токов в области статора двигателя потери энергии обязательно возрастут и общий К.П.Д. устройства едва ли достигнет 50%, что, конечно, очень мало.
На наш взгляд значительно более высоким К.П.Д. будет обладать устройство, собранное по следующей схеме: сразу после топливного элемента включается повышающий DC-DC преобразователь, который повышает напряжение до величины
~ 150 В постоянного тока и уже затем включается частотный преобразователь для питания асинхронного двигателя. В этом случае уже возможно применение стандартных (или почти стандартных), как преобразователей частоты, так и самих двигателей. Главное, что в этом случае можно увеличить К.П.Д. частотного преобразователя до величины 90%, а может быть и более, при применении современной элементной базы. При этом К.П.Д. самого двигателя, также увеличиться и приблизиться к стандартным значениям (7580)% при такой мощности.
Единственным препятствием при таком решении может послужить сам повышающий DC-DC преобразователь, если его выполнить по одной из обычных (существующих) “boost” или “stop-up” технологий. В этом случае его К.П.Д. будет трудно получить лучше (7580)%. Кроме того обычные “boost” преобразователи очень “не любят” резких и “глубоких” изменений токов нагрузки, т.к. в таких условиях они могут потерять устойчивостью
Поэтому мы предлагаем использовать новую технологию повышающего DC-DC преобразователя, разработанного на факультете Автоматики FHK совместно с сотрудниками кафедры ЭИ Московского Энергетического Института.
Макетные испытания таких преобразователей показали возможности повышающих DC-DC устройств при питании их от источника 24 В (при выходном напряжении
150180 В) при К.П.Д. не хуже 95%. При этом их удельная мощность достигает величины (12001500) Вт/дм3, и выходная мощность практически не ограничена (используется модульный принцип с суммированием токов в нагрузке). Другим достоинством таких преобразователей является их абсолютная устойчивость практически при любых режимах нагрузки. При таком построении преобразовательной части устройства (без двигателя) можно получить его К.П.Д. порядка 90%.
Повышающий импульсный регулятор постоянного напряжения с фиксированной частотой. (классическая схема).
При замыкании регулирующего ключа S диод VD, находившийся ранее в проводящем состоянии, закрывается, а ток дросселя переключается на регулирующий ключ. На интервале времени qT диод находится под обратным напряжением UН и энергия, потребляемая от источника входного напряжения, накапливается в индуктивности. Энергия в нагрузке обеспечивается конденсатором C, который разряжается током нагрузки.
При размыкании регулирующего ключа ток индуктивности переключается на диод, а на ключе действует напряжение UН. Энергия, потребляемая от источника входного напряжения на этом интервале времени, восполняет потери энергии в конденсаторе C и поддерживает ток нагрузки. Ток конденсатора при этом равен разности тока индуктивности и нагрузки.
Временные диаграммы повышающего импульсного регулятора постоянного напряжения.
- отношение среднего значения напряжения UН к входному напряжению E.
- относительная длительность проводящего состояния регулирующего ключа.
Из условия задачи получаем:
tи=0.8T
Составим систему уравнений состояния системы:
Решая её, получим выражение для определения индуктивности дросселя:
Предположим, что Rн может изменяться в 10 раз. Т. е. Rн max=140 Ом. Тогда, если fmax=100 кГц худший случай при
.
Рассчитаем катушку:
В связи с пульсациями, обычно берут в 2 раза больше: L=210-4 Гн
IL max 40 A т.к. P=10000 Вт (из условия) EIL=P при E=24 В IL max > 40 A
Теперь мы можем рассчитать физические параметры катушки:
Sl0>210-31600410-7=12.810-7=128010-3 м3=1280 мм3
Если l0=2 мм, то S = 640 мм2 = 6,4 см2 20 см2
Из этого можно сделать вывод, что классическая схема импульсного регулятора постоянного напряжения с фиксированной частотой имеет следующие недостатки:
-
Большие размеры устройства.
-
может быть неустойчив при переменной нагрузке. [1]
Повышающий импульсный регулятор постоянного напряжения со свободной частотой.
Основным отличием повышающего импульсного регулятора со свободной частотой от предыдущих классических решений заключается в том, что наше устройство автоматически управляет переключениями ключа S в зависимости от тока в катушке индуктивности и напряжении на конденсаторе. Это обеспечивается двумя триггерами Шмитта, которые, в свою очередь, управляют драйвером IR4427, который управляет ключом S.
1. Расчёт I0
если U(0)=0 то A=-I0ER
На выходе требуется получить U2=const=120 В.
Нужно, чтобы
В или I0ERmin>14400 В2
Если E=24 В и Rmin=14 Ом, то
А
С учётом пульсаций следует взять I+max=I0+I=48 А (50 А).
2. Расчёт индуктивности.
Пусть fmax=100 кГц, i=5 А
Пусть L=2510-6 Гн
Тогда Sl0=2510-51600410-7=1.610-7=160.010-9=16010-3 м3
Если l0=1 мм, то S 4.8 см2
Выберем индуктивность №87 E65x20x27 (S=5.4 см2)
Можно взять сердечник меньшего размера при l0=2 мм, но витков будет больше.
Система управления переключением ключа.
Общий принцип действия системы заключается в следующем:
Управление по току
Управление по току осуществляется следующим образом:
Как только ток в катушке станет меньше тока I0=43 A, ключ размыкается.
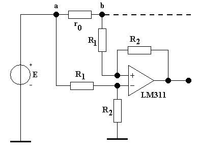
В схему вводиться резистор r0 и преобразователь “напряжение - ток” на базе операционного усилителя LM311. На инвертирующий вход усилителя полается напряжение с точки b, расположенной сразу после r0, а на не инвертирующий вход – напряжение в точке а, расположенной перед r0. В результате мы получаем:
Триггер Шмитта.
Первый триггер Шмитта отвечает за управление ключом по току. При равенстве напряжения, подаваемого на не инвертирующий вход ОУ, напряжению, подаваемому на инвертирующий вход, триггер Шмитта подаст на вход драйвера напряжение, соответствующее переключению ключа.
Характеристики
Тип файла документ
Документы такого типа открываются такими программами, как Microsoft Office Word на компьютерах Windows, Apple Pages на компьютерах Mac, Open Office - бесплатная альтернатива на различных платформах, в том числе Linux. Наиболее простым и современным решением будут Google документы, так как открываются онлайн без скачивания прямо в браузере на любой платформе. Существуют российские качественные аналоги, например от Яндекса.
Будьте внимательны на мобильных устройствах, так как там используются упрощённый функционал даже в официальном приложении от Microsoft, поэтому для просмотра скачивайте PDF-версию. А если нужно редактировать файл, то используйте оригинальный файл.
Файлы такого типа обычно разбиты на страницы, а текст может быть форматированным (жирный, курсив, выбор шрифта, таблицы и т.п.), а также в него можно добавлять изображения. Формат идеально подходит для рефератов, докладов и РПЗ курсовых проектов, которые необходимо распечатать. Кстати перед печатью также сохраняйте файл в PDF, так как принтер может начудить со шрифтами.















