КП1 (995096), страница 2
Текст из файла (страница 2)
Выходное напряжение ОУ, включенного в виде триггера Шмитта скачком переходит от положительного напряжения насыщения ОУ +UM к отрицательному напряжению насыщения –UM.
Из передаточной характеристики видно, что выходное напряжение находиться в состоянии положительного насыщения при входном сигнале Uвх, меньшем напряжения верхнего порога +UП. Если Uвх станет немного больше этого порогового значения +UП, напряжение на выходе схемы переброситься к –UM и останется в этом состоянии до тех пор, пока Uвх не станет меньше напряжения нижнего порога –UM.
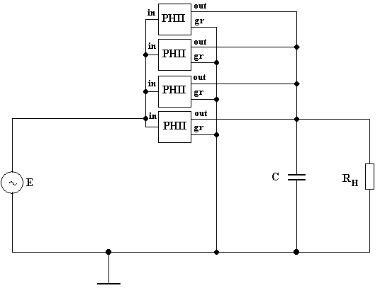
Основной недостаток предложенной схемы заключается в слишком большом I0, а следовательно слишком большой мощности. P=I02Rн. Для снижения тока предлагается разбить повышающий регулятор напряжения на четыре, что приведет к снижению тока в 4 раза.
Структурная схема:
Список литературы.
[1] – А. Г. Поликарпов, Е. Ф. Сергиенко – Импульсные регуляторы и преобразователи постоянного напряжения. Москва - Издательство МЭИ –1998 г.
[2] - Микросхемы для импульсных источников питания и их применение. – Москва ДОДЭКА 1997 г.
[3] - Ю. В. Опадчий, О. П. Глудков, А. И. Гуров – Аналоговая и цифровая электроника (Полный курс). – Москва “Горячая Линия - Телеком” 2002 г.
10















