Мой курсовой проект (989978)
Текст из файла
МИНИСТЕРСТВО ОБРАЗОВАНИЯ И НАУКИ РОССИЙСКОЙ ФЕДЕРАЦИИ МОСКОВСКИЙ ЭНЕРГЕТИЧЕСКИЙ ИНСТИТУТ (ТЕХНИЧЕСКИЙ УНИВЕРСИТЕТ)
ИНСТИТУТ ПРОБЛЕМ ЭНЕРГЕТИЧЕСКОЙ ЭФФЕКТИВНОСТИ КАФЕДРА ПРОМЫШЛЕННЫХ ТЕПЛОЭНЕРГЕТИЧЕСКИХ СИСТЕМ
ЗАДАНИЕ НА КУРСОВОЙ ПРОЕКТ
Студент: Курс: Группа:
Тема курсового проекта: ТЕПЛОСНАБЖЕНИЕ ЖИЛЫХ МИКРОРАЙОНОВ ГОРОДА Петрунь ОТ КОТЕЛЬНОЙ
Срок представления проекта к защите:
ИСХОДНЫЕ ДАННЫЕ ДЛЯ КУРСОВОГО ПРОЕКТИРОВАНИЯ
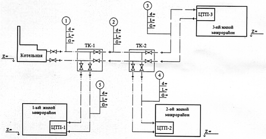
1. СХЕМА МАГИСТРАЛЬНОЙ ТЕПЛОВОЙ СЕТИ
Условные обозначения:
-- номер участка ТК – тепловая камера
--внутренний диаметр, мм ЦТП – центральный тепловой пункт
-- длина участка, м
- геодезический уровень (отметка) местности
-- расход сетевой воды на участке, кг/с (т/ч) Коэффициент эквивалентной шероховатости внутренней поверхности трубопроводов водяной тепловой сети равен kэ = 0,09 мм.
На всех участках магистральной тепловой сети через 90-100 м установлены П-образные компенсаторы.
2. ДАННЫЕ ПО ПОТРЕБИТЕЛЯМ ТЕПЛОТЫ
2.1. 1-ЫЙ ПОТРЕБИТЕЛЬ
-
Расчетная (максимальная) отопительная тепловая нагрузка зданий микрорайона: 20,35 МВт.
-
Тип жилых зданий микрорайона: квартирного типа, с повышенными требованиями к благоустройству.
-
Количество проживающих и работающих в микрорайоне: 4500 чел.
-
Расчетная температура воздуха (
)в помещениях жилых и общественных
зданий микрорайона: 20 оС.
2.2. 2-ОЙ ПОТРЕБИТЕЛЬ
-
Расчетная (максимальная) отопительная тепловая нагрузка зданий микрорайона: 20,35 МВт.
-
Тип жилых зданий микрорайона: квартирного типа, с повышенными требованиями к благоустройству.
-
Количество проживающих и работающих в микрорайоне: 4500 чел.
-
Расчетная температура воздуха (
)в помещениях жилых и общественных
зданий микрорайона: 20 оС.
2.3. 3-ИЙ ПОТРЕБИТЕЛЬ
-
Расчетная (максимальная) отопительная тепловая нагрузка зданий микрорайона: 20,35 МВт.
-
Тип жилых зданий микрорайона: квартирного типа, с повышенными требованиями к благоустройству.
-
Количество проживающих и работающих в микрорайоне: 4500 чел.
-
Расчетная температура воздуха (
)в помещениях жилых и общественных
зданий микрорайона: 20 оС.
3. СИСТЕМА ТЕПЛОСНАБЖЕНИЯЖИЛЫХ МИКРОРАЙОНОВ:
Водяная двухтрубная, открытая, с насосным смешением, с зависимой схемой присоединения отопительных установок.
Система теплоснабжения жилых микрорайонов 15 суток в году отключается на испытания и ремонты.
4.МЕТОД РЕГУЛИРОВАНИЯ ОТПУСКА ТЕПЛОТЫ: Центральный качественный, по отопительной нагрузке.
В «зоне излома» температурного графика регулирование отопительной тепловой нагрузки
Производится «местными пропусками»
5.ТЕМПЕРАТУРНЫЙ ГРАФИК РЕГУЛИРОВАНИЯ ОТОПИТЕЛЬНОЙ ТЕПЛОВОЙ НАГРУЗКИ В РАСЧЕТНОМ РЕЖИМЕ(
):140/70 0С.
Температуру сетевой воды на входе в отопительные приборы жилых и общественных здании микрорайонов расчетном режиме (
) принять равной 950С.
СОДЕРЖАНИЕ ПОЯСНИТЕЛЬНОЙ ЗАПИСКИ КУРСОВОГО ПРОЕКТА
ВВЕДЕНИЕ.
-
ОПРЕДЕЛЕНИЕ ТЕПЛОВЫХ НАГРУЗОК ДЛЯ КАЖДОГО ПОТРЕБИТЕЛЯ ТЕПЛОТЫ.
-
ВЫЧИСЛЕНИЕ ГОДОВОГО РАСХОДА ТЕПЛОТЫ ДЛЯ ВСЕХ ПОТРЕБИТЕЛЕЙ ТЕПЛОТЫ (ГРАФИЧЕСКИМ И РАСЧЕТНЫМ СПОСОБОМ). ОПРЕДЕЛЕНИЕ ПОГРЕШНОСТИ РАСЧЕТНОГО СПОСОБА ВЫЧИСЛЕНИЯ ГОДОВОГО РАСХОДА ТЕПЛОТЫ (ПО СРАВНЕНИЮ С ГРАФИЧЕСКИМ).
-
РАСЧЕТ И ПОСТРОЕНИЕ ГРАФИКОВ ТЕМПЕРАТУР И РАСХОДОВ СЕТЕВОЙ ВОДЫ
ДЛЯ СИСТЕМЫ ТЕПЛОСНАБЖЕНИЯ МИКРОРАЙОНОВ (ПРЕДСТАВИТЬ ПРИНЦИПИАЛЬНУЮ СХЕМУ СИСТЕМЫ ТЕПЛОСНАБЖЕНИЯ)
3.1. РАСЧЕТ РЕГУЛИРОВАНИЯ ОТПУСКА ТЕПЛОТЫ ДЛЯ СИСТЕМ ОТОПЛЕНИЯ ЖИЛЫХ И ОБЩЕСТВЕННЫХ ЗДАНИЙ. ОПРЕДЕЛЕНИЕ ОСНОВНЫХ ПОКАЗАТЕЛЕЙ КАЧЕСТВА ПОТРЕБЛЕНИЯ ТЕПЛОВОЙ ЭНЕРГИИ.
3.2. РАСЧЕТ МЕСТНОГО ПОДРЕГУЛИРОВАНИЯ ОТПУСКА ТЕПЛОТЫ ДЛЯ СИСТЕМ ГОРЯЧЕГО ВОДОСНАБЖЕНИЯ ЖИЛЫХ И ОБЩЕСТВЕННЫХ ЗДАНИЙ.
3.3. РАСЧЕТ МЕСТНОГО ПОДРЕГУЛИРОВАНИЯ ОТПУСКА ТЕПЛОТЫ ДЛЯ СИСТЕМ ПРИНУДИТЕЛЬНОЙ ПРИТОЧНО-ВЫТЯЖНОЙ ВЕНТИЛЯЦИИ ОБЩЕСТВЕННЫХ ЗДАНИЙ.
3.4. ОПРЕДЕЛЕНИЕ РАСХОДОВ СЕТЕВОЙ ВОДЫ В ПОДАЮЩЕМ И ОБРАТНОМ ТРУБОПРОВОДАХ ТЕПЛОВОЙ СЕТИ. ВЫЧИСЛЕНИЕ СРЕДНЕВЗВЕШЕННОЙ ТЕМПЕРАТУРЫ СЕТЕВОЙ ВОДЫ В ОБРАТНОМ ТРУБОПРОВОДЕ ТЕПЛОВОЙ СЕТИ.
-
ГИДРАВЛИЧЕСКИЙ РАСЧЕТ ВОДЯНОЙ ТЕПЛОВОЙ СЕТИ (ДЛЯ РАСЧЕТНОГО И ЛЕТНЕГО РЕЖИМОВ РАБОТЫ).
-
ПОСТРОЕНИЕ ПЬЕЗОМЕТРИЧЕСКОГО ГРАФИКА ДЛЯ ВОДЯНОЙ ТЕПЛОВОЙ СЕТИ (ДЛЯ РАСЧЕТНОГО И ЛЕТНЕГО РЕЖИМОВ РАБОТЫ).
-
ВЫБОР СЕТЕВЫХ И ПОДНИТОЧНЫХ НАСОСОВ. ОПРЕДЕЛЕНИЕ СУММАРНЫХ И УДЕЛЬНЫХ ЗАТРАТ ЭЛЕКТРОЭНЕРГИИ НА ПЕРЕДАЧУ (ТРАНСПОРТИРОВКУ) ТЕПЛОВОЙ ЭНЕРГИИ.
ЗАКЛЮЧЕНИЕ. Список литературы.
ПЕРЕЧЕНЬ ГРАФИЧЕСКОГО МАТЕРИАЛА КУРСОВОГО ПРОЕКТА
-
СХЕМА ТЕПЛОВОГО ПУНКТА ЖИЛОГО МИКРОРАЙОНА С ТЕМПЕРАТУРНЫМ ГРАФИКОМ И ГРАФИКОМ РАСХОДА СЕТЕВОЙ ВОДЫ – 1 лист (формат А1).
-
ПЬЗОМЕТРИЧЕСКИИ ГРАФИК ВОДЯНОЙ ТЕПЛОВОЙ СЕТИ – 1 лист (формат А1).
Руководитель проекта:
Задание принял к исполнению:
Введение.
Системы теплоснабжения необходимы для обеспечения потребителей теплом в виде нагретой сетевой воды или нагретого (насыщенного) водяного пара.
Система централизованного теплоснабжения включает три основных звена:
-
Потребители тепловой энергии
-
Тепловые сети
-
Источник теплоснабжения (котельная, ТЭЦ).
Потребители теплоты – это установки, здания и люди, которым тепловая энергия необходима для удовлетворения своих потребностей.
Для жилых, общественных и административно-бытовых зданий тепловая энергия необходима для отопления, горячего водоснабжения, вентиляции. На промышленных предприятиях для проведения тепловых технологических процессов (сушка, выпаривание, подогрев и т.д.).
Каждый потребитель в любой произвольно взятый момент времени должен получать именно то кол-во теплоты, которое ему необходимо. Если в какой-то момент времени источник будет вырабатывать и выпускать теплоту в меньшем или большем количестве, то коммунально-бытовой потребитель теплоты (КБПТ) почувствует дискомфорт.
Тепловые сети (ТС) – это элемент системы централизованного теплоснабжения, через которые тепловая энергия доставляется потребителям теплоты.
Тепловые сети предназначены для обеспечения надежной подачи теплоты и точности ее распределения между потребителями при этом потери теплоты при транспортировке должны быть min.
Тепловые сети включают в свой состав трубопроводы, запорную и регулирующую арматуру, а также сетевые, подпиточные и повысительные насосы.
Источники теплоснабжения (ИТ) – необходимы для выработки того количества энергии, которое необходимо потребителю.
В данной работе мы рассмотрели теплоснабжение трех жилых микрорайонов города Петрунь.
1.Определение тепловых нагрузок для каждого потребителя теплоты.
Первый жилой микрорайон.
1.1 Определение средней тепловой нагрузки на отопление, вентиляцию и горячее водоснабжение зданий первого жилого микрорайона:
Тип жилых зданий микрорайона: Квартирного типа, с повышенными требованиями к благоустройству:
Среднюю тепловую нагрузку на горячее водоснабжение для отопительного периода находим по следующей формуле:
кВт
Рассчитываем среднюю тепловую нагрузку на горячее водоснабжение для летнего периода по следующему выражению:
кВт
где
агв= 115 л/сут · чел- общая норма расхода воды (одним потребителем) в средние сутки (смену) (принимаем по [1]);
bгв = 25 л/сут · чел - норма расхода горячей воды на одного человека, работающего в общественном, административно-бытовом или производственном здании при отсутствии точных данных;
M = 4500 чел -количество потребителей воды, проживающих и работающих в микрорайоне;
tхв = 5 ºС- температура холодной воды у водоразборных приборов зданий;
tгв = 60 ºС- температура горячей воды у водоразборных приборов зданий(принимаем равной 60 ºС
так как нет точных данных)
СВ = 4,19 кДж/(кг· ºС) -теплоемкость воды.
Определяем расчетную (максимальную) тепловую нагрузку на горячее водоснабжение зданий для отопительного периода первого жилого микрорайона по следующему выражению:
кВт
где
- коэффициент часовой неравномерности потребления воды (принимаем из диапазона 2
2,4)
Максимальная тепловая нагрузка на горячее водоснабжение зданий первого жилого микрорайона в летний период находится по формуле:
кВт
Расчетная (максимальная) тепловая нагрузка на отопление берем из задания для 1-ого района:
Для остальных двух микрорайонов значения такие же, так как по заданию все три микрорайона у нас одинаковые.
1.2 Суммарная тепловая нагрузка на горячее водоснабжение для трех жилых микрорайонов.
Определение средней суммарной тепловой нагрузки на горячее водоснабжение для трех жилых микрорайонов (отопительный период):
кВт
Определение расчетной (максимальной) суммарной тепловой нагрузки на горячее водоснабжение для трех жилых микрорайонов(отопительный период):
кВт
Определение средней суммарной тепловой нагрузки на горячее водоснабжение для трех жилых микрорайонов в летний период:
кВт
Определение расчетной (максимальной) суммарной тепловой нагрузки на горячее водоснабжение для трех жилых микрорайонов в летний период:
кВт
1.3. Суммарная расчетная (максимальная) отопительная тепловая нагрузка для трех жилых микрорайонов.
МВт
Данные по расчёту тепловых нагрузок сведены в таблицу 1.1.
Т а б л и ц а 1.1 Итоги расчета тепловых нагрузок на отопление и горячее водоснабжение.
| Наименование района | Qo,кВт | Qгвр,кВт | ΣQ, кВт | ||
| в отопительный период | в летний период | в отопительный период | в летний период | ||
| 1 микрорайон | 20350 |
| 3628 | 24785 | 3628 |
| 2 микрорайон | 20350 |
| 3628 | 24785 | 3628 |
| 3 микрорайон | 20350 |
| 3628 | 24785 | 3628 |
| Всего по трем микрорайонам | 61000 | 13310 | 10880 | 74355 | 10880 |
2.Вычисление годового расхода теплоты для всех потребителей теплоты (графическим и расчетным способом). Определение погрешности расчетного способа вычисления годового расхода теплоты (по сравнению с графическим).
2.1. Вычисление годового расхода теплоты для всех потребителей теплоты графическим способом.
Расчетная температура воздуха в помещениях жилых ,общественных зданий микрорайона: 20 ˚С
Расчетная (максимальная) отопительная тепловая нагрузка жилых и общественных зданий 3-х микрорайонов: 61 МВт
В соответствии со [2]:
Характеристики
Тип файла документ
Документы такого типа открываются такими программами, как Microsoft Office Word на компьютерах Windows, Apple Pages на компьютерах Mac, Open Office - бесплатная альтернатива на различных платформах, в том числе Linux. Наиболее простым и современным решением будут Google документы, так как открываются онлайн без скачивания прямо в браузере на любой платформе. Существуют российские качественные аналоги, например от Яндекса.
Будьте внимательны на мобильных устройствах, так как там используются упрощённый функционал даже в официальном приложении от Microsoft, поэтому для просмотра скачивайте PDF-версию. А если нужно редактировать файл, то используйте оригинальный файл.
Файлы такого типа обычно разбиты на страницы, а текст может быть форматированным (жирный, курсив, выбор шрифта, таблицы и т.п.), а также в него можно добавлять изображения. Формат идеально подходит для рефератов, докладов и РПЗ курсовых проектов, которые необходимо распечатать. Кстати перед печатью также сохраняйте файл в PDF, так как принтер может начудить со шрифтами.
)в помещениях жилых и общественных
















