вариант 5 (988167)
Текст из файла
ЗАДАНИЕ НА КУРСОВОЙ ПРОЕКТ 3
ШИФР ЗАДАНИЯ 4
СТРУКТУРНАЯ СХЕМА ГПИ 5
РАСЧЁТ ГЕНЕРАТОРА ДЛИТЕЛЬНОСТИ ИМПУЛЬСА(ГТи) 6
РАСЧЁТ ГЕНЕРАТОРА ПЕРИОДА(ГТ) 9
РАСЧЁТ УСИЛИТЕЛЯ МОЩНОСТИ 10
РАСЧЁТ БЛОКА ЗАДЕРЖКИ 11
ИНТЕГРАЛЬНЫЙ СТАБИЛИЗАТОР НАПРЯЖЕНИЯ 12
ПРИНЦИПИАЛЬНАЯ ЭЛЕКТРИЧЕСКАЯ СХЕМА 15
ЛИТЕРАТУРА 16
ЗАДАНИЕ НА КУРСОВОЙ ПРОЕКТ
по курсу "Электронные цепи и микросхемотехника"
Спроектировать гненератор прямоугольных импульсов (ГПИ), либо генератор импульсов линейно-изменяющегося напряжения (ГЛИН). Спроектировать стабилизатор напряжения, обеспечивающий питание генератора импульсов. Использовать интегральные СН. Eпит при нестабильности напряжения сети +,- 20%.
Генератор прямоугольных импульсов.
Спроектировать генератор прямоугольных импульсов, обеспечивающий в нагрузке (Rн,Сн) амплитуду рабочих импульсов, регулируемую в пределах 0 - Uвых m. Длительность импульсов должна регулироваться и находиться в пределах Tи min - Tи max. Период следования импульсов регулируется и находится в пределах T min - T max. Обеспечить длительность переднего и заднего фронтов импульса не более tф. Форма напряжения рабочего импульса и его амплитуда могут быть согласованы с консультантом. Генератор (за исключением УМ) выполняется с использованием стандартных логических элементов (ЛЭ) ТТЛ, либо КМОП однотипных для всего генератора, либо таймеров (формирователей) на основе ТТЛ и ЛЭ ТТЛ (Т-ТТЛ) или таймеров (формировате-
лей) на основе КМОП и ЛЭ КМОП (Т-КМОП).
Генератор импульсов линейно-изменяющегося напряжения.
Спроектировать ГЛИН, обеспечивающий в нагрузке (Rн) амплитуду рабочих импульсов, регулируемую в пределах 0 - Uвых m. Длительность импульсов должна регулироваться и находиться в пределах Tи min - Tи max. Период следования импульсов регулируется и находится в пределах T min - T max. Обеспечить длительность фронта спада импульса не более tф. Форма напряжения рабочего импульса и его амплитуда могут быть согласованы с консультантом. Генератор (за исключением УМ) выполняется с использованием стандартных логических элементов (ЛЭ) ТТЛ, либо КМОП однотипных для всего генератора, либо таймеров (формирователей) на основе ТТЛ и ЛЭ ТТЛ (Т-ТТЛ) или
таймеров (формирователей) на основе КМОП и ЛЭ КМОП (Т-КМОП). Для ГЛИНа также допускается использование операционных усилителей (ОУ).
ШИФР ЗАДАНИЯ
5.Васильева 1 6 - 5 4 3 5 3 5 2 3 4 С
Данные:
| Uвыхm = 20 В Полярность импульса «-» Tиmin = 15 мкс Tиmax/Tumin = 10 tф/ Tumin = 0,03 Rн = 3 кОм Сн = 1000 пф Tmin/ Tumax = 10 Tmax/ Tmin = 3 Тип логики Т-ТТЛ , %Епит=0,5 | Tиmax=150 мкс tф=0,45 мкс Tmin=1.5мкс Tmах=4.5мкс |
| |
СТРУКТУРНАЯ СХЕМА ГПИ
Осциллограммы в различных точках нашей структурной схемы:
Каждое устройство выполняет следующие функции:
-
Мультивибратор (ГТ) генерирует прямоугольные импульсы с регулируемым периодом следования для запуска ждущего мультивибратора
-
Ждущий мультивибратор (ГТи) формирует прямоугольный импульс с заданной длительностью
-
Усилитель мощности формирует импульс с заданной амплитудой.
С выхода усилителя УМ должен быть снят сигнал,удовлетворяющий требованиям к сигналу расчитываемого генератора прямоугольных импульсов.
Между генератором периода и генератором длительности будет использована схема задержки.
Для стабилизации выходного напряжения будет использован интегральный стабилизатор напряжения.
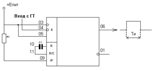
РАСЧЁТ ГЕНЕРАТОРА ДЛИТЕЛЬНОСТИ ИМПУЛЬСА(ГТи)
Генератор периода в настоящей работе будет выполнен на двух интегральных микросхемах ТТЛ серии 155.(К155АГ1).
Краткое описание микросхемы К155АГ1:
Микросхема К155АГ1— одноканальный ждущий мультивибратор. Он формирует калиброванные импульсы с хорошей стабильностью длительности. Мультивибратор содержит внутреннюю ячейку памяти — триггер с двумя выходами 6 и 1. Поскольку оба выхода имеют наружные выводы , разработчик получает от микросхемы парафазный сформированный импульс. Триггер имеет три импульсных входа логического управления (установки в исходное состояние) через элемент Шмитта. Вход 05 (активный перепад —
положительный) дает прямой запуск триггера, входы 03, 04— инверсные (активный перепад —
отрицательный). .
Сигнал сброса, т. е. окончания импульса в триггере, формируется с помощью RC-звена: времязадающий конденсатор C подключается между выводами микросхемы 10 и 11, резистор R включается от вывода 09 к положительной шине питания 5В.
Мультивибратор АГ1 нельзя перезапустить, пока не истекло время Т. Запущенный мультивибратор нечувствителен ко входным сигналам 03, 04 и 05. Входная схема с триггером Шмитта обеспечивает надежный запуск (по входу 05) при медленно нарастающем напряжении запуска (например, даже при скорости нарастания фронта запуска 1 В/с). Помехоустойчивость по входам— 1,2, по питанию— 1,5 В.
Управление микросхемой К155АГ1:
При любых комбинациях статических сигналов на входах 3, 4 и 5 одновибратор находится в стабильном состоянии при котором
Реакция на перепады напряжения приведены в таблице:
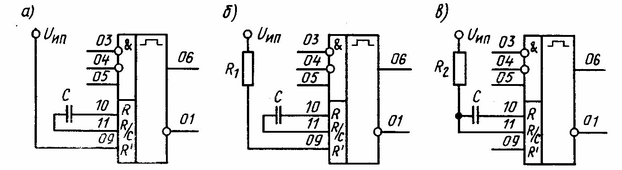
Рассмотрим ограничения , накладываемые на внешние R, C компоненты. Rmin снизу ограничивается максимально допустимым током базы транзистора VT1. В технических условиях указано Rmin=1.4кОм, что соответствует току базы транзистора VT1 равному приблизительно 2.7мА. Rmax сверху ограничивается требованием обеспечения насыщенного режима транзистора VT1. В технических условиях указано, что Rmax=30кОм. Емкость конденсатора С должна быть меньше или равна 1000мкФ, причём допускается применение электролитических конденсаторов.
Длительность выходного импульса можно определить по формуле:
Значения R определяется одним из вариантов включения внешних компонентов, представленных на следующем рисунке:
В данной работе будет использоваться схема включения внешних компонентов, которая представлена на рис б). В данном случае в качестве резистора R используется внешний резистор R1 последовательно включенный со встроенным резистором R4=2кОм R=R1+R4. Очевидно, что с учетом сформулированных выше ограничений для данного варианта получим R1min=0.6кОм; R1max=28кОм.
Одновибратор будет выглядеть следующим образом:
Расчёт ЖМВ:
Итак , чтобы получить импульс заданной длительности необходимо взять С3=36нФ, Rmax=6кОм.
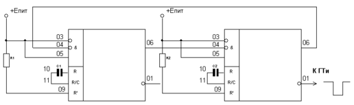
РАСЧЁТ ГЕНЕРАТОРА ПЕРИОДА(ГТ)
Структурная схема приведена на рисунке: два ждущих мультивибратора соединены так, что выход первого подключен ко входу второго, а выход второго ко входу первого.
Удобно для этой цели использовать те же микросхемы К155АГ1.
Расчёт автогенератора:
Для удобства возьмём две микросхемы с идеинтичными внешними компонентами, т.е.
R1=R2 и C1=C2.
Искомый период будет равен:
T=τ1+τ2=R1*C1*ln2+R2*C2*ln2
Так как внешние компоненты равны получаем:
T=C*ln2*(R1+R2)=2R*C*ln2
a
Рассчитываем минимальный период:
Максимальное возможное сопротивление для нашей схемы:
Итак , чтобы получить импульс заданным периодом необходимо взять С1=С2=1.8мкФ, Rmax=1,8кОм.
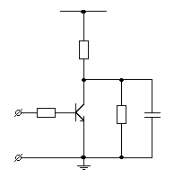
РАСЧЁТ УСИЛИТЕЛЯ МОЩНОСТИ
Eпит
Rк
Rб
Сн
Rн
В качестве УМ используем усилительный каскад, выполненный по схеме с общим эмиттером.
Данный усилитель мощности формирует импульс заданной амплитуды 0-Uвыхm(20В) и обеспечивает длительность переднего и заднего фронтов не более tф=0,45 мкс.
Епит=25В.
Возьмём транзистор VT2-KT315Б
U*=0.7В
Характеристики
Тип файла документ
Документы такого типа открываются такими программами, как Microsoft Office Word на компьютерах Windows, Apple Pages на компьютерах Mac, Open Office - бесплатная альтернатива на различных платформах, в том числе Linux. Наиболее простым и современным решением будут Google документы, так как открываются онлайн без скачивания прямо в браузере на любой платформе. Существуют российские качественные аналоги, например от Яндекса.
Будьте внимательны на мобильных устройствах, так как там используются упрощённый функционал даже в официальном приложении от Microsoft, поэтому для просмотра скачивайте PDF-версию. А если нужно редактировать файл, то используйте оригинальный файл.
Файлы такого типа обычно разбиты на страницы, а текст может быть форматированным (жирный, курсив, выбор шрифта, таблицы и т.п.), а также в него можно добавлять изображения. Формат идеально подходит для рефератов, докладов и РПЗ курсовых проектов, которые необходимо распечатать. Кстати перед печатью также сохраняйте файл в PDF, так как принтер может начудить со шрифтами.
















