КП (988066)
Текст из файла
Содержание:
ЗАДАНИЕ на КУРСОВОЙ ПРОЕКТ 2
Блок-схема ГПИ 3
РАСЧЁТ МУЛЬТИВИБРАТОРА 4
РАСЧЁТ ЖДУЩЕГО МУЛЬТИВИБРАТОРА 6
РАСЧЁТ УСИЛИТЕЛЯ МОЩНОСТИ 8
СТАБИЛИЗАТОР НАПРЯЖЕНИЯ 11
ДИФЕРЕНЦИРУЮЩАЯ ЦЕПЬ 12
ТАБЛИЦА СПЕЦИФИКАЦИЙ 14
ПРИНЦИПИАЛЬНАЯ СХЕМА 15
СПИСОК ЛИТЕРАТУРЫ 16
ЗАДАНИЕ на КУРСОВОЙ ПРОЕКТ
Генератор прямоугольных импульсов
Спроектировать генератор прямоугольных импульсов, обеспечивающий в нагрузке (Rн, Сн) амплитуду рабочих импульсов, регулируемую в пределах от 0 до Uвых_mах. Длительность импульсов должна регулироваться и находиться в пределах от Tи_min до Tи_max. Период следования импульсов регулируется и находится в пределах от Tmin до Tmax. Обеспечить длительность переднего и заднего фронтов импульса не более заданной величины tф. Форма напряжения рабочего импульса и его амплитуда могут быть согласованы с консультантом.
Генератор, за исключением усилителя мощности (УМ), выполняется с использованием стандартных логических элементов (ЛЭ) ТТЛ либо КМОП (однотипных для всей системы), либо таймеров (формирователей) на основе ЛЭ ТТЛ (Т-ТТЛ) или на основе ЛЭ КМОП (Т-КМОП). Типы логических элементов могут быть согласованы с консультантом.
Рассчитать стабилизатор напряжения, обеспечивающий питание генератора импульсов. Использовать интегральные стабилизаторы напряжения (СН). Нестабильность ыходного напряжения стабилизатора должна быть не хуже +-Delta_Eпит при нестабильности напряжения сети +- 20%.
Данные:
| Uвыхm = 3 В Полярность импульса «-» Tиmin = 500 мкс Tиmax/Tumin = 20 tф/ Tumin = 0,05 Rн = 0.2 кОм Сн = 500 пф Tmin/ Tumax = 15 Tmax/ Tmin = 5 Тип логики КМОП Епит=1% | Tиmax=10 мс tф=25 мкс Tmin=150 мс Tmах=750 мс |
Блок-схема ГПИ
Каждое устройство выполняет следующие функции:
-
Мультивибратор (МВ) генерирует прямоугольные импульсы с регулируемым периодом следования для запуска ждущего мультивибратора
-
Дифференцирующая цепочка (ДЦ) служит для укорачивания длительности импульса, необходимого для осуществления запуска ЖМВ.
-
Ждущий мультивибратор (ЖМВ) формирует прямоугольный импульс с заданной длительностью
-
Усилитель мощности формирует импульс с заданной амплитудой.
Автогенератор в настоящей работе будет выполнен на трёх микросхемах КМОП серии К561ЛА7.
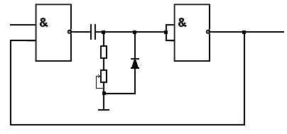
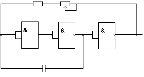
РАСЧЁТ МУЛЬТИВИБРАТОРА
R1
R2
C1
DD1.1
DD1.2
DD1.3
Генератор импульсов собран на трёх логических элементах И-НЕ с одним времязадающим конденсатором С1.
Рассчитаем значение сопротивления R1.
При R2=0 ток через R1 не должен превышать половины тока выхода DD1.3 (ток разделяется на R1 и укорачивающую цепь).
Напряжение питания: Е=15 В
Для данной микросхемы максимальный выходной ток: Iвыхmax=0.35*10-3 А
Ток через сопротивление R1 равен:
Зная ток через R1 и напряжение питания, мы можем найти минимальное значение сопротивления R1:
Рассчитаем значения конденсатора С1.
Найдем значение сопротивления R2:
Для этого найдем максимальное сопротивление цепи.
РАСЧЁТ ЖДУЩЕГО МУЛЬТИВИБРАТОРА
DD1.4
DD1.5
С4
R4
R5
VD1
Генератор импульсов собран на логических элементах И-НЕ с одним времязадающим конденсатором С4.
Найдем значение сопротивления R4
Зная ток через R4 и напряжение питания, мы можем найти минимальное значение сопротивления R4:
Рассчитаем значения конденсатора С4.
Зная, что
, где Ud=0,7 В найдем С4:
Найдем значение сопротивления R5
Для этого найдем максимальное сопротивление цепи.
Тогда Rmax
РАСЧЁТ УСИЛИТЕЛЯ МОЩНОСТИ
Возьмём Eпит ум = 15 В, = 50, rб = 200 Ом – сопротивление базы транзисторов.
Когда в точке 1 напряжение логического нуля транзистор VT1 закрыт (т.к. напряжение между базой и эмиттером меньше чем 0.7 В). Потенциал базы VT3 больше, чем эмиттера VT3 тоже закрыт. Конденсатор Cн заряжается через открытый транзистор VT2. Перечертим схему и найдём сопротивления R7 и R8.
φ3 = 3В Iэ = Iн = 3 В/ 0,2 кОм = 15 мА.
Iб = Iэ / ( + 1) = 15 / 51 = 0,3 мА.
Для того, чтобы изменение R8 заметно влияло на изменение базового тока VT2 (а значит и на изменение амплитуды выходного сигнала) надо, чтобы ток, текущий через него был порядка тока базы VT2.
Возьмём ток, текущий через R8 равный двум базовым токам VT2:
I2 = 2*Iб = 2*0,3 = 0,6 мА.
Тогда ток I1 будет равен:
I1 = I2 + Iб = 3* Iб = 3*0,3 = 0,9 мА.
φ2 = φ3 + Uбэ = 3 + 0,7 = 3,7 В.
Н
айдём сопротивления R7 и R8:
R7=12,9 кОм
R8=6,19 кОм
Когда напряжение в точке 1 равно напряжения логической единицы VT1 и VT3 открываются, а VT2 закрывается и конденсатор разряжается через открытый VT3.Нарисуем соответствующую схему:
Т
ок разрядки конденсатора равен:
Базовый ток VT3 равен:
Т
ранзистор VT1 в насыщении Uкэ нас VT1 0,3 В.
Коллекторный ток VT1 будет равен: Iк1 = IR7 + IБ3 = 2,38 + 0,001176 = 2,379 мА.
Тогда базовый ток VT1 будет равен: IБ1 = Iк1 / 2,379 / 50 = 47,6 мкА.
Это минимальный базовый ток VT1, который необходим, чтобы конденсатор успел полностью разрядится за время равное 25 мкс.
Найдем сопротивление R6:
Напряжение в точке 1 равно U1=2,4 В (для используемой микросхемы)
R6=36 кОм
Найдем tф :
tф 2,3 * , где
= Сн*(Rн || rвых ок)
rвых ок = h11 об + (R7 || R8)/(+1)
По условию курсового проекта tф = 25 мкс. Полученная величина в 35 раз меньше,
следовательно, данный усилитель в состоянии обеспечить нужные фронты.
СТАБИЛИЗАТОР НАПРЯЖЕНИЯ
В этом стабилизаторе используется микросхема КР142ЕН9А. Параметры микросхемы:
Найдем потребляемый ток:
Когда на выходе генератора 15 В, то ток, который потребляют усилитель равен:
.
Если же на выходе генератора 0 В, то потребляемый ток будет равен:
.
Таким образом, средний ток, потребляемый усилителем равен:
А пульсация тока будет равна:
Для уменьшения влияния нестабильности входного напряжения (Uвх = Uвх 20% ) и пульсации тока при изменении выходного напряжения генератора от 0 до 15В и наоборот нужно поставить конденсаторы C6 и С7. Пусть напряжение на входе стабилизатора 30 В, тогда из-за изменения
напряжения в сети, входное напряжение будет меняться от 24 до 36 В.
Найдём величину конденсатора С6 :
Теперь нужно проверить изменение выходного напряжения вследствие пульсации тока:
По условию курсового проекта стабилизатор должен обеспечить стабильность напряжения питания: ΔΕпит=1%, Епит=15В.
ΔΕпит=0.01*15=0.15 В. Без конденсатора С7 стабильность напряжения - ΔΕпит=0.098 В, тогда Iпит_ум, которое может обеспечить стабилизатор без C7 будет равен:
Если Iпит_ум = 24.5 мА, то конденсатор C7 за время разрядки должен обеспечить ток, равный Iс7 = 7,95 – 0,45 = 7.5 мА. Время разрядки возьмём равным максимальной длительности генерируемого импульса.
Значит, поставив С7 равным 5 мкФ, обеспечим нужное Eпит_ум:
ДИФЕРЕНЦИРУЮЩАЯ ЦЕПЬ
К точке 2 подключается вход ЖМВ. Для того, чтобы одновибратор стабильно генерировал на выходе импульсы необходимо, чтобы запускающий импульс был не больше половины генерируемого импульса. ЖМВ переключится, когда на его входе напряжение будет U*. Поэтому при T = Tи min / 2 U2 должно быть равно U*.
Ограничения на R7:
К
огда напряжение в точке 2 равно лог. 1, конденсатор не пропускает ТОК и весь ток, текущий через резистор течёт через входной Л.Э. ЖМВ. Если взять R7 очень большой, то на нём будет большое падение напряжения и в точке 2 напряжение будет меньше напряжения логической единицы. Из-за этого ЖМВ работать небудет
К
огда же напряжение в точке 1 меняется от лог. 1 до лог. 0 конденсатор представляет собой короткое замыкание и выход подключен к R7. Если R7 будет маленьким, то ток, текущий через него может превысить максимально допустимый выходной ток Л.Э,
Характеристики
Тип файла документ
Документы такого типа открываются такими программами, как Microsoft Office Word на компьютерах Windows, Apple Pages на компьютерах Mac, Open Office - бесплатная альтернатива на различных платформах, в том числе Linux. Наиболее простым и современным решением будут Google документы, так как открываются онлайн без скачивания прямо в браузере на любой платформе. Существуют российские качественные аналоги, например от Яндекса.
Будьте внимательны на мобильных устройствах, так как там используются упрощённый функционал даже в официальном приложении от Microsoft, поэтому для просмотра скачивайте PDF-версию. А если нужно редактировать файл, то используйте оригинальный файл.
Файлы такого типа обычно разбиты на страницы, а текст может быть форматированным (жирный, курсив, выбор шрифта, таблицы и т.п.), а также в него можно добавлять изображения. Формат идеально подходит для рефератов, докладов и РПЗ курсовых проектов, которые необходимо распечатать. Кстати перед печатью также сохраняйте файл в PDF, так как принтер может начудить со шрифтами.
















