Задачи Каретникова транзисторные ключи (987985)
Текст из файла
Каретников И. А.
СБОРНИК ЗАДАЧ
ПО ИМПУЛЬСНОЙ ТЕХНИКЕ
1. Ключи, логические элементы
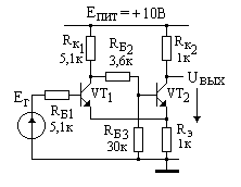
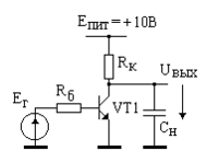
| Задача № 1.1 | |
|
| Дано: VT1-Si, N=50, Iк0=0,1мкА, IЭ=I10(eU бэ/(m т)-1), mт=30мВ, I10=110-13А, I20=310-13А, rБ=200 Ом, rКS=100 Ом., I=2 RК=1к, RБ= 5к. Опр: UВЫХ= f(EГ), UКЭН= ? при S=IБ/ IБН =2. |
| Задача № 1.2 | |
| Дано: VT1-Si, =50, Iк0=0,1мкА, IЭ=I10(eU бэ/(m т)-1), mт=30мВ, I10=110-13А, I20=310-13А, rБ=200 Ом, rКS=100 Ом RК=5к, RБ= 5к, СКБ= 5Ф, СЭБ=10Ф =10-7с. Опр: UВЫХ, IК = f(t), если ЕГ = 3В= =идеальный прямоугольный импульс. |
| Задача № 1.3 | |
| Дано: VT1-Si, =50, Iк0=0,1мкА, RК=1к, RБ= 5к, СКБСЭБ0, СН=1000Ф, =10-10с. Опр: UВЫХ, IК = f(t), если ЕГ =5В = идеальный прямоугольный импульс. |
| Задача № 1.4 | |
| Дано: VT1-Si, =50, Iк0=0,1мкА, RЭ=1к, RБ= 5к, СКБСЭБ0, CН=0,01мкФ, =10-10с. Опр: UВЫХ, = f(t), если ЕГ =5В = идеальный прямоугольный импульс. |
| Задача № 1.5 | |
| Дано: VT1, VT2=Si, =50, Iк0=0,1мкА, RН=1к, RБ= 5к, СКБСЭБ0, CН=0,01мкФ, =10-10с. Опр: UВЫХ, = f(t), если ЕГ =5В = идеальный прямоугольный импульс. |
| Задача № 1.6 | |
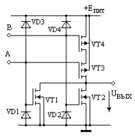
| Дано: VT1=Si, =50, Iк0=0,1мкА, VD =Si, RН=0.2к, L=20мГн, RБ= 5к, СКБ10Ф, СЭБ20Ф, =10-10с. Опр: UВЫХ, IK, IL = f(t), если ЕГ =10В = идеальный прямоугольный импульс. |
| Задача № 1.7 | |
|
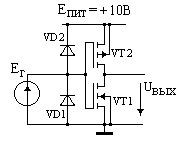
| Дано: VT1,VT2=Si, b1=5мА/В2, b2=5мА/В2 U01=2В, U02=3В. Опр: UВЫХ, IПИТ = f(ЕГ), IВЫХ/=f(ЕГ/) |
| Задача № 1.8 | |
|
| Дано: VT1,VT2=Si, b1=5мА/В2, b2=5мА/В2 U01=2В, U02=3В. СН=200Ф. Опр: UВЫХ, IVT1 ,IVT2 = f(t) |
| Задача №1.9 | |
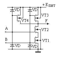
| Дано: EПИТ =+9 В, UО1 = UО2 = 3В, UО3 = UО4 = 4В, bn = 0,1 мА/B, bp = 0,2 мА/B. Опр: U1, U0 , вывести логическую функцию, выполняемую схемой. | |
| Задача № 1.10 | |
|
| Дано: EПИТ =+9 В, UО1 = UО2 = 3В, UО3 = UО4 = 4В, bn = 0,1 мА/B, bp = 0,2 мА/B. Опр: U1, U0 , вывести логическую функцию, выполняемую схемой. |
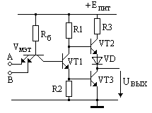
| Задача № 1.11 | |
|
| Дано: EПИТ = +5 В, VМЭТ, VT1 = Si , N=50, Опр: 1) выполняемую логическую функцию, 2) Iвх = f (Uвх), 3) Uвых = f (Uвх), 4) Iвых = f (Eг), 5) Форму импульса Uвых(t) при управле- нии ЛЭ идеальным импульсным сигналом. |
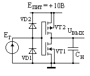
| Задача № 1.12 | |
|
| Дано: EПИТ = +5 В, VМЭТ, VT1, VT2, VT3, VD = Si, N=50, I = 4, Rб = 4,3 к, R1 = 3,3к, R2 = 1,5к, Опр: 1) выполняемую логическую функцию, 2) Iвх = f (Uвх), 3) Uвых = f (Uвх), 4) Iвых = f (Eг), |
2. Статические триггеры
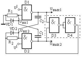
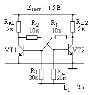
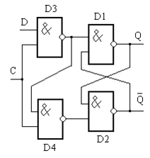
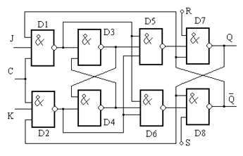
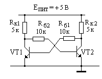
| Задача № 2.1 | |
|
| Дано: VT1, VT2 =Si, =50, IК0=0,1мкА. Опр: К1, К2, Б1, Б2. |
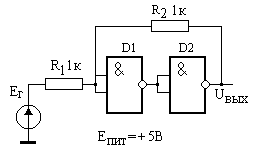
| Задача № 2.2 | |
|
| Дано: VT1, VT2 =Si, =50, IК0=0,1мкА. Опр: К1, К2, Б1, Б2. |
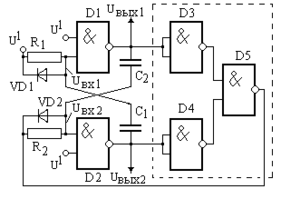
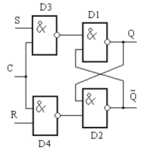
| Задача № 2.3 | |
|
| Дано: VT1=VT2=VT3=VT4=Si, =50, IК0=0,1мкА. RК1= RК2=5к, RБ1=RБ2=RБ3=RБ4=15к. Опр: ВЫХ1, ВЫХ2=f(ВХ1, ВХ2). Составить словарь переходов. |
3. Триггеры Шмидта
| Задача № 3.1 | |
|
| Дано: VT1, VT2 -Si, =50, IК0= 0,1мкА Рассчитать: пороги срабатывания, потенциалы К1, К2. Привести осциллограмму Uвых в случае, если |
| Задача № 3.2 | |
| Дано: A1 KUД=103, rВХД= 105 Ом, rВЫХ= 50 Ом. EПИТ1=+10В, EПИТ2=-10В. R1= 10к, R2= 5к. Рассчитать: пороги срабатывания, потенциалы Uвых. Привести осциллограмму Uвых в случае, если |
| Задача № 3.3 | |
|
| Дано: A1 KUД=103, rВХД= 105 Ом, rВЫХ= 50 Ом. EПИТ1=+10В, EПИТ2=-10В. R1=5к, R2=10к. Рассчитать: пороги срабатывания, потенциалы Uвых. Привести осциллограмму Uвых в случае, если |
| Задача № 3.4 | |
| Дано: D1, D2 - ЛЭ КМОП K561ЛА7. EПИТ1=+10В. Рассчитать: пороги срабатывания, потенциалы Uвых. Привести осциллограмму Uвых в случае, если |
| Задача № 3.5 | |
|
| Дано: D1, D2 - ЛЭ ТТЛ K155ЛА3. EПИТ1=+5В. Рассчитать: пороги срабатывания, потенциалы Uвых. Привести осциллограмму Uвых в случае, если |
4. Мультивибраторы
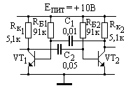
| Задача № 4.1 | ||
|
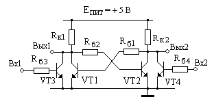
| Дано: VT1, VT2 -Si, =50, Рассчитать и привести осцилло-граммы К1, К2, Б1, Б2 (t). Вычислить полупериоды колебаний. | |
| Задача № 4.2 | |
|
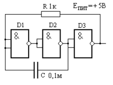
| Дано: D1D3 ЛЭ КМОП К561ЛН2, ЕПИТ =10В. Нарисовать осциллограммы в характерных точках, вычислить период и амплитуду колебаний. |
| Задача № 4.3 | |
|
| Дано: D1D2 ЛЭ КМОП К561ЛН2, ЕПИТ =10В. Нарисовать осциллограммы в характерных точках, вычислить период и амплитуду колебаний. |
| Задача № 4.4 | |
| Дано: D1D5 ЛЭ КМОП К561ЛА7, ЕПИТ =10В, VD1=VD2=Si. R1=50к, R2=100к, C1=C2=0,01мкФ. Нарисовать осциллограммы в характерных точках, вычислить период и амплитуду колебаний. |
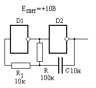
| Задача № 4.5 | |
| Дано: D1D2 ЛЭ КМОП К561ЛА7, ЕПИТ =10В, VD1=VD2=Si. R1=50к, R2=100к, C1=C2=0,01мкФ. Нарисовать осциллограммы в характерных точках, вычислить период и амплитуду колебаний. |
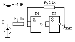
| Задача № 4.6 | |
| Дано: D1D3 ЛЭ ТТЛ К155ЛА3, ЕПИТ =5В. Нарисовать осциллограммы в характерных точках, вычислить период и амплитуду колебаний. |
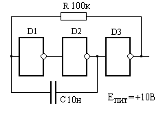
| Задача № 4.7 | |
| Дано: D1D5 ЛЭ ТТЛ К155ЛА3, ЕПИТ =5В, VD1=VD2=Si. R1=1к, R2=5,1к, С1=С2=0,1мкФ. Нарисовать осциллограммы в характерных точках, вычислить период и амплитуду колебаний. |
Характеристики
Тип файла документ
Документы такого типа открываются такими программами, как Microsoft Office Word на компьютерах Windows, Apple Pages на компьютерах Mac, Open Office - бесплатная альтернатива на различных платформах, в том числе Linux. Наиболее простым и современным решением будут Google документы, так как открываются онлайн без скачивания прямо в браузере на любой платформе. Существуют российские качественные аналоги, например от Яндекса.
Будьте внимательны на мобильных устройствах, так как там используются упрощённый функционал даже в официальном приложении от Microsoft, поэтому для просмотра скачивайте PDF-версию. А если нужно редактировать файл, то используйте оригинальный файл.
Файлы такого типа обычно разбиты на страницы, а текст может быть форматированным (жирный, курсив, выбор шрифта, таблицы и т.п.), а также в него можно добавлять изображения. Формат идеально подходит для рефератов, докладов и РПЗ курсовых проектов, которые необходимо распечатать. Кстати перед печатью также сохраняйте файл в PDF, так как принтер может начудить со шрифтами.
















