Задачи Каретникова транзисторные ключи (987985), страница 2
Текст из файла (страница 2)
| Задача № 4.8 | |
| Дано: D1D4 ЛЭ ТТЛ К155ЛА3, ЕПИТ =5В, VD1=VD2=Si. R1=R2=1к, С1=0.3мкФ, С2=0,1мкФ. Нарисовать осциллограммы в характерных точках, вычислить период и амплитуду колебаний. |
| Задача № 4.9 | |
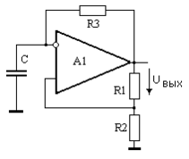
| Дано: А1-ОУ, КUД=104, rВХ Д=105Ом, rВЫХ=102Ом. ЕПИТ1=+10В, ЕПИТ2=-10В. R1=R2=104Ом, R3=2104Ом, С=0,1мкФ. Нарисовать осциллограммы в характерных точках. Определить период колебаний. |
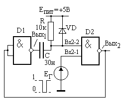
| Задача № 4.10 | |
|
| Дано: CА -компаратор нанряжения (К521СА2). R4=1к, R2=R3=R5=10к, R1=100к, С=0,01мкФ. Опр: осциллограммы в характерных точках, длительность генерируемого импульса. |
| Задача № 4.11 | |
|
| Дать схемотехнический состав компоратора D1, изложить суть его работы. Представить ос- циллограммы в точках 2, 6 и 3. Вычислить период колебаний. |
| Задача № 4.12 | |
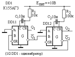
| Изложить суть работы одновиб-ратора К155АГ3. Представить ос- циллограммы в характерных точках схемы. Вычислить период колебаний. |
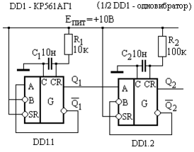
| Задача № 4.13 | ||
| Изложить суть работы одновиб-ратора КР561АГ1. Представить ос- циллограммы в характерных точках схемы. Вычислить период колебаний. | ||
5. Ждущие мультивибраторы (одновиброторы)
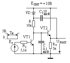
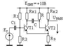
| Задача № 5.1 | |
|
| Дано: VT1,VT2 - Si, =50, IК0=0,1мкА. RК1=10к, RК2=3к, R=68к, RЭ=1к, R1=10к, R2=2к, С=10мкФ, С1=0.01мкФ. Опр: суть работы схемы, полярность и амплитуду запускающего импульса, осциллограммы в характерных точках, длительность генерируемого импульса Ти. |
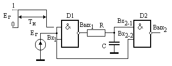
| Задача № 5.2 | |
|
| Дано: D1, D2 -ЛЭ К155ЛА3, VD=Si. Опр: осциллограммы в характерных точках, длительность генерируемого импульса, амплитуду и дпительность импульса ЕГ. |
| Задача № 5.3 | |
|
| Дано: D1, D2 -ЛЭ К155ЛА3, VD=Si. ЕПИТ=5В, U1 =3,6В. Опр: осциллограммы в характерных точках, длительность генерируемого импульса, амплитуду и дпительность импульса ЕГ. |
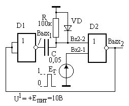
| Задача № 5.4 | |
|
| Дано: D1, D2 -ЛЭ К561ЛА7, VD=Si. Опр: осциллограммы в характерных точках, длительность генерируемого импульса, амплитуду и дпительность импульса ЕГ. |
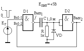
| Задача № 5.5 | |
| Дано: D1, D2 -ЛЭ К561ЛА7, VD=Si. Опр: осциллограммы в характерных точках, длительность генерируемого импульса, амплитуду и дпительность импульса ЕГ. |
| Задача № 5.6 | |
|
| Дано: D1,D2 -ЛЭ К561ЛЕ5, VD=Si. Опр: осциллограммы в характерных точках, длительность генерируемого импульса, амплитуду и дпительность импульса ЕГ. |
| Задача № 5.7 | |
|
| Дано: D1,D2 -ЛЭ К561ЛЕ5, VD=Si. Опр: осциллограммы в характерных точках, длительность генерируемого импульса, амплитуду и дпительность импульса ЕГ. |
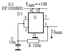
| Задача № 5.8 | |
|
| Дано: D1- КР1006ВИ1, VD=Si. Опр: дать пояснения о работе схемы, привести осциллограммы в характерных точках, рассчитать длительность генерируемого импульса, амплитуду и длительность импульса ЕГ. |
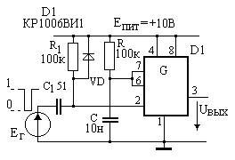
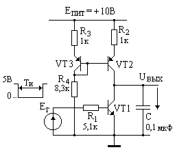
| Задача № 5.9 | |
|
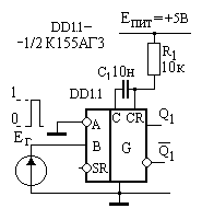
| Дано: D1- К155АГ3, VD=Si. Опр: дать пояснения о работе схемы, привести осциллограммы в характерных точках, рассчитать длительность генерируемого импульса, амплитуду и длительность импульса ЕГ. |
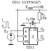
| Задача № 5.10 | |
|
| Дано: D1- КP561АГ1, VD=Si. Опр: дать пояснения о работе схемы, привести осциллограммы в характерных точках, рассчитать длительность генерируемого импульса, амплитуду и длительность импульса ЕГ. |
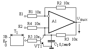
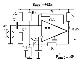
| Задача № 5.11 | |
|
| Дано: А1- ОУ КUД=103, rВХД=104Ом, R1=100к, С=0,05мкФ. ЕПИТ1=+10В, ЕПИТ2=-10В. R2=R3=5,1к, С1=510Ф. VD1 =Si. Опр: осциллограммы в характерных точках, длительность генерируемого импульса, амплитуду импульса ЕГ. |
| Задача № 5.12 | |
|
| Дано: CА -компаратор нанряжения (К521СА2). RН=1к, R1=R2=R3=10к, R4=R5=5к, R=100к, С=0,01мкФ, С1=510Ф. VD1 =Si. Опр: осциллограммы в характерных точках, длительность генерируемого импульса, амплитуду импульса ЕГ. |
6. Генераторы линейно-изменяющегося напряжения (ГЛИНы)
| Задача № 6.1 | |
|
| Дано: VT1=Si, =50, IК0=0,1мкА. RК=30к, СН=0,1мкФ, RБ=50к. ЕГ0=0, ЕГ1=5В. Опр: осциллограмму напряжения UВЫХ и длительность ТИ при дости-жении коэфф. нелин. пилы = 0,1. |
| Задача № 6.2 | ||
|
| Дано: VT1, VT2, VT3=Si, =50, IК0=0,1мкА UЭРЛИ=100В. ЕГ0=0, ЕГ1=5В. Опр: осциллограмму напряжения UВЫХ(t), TРАБ MAX, UВЫХ MAX, коэфф. нелин. пилы при t=TРАБ MAX, tВОССТ. | |
| Задача № 6.3 | |
|
| Дано: А1 КUД=104, rВХД=105 Ом, rВЫХ=0 Ом, R1=104 Ом, С1=0,1мкФ. EПИТ1=+10В, ЕПИТ2=-10В. ЕГ0=0, ЕГ1=5В. Опр: осциллограмму напряжения UВЫХ(t), TРАБ MAX, UВЫХ MAX, коэфф. нелин. пилы при |
| Задача № 6.4 | |||
|
| Дано: А1 КUД=104, rВХД=105 Ом, rВЫХ=0 Ом, VT1=Si, =50, IК0=0,1мкА Опр: осциллограмму напряжения UВЫХ(t), TРАБ MAX, UВЫХ MAX, коэфф. нелин. пилы при | ||
| Задача № 6.5 | |
|
| Дано: VT1, VT2=Si, =50, IК0=0,1мкА, VD=Si. Опр: осциллограммы напряжений в характерных точках, напряжения UВЫХ(t), TРАБ MAX, UВЫХ MAX, коэфф. нелин. пилы при |
7. Формирователи сдвинутых импульсов
| Задача № 7.1 | |
|
| Дано: D1, D2=ЛЭ ТТЛ К155ЛА3, Епит=5В, R=1к, С=1мкФ. Tи=510-3с. Опр: нарисовать осциллограммы в характерных точках, вычислить длительность формируемого импульса (Т). |
Задача № 7.2 | |
|
| Дано: D1, D2=ЛЭ ТТЛ К155ЛА3, Епит=5В, R=1к, С=1мкФ. Tи=510-3с. Опр: нарисовать осциллограммы в характерных точках, вычислить длительность формируемого импульса (Т). |
Задача № 7.3 | |
|
| Дано: D1, D2, D3=ЛЭ КМОП К561ЛА7, Епит=10В, R=51к, С=0,1мкФ. Tи=510-2с. Опр: нарисовать осциллограммы в характерных точках, вычислить длительность формируемого им-пульса (Т) и длительность сдвига. |
8. Приложение
В целях обеспечения лучшего понимания студентами работы мультивибраторов и триггеров на логических элементах, а также для обеспечения грамотных расчетов в приложении приведены электрические схемы и основные характеристики для наиболее популярных ЛЭ: ТТЛ (К155ЛА3) и КМОП (К561ЛА7 -ЛЕ5, -ЛН1).
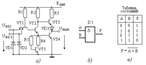
ЛЭ К155ЛА3 выполняет логическую функцию И-НЕ и имеет уси-литель мощности. Его электрическая схема приведена на рис. П.1.
Многоэмиттерный транзистор VT1 обеспечивает логическую функцию "И", транзистор VT2 – функцию "НЕ", транзисторы VT3, VT4 – усилитель мощности. Основные характеристики (входная, выходные и передаточная) приведены на рис. П.2, а, б, в соответственно.
Необходимо обратить внимание, что напряжение питания ЛЭ Eпит =5 В, напряжение U 1вых 3,6 2,4 В (в зависимости от тока нагрузки), напряжение U 0вых 0,2 0,4 В, а напряжение переключения U = 2UБЭ 1,4 В.
Входная характеристика при напряжениях меньше U имеет значительный вытекающий ток (до 1 мА), а при напряжениях больше U – входной ток 0. На входах ЛЭ установлены охранные диоды VD1 и VD2 (рис. П.1), предохраняющие вход от появления значительных отрицательных напряжений.
















