описание станка (987162)
Текст из файла
ВЕРТИКАЛЬНО-ФРЕЗЕРНЫЙ СТАНОК С ЧПУ 6Р13ФЗ
Станок предназначен для выполнения фрезерования, сверления и зенкерования деталей из стали, чугуна и цветных металлов в условиях единичного и серийного производства. Применение ЧПУ в приводах подач по трем независимым координатам позво-
ляет обрабатывать на станке детали сложного профиля типа штампов, пресс-форм, кулачков и крышек концевыми, торцовыми, угловыми, сферическими и фасонными фрезами, сверлами, зенкерами. Класс точности станка Н.
Техническая характеристика станка. Размеры рабочей поверхности стола (ширинахдлина) 400x1600 мм; число частот вращения шпинделя 18; пределы частот вращения шпинделя 40— 2000 об/мин; число подач — бесступенчатое регулирование; пределы рабочих подач по осям X', Y', Z 3—1200 мм/мин; скорость быстрого перемещения по осям координат X', Y', Z 2400 мм/мин, габаритные размеры станка 2575x2180x2480 мм.
Контурное устройство ЧПУ, поставляемое к станку, может работать по программе, записанной на перфоленте (Н331 или Н331М) или на магнитной ленте (М331). Число управляемых осей координат (всего/одновременно) 3/3. Дискретность отсчета по осям координат X', Y', Z равна 0,01 мм.
Устройство ЧПУ М331 целесообразно применять в станках с малой степенью автоматизации. Программу записывают на де-вятидорожковой магнитной ленте. Шесть дорожек используют для управления шаговыми двигателями по трем осям координат, оставшиеся три дорожки используют для технологических команд. Устройство М331 выдает на станок коды по адресам S, Т, М (скорость главного движения, номер кода инструмента, вспомогательные адреса). При выдаче кодов по адресу М осуществляется останов лентопротяжного механизма до прихода ответа об исполнении данной команды. Выходные частоты устройства ЧПУ М331 увеличены до 8000 Гц; имеется девять коррекций величины перемещения вдоль оси координат. Наряду с головкой воспроизведения устанавливают головку записи.
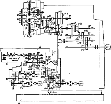
Основные узлы и движения в станке. Базовым узлом станка (рис, 76) является станина А, состоящая из основания и корпуса, скрепленных между собой болтами. По вертикальным направляющим корпуса станины движется консоль Ж (установочное перемещение). По горизонтальным направляющим консоли перемещаются поперечные салазки Е (подача по оси Y'), а по направляющим салазок в продольном направлении стол Д (подача по оси X'). В корпусе консоли смонтированы приводы поперечной и вертикальной подач, а в корпусе салазок—привод продольной подачи. Главное движение фреза получает от коробки скоростей Б. В шпиндельной головке В установлен привод вертикальных перемещений ползуна Г по оси Z.
Кинематика станка. Главное движение. Шпиндель VIII получает вращение от асинхронного электродвигателя Ml (N = — 7,5 кВт, п = 1460 об/мин) через коробку скоростей с тремя передвижными блоками зубчатых колес Б1, Б2, БЗ и передачи г = 39—39, 48—48 в шпиндельной головке. Переключение двух тройных блоков Б1 и Б2 и двойного блока БЗ обеспечивает 18 значений частот вращений шпинделя в пределах 40—2000 об/мин. 146
Шпиндель имеет внутренний конус № 3. Передняя опора шпинделя выполнена в виде конического роликоподшипника 5-го
класса точности. Смазка коробки скоростей и шпиндельной коробки осуществляется от плунжерного насоса, приводимого в действие эксцентриком, расположенным на валу /// коробки скоростей.
Движения подач. Вертикальная подача ползуна шпиндельной головки вместе со смонтированным в нем шпинделем осуществляется от шагового двигателя М2 типа ШД5-Д1 с гидроусилителем моментов Э32П8-24 через коническую зубчатую пару z = 25—25 и передачу винт—гайка качения с шагом Р = 8 мм. Квадратом на валу X через коническую пару z = 14—28 можно переместить
ползун вручную. Регулирование зазора в зацеплении конических колес 2 = 25—25 производят поворотом эксцентрика с последующим его законтриванием и затягиванием сдвоенного конического колеса.
Поперечная подача салазок осуществляется от шагового двигателя МЗ типа ШД5-Д1 с гидроусилителем Э32П8-24 через беззазорный редуктор г = 27—45, 26—52 и передачу винт^ гайка качения XIII с шагом Р = 8 мм. Зазор в зубчатых колесах
Рис. 77. Гидравлическая схема вертикально-фрезерного станка с ЧПУ 6Р13ФЗ
устраняют прошлифовыванием прокладок, установленных между венцами двух зубчатых колес (аналогично устраняют зазор и в редукторе продольной подачи стола). Величина перемещения салазок по координате Y' за один импульс ШД составит
1 27 26 0 „ m -ЖЖЖ8==0'01 мм-
Продольная подача стола происходит от шагового двигателя М4 типа ШД5-Д1 с гидроусилителем Э32Г18-24. Движение передается через беззазорные пары косозубых колес z = 25—34, 24^35 на передачу винт—гайка качения XVI с шагом Р = 8 мм. На передней стенке стола размещены четыре кулачка, воздействующие на конечные выключатели командоаппарата; два кулачка ограничивают продольное перемещение стола, два другие служат для выдачи команды на установку стола в нулевое положение. Аналогичные кулачки расположены на салазках поперечного
148
хода и на шпиндельной головке для перемещения ползуна. С помощью квадратов на валах XII и XXI можно осуществлять ручные перемещения по координатам У и X'. Установочная вертикальная подача консоли осуществляется от гидродвигателя М5 типа Г15-24 через зубчатые передачи z = 27—54, 39—65 и ходовой винт шагом Р = 6 мм.
Гидравлический привод осуществляет продольное перемещение стола, поперечное перемещение салазок, перемещение ползуна; вертикальное перемещение стола, зажим ползуна, отжим инструмента.
Рассмотрим принципиальную гидравлическую схему станка 6РГЗФЗ (рис. 77). Питание гидросистемы осуществляется от насосной установки 5. Масло по трубопроводам поступает в гидрораспределители гидравлических усилителей моментов 1ГУ, 2ГУ, ЗГУ вертикальной, продольной и поперечной подач.
Отжим инструмента осуществляется при включенном гидрораспределителе 1, расположенном на шпиндельной бабке станка, гидроцилиндром 2, размещенным в ползуне. Зажим ползуна происходит при включении гидрораспределителя 3, управляющего гидроцилиндрами 4, расположенными в шпиндельной бабке. З^жим консоли осуществляется гидроцилиндрами 6, управляемыми гидрораспределителем 7; при обесточенном гидрораспределителе 7 консоль зажата. Установочное перемещение консоли происходит при одновременном включении гидрораспределителей 7 и 8, управляющих гидромотором ГМ.
§ 4. ВЕРТИКАЛЬНО-ФРЕЗЕРНЫЙ КОНСОЛЬНЫЙ СТАНОК С РЕВОЛЬВЕРНОЙ ГОЛОВКОЙ С ЧПУ 6Р13РФЗ
Станок 6Р13РФЗ предназначен для обработки плоских и пространственных деталей сложного профиля (штампов, пресс-форм, кулачков и т. д.) из стали, чугуна, цветных металлов, легких и твердых сплавов в условиях единичного и мелкосерийного производства торцовыми фрезами диаметром до 125 .мм и концевыми фрезами диаметром до 90 мм, а также сверлами, зенкерами и развертками, установленными в револьверной головке. Класс точности станка Н.
Техническая характеристика станка. Размер рабочей поверхности стола (длина Xширина) 1600x400 км; число инструментов в револьверной головке 5; число частот вращения шпинделя 18; пределы частот вращения шпинделя 40—2000 об/мин; число подач — бесступенчатое регулирование; пределы рабочих подач по осям координат X'j У 8—1200 мм/мин, по оси Z' 8—800 мм/мин; скорость быстрого перемещения по осям координат X', Y', Z' 4000 мм/мин; габаритные размеры станка 2575x2180x2480 мм.
Устройство ЧПУ—контурное типа Н331 или Н331М. Обработка сложных поверхностей осуществляется сочетанием движений по двум или трем координатам как одновременно, так и
149
N'7,8KBm п-575-2210о5/мш>
последовательно. Устройство выполнено по агрегатному принципу. Программа задается на восьмидорожковой перфоленте. Дискретность отсчета по осям координат X', Y', Z' равна 0,01 мм, интерполяция — линейно-круговая. Имеется 18 групп коррекции на длину и диаметр вдоль оси координат. По программе осуществляется автоматическая смена инструмента, выбор частоты вращения каждого шпинделя, зажим консоли и т. д.
.Рис. 78. Кинематическая схема ьертикально-фрезеркого станка с ЧПУ 6Р13РФЗ
Основные узлы и движения в станке. Компоновка станка аналогична станку 6Р13ФЗ. Станина А (рис. 78) имеет жесткую конструкцию с мощным основанием, трапецеидальным сечением станины по высоте и большим числом ребер и стенок. Шпиндели, получающие вращательное движение, установлены в пятипози-ционной револьверной головке Г. Один из шпинделей усилен для выполнения более тяжелых фрезерных работ. Консоль Б перемещается по вертикальным направляющим станины (подача по оси Z'). По горизонтальным направляющим консоли движутся поперечные салазки В (подача по оси У), а по направляющим салазок в продольном направлении — стол Д (подача по оси X'). Коробка скоростей смонтирована в корпусе станины. Меха-
150
низмы поперечной и вертикальной подач расположены в корпусе консоли, а продольной подачи — в салазках.
27 22 27 19 34 22
-„-
= 575
mln
Кинематика станка. Главное движение. Шпиндель VIII поворотной револьверной головки получает вращение от электродвигателя постоянного тока Ml типа ПБСТ-63 (N = 7,8 кВт; п — = 575-1-2270 об/мин) через упругую соединительную муфту и зубчатые колеса механизма коробки скоростей и револьверной головки. Разную частоту вращения шпинделя получают путем изменения задающего напряжения для тиристорного преобразователя по программе, а также передвижением блоков Б1 и Б2 с помощью гидроцилиндров. Таким образом, шпиндель имеет 18 значений частот вращения в пределах 40 — 2000 об/мин, переключаемых в автоматическом цикле. Уравнение минимальной частоты вращения шпинделя
.А _, ,
22- = 40 об/мин.
Наиболее рациональным является использование полной мощности электродвигателя при работе на средних частотах вращения шпинделя. К валу // присоединен шестеренчатый насос, осуществляющий смазку коробки скоростей и пятишпиндельной головки.
Пятишпиндельная револьверная головка состоит из основания, к которому полукольцами прижата поворотная плита. На торце поворотной плиты привернуты пять шпиндельных корпусов. Центральный вал поворотной плиты VI крестовой муфтой соединен с выходным валом V коробки скоростей. На валу VI закреплено ведущее колесо z = 34 с направляющим зубчатым диском. Вращение от ведущего зубчатого колеса через передачу z = = 34—34 и коническую пару г = 20—20 (или 22—22) получает лишь тот шпиндель VIII, который находится в исходном для работы положении; остальные четыре шпинделя выключены. Для улучшения зацепления передвижных зубчатых колес с ведущим зубчатым колесом шпинделю сообщается кратковременное вращение. Поворот плиты в требуемую позицию осуществляется от гидродвигателя М2 типа Г12-22" через зубчатые пары z = = 18—90, 18—72, вал XII, диск с цевкой и мальтийский крест. С наружной стороны каждого шпиндельного корпуса имеется гнездо, в которое входит фиксатор, выдвигаемый по команде от конечных выключателей.
Б продольном отверстии шпинделя вмонтирован шомпол IX для крепления оправки с инструментом, Передний конец шомпола IX имеет резьбу, а на заднем конце насажено коническое колесо г = 20, с которым может зацепляться коническое колесо г = 20 вала X при креплении оправки.
Вертикальная, продольная и поперечная подачи и ускоренные перемещения по трем координатам X' , Y', Z' осуществляются от шаговых двигателей Шд5-Д1 с гидроусилителями моментов
151
Э32Г18-24. Шариковый винт XVI поперечной подачи с шагом Р = 8 мм получает вращение от МЗ через две пары косозубых колес г = 20—40, 21—35. Величину минимального перемещения по координате Y' определяют из выражения
1 20 21 ЖЖЖ8 = 0'01 мм'
По координатам X' и Z' величины перемещений на один импульс также равны 0,01 мм. Вертикальная подача осуществляется от М4 через передачи г = 27—54, 39—65 и винт — гайка качения XXIII с шагом Р = 8 мм.
В кинематическую цепь вертикальной подачи встроена пружинная гидравлическая муфта Mlt предохраняющая консоль от самопроизвольного опускания при остановке станка. Консоль имеет зажимное устройство, работающее по программе и действующее при отсутствии вертикального перемещения.
Продольная подача осуществляется от шагового двигателя М5 через беззазорный редуктор z = 27—45, 26—52 и винт—гайку качения XX с шагом Р = 8 мм. Величина продольного хода ограничена кулачками. Кинематические цепи ускоренных подач те же, что и для рабочих подач. Гнезда рукояток ручных переме-~ шений узлов имеют конечные выключатели, осуществляющие блокировку ручных подач. При вытаскивании рукоятки из гнезда размыкается электрическая цепь механической подачи от программы.
Зазор в зубчатых цилиндрических колесах устраняют под-шлифовыванием полуколец, установленных между двумя сдвоенными колесами. Зазор в конических колесах устраняют поворотом эксцентрика с последующим его законтриванием и затяжкой сдвоенного конического колеса, а в направляющих станины и консоли, консоли и салазок — клиньями.
Гидропривод станка обеспечивает перемещение рабочих органов по трем осям координат, разгрузку, зажим и блокировку консоли, фиксацию и зажим револьверной головки, переключение передвижных блоков коробки скоростей.
Характеристики
Тип файла документ
Документы такого типа открываются такими программами, как Microsoft Office Word на компьютерах Windows, Apple Pages на компьютерах Mac, Open Office - бесплатная альтернатива на различных платформах, в том числе Linux. Наиболее простым и современным решением будут Google документы, так как открываются онлайн без скачивания прямо в браузере на любой платформе. Существуют российские качественные аналоги, например от Яндекса.
Будьте внимательны на мобильных устройствах, так как там используются упрощённый функционал даже в официальном приложении от Microsoft, поэтому для просмотра скачивайте PDF-версию. А если нужно редактировать файл, то используйте оригинальный файл.
Файлы такого типа обычно разбиты на страницы, а текст может быть форматированным (жирный, курсив, выбор шрифта, таблицы и т.п.), а также в него можно добавлять изображения. Формат идеально подходит для рефератов, докладов и РПЗ курсовых проектов, которые необходимо распечатать. Кстати перед печатью также сохраняйте файл в PDF, так как принтер может начудить со шрифтами.
















