Пояснительная записка (987155)
Текст из файла
Содержание:
-
Введение 3
-
Станок мод. 243ВМФ2 5
-
Техническая характеристика станка 5
-
Устройство ЧПУ 6
-
Компоновка, основные узлы и движения в станке 7
-
Кинематика станка 8
-
Механизм автоматической смены инструмента 12
-
Напольный промышленный робот 15
-
Техническая характеристика робота 15
-
Основные механизмы робота 16
-
Захватное устройство робота 19
Транспортно-накопительная система 22
-
Описание тактового стола 22
Заготовка и деталь 23
-
Способ получения заготовки 23
-
Базирование и закрепление заготовки на станке 23
-
Чертеж заготовки 24
-
Чертеж детали 25
Выбор инструмента 26
Расчетная часть 28
-
Расчет подшипников шпинделя на долговечность 28
-
Расчет жесткости руки робота 31
-
Расчет режимов резания 33
Список литературы 38
Графическая часть:
-
Лист 1. Компоновка РТК
-
Лист 2. Шпиндельный узел станка мод. 243ВМФ2
-
Лист 3. Технологические наладки. Циклограмма работы РТК
1. Введение
Автоматизация производства в машиностроении представляет собой самостоятельную комплексную проблему. Ее решение направлено на создание нового совершенного оборудования, технологических процессов и систем организации производства, функционирование которых неразрывно связано с улучшением условий труда, ростом качества продукции, сокращением потребности в рабочей силе и с систематическим повышением прибыли.
Эффективность автоматизации прямо зависит от того, насколько рационально организован производственный процесс в целом, как комплексно и полно на всех звеньях технологической цепочки внедрены средства автоматизации, от того, насколько принятая система организации и управления производством позволяет принимать решения на низшем уровне (в целях ликвидации внеплановых простоев). Автоматизация требует рассматривать производственный процесс как единую систему.
Отработка технических решений по созданию автоматизированных технологических комплексов, по-видимому, должна вестись, прежде всего, применительно к серийному производству (оно составляет до 40 % общемашиностроительного производства), поскольку они могут быть применены также в массовом и крупносерийном производстве. Очевидно, что по мере совершенствования технических решений, разработанных для условий серийного производства, внедрения новых исходных средств автоматизации и элементной базы, появится возможность их использования и для автоматизации мелкосерийного производства. Таким образом, принятое направление на развитие автоматизации в серийном производстве не только будет способствовать подъему производительности труда в этой области, но и окажет существенное влияние на уровень мелкосерийного и массового производства.
Появление и развитие промышленных роботов, безусловно, явились одним из крупнейших достижений науки и техники последних лет. Они позволили расширить фронт работ по автоматизации технологических и вспомогательных процессов, открыли широкие перспективы создания автоматических систем машин для гибкого, переналаживаемого производства.
Одной из основных причин разработок и внедрения роботов является экономия средств. По сравнению с традиционными средствами автоматизации применение роботов обеспечивает большую гибкость технических и организационных решений, снижение сроков комплектации и запуска в производство автоматизированных станочных систем. По предварительным данным, использование роботов для автоматической установки и снятия деталей позволяет рабочему обслуживать от четырех до восьми металлорежущих, станков.
С экономическими вопросами, возникающими при применении роботов, тесно связан и социальный аспект их использования. При определении целесообразности применения роботов в том или ином случае (особенно при необходимости замены рабочего на участках с опасными, вредными для здоровья условиями труда) превалирующими должны быть интересы человека, его безопасность и удобство работы. Необходимо также учитывать и фактор непрерывного роста уровня общеобразовательной и специальной подготовки трудящихся. Роботы должны освободить человека от выполнения бездумной механической работы и скомпенсировать потребность в низкоквалифицированном труде. Таким образом, применение роботов в дальнейшем должно оказать существенное влияние (в числе прочих факторов научно-технической революции) на социальную структуру общества.
2. Станок мод. 243ВМФ2
Вертикальный сверлильно-фрезерно-расточной полуавтомат с ЧПУ 24ЭВМФ2 предназначен дли комплексной обработки деталей небольших и средних размеров при подходе инструмента с одной стороны.
На станке можно производить сверление, зенкерование, цекование, черновое и чистовое растачивание, получистовое и чистовое фрезерование и нарезание резьбы метчиками. Класс точности станка В. Станок обеспечивает точность расстояний между осями обработанных отверстий 0,016 мм; точность диаметра отверстии – 0,01 мм.
2.1. Техническая характеристика станка
| Наибольший диаметр сверления | 25 мм |
| Наибольший диаметр растачивания | 160 мм |
| Число инструментов в магазине | 30 |
| Число частот вращения шпинделя | 21 |
| Пределы частот вращения шпинделя | 40–2500 об/мин |
| Число ступеней подач | 30 |
| Пределы подач по осям координат X', Y’, Z | 3,15–2500 мм/мин |
| Скорость быстрого перемещения по осям координат X', Y’, Z | 3000 мм/мин |
2.2. Устройство ЧПУ
Устройство ЧПУ типа «Размер 2М», с которым работает станок, прямоугольно-позиционное. Оно обеспечивает отработку по программе координат стола, салазок, шпиндельной головки и гильзы, выдает вспомогательные команды на смену инструмента, изменение режимов обработки, автоматический зажим подвижных узлов. Вся информация, введенная в систему, а также информация о фактическом состоянии рабочих органов отражается на кинескопе. Система позволяет ввести 35 коррекций по длине и 5 по радиусу. Точность позиционирования 0,02 мм. Число управляемых координат (всего/одновременно) 3/2. Для позиционирования используется индуктивная отсчетно-измерительная система с обратной связью, принцип работы которой будет рассмотрен ниже.
2.3. Компоновка, основные узлы и движения в станке
Станок имеет вертикальную компоновку, аналогичную координатно-расточному станку. На станине А (рис. 1) закреплена стойка Б. В верхней части стойки размещен привод главного движения – вращения шпинделя и редуктор подач гильзы шпинделя. По вертикальным направляющим стойки перемещается шпиндельная головка Г (подача по оси Z). На стойке укреплен магазин В на 30 инструментов. Станок оснащен крестовым координатным столом Д. По горизонтальным направляющим станины перемещаются в поперечном направлении салазки (подача по оси Y’), а в продольном направлении по направляющим салазок – стол (подача по оси X’).
Рис. 1. Общий вид станка мод. 243ВМФ2
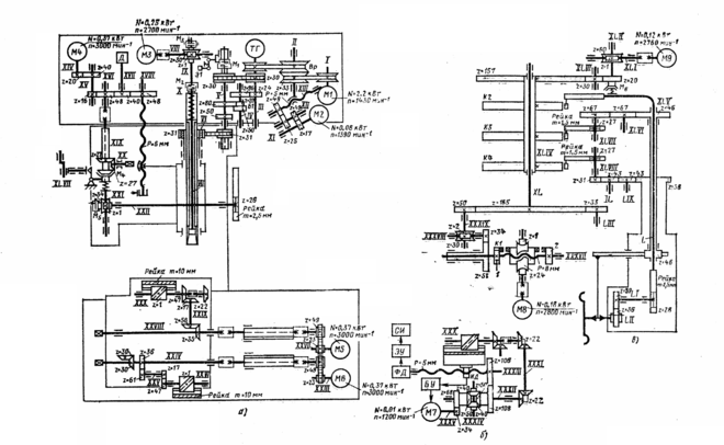
2.4. Кинематика станка
Главное движение (рис. 2, а): шпиндель VII получает от асинхронного электродвигателя М1 (N = 2,2 кВт; n = 1430 об/мин) через двухременной вариатор Вр, трехступенчатую коробку скоростей и зубчато-ременную передачу z = 31–31. При отклонении скорости от заданной, тахогенератор ТГ на валу III включает асинхронный электродвигатель М2 (N = 0,08 кВт, n = 1390 об/мин), который через зубчатые пары z = 17–49, 25–49 и винт XIII с шагом P = 5 мм смещает ось подвижных дисков вариатора, что и изменяет его передаточное отношение. Вариатор обеспечивает регулирование скорости в диапазоне 1:4.
Рис. 2. Кинематическая схема станка
Переключение скоростей осуществляется перемещением блока Б1 и муфты М1. При включении муфты М1 от электромагнита Э1 постоянного тока получают верхний диапазон частот вращения шпинделя, так как движение с вала III на вал V передается через зубчато-ременную передачу z = 30–30. Два нижних диапазона получают при переключении блока Б1 двумя электромагнитами постоянного тока (на схеме не показаны). Внутри каждого диапазона скорость изменяется вариатором. Всего шпиндель имеет 21 значение частоты вращения в пределах 40–2500 об/мин.
Шпиндель станка 8 (рис. 3) размещен в гильзе 7 на специальных высокоточных подшипниках. Зажим инструмента происходит пакетом тарельчатых пружин 3, действующих на инструмент с помощью шомпола 1, соединенного с байонетным замком 2. Усилие пружин регулируется гайкой 4. Зуб планки 5, взаимодействуя с зубчатым колесом 6, закрепленным на шомполе, препятствует случайному провороту байонета. Крутящий момент от шпинделя к инструменту передается поводками, расположенными на торце шпинделя.
П
ривод вращения шомпола предназначен для размыкания и замыкания байонетного замка шомпола с инструментом в крайнем верхнем положении гильзы, а также для вращения инструмента в случае несовпадения ведущих шпонок инструмента и шпинделя во время автоматической смены инструмента. Привод шомпола (см. рис. 2, а) осуществляется от асинхронного электродвигателя МЗ (N = 0,25 кВт; n = 2700 об/мин) через червячный редуктор z = 1–30 при включенной муфте М2. Двигатель включается по команде микропереключателя, расположенного на магазине, только в положении автооператора под шпинделем.
Рис. 3. Шпиндель станка
Привод подач шпинделя и перемещения шпиндельной головки осуществляется от двигателя М4 постоянного тока типа МИ22ФТ (N = 0,37 кВт, n = 3000 об/мин). Гильза получает перемещение через двухступенчатым редуктор z = 20–40, 16–48–40–48 и шариковый винт XVIII с шагом P = 6 мм, который соединен с ползуном перемещения гильзы. Для обеспечения самоторможения пары винт-гайка качения при отжиме инструмента служит тормоз на винте XVIII.
Перемещение шпиндельной головки осуществляется от шлицевого вала XVI, который вращает втулку ХIХ, и при включенной муфте М4 червяк z = 1 на валу ХХI. Через червячное колесо z = 34 (муфта М5 – предохранительная) вращается вал XXII и реечное колесо z = 26. Муфта М4 включается от механизма зажима головки. Гильза и шпиндельная головка перемещаются синхронно. При отключении муфты М4 шпиндельная головка останавливается, а шпиндель продолжает перемещаться. На валу XVII установлен фотоэлектрический датчик, который служит для отсчета перемещений гильзы и шпиндельной головки. Скорость быстрого перемещения гильзы шпинделя определяют из выражения:
Головка и шпиндель уравновешены противовесами.
Характеристики
Тип файла документ
Документы такого типа открываются такими программами, как Microsoft Office Word на компьютерах Windows, Apple Pages на компьютерах Mac, Open Office - бесплатная альтернатива на различных платформах, в том числе Linux. Наиболее простым и современным решением будут Google документы, так как открываются онлайн без скачивания прямо в браузере на любой платформе. Существуют российские качественные аналоги, например от Яндекса.
Будьте внимательны на мобильных устройствах, так как там используются упрощённый функционал даже в официальном приложении от Microsoft, поэтому для просмотра скачивайте PDF-версию. А если нужно редактировать файл, то используйте оригинальный файл.
Файлы такого типа обычно разбиты на страницы, а текст может быть форматированным (жирный, курсив, выбор шрифта, таблицы и т.п.), а также в него можно добавлять изображения. Формат идеально подходит для рефератов, докладов и РПЗ курсовых проектов, которые необходимо распечатать. Кстати перед печатью также сохраняйте файл в PDF, так как принтер может начудить со шрифтами.
















