Записка (986900), страница 3
Текст из файла (страница 3)
Техническая характеристика робота «Универсал 5»
| 1. | Грузоподъемность | 5 кг |
| 2. | Число степеней подвижности | 6 |
| 3. | Наибольшая величина перемещения: | |
| – вокруг вертикальной оси I-I | 340 | |
| – вдоль оси I-I | 400 мм | |
| – вдоль горизонтальной оси III-III | 630 мм | |
| – вокруг вертикальной оси II-II | 240 | |
| – вокруг оси III-III | 180 | |
| – вокруг оси IV-IV | 180 | |
| 4. | Наибольшая скорость: | |
| – вокруг оси I-I поворота. | 84/с | |
| – вертикального хода руки вдоль оси I-I | 0,27 м/с | |
| – выдвижение руки вдоль оси III-III | 1.08 м/с | |
| – поворота руки вокруг оси II-II | 132/c | |
| 5. | Точность позиционирования | 1 мм |
| 6. | Масса | 690 кг |
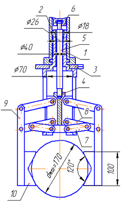
7.3. Выбор типа захватного устройства и расчет схвата руки промышленного робота.
Учитывая тип и габариты объекта манипулирования (короткое тело вращения небольшого диаметра-75мм и массы-2,6кг), выбираем быстросменное зажимное устройство, с губками в форме призмы.
Хвостовик 1 схвата унифицированного типа крепится в шпинделе 2 кисти руки при помощи замка и фиксатора, который входит в паз на фланце 3. В расточке корпуса 1 установлен поршень 4, который перемещается под действием тяги 5, связанной с головкой 6 механизма привода. К поршню 4 с помощью пальцев крепятся рычаги 7 и 8 шарнирного параллелограмма, на длинном плече 9 которого винтами закреплены сменные губки.
Максимальный диаметр объекта манипулирования 170мм.
Рис.7 Захватное устройство ПР.
Механизм зажима/разжима схвата робота работает от пневмоцилиндра. Необходимо рассчитать силу и давление, которое необходимо создать в пневмосистеме для того, чтобы деталь (заготовка) не выпала из схвата.
Расчет захватного устройства включает:
-расчет сил, действующих в местах контакта заготовки и губок;
-определение усилий привода;
-расчет пневмоцилиндра.
Расчет сил, действующих в местах контакта заготовки и губок:
В используемом захватном устройстве деталь поддерживается губками, силы трения мало влияют на удержание детали.
Схема и формулы для расчета приведены ниже:
Рис.8 Расчетная схема для определения сил в местах контакта губок и заготовки.
N1=Rn·sinα2/sin(α1+ α2), N2=Rn·sinα1/sin(α1+ α2)
где Ni – нормальная сила для i-ой точки контакта;
Rn-сила, действующая на губки; αi-угол контакта губки с заготовкой.
Сила Rn в данном случае равна силе тяжести: Rn=mg=2,6·9,8=25,5H. Величины углов контакта определим по чертежу: α1=α2=30˚.
Тогда:
N1=N2=25,5·0,5/0,866=14,43Н
Определение усилий привода:
Усилие Р, развиваемое на исполнительном звене привода, зависит от требуемой силы F захватывания детали и выбранной кинематической схемы передаточного механизма. Расчетная схема для усилия привода показана на рисунке 9.
Рис.9 Расчетная схема для определения усилия привода.
Сила F равна:
F=Ni·cosαi=14,43·0,866=12,5H
Плечи сил F и Р равны соответственно 117мм и 85мм. Отсюда, величина усилия привода равна:
Р = F·117/85=17,5H
Расчет пневмоцилиндра:
| Dпоршня , мм | dштока , мм |
| 50 | 18 |
| 100 | 25 |
| 125 | 32 |
| 160 | 40 |
| 200 | 50 |
Выберем из таблицы D = 0,05 м, d = 0,018 м.
Площади левой части S1 и правой части S2 гидроцилиндра:
Примем давление в левой части пневмоцилиндра P1 = 5 Атм, а в правой части P2 = 1 Атм.
Баланс сил определяется соотношением:
где k = 0.9 – эмпирический коэффициент, учитывающий потери на трение поршня о стенки пневмоцилиндра.
Усилие цилиндра Рц=732 Н, что больше силы удержания заготовки в схвате Р=17,5 Н. Значит выбранные значения диаметров поршня и штока D = 0,05 м, d = 0,018 м выбраны верно.
8. Вид транспортно-накопительной системы.
8.1. Магазин-накопитель с зигзагообразным лотком.
В качестве накопителя заготовок используем автоматический магазин с зигзагообразным лотком-скатом. Преимущества использования магазина состоит в том, что детали находятся в ориентированном виде, не подвергаются порче внешней поверхности. Такой вид накопителя достаточно емкий и может обеспечить работу в автоматическом режиме в течение половины рабочей смены и даже дольше.
Магазин дополнительно снабжают подъемным устройством, для поднятия заготовок на высоту уровня шпинделя станка и подачи их под схват руки робота.
Общий вид накопителя представлен на рисунке 10.
Рис.10 Общий вид магазина-накопителя заготовок.
Заготовки 1 загружаются в лоток-приемник 2. Далее под действием силы тяжести заготовки перемещаются самотеком по зигзагообразному лотку 3, приваренному к корпусу 4. В нижней части лотка 3 установлен рычаг 5, который служит для поштучной подачи заготовок из накопителя в подъемное устройство 6. В подъемном устройстве образуется запас заготовок, который остается постоянным, благодаря работе отсекателя 7.
В верхней части подъемного устройства установлен лоток 8, который служит для подачи заготовок под схват руки робота.
В лотке 8 выполнен специальный паз (см. рисунок 11), соответствующий форме и размерам захватного устройства, который позволяет манипулятору захватывать заготовку непосредственно из лотка, не выполняя ее дополнительную переориентацию.
Рис.11 Паз для облегчения захвата заготовки.
Рис.12 Схема захвата и извлечения заготовки из лотка.
Для накопления уже обработанных деталей используем аналогичный магазин (см. рисунок 13). Этот магазин также оснащен подъемным устройством, которое служит для поднятия деталей с уровня шпинделя станка на уровень загрузочного лотка магазина.
Обработанные детали загружаются в лоток 2 и скатываются в нижнюю часть магазина-накопителя. Рычаг 5 постоянно закрыт.
Рис.13 Общий вид магазина-накопителя готовых деталей.
8.2 Расчет параметров накопителя.
8.2.1 Расчет необходимой емкости накопителя.
Длина лотка рассчитывается, исходя из заданной производительности РТК, т.е. необходимого количества деталей при разовой загрузке, и геометрических размеров деталей.
Для определения необходимой производительности, рассчитываем время обработки единицы продукции (штучное время):
tШТ = tМ+ tВСПОМ ,
где tМ=1,22 мин - время механообработки, tВСПОМ - время вспомогательных операций.
Время вспомогательных операций для обрабатываемой детали складывается из:
1-время поворота робота от станка к накопителю, ориентировочно на угол 90˚ (только для первой детали)
tВ1=1сек;
2-зажим роботом заготовки tВ2=1сек;
3-поворот робота от накопителя к станку tВ3=tВ1=1сек;
8-ввод руки робота в рабочую зону станка (ход 450 мм) tВ4=0,5сек;
5-закрепление детали в патроне tВ5=1сек;
6-разжатие схвата и отвод руки манипулятора из рабочей зоны станка tВ6=1,5сек;
7-поворот револьверной головки на один шаг, для смены инструмента после черновой обработки tВ7=1сек;
8-ввод руки робота в рабочую зону станка, захват заготовки, разжатие патрона и одновременно поворот револьверной головки на один шаг tВ8=2,5сек;
9-переворот детали на 180˚ tВ9=2сек;
10- закрепление детали в патроне, разжатие схвата и отвод руки манипулятора из рабочей зоны станка tВ10=2,5сек;
11-поворот револьверной головки на один шаг, для смены инструмента после черновой обработки поверхности III tВ12=1сек;
12-поворот револьверной головки на один шаг, для смены инструмента после чистовой обработки поверхности III tВ13=1сек;
13- ввод руки робота в рабочую зону станка, захват заготовки, разжатие патрона tВ13=2,5сек;
14- отвод руки манипулятора из рабочей зоны станка, поворот робота от станка к накопителю, разжатие схвата tВ14=2,5сек.
tВСПОМ=1·7+2,5·4+0,5+1,5+2=21сек=0,35мин,
tШТ = tМ+ tВСПОМ=2,83+0,35=3,18мин.
Зная штучное время, определяем количество деталей, которые могут быть обработаны за пол смены (4часа=240мин):
N=240/3,18=76шт.
Чтобы скорректировать возможную погрешность вычисления, принимаем необходимый запас деталей равным 80шт.
8.2.2 Расчет параметров лотка.
Чтобы компенсировать перепад диаметров заготовки, используем профильный закрытый лоток (см. рисунок 14). Высота лотка h=90мм, величина зазора на сторону ∆=1,5мм.
Рис.14 Лоток-скат профильный.
Учитывая, что максимальный диаметр заготовки равен 82мм, рассчитываем минимально необходимую длину лотка:
Lmin=80·82=6560мм.
Угол наклона лотка β должен быть больше угла трения, кроме того величину угла наклона выбирают исходя из необходимой скорости перемещения заготовки. Для чистых стальных лотков и заготовок с малой шероховатостью рекомендуется выбирать угол наклона лотка 5…7˚. Угол наклона принимаем равным β=7˚.
Расчетная схема магазина, изображенной на рисунке 15.
Радиус скруглений выбираем из соображения свободного прохода заготовок. R=150мм.
Рис.15 Расчетная схема магазина-накопителя.
Высоту и ширину магазина принимаем равными соответственно Н=2000мм, В=1600мм.
Тогда длина прямолинейной части лотка будет равна:
















