Записка (986900), страница 2
Текст из файла (страница 2)
К1-коэффициент, зависящий от обрабатываемого материала, К1=0,9;
К2-коэффициент, зависящий от стойкости и марки твердого сплава, К2=1,25;
К3-коэффициент, зависящий от вида обработки, К3=1.
Частота вращения шпинделя:
n=1000V/(πd)=1000·146/(3,14·60)=775 об/мин.
Уточненная частота вращения шпинделя по плану скоростей станка:
n=800об/мин.
Уточненная скорость резания:
V= πdn/1000=3,14·60·800/1000=151 м/мин.
-
Основное машинное время:
tM1= Lpx/ S0·n= 184/0,25·800=0,92 мин.
6.2. Черновое растачивание поверхности II.
-
Глубина резания t=3мм, количество проходов i=2.
-
Длина рабочего хода суппорта:
Lpx=Lрез+y=34+7=41 мм,
где Lрез=34мм-длина резания;
y=yврез+ yподв+ yп=1+6=7мм-см. Приложение 3, стр.300 справочника [4].
-
Подача суппорта на оборот шпинделя:
S0=0,3мм/об- см. карту Т2, стр.23 справочника [4].
-
Стойкость резца:
Тp=Тм·λ,
где Тм =50мин-для одноинструментальной обработки;
λ = Lрез/ Lpx=0,83>0,7→принимаем Тp≈ Тм=50 мин.
-
Скорость резания:
V=Vтабл·К1·К2·К3= 120·0,9·1,25·1=135 м/мин,
где Vтабл=120м/мин, подбирается по карте Т4 стр.29 справочника [4], исходя из глубины резания, величины подачи, параметров резца и обрабатываемого материала;
К1-коэффициент, зависящий от обрабатываемого материала, К1=0,9;
К2-коэффициент, зависящий от стойкости и марки твердого сплава, К2=1,25;
К3-коэффициент, зависящий от вида обработки, К3=1.
Частота вращения шпинделя:
n=1000V/(πd)=1000·135/(3,14·46)=935 об/мин.
Уточненная частота вращения шпинделя по плану скоростей станка:
n=1000об/мин.
Уточненная скорость резания:
V= πdn/1000=3,14·46·1000/1000=144 м/мин.
-
Основное машинное время:
tM2= Lpx/ S0·n= 41/0,3·1000=0,137 мин.
6.3. Чистовое растачивание поверхности I.
-
Глубина резания t=0,5мм, количество проходов i=1.
-
Длина рабочего хода суппорта:
Lpx=Lрез+y=30+4=34мм,
где Lрез=30мм-длина резания;
y=yврез+ yподв+ yп=1+3=4мм-см. Приложение 3, стр.300 справочника [4].
-
Подача суппорта на оборот шпинделя:
S0=0,05мм/об- см. карту Т2, стр.23 справочника [4].
-
Стойкость резца:
Тp=Тм·λ,
где Тм =50мин-для одноинструментальной обработки;
λ = Lрез/ Lpx=0,88>0,7→принимаем Тp≈ Тм=50 мин.
-
Скорость резания:
V=Vтабл·К1·К2·К3= 160·0,9·1,55·1=223 м/мин,
где Vтабл=160м/мин, подбирается по карте Т4 стр.29 справочника [4], исходя из глубины резания, величины подачи, параметров резца и обрабатываемого материала;
К1-коэффициент, зависящий от обрабатываемого материала, К1=0,9;
К2-коэффициент, зависящий от стойкости и марки твердого сплава, К2=1,55;
К3-коэффициент, зависящий от вида обработки, К3=1.
Частота вращения шпинделя:
n=1000V/(πd)=1000·223/(3,14·60)=1184 об/мин.
Уточненная частота вращения шпинделя по плану скоростей станка:
n=1250об/мин.
Уточненная скорость резания:
V= πdn/1000=3,14·60·1250/1000=235 м/мин.
-
Основное машинное время:
tM3= Lpx/ S0·n= 34/0,05·1250=0,68 мин.
6.4. Черновое растачивание поверхности III.
-
Глубина резания t=2мм, количество проходов i=5.
-
Длина рабочего хода суппорта:
Lpx=Lрез+y=100+4=104 мм,
где Lрез=100мм-длина резания;
y=yврез+ yподв+ yп=1+3=4мм-см. Приложение 3, стр.300 справочника [4].
-
Подача суппорта на оборот шпинделя:
S0=0,25мм/об- см. карту Т2, стр.23 справочника [4].
-
Стойкость резца:
Тp=Тм·λ,
где Тм =50мин-для одноинструментальной обработки;
λ = Lрез/ Lpx=0,96>0,7→принимаем Тp≈ Тм=50 мин.
-
Скорость резания:
V=Vтабл·К1·К2·К3= 100·0,9·1,25·1=146 м/мин,
где Vтабл=130м/мин, подбирается по карте Т4 стр.29 справочника [4], исходя из глубины резания, величины подачи, параметров резца и обрабатываемого материала;
К1-коэффициент, зависящий от обрабатываемого материала, К1=0,9;
К2-коэффициент, зависящий от стойкости и марки твердого сплава, К2=1,25;
К3-коэффициент, зависящий от вида обработки, К3=1.
Частота вращения шпинделя:
n=1000V/(πd)=1000·146/(3,14·60)=775 об/мин.
Уточненная частота вращения шпинделя по плану скоростей станка:
n=800об/мин.
Уточненная скорость резания:
V= πdn/1000=3,14·60·800/1000=151 м/мин.
-
Основное машинное время:
tM4= Lpx/ S0·n= 104/0,25·800=0,52 мин.
6.5. Чистовое растачивание поверхности III.
-
Глубина резания t=0,5мм, количество проходов i=1.
-
Длина рабочего хода суппорта:
Lpx=Lрез+y=20+4=24 мм,
где Lрез=20мм-длина резания;
y=yврез+ yподв+ yп=1+3=4мм-см. Приложение 3, стр.300 справочника [4].
-
Подача суппорта на оборот шпинделя:
S0=0,05мм/об- см. карту Т2, стр.23 справочника [4].
-
Стойкость резца:
Тp=Тм·λ,
где Тм =50мин-для одноинструментальной обработки;
λ = Lрез/ Lpx=0,96>0,7→принимаем Тp≈ Тм=50 мин.
-
Скорость резания:
V=Vтабл·К1·К2·К3= 160·0,9·1,55·1=223 м/мин,
где Vтабл=160м/мин, подбирается по карте Т4 стр.29 справочника [4], исходя из глубины резания, величины подачи, параметров резца и обрабатываемого материала;
К1-коэффициент, зависящий от обрабатываемого материала, К1=0,9;
К2-коэффициент, зависящий от стойкости и марки твердого сплава, К2=1,55;
К3-коэффициент, зависящий от вида обработки, К3=1.
Частота вращения шпинделя:
n=1000V/(πd)=1000·223/(3,14·60)=1184 об/мин.
Уточненная частота вращения шпинделя по плану скоростей станка:
n=1250об/мин.
Уточненная скорость резания:
V= πdn/1000=3,14·60·1250/1000=235 м/мин.
-
Основное машинное время:
tM5= Lpx/ S0·n= 24/0,05·1250=0,38 мин.
6.6. Черновое растачивание поверхности IV.
-
Глубина резания t=3мм, количество проходов i=2.
-
Длина рабочего хода суппорта:
Lpx=Lрез+y=30+7=37 мм,
где Lрез=30мм-длина резания;
y=yврез+ yподв+ yп=1+6=7мм-см. Приложение 3, стр.300 справочника [4].
-
Подача суппорта на оборот шпинделя:
S0=0,3мм/об- см. карту Т2, стр.23 справочника [4].
-
Стойкость резца:
Тp=Тм·λ,
где Тм =50мин-для одноинструментальной обработки;
λ = Lрез/ Lpx=0,81>0,7→принимаем Тp≈ Тм=50 мин.
-
Скорость резания:
V=Vтабл·К1·К2·К3= 105·0,9·1,25·1=118 м/мин,
где Vтабл=105м/мин, подбирается по карте Т4 стр.29 справочника [4], исходя из глубины резания, величины подачи, параметров резца и обрабатываемого материала;
К1-коэффициент, зависящий от обрабатываемого материала, К1=0,9;
К2-коэффициент, зависящий от стойкости и марки твердого сплава, К2=1,25;
К3-коэффициент, зависящий от вида обработки, К3=1.
Частота вращения шпинделя:
n=1000V/(πd)=1000·118/(3,14·60)=626 об/мин.
Уточненная частота вращения шпинделя по плану скоростей станка:
n=630об/мин.
Уточненная скорость резания:
V= πdn/1000=3,14·60·630/1000=119 м/мин.
-
Основное машинное время:
tM6= Lpx/ S0·n= 37/0,3·630=0,196 мин.
Общее машинное время на обработку детали:
tΣ= tM1+ tM2+ tM3+ tM4+ tM5+ tM5=0,92+0,137+0,68+0,52+0,38+0,196=2,83 мин.
7. Выбор конструкции промышленного робота и расчет схвата руки ПР.
7.1. Анализ исходных данных для выбора модели промышленного робота.
Основными показателями для выбора модели промышленного робота являются:
-
Грузоподъемность.
Для определения требуемой грузоподъемности ПР нужно рассчитать массу объекта манипулирования, т.е. заготовки. В нашем случае масса заготовки равна 2,6 кг.
Следовательно, нужно выбрать ПР легкой серии с максимальной грузоподъемностью 5 кг.
-
Число степеней подвижности и система координат:
Для выполнения загрузочно-разгрузочных операций станка робот должен иметь возможность:
1-поворота руки относительно вертикальной оси, чтобы обеспечить перемещение заготовки от накопителя к станку;
2-выдвижения руки относительно горизонтальной оси, чтобы перемещать заготовку непосредственно к шпинделю станка;
3-подъема руки вдоль вертикальной оси, чтобы компенсировать возможную разницу высот расположения заготовок в накопителе и шпинделя станка;
4-возможность поворота кисти манипулятора вокруг горизонтальной оси, для переворота заготовки.
Следовательно, искомый ПР должен иметь не меньше четырех степеней подвижности руки, возможность поворота кисти руки вокруг горизонтальной оси и работать в полярной цилиндрической системе координат.
7.2. Промышленный робот типа «Универсал-5».
В качестве манипулятора для разрабатываемого РТК выбираем промышленного робота модели «Универсал-5 », который удовлетворяет всем требованиям, обоснованным выше.
Многоцелевые роботы типа «Универсал-5 » применяются для автоматизации погрузочно-разгрузочных работ, обслуживания различного технологического оборудования, межоперационного транспортирования объектов обработки и выполнения других вспомогательных операций.
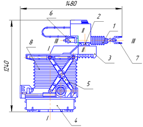
Исполнительным механизмом ПР является манипулятор, который обеспечивает установку в пределах рабочей зоны захватного механизма-схвата. Манипулятор имеет четыре степени подвижности руки 1 в сферической системе координат, которые реализуются механизмами:
-поворота 2 относительно оси II-II,
-выдвижения 3, руки 1 относительно оси III-III,
-поворота 4 руки относительно вертикальной оси I-I,
-подъема 5 руки вдоль оси I-I.
Две степени подвижности рабочего органа-схвата 7 создают механизмы 6 вращения кисти руки относительно ее продольной оси III-III и поперечной оси IV-IV.
Рис. 6 Внешний вид робота «Универсал 5»
Установочные перемещения руки осуществляются помощью электромеханических следящих приводов, а ориентирующие движения кисти руки и зажим - разжим схвата — пневмоцилиндрами.
ПР комплектуется певмоблоком, блоком тиристорных электроприводов и устройством программного управления.
Пневмоблок регулирует подачу сжатого воздуха из заводской сети и блокирования работы манипулятора при падении давления ниже допустимого.
Блок тиристорных электроприводов, формирует управляющие напряжения в якорной цепи электродвигателей постоянного тока.
Устройство программного управления позиционного типа имеет возможность записи программы в режиме обучения (по первому циклу) и формирует управляющие сигналы, а также технологические команды управления циклом работы манипулятора и обслуживаемого оборудования.
















