Резьбы исправлено 2010 (970868), страница 4
Текст из файла (страница 4)
1- резьбовой барабан, 2-звездочка, 3- кулачек, 4- муфта, 5- шпиндель, 6- палец, 7 хсмутик.
Подписи с рис снести сюда
На валу шпинделя 5 станка закреплены резьбовой барабан 1 (жестко) и фрикционно (через муфту 4) кулачок 3. Муфта отрегулирована так, что для поворота кулачка 3 необходим значительный момент.
На станине закреплена звездочка 2, которая может находиться в двух положениях: в рабочем (когда она подведена к резьбовому барабану 1) и в не рабочем (когда она отведена от барабана). Вдоль оси шпинделя звездочка перемещаться на может. Впадина звездочки, обращенная к барабану представляет собой участок резьбовой поверхности гайки, сопрягаемой с резьбой барабана 1. На звездочке неподвижно закреплен хомутик 7 с пальцем 6. Для нарезания резьбы звездочка подводится к барабану 1.палец 6 упирается в кулачок 3 и препятствует зацеплению, вращающегося барабана со звездочкой. Усилия, с которой палец давит на кулачок, не достаточно для поворота кулачка относительно вала шпинделя. Поэтому кулачок вращается вместе со шпинделем до тех пор, пока палец не войдет во впадину кулачка. В этот момент происходит зацепление барабана и звездочки, и вал шпинделя начинает поворачиваться относительно кулачка 3 , т.к. кулачок удерживается от поворота пальцем 6.
Войдя в зацепление с неподвижной звездочкой, вращающийся вместе со шпинделем резьбовой барабан получает осевое перемещение и, преодолевая усилие Р возвратной пружиной отжатия, перемещает шпиндель (по стрелке S). На шпинделе закреплена обрабатываемая оправа, которая при осевом движении шпинделя подается на инструмент, закрепленный в неподвижном резцедержателе. Шаг резьбового соединения звездочка-барабан, обеспечивающего осевую подачу шпинделя и детали, равен ходу нарезаемой окулярной резьбы. Следовательно, за один оборот шпинделя деталь перемещается относительно инструмента на величину хода нарезаемой резьбы. Поскольку полный профиль нарезаемой резьбы нарезается в несколько проходов, то в начале обработки инструмент выставляется на заданную глубину резания, на которую при первом замыкании звездочки и барабана прорезается первая нитка. Нитка нарезается по всей длине резьбы, после чего звездочка отводится от барабана и усилием Р возвратной пружины шпиндель возвращается в исходное положение. Выше указывалось, что одновременно с замыканием звездочки и барабана и началом нарезания первой нитки кулачок стопориться пальцем 6 и вал шпинделя проворачивается относительно кулачка 3.
Поскольку кулачок 3 перемещается вместе со шпинделем относительно неподвижного пальца 6, то угол φ относительно проворота кулачка и вала шпинделя будет определяться величиной X перекрытия кулачка и пальца в момент замыкания звездочки и барабана. Как только шпиндель переместится на величину X кулачок выйдет из зацепления с пальцем и начнет вращаться вместе со шпинделем. При вторичном замыкании звездочки с резьбовым барабаном на оправе будет нарезаться вторая нитка, начало которой будет смещено относительно начала первой нитки на величину угла φ.
Очевидно, что если нарезается резьба с числом заходов n, то угол φ должен быть равен 360n. Поворот оправы на угол φ соответствует осевому перемещению на величину, равную шагу резьбы. Следовательно, величина X перекрытия кулачка 3 и пальца 6 должно быть равно шагу нарезаемой резьбы. Для удобства настройки механизма деления на величину X ширину (а) кулачка 3 делают равной X. Так, при нарезании четырехзаходной окулярной резьбы с шагом Р=1.5мм. ширина кулачка должна быть равной 1,5мм.. Для повышения прочности кулачка размер а может быть увеличен, но при этом ширина кулачка а должна определяться по формуле а= X= k · Р ± Р, где Р - шаг, а k- целое число.
Нарезание профиля резьбы, как и на токарно-винторезных станках, выполняют за несколько проходов. Но в данном случае все нитки (заходы) последовательно прорезают на одну и туже глубину, затем инструмент перемещают в радиальном направлении на величину, равную глубине резания на втором переходе, и вновь до тех пор, пока не будет прорезан полный профиль всех ниток резьбы.
На токарно-револьверных станках окулярную резьбу нарезают с помощью гребенок, устанавливаемых в суппорте резьбонарезного устройства (приклона). Продольная подача инструмента равная ходу нарезаемой резьбы, и автоматическое деление на заходы осуществляется с помощью механизма, работа которого аналогична работе механизма деления, применяемого на токарных станках. Резьбовой барабан (копир) и кулачок, как и в рассматриваемом выше устройстве, укреплены на валу шпинделя станка. Основное отличие заключается в том, что звездочка и стопорный палец механизма деления закреплены на приклоне. При замыкании звездочки и вращающегося резьбового барабана, приклон перемещается параллельно оси шпинделя, обеспечивая продольную подачу инструмента с шагом, равным шагу зубчатого барабана. инструмент перемещается относительно вращающейся детали и нарезает одну нитку окулярной резьбы. Фрикционно укрепленный на валу шпинделя кулачок и стопорный палец производят автоматическое деление на заходы, точно так же, как и на токарном станке. Периодическая, после прорезания всех ниток резьбы, радиальная подача инструмента на глубину резания осуществляется в ручную с помощью механизма подачи, имеющегося в суппорте.
Окулярную резьбу иногда обрабатывают на специальных станках-полуавтоматах. На этих станках автоматизирован не только процесс деления на заходы, но и подача инструмента на глубину резания. Такие станки весьма эффективны при обработке больших партий оправ с внутренней окулярной резьбой («гаек»). Однако для обработки деталей с наружной резьбой («винтов»), которые, как указывалось ранее, подгоняют под обработанную «гайку», такая автоматизация не имеет смысла. Попытки независимой обработки винтов и гаек с точностью, позволяющей исключить индивидуальную подгонку и последующую притирку, пока не увенчались успехом.
Представляет интерес, применяемый на некоторых заводах способ нарезания верхней наружной окулярной резьбы методом обката на зубо-фрезерных станках специальными червячными фрезами. Процесс нарезания резьбы осуществляется при согласованном вращении фрезы и обрабатываемой детали и перемещением фрезы вдоль оси детали. Согласованное вращение (обкат) фрезы и детали и продольная подача фрезы обеспечиваются настройкой цепей деления, дифференциала и подач; за один оборот фрезы деталь перемещается на величину хода нарезаемой резьбы и поворачивается на k/n часть оборота (где k - число заходов фрезы, n - число заходов нарезаемой резьбы). За один заход все нитки резьбы прорезаются на полную глубину, и обеспечивается точное деление на заходы.
.
Таблица выбора гребенок для нарезания наружных окулярных резьб.
| Гребенок | гребенкой Таблица 2
(в зависимости от числа заходов резьбы n) | ||||||||
| n= 2 | n=3 | n=4 | N=6 | n=8 | n=10 | ||||
| Ø12х(1х1,5) | св.8 | св.27 | св.36 | Св.54 | св.72 | св.90 | |||
| Ø12х(2х1,5) | Ø 10-18 | Ø 14-27 | Ø 20-36 | Ø 28-54 | Ø 36,5-72 | Ø 46-90 | |||
| Ø12х(3х1,5) | Ø 7-9 | Ø 10,5-13 | Ø 14-18 | Ø 21-27 | Ø 28-36 | Ø 35-45 | |||
| Ø12х(4х1,5) | Ø 7,5-10 | Ø 10-13,5 | Ø 15-20 | Ø 20-27,5 | Ø 25-34 | ||||
Нарезание окулярной резьбы производится специальными резцами и гребенками (призматическими и круглыми). Чаще других инструментов используются круглые гребенки.
Гребенки изготовляются с числом заходов 1, 2, 3 и 4. Число заходов гребенки определяется в зависимости от диаметра и заходности нарезаемой резьбы (табл. 2). Геометрические параметры режущей части гребенки зависят от числа заходов (табл. 3).
Таблица3.
Параметры режущей части гребенок.
| Обозначение | Число | Ход | αº± | 12' | Δº+ | 12' | |
| гребенок | заходов n | t,мм | b | В осевом сечении | В нор-мальном сечении | В осевом сечении | В нор-мальном сечении |
| Ø12X(1X1,5) | 1 | 1.5 | 7-0.36 | 63º31' | 32º17' | 32º15' | |
| Ø12X(2X1,5) | 2 | 3 | 8.5-0.36 | 63º35' | 62º27' | 32º34' | 32º30' |
| Ø12X(3X1,5) | 3 | 4.5 | 10-0.43 | 63º13' | 32º51' | 32º40' | |
| Ø12X(4X1,5) | 4 | 6 | 11.5-0.43 | 62º53' | 33º08' | 32º47' |
В зависимости от направления витков и заточки режущей части гребенок последние разделяются на гребенки с левой резьбой и гребенки с правой резьбой (на производстве их часто называют левые и правые).
Гребенки с левой резьбой применяются для нарезания наружных правых и внутренних левых резьб, а гребенки с правой резьбой - для нарезания наружных левых и внутренних правых резьб.
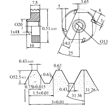
На рис. 21 показана гребенка для нарезания резьбы ОК 105x(4x1,5), оснащенная пластинками из твердого сплава ВК-8. Резьба на гребенке левая двухзаходная, угол наклона резьбы 0031l.
Для получения заднего угла аЕ на вершине (у гребенок величина этого угла принимается в пределе 10-120) режущая кромка располагается ниже оси гребенки на величину h, которая обычно принимается близкой к 0,1D (где D - диаметр гребенки). Профиль гребенки в сечении, в котором располагаются режущие кромки, формирующие профиль резьбы, должен быть подобен профилю нарезаемой резьбы. Очевидно, что это может быть достигнуто в том случае, если профиль гребенки в осевом сечении будет отличаться от профиля нарезаемой резьбы, что следует из табл.3. Профиль гребенки в осевом сечении, обеспечивающий нарезание окулярной резьбы, определяется с учетом величины n и переднего угла Y при проектировании гребенок. При проектировании или подборе гребенок в соответствии с шагом и направлением резьбы допускается отклонение угла подъема резьбы гребенки от угла подъема нарезаемой резьбы детали в пределах ±2,50.
Рис. 21 Гребенка с твердосплавными пластинами для нарезания окулярной резьбы.
О
кулярные резьбы после нарезания калибруются метчиками и плашками. В последнее время метчики начинают применять для нарезания многозаходных резьб без предварительной их обработки резцами и гребенками. На рис. 22 показана конструкция разжимного метчика для нарезания 15-ти заходной резьбы с шагом 1мм. Метчик состоит из 5-ти ножей 2, установленных в корпусе 1, центрируемых коническим валиком 3. Резьбовую поверхность метчика обрабатывают в Рис.22 Метчик для нарезания окулярной резьбы.















