элтех_дз1 (968417)
Текст из файла
Московский государственный технический университет
имени Н. Э. Баумана
Кафедра электротехники и промышленной электроники
Домашнее задание № 1
по курсу «Электротехника и электроника»
на тему «Расчет линейных цепей постоянного тока»
Вариант № 62
Выполнил: студент Данилов М. А.
группа РК10-51
Проверил: доцент Волченсков В.И.
Дата сдачи работы на проверку: 30.09.09
Москва, 2009 г.
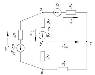
2. Решение с помощью законов Кирхгофа
По I закону Кирхгофа:
По II закону Кирхгофа (контуры обходятся по часовой стрелке):
После подстановки числовых данных получаем систему 6 уравнений:
Результат решения в системе MathCad:
3. Проверка уравнением баланса мощностей
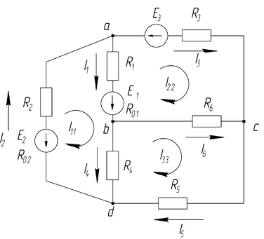
4. Решение методом контурных токов
Коэффициенты:
Реальные токи:
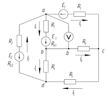
5. Решение методом межузлового напряжения
Сопротивления эквивалентной звезды:
Проводимости ветвей:
По закону Ома для активного участка цепи:
По II закону Кирхгофа для исходной цепи, контур acba:
По I закону Кирхгофа для исходной цепи, узел b:
По II закону Кирхгофа для исходной цепи, контур bcdb:
Найденные методом межузлового напряжения токи:
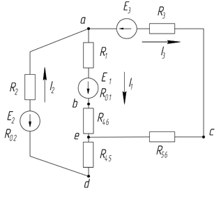
6. Метод эквивалентного генератора (определение тока I6)
По II закону Кирхгофа для контура acba:
Используя метод межузлового напряжения:
Удаляем все источники из схемы:
Переходя от треугольника к звезде:
Сравнение со значениями, полученными другими методами:
7. Определение показаний вольтметра
8. Потенциальная диаграмма
Рассмотрим внешний контур a-f-c-d-e-a.
9. Выводы
Рассмотренные виды методов расчета электрических схем дают одинаковый результат, при этом при решении с помощью уравнений Кирхгофа пришлось решать систему 6 уравнений, с помощью метода контурных токов - систему 3 уравнений, а в случае с методом межузлового напряжения систем уравнений не было вовсе. Однако при решении с использованием математических пакетов, метод уравнений Кирхгофа получается самым быстрым.
- 8 -
Характеристики
Тип файла документ
Документы такого типа открываются такими программами, как Microsoft Office Word на компьютерах Windows, Apple Pages на компьютерах Mac, Open Office - бесплатная альтернатива на различных платформах, в том числе Linux. Наиболее простым и современным решением будут Google документы, так как открываются онлайн без скачивания прямо в браузере на любой платформе. Существуют российские качественные аналоги, например от Яндекса.
Будьте внимательны на мобильных устройствах, так как там используются упрощённый функционал даже в официальном приложении от Microsoft, поэтому для просмотра скачивайте PDF-версию. А если нужно редактировать файл, то используйте оригинальный файл.
Файлы такого типа обычно разбиты на страницы, а текст может быть форматированным (жирный, курсив, выбор шрифта, таблицы и т.п.), а также в него можно добавлять изображения. Формат идеально подходит для рефератов, докладов и РПЗ курсовых проектов, которые необходимо распечатать. Кстати перед печатью также сохраняйте файл в PDF, так как принтер может начудить со шрифтами.
















