milling (962620)
Текст из файла
Московский государственный технический университет
имени Н.Э.Баумана
ОТЧЁТ
по лабораторной работе на тему:
«Проектирование операционной технологии
обработки деталей на фрезерном станке»
Выполнил: Орешкин А.И.
Группа: РК10-81 Вариант: 4 – 4
2011 г.
Задание:
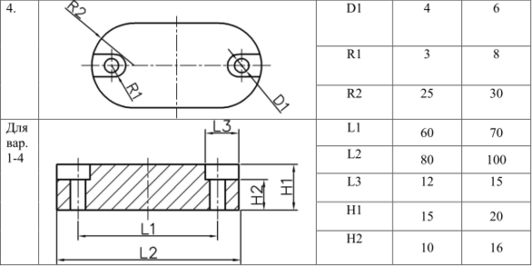
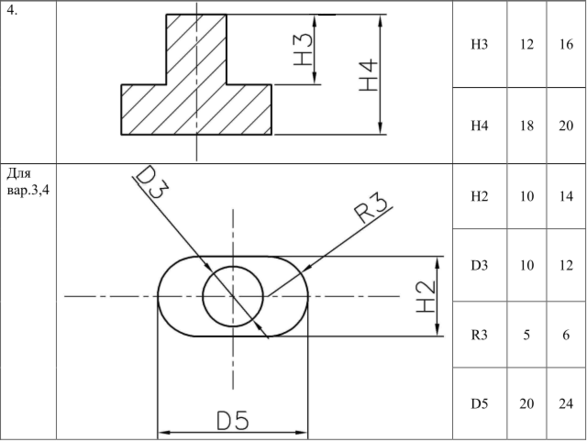
Составить управляющую программу для обработки детали состоящей из двух частей (верхней и нижней) изображенных на рис. Значение параметров детали приведены ниже в таблицах по вариантам.
Выбор варианта:
Заданная нижняя часть детали:
Заданная верхняя часть детали:
Таблица координат точек траектори:
| № | X | Y | Z | dX | dY | dZ | Инстр. |
| 1 | 25 | -10 | 0 | 0 | 0 | 0 | Т1 |
| 2 | 25 | -10 | -35 | 0 | 0 | -35 | - |
| 3 | -10 | 25 | -35 | -35 | 35 | 0 | - |
| 4 | 25 | 60 | 35 | 35 | 35 | 70 | - |
| 5 | 55 | 60 | -35 | 30 | 0 | -70 | - |
| 6 | 90 | 25 | 35 | 35 | -35 | 70 | - |
| 7 | 55 | -10 | 35 | -35 | -35 | 0 | - |
| 8 | 55 | -10 | 0 | 0 | 0 | -35 | - |
| 9 | 0 | 25 | 0 | -55 | 35 | 0 | - |
| 10 | 0 | 25 | -12 | 0 | 0 | -12 | T2 |
| 11 | 80 | 25 | -12 | 80 | 0 | 0 | - |
| 12 | 0 | 25 | -12 | -80 | 0 | 0 | - |
| 13 | 0 | 25 | 10 | 0 | 0 | 22 | - |
| 14 | 45 | 65 | 10 | 45 | 40 | 0 | - |
| 15 | 45 | 65 | -18 | 0 | 0 | -28 | - |
| 16 | 45 | -15 | -18 | 0 | -80 | 0 | - |
| 17 | 35 | -15 | -18 | -10 | 0 | 0 | - |
| 18 | 35 | 65 | -18 | 0 | 80 | 0 | - |
| 19 | 40 | 65 | -18 | 5 | 0 | 0 | - |
| 20 | 40 | 65 | 10 | 0 | 0 | 28 | - |
| 21 | 10 | 25 | 10 | -30 | -40 | 0 | - |
| 22 | 10 | 25 | -35 | 0 | 0 | -45 | T3 |
| 23 | 10 | 25 | 10 | 0 | 0 | 45 | - |
| 24 | 70 | 25 | 10 | 60 | 0 | 0 | - |
| 25 | 70 | 25 | -35 | 0 | 0 | -45 | - |
| 26 | 70 | 25 | 10 | 0 | 0 | 45 | - |
| 27 | 10 | 25 | 10 | -60 | 0 | 0 | T4 |
| 28 | 10 | 25 | -23 | 0 | 0 | -33 | - |
| 29 | -10 | 25 | -23 | -20 | 0 | 0 | - |
| 30 | -10 | 25 | 10 | 0 | 0 | 33 | - |
| 31 | 70 | 25 | 10 | 80 | 0 | 0 | - |
| 32 | 70 | 25 | -23 | 0 | 0 | -33 | - |
| 33 | 90 | 25 | 10 | 20 | 0 | 33 | - |
|
|
|
| -90 | -25 | -10 | - |
Управляющая программа:
M06T01
M03
G01 X25Y-10Z0
G01 X25Y-10Z-35
G02 X-10Y25R35
G02 X25Y60R35
G01 X55Y60Z-35
G02 X90Y25R35
G02 X55Y-10R35
G01 X55Y-10Z0
M05
M06T02
M03
G01 X0Y25
G01 Z-12
G02 X80Y25R40
G02 X0Y25R40
G01 Z10
G01 X45Y65
G01 Z-18
G01 X45
G02 X45 Y-15 R40
G01X35
G02X35Y65R40
G01 X45
G01 Z10
M05
M06T03
M03 S1500
G01 X10 Y25
G01Z-35
G01 Z10
G01 X70
G01 Z-35
G01 Z10
M05
M06T04
M03 S1500
G01 X10 Y25
G01 Z-23
G01 X-10
G01 Z10
G01 X70
G01 Z-23
G01 X90
G01 Z10
M30
Изображения обработанной детали:
Характеристики
Тип файла документ
Документы такого типа открываются такими программами, как Microsoft Office Word на компьютерах Windows, Apple Pages на компьютерах Mac, Open Office - бесплатная альтернатива на различных платформах, в том числе Linux. Наиболее простым и современным решением будут Google документы, так как открываются онлайн без скачивания прямо в браузере на любой платформе. Существуют российские качественные аналоги, например от Яндекса.
Будьте внимательны на мобильных устройствах, так как там используются упрощённый функционал даже в официальном приложении от Microsoft, поэтому для просмотра скачивайте PDF-версию. А если нужно редактировать файл, то используйте оригинальный файл.
Файлы такого типа обычно разбиты на страницы, а текст может быть форматированным (жирный, курсив, выбор шрифта, таблицы и т.п.), а также в него можно добавлять изображения. Формат идеально подходит для рефератов, докладов и РПЗ курсовых проектов, которые необходимо распечатать. Кстати перед печатью также сохраняйте файл в PDF, так как принтер может начудить со шрифтами.
















