Гидравлика(веб) (950001), страница 9
Текст из файла (страница 9)
Для уточнения вопроса о потерях напора выделим в трубопроводе между сечениями 1-1 и 2-2 соосный цилиндр с радиусом а и длиной l (рис. 31).
Как оговорено выше, распределение скоростей в сечениях 1-1 и 2-2 одинаково, частицы жидкости двигаются без ускорений.
Напишем уравнение динамического равновесия рассматриваемого цилиндра
где
– касательное напряжение (трения) на поверхности цилиндра.
Поделив обе части уравнения на
, получим
Подставляя из уравнения (86) значение
, имеем
или
У стенки трубы, где
, значение
равно
и тогда
Уравнение (91) есть общее выражение потерь напора при равномерном движении жидкости в трубах. Подставляя в уравнение (91) значения
,
и
, получим
Замечаем, что
имеет размерность квадрата скорости.
Обозначим
где
– называется скоростью касательного напряжения на стенке, или динамической скоростью. Тогда уравнение (92) примет вид
Из уравнения (94) находим, что
Таким образом, коэффициент гидравлического трения
прямо пропорционален отношению квадратов динамической и средней скоростей.
Потери напора при ламинарном движении. На основе изложенного выше для потерь напора по длине при ламинарном режиме движения жидкости в трубе получено следующее уравнение:
где
–абсолютный коэффициент вязкости жидкости,
;
– длина трубопровода, м; v – средняя скорость, м/сек;
– удельный вес жидкости, кгс/м3;
– диаметр трубопровода, м.
Так как
, а
, то вместо формулы (96) получим
Выражение (97) называют формулой Пуазейля-Гагена (по имени ученых, получивших это уравнение).
Формула (97) показывает, что при ламинарном режиме потери напора пропорциональны средней скорости и не зависят от состояния стенок трубопровода.
Приравняв правые части уравнения Дарси-Вейсбаха (84) и выражения (97), получим
Таким образом, коэффициент гидравлического трения при ламинарном режиме обратно пропорционален числу Рейнольдса.
Потери напора при турбулентном движении. В инженерной практике чаще встречается турбулентный режим движения жидкости в трубах, которые труднее исследовать теоретически. Этот вопрос подвергся наиболее широким опытным исследованиям как со стороны советских, так и зарубежных ученых. Из-за сложности процессов, протекающих при турбулентном режиме, до сих пор не создано окончательной теории, которая бы вытекала из основных уравнений гидродинамики и согласовывалась с опытом. Напомним, что при турбулентном режиме наблюдается интенсивное вихреобразование, частицы жидкости описывают сложные траектории, местные скорости меняются во времени даже при постоянном расходе. Это явление называется пульсацией скорости. Часть кинетической энергии жидкости переходит в тепловую. Установившегося движения в строгом смысле нет. Поэтому введено понятие об осредненной скорости.
Мгновенные скорости пульсируют около своего осредненного значения, которое за достаточно длительный промежуток времени остается постоянным; это значение и называется осредненной скоростью. В дальнейшем, говоря о скоростях, рассматривая турбулентное движение, будем подразумевать осредненные скорости.
Опытами установлено, что закон распределения осредненных скоростей по сечению и потери напора зависят от диаметра труб, средней скорости, вязкости жидкости и шероховатости стенок труб. В свою очередь характер шероховатости зависит от материала стенок труб, степени обработки, а последние определяют высоту выступов, их густоту и форму. Для приближенной оценки введено понятие средней высоты бугорков (выступов) шероховатости, называемой абсолютной шероховатостью и обозначаемой k. Очевидно, что чем меньше диаметр, тем быстрее частицы жидкости совершат пробег от центра трубопровода к стенкам и встретятся с бугорками шероховатости, и, отражаясь от них, вызовут возмущения в потоке жидкости. Следовательно, частота вихреобразования при малых диаметрах труб больше, и шероховатость той же высоты проявляется сильнее. Поэтому введено понятие относительной шероховатости, т. е. отношение абсолютной шероховатости к диаметру трубы
.
Экспериментами установлено, что коэффициент гидравлического трения
в формуле Дарси-Вейсбаха, а соответственно и потери напора по длине
зависят от числа Рейнольдса и от относительной шероховатости. Это вытекает и из теоретических исследований. Поэтому усилия как советских, так и зарубежных ученых были направлены на выявление характера этой зависимости. Было установлено, что при больших числах Рейнольдса и высокой шероховатости коэффициент гидравлического трения
в трубах совсем не зависит от вязкости жидкости (числа Рейнольдса), а зависит только от относительной шероховатости (в этих условиях трубы и русла называют вполне шероховатыми). Трубы же, в которых коэффициент
зависит только от числа Рейнольдса и не зависит от относительной шероховатости, что бывает при сравнительно малых Re и k/d, называют гидравлически гладкими. При этом один и тот же трубопровод в одних условиях может быть гидравлически гладким, а в других – вполне шероховатым. Условия, в которых
зависит и от числа Рейнольдса и от относительной шероховатости, называются переходной областью. Это объясняется тем, что при малых числах Рейнольдса вблизи стенок сохраняется сравнительно толстый ламинарный слой, и выступы шероховатости обтекаются жидкостью без образования и отрыва вихрей. Свойства поверхности стенок трубопровода в этом случае не влияют на сопротивление, и зависимость
выражается в логарифмических координатах прямой (см. рис. 30).
С увеличением числа Рейнольдса ламинарный слой становится тоньше и не покрывает выступов шероховатости; при этом от выступов шероховатости начинают отрываться вихри, и свойства поверхности оказывают влияние на сопротивление движению; график зависимости
отклоняется от прямой и переходит в кривую второго порядка.
Так как на характер сопротивлений оказывает влияние не только относительная шероховатость, но и форма и распределение выступов по поверхности, то в практику расчетов было введено понятие об эквивалентной равнозернистой шероховатости kэ. Под ней понимают такую высоту выступов шероховатости, сложенной из песчинок одинакового размера, которая дает при подсчетах одинаковое с заданной шероховатостью значение коэффициента гидравлического трения
.
2.11. Потери напора в местных сопротивлениях
Местные потери напора вызываются сопротивлениями в арматуре, фасонных частях и оборудовании, вследствие сужения и расширения потока, изменения направления движения жидкости, слияния и разделения потока и т. п.
Потери на преодоление местных сопротивлений в наружных сетях водопровода обычно не превышают 10-15%, во внутренних сетях – 30% от потерь напора по длине.
Однако местные потери напора в некоторых видах инженерных сетей могут достигать значительной величины: так, например, в системах отопления зданий – до 40%, в воздуховодах вентиляционных систем и пневмотранспорта – до 60-70% от потерь напора по длине.
Местные потери напора определяют как произведение скоростного напора непосредственно вблизи местного сопротивления
, по формуле
Общей теории для определения коэффициентов местных сопротивлений, за исключением отдельных случаев, нет. Поэтому коэффициенты местных сопротивлений, как правило, находят опытным путем. Значения их для различных элементов трубопроводов приводятся в технических справочниках. Иногда местные сопротивления выражают через эквивалентную длину прямого участка трубопровода
. Эквивалентной длиной называют такую длину прямого участка трубопровода данного диаметра, потери напора в котором при пропуске данного расхода равны рассматриваемым местным потерям. Приравнивая формулы Дарси-Вейсбаха и (99), имеем
получаем
или
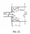
В
незапное расширение потока (рис. 32). Этот случай поддается теоретическому обоснованию. Из опытов установлено, что поток жидкости, вытекающий из узкой трубы, не сразу заполняет все сечение широкой трубы; он отрывается от стенок и дальше двигается в виде расширяющейся струи. В кольцевом пространстве между струей и стенками трубы жидкость образует завихрения. На некотором расстоянии l от расширения трубопровода струя вновь заполняет все сечение. В результате вихревых движений жидкости между сечениями 1-1 и 2-2 идет постоянный обмен между струей и жидкостью в кольцевом пространстве. В результате этих явлений происходит переход механической энергии в тепловую, что и является причиной потерь напора.
Рассмотрим внезапное расширение трубы с горизонтальной осью. Потеря напора на внезапное расширение равна
















