мой (944210)
Текст из файла
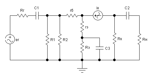
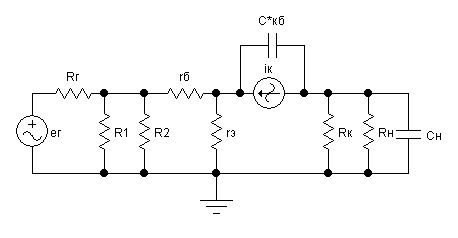
Схема:
Таблица данных:
| Материал VT1 | Тип VT1 | Eпит, | Rк, | Схема включения | Iк/Iкз | Rэ/Rк | R1/R2 | Rн/Rк |
| Si | p-n-p | 20 | 10 | ОЭ | 0.2 | 0.7 | 3 | 2 |
|
| Cкб, pF | C1, | C2, | C3, | Cн, |
| Iк0, | Rг, |
| 60 | 5 | 1 | 10 | 20 | 500 | 3 | 0.1 | 100 |
| Материал VT1 | Тип VT1 | Eпит, | Rк, | Схема включения | Iк/Iкз | Rэ/Rк | R1/R2 | Rн/Rк |
| Ge | n-p-n | 5 | 3 | ОК | 0.75 | 0.3 | 1 | 5 |
|
| Cкб, pF | C1, | C2, | C3, | Cн, |
| Iк0, | Rг, |
| 20 | 5 | 5 | 20 | 100 | 100 | 3 | 1 | 100 |
-
Обеспечить рабочую точку (
) и вычислить потенциалы
,
,
.
Ток короткого замыкания (транзистор «замкнут»):
Рабочая точка:
Потенциал эмиттера:
Потенциал базы:
Потенциал коллектора:
Ток базы:
Пусть через резистор
течёт ток
равный
, тогда:
Сопротивление резистора
:
Сопротивление резистора
:
-
Оценить температурную нестабильность каскада (
), если
.
Сопротивление в цепи базы:
-
Осуществить схемы включения ОЭ, ОБ, ОК, используя конденсаторы C1-C3. Для одной из схем (указано) дать малосигнальную схему замещения и вычислить параметры Ku, Ki, rвх, rвых.
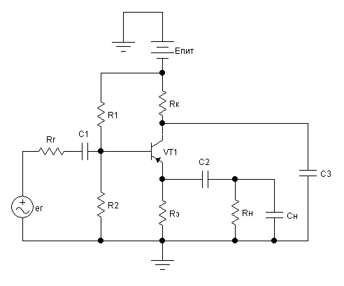
Схема включения ОЭ:
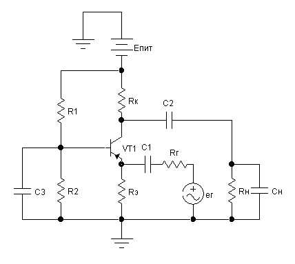
Схема включения ОБ:
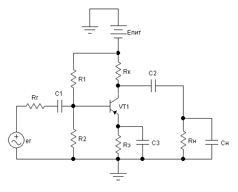
Схема включения ОК:
Малосигнальная схема замещения для схемы включения ОЭ:
Сопротивление базы:
Дифференциальное сопротивление эмиттерного перехода:
Входное сопротивление транзистора:
Входное сопротивление каскада:
Выходное сопротивление каскада:
Входное напряжение относительно
:
Коэффициент усиления напряжения:
Коэффициент усиления тока:
-
Для этой же схемы включения вычислить амплитуду сигнала, при которой наступают амплитудные ограничения. Указать полярность ограничения, привести осциллограммы eг и uвых.
Статическая нагрузка:
Максимальная неискажённая амплитуда выходного сигнала:
Оптимальный ток коллектора:
ограничения наступают в результате попадания транзистора в отсечку.
Амплитуда сигнала, при которой наступают амплитудные ограничения:
Ограничивается отрицательная полуволна сигнала.
-
Вычислить граничные частоты fн, fв для этой схемы. Оценить искажения, возникающие при усилении идеального прямоугольного импульса малой амплитуды (tф, δ) и максимально допустимую длительность импульса (Tи при спаде вершины δ < 20%), привести осциллограммы Eг и Uвых.
Эквивалентная малосигнальная схема замещения каскада для низких частот:
Постоянная времени для конденсатора
:
Постоянная времени для конденсатора
:
Постоянная времени для конденсатора
:
Нижняя граничная частота каскада:
Эквивалентная малосигнальная схема замещения каскада для высоких частот:
Ёмкость коллекторного перехода:
Постоянная времени для конденсатора
:
Постоянная времени, обусловленная собственной инерционностью транзистора:
Верхняя граничная частота каскада:
Время нарастания фронта импульса:
Максимальная допустимая длительность импульса:
Характеристики
Тип файла документ
Документы такого типа открываются такими программами, как Microsoft Office Word на компьютерах Windows, Apple Pages на компьютерах Mac, Open Office - бесплатная альтернатива на различных платформах, в том числе Linux. Наиболее простым и современным решением будут Google документы, так как открываются онлайн без скачивания прямо в браузере на любой платформе. Существуют российские качественные аналоги, например от Яндекса.
Будьте внимательны на мобильных устройствах, так как там используются упрощённый функционал даже в официальном приложении от Microsoft, поэтому для просмотра скачивайте PDF-версию. А если нужно редактировать файл, то используйте оригинальный файл.
Файлы такого типа обычно разбиты на страницы, а текст может быть форматированным (жирный, курсив, выбор шрифта, таблицы и т.п.), а также в него можно добавлять изображения. Формат идеально подходит для рефератов, докладов и РПЗ курсовых проектов, которые необходимо распечатать. Кстати перед печатью также сохраняйте файл в PDF, так как принтер может начудить со шрифтами.
,
) и вычислить потенциалы
,
,
.
), если
.















