вариант 5 (944185)
Текст из файла
ЗАДАНИЕ НА КУРСОВОЙ ПРОЕКТ 3
ШИФР ЗАДАНИЯ 4
СТРУКТУРНАЯ СХЕМА ГПИ 5
РАСЧЁТ ГЕНЕРАТОРА ДЛИТЕЛЬНОСТИ ИМПУЛЬСА(ГТи) 6
РАСЧЁТ ГЕНЕРАТОРА ПЕРИОДА(ГТ) 9
РАСЧЁТ УСИЛИТЕЛЯ МОЩНОСТИ 10
РАСЧЁТ БЛОКА ЗАДЕРЖКИ 11
ИНТЕГРАЛЬНЫЙ СТАБИЛИЗАТОР НАПРЯЖЕНИЯ 12
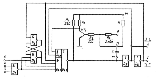
ПРИНЦИПИАЛЬНАЯ ЭЛЕКТРИЧЕСКАЯ СХЕМА 15
ЛИТЕРАТУРА 16
ЗАДАНИЕ НА КУРСОВОЙ ПРОЕКТ
по курсу "Электронные цепи и микросхемотехника"
Спроектировать гненератор прямоугольных импульсов (ГПИ), либо генератор импульсов линейно-изменяющегося напряжения (ГЛИН). Спроектировать стабилизатор напряжения, обеспечивающий питание генератора импульсов. Использовать интегральные СН. Eпит при нестабильности напряжения сети +,- 20%.
Генератор прямоугольных импульсов.
Спроектировать генератор прямоугольных импульсов, обеспечивающий в нагрузке (Rн,Сн) амплитуду рабочих импульсов, регулируемую в пределах 0 - Uвых m. Длительность импульсов должна регулироваться и находиться в пределах Tи min - Tи max. Период следования импульсов регулируется и находится в пределах T min - T max. Обеспечить длительность переднего и заднего фронтов импульса не более tф. Форма напряжения рабочего импульса и его амплитуда могут быть согласованы с консультантом. Генератор (за исключением УМ) выполняется с использованием стандартных логических элементов (ЛЭ) ТТЛ, либо КМОП однотипных для всего генератора, либо таймеров (формирователей) на основе ТТЛ и ЛЭ ТТЛ (Т-ТТЛ) или таймеров (формировате-
лей) на основе КМОП и ЛЭ КМОП (Т-КМОП).
Генератор импульсов линейно-изменяющегося напряжения.
Спроектировать ГЛИН, обеспечивающий в нагрузке (Rн) амплитуду рабочих импульсов, регулируемую в пределах 0 - Uвых m. Длительность импульсов должна регулироваться и находиться в пределах Tи min - Tи max. Период следования импульсов регулируется и находится в пределах T min - T max. Обеспечить длительность фронта спада импульса не более tф. Форма напряжения рабочего импульса и его амплитуда могут быть согласованы с консультантом. Генератор (за исключением УМ) выполняется с использованием стандартных логических элементов (ЛЭ) ТТЛ, либо КМОП однотипных для всего генератора, либо таймеров (формирователей) на основе ТТЛ и ЛЭ ТТЛ (Т-ТТЛ) или
таймеров (формирователей) на основе КМОП и ЛЭ КМОП (Т-КМОП). Для ГЛИНа также допускается использование операционных усилителей (ОУ).
ШИФР ЗАДАНИЯ
5.Васильева 1 6 - 5 4 3 5 3 5 2 3 4 С
Данные:
| Uвыхm = 20 В Полярность импульса «-» Tиmin = 15 мкс Tиmax/Tumin = 10 tф/ Tumin = 0,03 Rн = 3 кОм Сн = 1000 пф Tmin/ Tumax = 10 Tmax/ Tmin = 3 Тип логики Т-ТТЛ , %Епит=0,5 | Tиmax=150 мкс tф=0,45 мкс Tmin=1.5мкс Tmах=4.5мкс |
| |
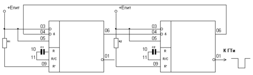
СТРУКТУРНАЯ СХЕМА ГПИ
Осциллограммы в различных точках нашей структурной схемы:
Каждое устройство выполняет следующие функции:
-
Мультивибратор (ГТ) генерирует прямоугольные импульсы с регулируемым периодом следования для запуска ждущего мультивибратора
-
Ждущий мультивибратор (ГТи) формирует прямоугольный импульс с заданной длительностью
-
Усилитель мощности формирует импульс с заданной амплитудой.
С выхода усилителя УМ должен быть снят сигнал,удовлетворяющий требованиям к сигналу расчитываемого генератора прямоугольных импульсов.
Между генератором периода и генератором длительности будет использована схема задержки.
Для стабилизации выходного напряжения будет использован интегральный стабилизатор напряжения.
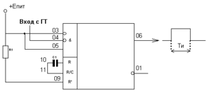
РАСЧЁТ ГЕНЕРАТОРА ДЛИТЕЛЬНОСТИ ИМПУЛЬСА(ГТи)
Генератор периода в настоящей работе будет выполнен на двух интегральных микросхемах ТТЛ серии 155.(К155АГ1).
Краткое описание микросхемы К155АГ1:
Микросхема К155АГ1— одноканальный ждущий мультивибратор. Он формирует калиброванные импульсы с хорошей стабильностью длительности. Мультивибратор содержит внутреннюю ячейку памяти — триггер с двумя выходами 6 и 1. Поскольку оба выхода имеют наружные выводы , разработчик получает от микросхемы парафазный сформированный импульс. Триггер имеет три импульсных входа логического управления (установки в исходное состояние) через элемент Шмитта. Вход 05 (активный перепад —
положительный) дает прямой запуск триггера, входы 03, 04— инверсные (активный перепад —
отрицательный). .
Сигнал сброса, т. е. окончания импульса в триггере, формируется с помощью RC-звена: времязадающий конденсатор C подключается между выводами микросхемы 10 и 11, резистор R включается от вывода 09 к положительной шине питания 5В.
Мультивибратор АГ1 нельзя перезапустить, пока не истекло время Т. Запущенный мультивибратор нечувствителен ко входным сигналам 03, 04 и 05. Входная схема с триггером Шмитта обеспечивает надежный запуск (по входу 05) при медленно нарастающем напряжении запуска (например, даже при скорости нарастания фронта запуска 1 В/с). Помехоустойчивость по входам— 1,2, по питанию— 1,5 В.
Управление микросхемой К155АГ1:
При любых комбинациях статических сигналов на входах 3, 4 и 5 одновибратор находится в стабильном состоянии при котором
Реакция на перепады напряжения приведены в таблице:
Рассмотрим ограничения , накладываемые на внешние R, C компоненты. Rmin снизу ограничивается максимально допустимым током базы транзистора VT1. В технических условиях указано Rmin=1.4кОм, что соответствует току базы транзистора VT1 равному приблизительно 2.7мА. Rmax сверху ограничивается требованием обеспечения насыщенного режима транзистора VT1. В технических условиях указано, что Rmax=30кОм. Емкость конденсатора С должна быть меньше или равна 1000мкФ, причём допускается применение электролитических конденсаторов.
Длительность выходного импульса можно определить по формуле:
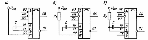
Значения R определяется одним из вариантов включения внешних компонентов, представленных на следующем рисунке:
В данной работе будет использоваться схема включения внешних компонентов, которая представлена на рис б). В данном случае в качестве резистора R используется внешний резистор R1 последовательно включенный со встроенным резистором R4=2кОм R=R1+R4. Очевидно, что с учетом сформулированных выше ограничений для данного варианта получим R1min=0.6кОм; R1max=28кОм.
Одновибратор будет выглядеть следующим образом:
Расчёт ЖМВ:
Итак , чтобы получить импульс заданной длительности необходимо взять С3=36нФ, Rmax=6кОм.
РАСЧЁТ ГЕНЕРАТОРА ПЕРИОДА(ГТ)
Структурная схема приведена на рисунке: два ждущих мультивибратора соединены так, что выход первого подключен ко входу второго, а выход второго ко входу первого.
Удобно для этой цели использовать те же микросхемы К155АГ1.
Расчёт автогенератора:
Для удобства возьмём две микросхемы с идеинтичными внешними компонентами, т.е.
R1=R2 и C1=C2.
Искомый период будет равен:
T=τ1+τ2=R1*C1*ln2+R2*C2*ln2
Так как внешние компоненты равны получаем:
T=C*ln2*(R1+R2)=2R*C*ln2
a
Рассчитываем минимальный период:
Максимальное возможное сопротивление для нашей схемы:
Итак , чтобы получить импульс заданным периодом необходимо взять С1=С2=1.8мкФ, Rmax=1,8кОм.
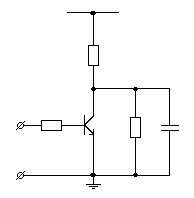
РАСЧЁТ УСИЛИТЕЛЯ МОЩНОСТИ
Eпит
Rк
Rб
Сн
Rн
В качестве УМ используем усилительный каскад, выполненный по схеме с общим эмиттером.
Данный усилитель мощности формирует импульс заданной амплитуды 0-Uвыхm(20В) и обеспечивает длительность переднего и заднего фронтов не более tф=0,45 мкс.
Епит=25В.
Возьмём транзистор VT2-KT315Б
U*=0.7В
β=50, Iн=Uвыхm/Rн=20/3=0,67мА
Iб=10мА
Iк= βIб
Iк=0,5А
IRк =Iк+Iн
IRк=0,501А
Rк=(Епит-Uвыхм)/ IRк
Rк=10Ом
R6=( U1вых-Uбэ)/I6=(2,4-0.7)/0.01=170Ом
Сн*(RнRк/(Rк+Rн))
=10нс
tф=2,3
tф=23нс
РАСЧЁТ ДИФФЕРЕНЦИРУЮЩЕЙ ЦЕПОЧКИ
Для запуска ЖМВ нужно на его входе обеспечить импульс короче генерируемого. Для этого используем дифференцирующую цепочку.
Iвхмах=0,08 мА
U12=0.7 В
R12=U12/ Iвхмах
R12 =8.2 кОм
Возьмём Ту равный 7.5 мкс
Расчитаем С2
С2=Ту/ R12 U*
С2=1,2 нФ
С10
VD1
Uвых
Uвх
R12
На выходе мы получаем импульс отрицательной полярности, как раз который нам нужен для запуска одновибратора.
Приведенные расчёты являются приближенными, т. к. они не учитывают конечную длительность фронтов перепадов напряжения, изменение входных и выходных сопротивлений логических элементов при переключении и т.д. Поэтому точность не очень высока, однако вполне приемлема для большинства практических расчётов.
СТАБИЛИЗАТОР НАПРЯЖЕНИЯ
Мы будем использовать стабилизатор напряжения на микросхеме КР142ЕН12А,
который обладает следующими параметрами:
Uвх=10В
Uвых=5В
Iсоб.пот.=5мА
КР142ЕН12
R13
R14
C12
C11
Uвых
Характеристики
Тип файла документ
Документы такого типа открываются такими программами, как Microsoft Office Word на компьютерах Windows, Apple Pages на компьютерах Mac, Open Office - бесплатная альтернатива на различных платформах, в том числе Linux. Наиболее простым и современным решением будут Google документы, так как открываются онлайн без скачивания прямо в браузере на любой платформе. Существуют российские качественные аналоги, например от Яндекса.
Будьте внимательны на мобильных устройствах, так как там используются упрощённый функционал даже в официальном приложении от Microsoft, поэтому для просмотра скачивайте PDF-версию. А если нужно редактировать файл, то используйте оригинальный файл.
Файлы такого типа обычно разбиты на страницы, а текст может быть форматированным (жирный, курсив, выбор шрифта, таблицы и т.п.), а также в него можно добавлять изображения. Формат идеально подходит для рефератов, докладов и РПЗ курсовых проектов, которые необходимо распечатать. Кстати перед печатью также сохраняйте файл в PDF, так как принтер может начудить со шрифтами.
















