ЛИТЕРАТУРА (944183)
Текст из файла
ЗАДАНИЕ НА КУРСОВОЙ ПРОЕКТ
по курсу "Электронные цепи и микросхемотехника"
Генератор прямоугольных импульсов.
Спроектировать генератор прямоугольных импульсов, обеспечивающий в нагрузке (Rн,Сн) амплитуду рабочих импульсов, регулируемую в пределах 0 - Uвых m. Длительность импульсов должна регулироваться и находиться в пределах Tи min - Tи max. Период следования импульсов регулируется и находится в пределах T min - T max. Обеспечить длительность переднего и заднего фронтов импульса не более tф. Форма напряжения рабочего импульса и его амплитуда могут быть согласованы с консультантом. Генератор (за исключением УМ) выполняется с использованием стандартных логических элементов (ЛЭ) ТТЛ, либо КМОП однотипных для всего генератора, либо таймеров (формирователей) на основе ТТЛ и ЛЭ ТТЛ (Т-ТТЛ) или таймеров (формировате-
лей) на основе КМОП и ЛЭ КМОП (Т-КМОП).
Спроектировать гненератор прямоугольных импульсов (ГПИ). Спроектировать стабилизатор напряжения, обеспечивающий питание генератора импульсов. Использовать интегральные СН. Eпит при нестабильности напряжения сети +,- 20%.
Данные к расчету:
Тимин=500 мкс
Тимах=1500 мкс
тф=10 мкс
Rн=0.5 к
Сн=1500 пФ
Тмин=3000 мкс
Тмах=0.03 с
Тип логики Т-ТТЛ
Полярность импульса отрицательна
дельта Епит= 0.3%
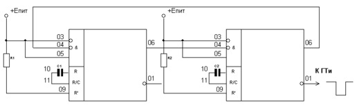
Структурная схема ГПИ
ЗГ – задающий генератор (мультивибратор),
ДЦ – дифференцирующая цепь,
ЖМВ– ждущий мультивибратор,
УМ– усилитель мощности,
Rн, Cн – нагрузка генератора.
Препологаемые осциллограмы в характерных точках
З
адающий генератор (мультивибратор автоколебаний) формирует на выходе (точка 1) импульсы прямоугольной формы. Эти импульсы подаются на дифференцирующую цепь (ДЦ). Ее назначение: создать на своих выходах (точка 2) короткие импульсы, которыми затем будет запускаться ждущий мультивибратор (ЖМВ). ЖМВ формирует на своём выходе основной импульс, длительность которого меняется от Tи min до Tи max (точка 3), т.к. Л.Э. не в состоянии обеспечить в нагрузке необходимую мощность, то к выходам ЖМВ подключен усилитель мощности (УМ). Они усиливают амплитуду выходного сигнала до нужной величины.
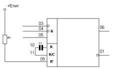
МВ и ЖМВ будут выполнены на микросхемах серии 155, выберем К155АГ1
Краткое описание микросхемы К155АГ1
Таблица управления микросхемой
Рассчет ЖМВ:
Рассмотрим ограничения , накладываемые на внешние R, C компоненты. Rmin снизу ограничивается максимально допустимым током базы транзистора VT1. В технических условиях указано Rmin=1.4кОм, что соответствует току базы транзистора VT1 равному приблизительно 2.7мА. Rmax сверху ограничивается требованием обеспечения насыщенного режима транзистора VT1. В технических условиях указано, что Rmax=30кОм. Емкость конденсатора С должна быть меньше или равна 1000мкФ, причём допускается применение электролитических конденсаторов.
Длительность выходного импульса можно определить по формуле:
Ти=RCln2
R1=Rmin, для регулировки длительности импульса обавляется переменное сопротивление R2=Rmax-Rmin=1.2 кОм которое ставиться последовательно с R1
Рассчет МВ:
Мультивибратор так же можно выполнить на 2-х микросхемах К155АГ1
Схема мультивибратора
Пусть конденсаторы и сопротивления равны (для удобства)
Искомый период будет равен:
T=τ1+τ2=R1*C1*ln2+R2*C2*ln2
Так как внешние компоненты равны получаем:
T=C*ln2*(R1+R2)=2R*C*ln2
С=Тмин/2Rминln2=3.6 мкФ
Rмах=Тмах/2Сln2= 6 кОм
Для регулировки периода необходимо добавить переменное сопротивление R= 5.4 кОм
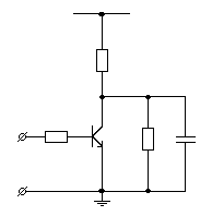
Рассчет УМ:
В качестве УМ используем усилительный каскад, выполненный по схеме с общим эмиттером.
Данный усилитель мощности формирует импульс заданной амплитуды 0-Uвыхm(7В) и обеспечивает длительность переднего и заднего фронтов не более tф=10 мкс.
Епит=10В.
Используемый транзистор КТ315А
Осциллограммы
Для регулировки выходного напряжения необходимо между ЖМВ и УМ поставить перменный резистор 120<R< 1 Мом при таких значениях в крайних точках мы будем получать импульсы от 0 до 7 В
Рассчет СН:
Мы будем использовать стабилизатор напряжения на микросхеме КР142ЕН12А,
который обладает следующими параметрами:
Микросхема КР142ЕН5А трехвыводный стабилизатор с фиксированным выходным напряжением 5 вольт.
Параметры:
Uвх=7В…20В
Iпот.=8мА
Uвых=5В
Для переменного напряжения с частотой 50Гц
.
Ток потребления, включая стабилизатор Iпот=138мА
Рассчитаем C1 – сглаживающий фильтр на входе стабилизатора:
Емкость на выходе стабилизатора:
Рассчет ДЦ:
Для запуска ЖМВ нужно на его входе обеспечить импульс короче генерируемого. Для этого используем дифференцирующую цепочку.
К точке 2(см. рис. 8) подключается вход ЖМВ. Для того чтобы одновибратор стабильно генерировал на выходе импульсы необходимо, чтобы запускающий импульс был не больше половины генерируемого импульса. ЖМВ переключится, когда на его входе напряжение будет U*. Поэтому при T = Tиmin / 2, U2 должно быть равно U*(см. рис. 8).
Ограничения на R4:
Когда напряжение в точке 2 равно лог. 1, конденсатор ток не пропускает и весь ток, текущий через резистор течёт через входной Л.Э. ЖМВ. Если взять R4 очень большой, то на нём будет большое падение напряжения и в точке 2 напряжение будет меньше напряжения логической единицы. Из-за этого ЖМВ работать не будет.
Когда напряжение в точке 1 меняется (от лог. 1 до лог. 0) конденсатор представляет собой короткое замыкание и выход МВ подключен к R4. Если R4 будет маленьким, то ток, текущий через него может превысить максимально допустимый выходной ток Л.Э, стоящего на выходе МВ
Напишем закон изменения напряжения в точке 2 и найдём значения R4 и С3
При t = Tиmin / 2, U2 = U*
Возьмём R4 = 20 кОм С3 = 6,67 нФ.
По таблице номиналов (5%) берём R4 = 20 кОм C3 = 8,2 нФ.
ТАБЛИЦА СПЕЦИФИКАЦИЙ
Обозначение | Наименование | Количество |
Резисторы | ||
R1 | СП3 38а – 0,125 – 0,6 кОм 5% | 2 |
R2 | СП5-2ВБ – 0,125 – 1,2 кОм 5% | 1 |
R3 | СП5-2ВБ – 0,125 – 5,4 кОм 5% | 1 |
RК | С2 – 29 В – 0,5 – 5,8 Ом 5% | 1 |
Rб | СП3 33-3-9 – 0,125 – 170 Ом 5% | 1 |
R4 | МЛТ – 0,125 – 20 кОм 5% | 1 |
| R | СП3-4аМ 4,7 Мом 5% | 1 |
Конденсаторы | ||
С1 | К 10 – 17Б – Н90 – 1,2 мкФ 5% | 1 |
С2 | К 10 – 17Б – Н90 – 3,6 мкФ 5% | 1 |
С3 | КМ – 5 – Н – 30 – 8,2 нФ 5% | 1 |
С13 | К 40 – 15 – 80В – 575 мкФ 5% | 1 |
С14 | К 40 – 15 – 80В – 16 мкФ 5% | 1 |
Диоды | ||
VD3 | КД 407 | 1 |
Транзисторы | ||
VT1 | KT 203Б | 1 |
Микросхемы | ||
D1 – D3 | К155АГ1 | 3 |
Стабилизаторы | ||
СН1 | КР142ЕН12 | 1 |
СН2 | КР142ЕН12 | 1 |
Список литературы
-
Л.М. Гольденберг «Импульсные устройства» Москва, Радио и связь 1981.
-
Зельдин Е.А. «Импульсные устройства на микросхемах» Москва, Радио и связь 1991.
Оглаление
Задание на курсовой проект — страница 1
Структурная схема — страница 1
Рассчет ЖМВ — страница 3
Рассчет МВ — страница 3
Рассчет УМ — страница 4
Рассчет СН — страница 6
Рассчет ДЦ — страница 6
Таблица спецификаций — страница 9
Список литературы — страница 10
Принципиальная схема — страница 12( миллиметровка)
Московский энергетический институт
(технический университет)
Кафедра: Полупроводниковой электроники
Курсовой проект
“Генератор прямоугольных импульсов”
по курсу:
“Электронные цепи и микросхемотехника”
Группа: ЭР-05-08
Студент: Лазарев Н.А.
Проверил: Каретников И.А.
Москва 2011.
Характеристики
Тип файла документ
Документы такого типа открываются такими программами, как Microsoft Office Word на компьютерах Windows, Apple Pages на компьютерах Mac, Open Office - бесплатная альтернатива на различных платформах, в том числе Linux. Наиболее простым и современным решением будут Google документы, так как открываются онлайн без скачивания прямо в браузере на любой платформе. Существуют российские качественные аналоги, например от Яндекса.
Будьте внимательны на мобильных устройствах, так как там используются упрощённый функционал даже в официальном приложении от Microsoft, поэтому для просмотра скачивайте PDF-версию. А если нужно редактировать файл, то используйте оригинальный файл.
Файлы такого типа обычно разбиты на страницы, а текст может быть форматированным (жирный, курсив, выбор шрифта, таблицы и т.п.), а также в него можно добавлять изображения. Формат идеально подходит для рефератов, докладов и РПЗ курсовых проектов, которые необходимо распечатать. Кстати перед печатью также сохраняйте файл в PDF, так как принтер может начудить со шрифтами.
















