Лаба ТА 2021 финал (842000), страница 2
Текст из файла (страница 2)
,
где коэффициенты аппроксимации B, c, а также εj для широкого круга конкретных случаев могут принимать различные значения.
Многообразие различных способов исполнения трактов ТА характеризуется разнообразием математических моделей представления этой гидравлической характеристики [2], которые также могут быть использованы при расчетах.
Для типичных случаев простых каналов эта зависимость может быть предложена по одной из формул из таблицы 2 [3] в зависимости от области режимов течения, степени шероховатости поверхности
, и коэффициента, учитывающего форму канала ω. Примерный характер этих кривых представлен на рисунке 1.
Таблица 2. формулы для расчёта коэффициента гидравлического сопротивления ξ
| Re < Reкр Reкр = 3500 |
|
|
|
А = 64ω = 57…96 ω = 1 – круглая труба ω = 1.5 – кольцевой канал ω = f(a/b) – прямоугольный канал | В диапазоне
В диапазоне
|
|
Таблица 3. Значения поправочного коэффициента на форму прямоугольного канала
| a/b | 0.05 | 0.1 | 0.2 | 0.3 | 0.4 | 0.5 | 0.7 | 1.0 |
| ω | 1.5 | 1.32 | 1.25 | 1.10 | 1.03 | 0.97 | 0.91 | 0.90 |
Рассматриваемые характеристики теплоотдающих поверхностей (ТОП) в совокупности существенны при проектировании и расчете ТА с точки зрения энергетической (теплогидравлической) эффективности последних. Стремление к повышению этой эффективности побуждают к поиску и исследованию новых разнообразных способов интенсификации теплоотдачи в трактах ТА. По данной теме имеется обширный материал опубликованных данных [1, 2, 3]. Получаемые ТГХ часто представляются в относительном по отношению к эталонному случаю гладкого канала виде:
;
. Совместное действие ТГХ на эффективность ТА приводит к проблеме ее оценки на основе тех или иных критериев сравнения. Например, можно оценить эффективность различных конфигураций
поверхностей простым соотношением их ТГХ на основе модификации аналогии Рейнольдса – числа Колбурна, как это показано на рисунок 2 [4].
| Рисунок 2 – Изменение отношения числа Стантона к коэффициенту трения для ряда характерных случаев, 1 – поверхность с пластинчатыми перфорированными ребрами (545 ребер на 1 м); 2 – поверхность со стерженьковыми ребрами, (СтЗ-9); 3 – поверхность с гладкими ребрами, образующими каналы треугольного сечения; 4 – насадка из сферических тел |
Таким образом, определение ТГХ трактов является важной составляющей частью работ по разработке и проектированию ТА. Многообразие вариантов их исполнения зачастую приводит к необходимости проведения дополнительных экспериментальных работ по исследованию ТГХ.
2. Задачи лабораторной работы:
1) Изучение методики экспериментального определения ТГХ ТА.
2) Изучение материальной части стендовой базы и объекта испытания.
3) Подготовка и проведение испытания модели рекуперативного ТА для получения его ТГХ.
4) Обработка результатов испытания, определение ТГХ тракта и их представление.
5) Анализ результатов и выводы.
3. Методика экспериментального исследования и проведения испытаний
Объектом испытания в данной лабораторной работе является модельный участок рекуперативного ТА типа «труба в трубе» (рисунок 3). Исследуются ТГХ тракта холодного теплоносителя кольцевого типа, выполненного с различными конфигурациями оребрения (Приложение А). Исследование ведется в сосредоточенных переменных, осредненных по всему объему тракта холодного теплоносителя.
Тепловая нагрузка на объект испытания осуществляется его нагревом продуктами сгорания газогенератора (ГГ), протекающими по центральной жаровой трубе с температурой 700…1400 °С.
Тепловой поток Q, снимаемый с объекта как некоторая суммарная мощность определяется по подогреву холодного теплоносителя
с известными массовым расходом
и теплоемкостью
:
.
|
|
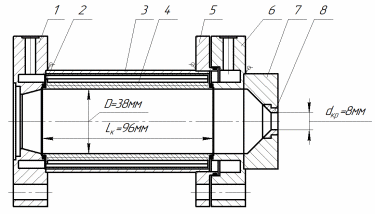
| Рисунок 3 – Экспериментальная модель ТА 1 – Фланец отводящий; 2 – уплотнение; 3 – корпус; 4 – элемент кольцевого тракта охлаждения; 5 – фланец; 6 – фланец подводящий; 7 – сопло; 8 – вкладыш критического сечения сопла. |
В качестве холодного теплоносителя используются вода или воздух.
Целевой функцией исследования являются ТГХ тракта холодного ТН: коэффициент теплоотдачи αх и коэффициент гидравлического сопротивления ξ.
Коэффициент теплоотдачи αх как эффективная сосредоточенная величина на холодной стороне стенки учитывает как конвективный теплообмен, так и эффект возможного развития поверхности, определяется по величине осредненного температурного напора
между стенкой и холодным теплоносителем согласно Ньютону-Рихману
.
где
– осредненные (сосредоточенные) значения температур.
Удельный тепловой поток qх холодного ТН определяется как сосредоточенная величина, отнесенная к номинальной теплоотдающей поверхности Fх, рассчитываемой по наружному диаметру стенки камеры сгорания.
Коэффициент гидравлического сопротивления тракта ξ, включающий в себя как потери давления на трение, так и потери, связанные с деформацией потока, в том числе и местные потери на входе и выходе, определяется как величина, сосредоточенная по суммарным потерям давления ∆p ТН на объекте по формуле:
,
где:
– суммарные потери давления в тракте между входом и выходом теплоносителя; ρ – плотность теплоносителя; f – площадь проходного (живого) сечения в тракте охлаждения; ℓ – длина пути теплоносителя по тракту на среднем диаметре;
– гидравлический диаметр, являющийся характерным масштабом проходного сечения, П – смоченный периметр.
Как видно, для определения искомых ТГХ необходимо определить при заданных геометрических параметрах объекта следующие величины: Тст.х, Тх.вх., Тх.вых., pх.вх., pх.вых.,
.
Все необходимые величины могут быть получены непосредственно прямыми измерениями. Однако, из-за сложностей технического характера, прямое измерение температуры стенки в данной конструктивной схеме представляет определенные трудности. Поэтому температура стенки на холодной стороне стенки может быть определена опосредованно с привлечением известных закономерностей теории теплопередачи по изложенной ниже методике.
Известно, что градиенты температур по сторонам теплопередачи, в том числе и температурный напор в стенке, определяются реализуемой в эксперименте тепловой мощностью Q или через удельные тепловые потоки q.
.
Тогда согласно очевидному балансу полных тепловых мощностей
по всем трём областям теплообмена: горячий ТН, стенка, холодный ТН, полагая, что доля лучистых тепловых потоков пренебрежимо мала, удельные тепловые потоки для относительно тонких оболочек
могут быть представлены соотношениями:
где
– площади соответствующих поверхностей стенки, при этом
– определяется по среднему диаметру стенки;
– теплопроводность стенки, определяемая по средней температуре стенки.
В тоже время температурное состояние стенки (температуры стенки по сторонам теплопередачи) определяется переносными свойствами теплоносителей и стенки, каковыми являются αх.эфф, αг,
.
При этом, как показывает теория и практика эксперимента, температурное состояние стенки чрезвычайно чувствительно к величинам коэффициентов теплоотдачи αг и αх.эфф и менее чувствительно к их соотношениям, выражаемым коэффициентом теплопередачи, соотнесенным к соответствующей поверхности, например, к номинальной поверхности холодного ТН Fx
или в форме отношений этих величин
;
;
где
;
;
.
Значения nα и nλ могут быть найдены по оценочным значениям αг, αх.эфф и
, рассчитываемым аналитически для режимов течения, соответствующих эксперименту.
Так коэффициенты теплоотдачи в соответствующих трактах ТН могут быть, например, оценочно определены согласно аналогии Рейнольдса
,
где коэффициент гидравлического сопротивления определяется опытным путём или аналитически режимом течения (числом Рейнольдса), например [5]
.
Кроме того, может быть использована широко применяемая в практике расчетов по сосредоточенным параметрам «трубная» формула Михеева М.А. для турбулентного течения
,
где
– поправка на начальный участок термической стабилизации течения при ℓ/dэ < 15.
[4]
















