skiba_lekzii (832100)
Текст из файла
Лекция 1
Целевые механизмы – это механизмы, предназначенные для выполнения отдельных элементов технологического процесса.
Объекты:
- зажимные устройства и механизмы станков
- системы автоматической смены инструмента (устройство)
- загрузка/разгрузка заготовок
- поворотно-фиксирующие механизмы
- суппорты и столы
- транспортные устройства
- система для удаления стружки
- система для подачи СОЖ
Литература:
-
Волчкевич, Кузнецов. Автоматические линии, 1976г
-
Самонастраиваемые зажимные механизмы. Справочник. Кузнецов.
-
Автоматические загрузочные устройства
-
Комплексная автоматизация производственных процессов (историч.) Шаумян
-
Оснастка для станков с ЧПУ. Кузнецов. Справочник
-
Григорьев и др. Инструментальная оснастка станков с ЧПУ 2006г.
-
КОСВО. Технологическая оснастка. Вопросы и ответы. 2005г.
-
Журналы: станки и инструмент (Стин), вестник машиностроения и др.
Механика – сердцевина станка
Конструктор должен знать стандарты
Термины и определения – багаж инженера
Раздаточный
Основные тенденции развития машиностроения
-
Повышение уровня автоматизации производства
-
Модульный принцип построения станков
-
Повышение уровня автоматизации станков
-
Повышение производительности станков засчет применения: направляющей, следящих приводов (+ линейных), устройство автоматической смены заготовки и инструмента (АСИ), роботы, вспомогательный режущий инструмент
-
Использование комплектующих изделий, которые поставляются отлаженными и распознаются системой управления автоматически при подключении
-
Высокая степень концентрации различных технологических переходов в 1 операцию на рабочем месте: токарная, сверлильная, фрезерная, расточная, зуборезная, лазерная
-
Применение лазерных систем для измерения траектории движения инструмента и оценки состояния его режущей части с целью повышения его точности обработки
-
Повышение экологичности оборудования. Пример – снижение шума.
-
Обработка нетрадиционных материалов
-
Мониторинг станка: диагностика на расстоянии; самовосстановление
Лекция 2
Автоматы – машины, выполняющие рабочие и холостые хода без помощи человека.
Как пример, станок-автомат включает в себя узлы (механизмы). (двигатель, передаточный и исполнительный механизм)
Двигательный механизм – преобразователь энергии
Есть еще транспортные механизмы, механизмы управления (ТММ). А в других науках слово механизм встречается на много реже.
Устройство более обобщенное название, чем механизмы. Окно тоже устройство.
Исполнительный механизм – механизмы рабочих и холостых ходов, механизмы управления.
Механизмы рабочих ходов
Токарно-револьверный станок – суппорта, револьверная головка, сверлильное приспособление.
Многошпиндельный станок – механизмы рабочих ходов – суппорта (продольный – можно установить инструмент или приспособление для сверления/нарезания резьбы)
Агрегатный станок – силовые головки (суппорта)
Механизмы холостых ходов (подготавливает рабочий ход)
Токарно-револьверный станок - механизм зажима, механизм подачи прутка, механизм быстрого подвода револьверного суппорта, механизм фиксации, механизм поворота инструментального объекта, механизм включения.
Система управления – например, механическая (кулачки на распред. вале)
Многошпиндельный станок – прутковый – механизм зажима, механизм подачи; штучная заготовка – механизм зажима, автооператор. // механизм поворота шпиндельного блока, механизм подъема, механизм фиксации, механизм упора (сначала работает механизм упора, потом механизм зажима).
Базирование – придание заготовки положения в пространстве
База – совокупность поверхностей, ось, точка, необходимая для базирования.
Производительность и точность обеспечивается правильным функционированием вышеизложенных элементов (+надежность, безотказность, долговечность, ремонтопригодность)
Лекция 3
Построение машины начинается с построения механизмов
-
Структурный анализ механизма
-
Кинематический анализ механизма
Установка детали – базирование (технологическая, конструкторская, измерительная/явная, неявная/установочная/направляющая/опорная) и закрепление.
Назначение – закрепление заготовок в рабочей позиции станка
Рисунок 1
Зажимные механизмы станков/Зажимные приспособления
Примерно 80% - это станочные приспособления
Объекты закрепления. Классификация
Рисунок 2
Расшифровка:
- Заготовка/деталь
Тела вращения (цилиндрические)
Призматическая (корпусные детали)
Листовые
и др.
- Инструмент (подразумеваем режущий, хотя их больше)
Цилиндрический хвотовики
Конические хвостовики
Инструменты с отверстием
Призматические
- Рабочий орган (станка)
Пинольного типа (колонна)
Поворотного типа (поворотные столы)
С направляющими
Рисунок 3
У каждого рабочего органа своя система координат
У объекта закрепления может быть множество баз.
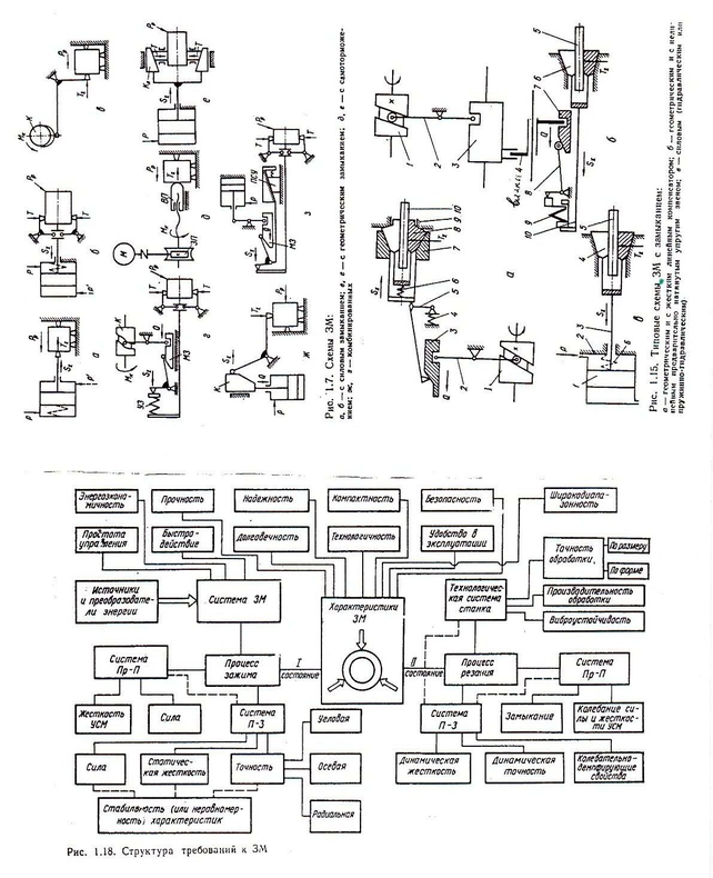
Схема зажимного механизма
Рисунок 4
Промежуточные устройства – усилительные, тяга.
Классификация зажимных механизмов
По источнику энергии: механические, гидравлические, пневматические, вакуумные, магнитные, электромагнитные, центробежные, электрогидравлические и др.
Назначение системы:
Для универсального станка, станка с ЧПУ, автомата, специальных станков, специализированных станков
Тех. процесс - для каждого тех. процесса свои зажимные устройства
Заготовка – размеры, тип заготовки, базовые поверхности, материал, место обработки и место базирования,
Характер замыкания силового контура – геометрических, силовой, комбинированный, самоторможение
Раздаточный 1
Пр – привод
П – патрон
З – заготовка
Рис. 1.7
а
Промежуточное устройство простейшее – поршень и шток
Источник – поршень. Может быть энергия гидравлики или пневматики.
Или пружина – сжимается, создает усилие S. В другую полость носитель энергии – масло или воздух для разжатия.
Сила направлена против силы, создаваемой силовыми источниками (силы резания). Может быть любое направление.
На рисунке самый плохой вариант, когда сила резания против силового устройство. Название – силовое замыкание. Сила зажима T создается силовым цилиндром и при выполнении тех. процесса поддерживается.
б
Тоже цилиндр, шток. Но деталь зажимается с помощью рычажного механизма (условное обозначение рычажного патрона).
T>S
Перемещение в другую сторону (стрелка)
Энергия создается пружиной или масло/воздух.
в, г – геометрическое замыкание
С помощью геометрии определенных тел (в – кулачок)
Т – сила зажима заготовки
г – замыкание может происходит с помощью МЗ (муфта зажима)
Муфта поворачивает рычаги, они воздействуют на УЗ (упругое звено, пружина) – зажимается деталь
Достоинство силового замыкания в простоте. Но для того, чтобы поддерживать усилие надо расходовать энергию – неэффективно. Кулачки приближают к объекту закрепления, а затем создать необходимое усилие. Кулачок может иметь цилиндрическую форму.
в, г – Геометрическое зажимается осуществляется засчет геометрии муфты или кулачка.
Также нужна стабильность закрепления в силовом замыкании. А в геометрическом замыкании нет этой опасности. Механизмы в геометрическом замыкании просты, экономичны.
Но в случае, когда детали меняются, то сила зажима как правило меняется. Т.к. зажим создается натяг, а натяг меняется. Это существенный недостаток.
Для устранения этого недостатка
д, е – механизмы с самоторможением (фрикционные механизмы).
С помощью самоторможения в 1 очередь замыкается силовой контур.
Механизм создает силу Tр.
Винтовая передача обладает самоторможением. Создали усилие.
Муфта или реле при достижении заданной нагрузки отключает механизм.
е – источник энергии другой. Но фрикционный элемент К – кулачок – его можно рассматривать как клин.
ж, з - комбинированное замыкание (и силовое и..)
Зажимные устройства: тиски, втулки, цанги, патроны.
// Геометрическое замыкание – с помощью форм.
Патрон
У него зажимные органы – кулачки. От самого патрона зависят характеристики станка, которые отображаем в технико-экономических показателях.
Исполнительное устройство должно быть адекватно тем требованиям, которые предоставляются к станку.
Признаки:
- Назначение
- Габариты
- Точность
- Виды и типы кулачков
- Способ зажима
- Принцип действия
- Конструктивное исполнение
Схема 1.15 а
1 - кулачок
2 – рычажный механизм
3 – муфта зажима
4 – пружина
5 – рычаг
6 – пружина
7 – втулка
8 – цанга
9 – гайка
10 - пруток
При движении (3) влево с ней взаимодействует сложная рычажная система 5, которая воздействует на определенный элемент 8 – цанга (втулка с конечными элементами – лепестками цанги).
7 – труба с конечными элементами, которая воздействует на цангу 8, а цанга действует на пруток 10.
Рисунок отличается от других тем, что орган другой.
Цанговый механизм – трубка с разными по конструкции зажимными элементами, упирается в гайку 9 и на нее наезжает труба
Зазор между отдельными элементами цанги позволяет облегчить ее деформацию.
6 – пружина. Как зажим происходит? Муфта 3 перемещается влево, рычаги поворачиваются – получается воздействие на трубу 7 – зажали пруток.
Разжим? Иногда при разжиме проявляются упругие свойства цанги 8 (ее нормальное состояние – разжатое). Между 7 и 8 происходит коническое взаимодействие, появляется T, возникает сила трения. Когда втулка 3 перемещается вправо (или не перемещается, т.к. может происходит самоторможение).
Упругий элемент 4 вводят специально в данный механизм. Чтобы создать усилие Т, на весь механизм создают предварительный натяг. Может меняться поперечный диаметр прутка (по длине прутка), то есть будет колебаться сила Т. Большие прутки будут зажиматься с большей силой Т.
Свойства элемента 4 – линейная характеристика или нелинейная.
Схема 1.15 б
1 – кулачок
2 – рычаг
3 – ползун
4 – вилка
5 – пруток, сила зажима Т
6 – цанга
7 –муфта
Характеристики
Тип файла документ
Документы такого типа открываются такими программами, как Microsoft Office Word на компьютерах Windows, Apple Pages на компьютерах Mac, Open Office - бесплатная альтернатива на различных платформах, в том числе Linux. Наиболее простым и современным решением будут Google документы, так как открываются онлайн без скачивания прямо в браузере на любой платформе. Существуют российские качественные аналоги, например от Яндекса.
Будьте внимательны на мобильных устройствах, так как там используются упрощённый функционал даже в официальном приложении от Microsoft, поэтому для просмотра скачивайте PDF-версию. А если нужно редактировать файл, то используйте оригинальный файл.
Файлы такого типа обычно разбиты на страницы, а текст может быть форматированным (жирный, курсив, выбор шрифта, таблицы и т.п.), а также в него можно добавлять изображения. Формат идеально подходит для рефератов, докладов и РПЗ курсовых проектов, которые необходимо распечатать. Кстати перед печатью также сохраняйте файл в PDF, так как принтер может начудить со шрифтами.
















