лекция Додонов (832089), страница 7
Текст из файла (страница 7)
Язык GPSS содержит средства для того, чтобы использовать датчик случайных чисел для разыгрывания возможных ситуаций.
Рисуем график безотказной работы, а под ним равномерный график. Датчик посылает сигнал 0682231 и по этому сигналу определяется вероятноть безотказной работы. Для розыгрыша нужен ДСЧ и закон распределения.
Рисунок 1
Датчик случайных чисел используется в каждом машинном эксперименте смоделированной системы. Число датчиков случайных чисел – может от несколько десятков до нескольких тысяч. И каждый датчик имитирует возможное состояние элемента или узла автоматизированной станочной системы. Моделирование системы происходит в виде машинных экспериментов в определенной последовательности.
На вход имитационной модели подаются начальные правдоподобные или экспериментальные данные (величины, которые достаточно хорошо известны). Получаем экспериментальный закон распределения. Число датчиков случайных чисел как правило равняется числу учитываемых изделий и элементов системы. Срабатывание этой системы датчиков характеризует условия проведения данного конкретного машинного эксперимента.
Шаг моделирования представляет из себя элементарный отрезок времени, по истечении которого происходит очередное разыгрывание.
// Если за смену каждую минуту розыгрыш, то через 480 минут 480 розыгрышей.
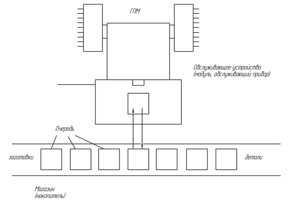
Есть теория массового обслуживания (теория очередей). Слева заявки на обслуживание (приход) - очередь, справа обслуженные заявки (уход). А в центре обслуживающий прибор.
Рисунок 2
Лекция 18
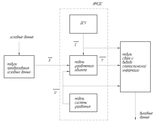
Состав имитационной модели СДС
ИМСДС - Имитационная модель сложной дискретной системы
Рисунок 1
Х – вектор входных данных
U – управляющий сигнал
Y – выходной сигнал
Имитационная модель сложной дискретной системы (ИМСДС) содержит модель управляемого объекта (ГПМ с его механизмами, устройствами), модель системы управления, модель внутренних случайных возмущений (моделируют возможные отказы в системе)
Коды модели управляемого объекта деляются на контролируемые и неуправляемые (Х)
Е характеризует внутренние возмущения, которые генерируются ДСЧ
Сложная дискретная система может находиться в одном из допустимых состояний.
- Пространство возможных состояний системы
Имитационная модель – это программа работы ЭВМ
Система будет работать дискретно (не как часы), т.к. будут отказы.
Модель должна обладать свойством адекватности рассматриваемому процессу. Модель – это программа на языке GPSS.
Рекуррентная формула позволяет рассчитывать каждое последующее состояние из предыдущего
Процессы в сложной дискретной системе
Процессы в СДС
Событие в СДС происходит мгновенно. Событие с нулевой протяженностью во времени. Допустим, имеется лоток, по которому катятся подшипниковые кольца. У лотка есть закругление и подшипник создает заусенец. Так продолжается время. Но вдруг мгновенно подшипник заклинивается.
Это действие требует для своей реализации некоторого времени.
Действие (Generate) – взято из «алфавита»
Действие связано с 2мя событиями: начало и конец события.
Рисунок 2
Определенный процесс в СДС может быть представлен в виде графа. Вершина графа – состояние сложной дискретной системы. Дуги графа – переходы между состояниями.
Линейный граф
Рисунок 3
Расходящийся граф
Рисунок 4
Сходящийся граф
Рисунок 5
Комбинированный граф
Рисунок 6
Лекция 19
Блок-схема примера моделирования обработки поступающих на ГПМ деталей
Рисунок 7
Операторы GPSS:
-
GENERATE – символизируют приход деталей на обработку ГПМ. Параметры оператора: 18 – среднее время между приходами детали, 6 – равномерное распределение (плюс минус 6 минут по закону равной вероятности).
-
QUEVE – присоединение к очереди номер 1
-
SEIZE – переход детали на обработку.
-
DEPART - Уход детали из очереди N1 (одновременно приход на обработку)
-
ADVANCE - Обработка детали на ГПМ. 16 – среднее время на обработку и обслуживание. 4 – равномерное распрепделение (прямоугольник).
-
RELEASE - Освобождение гибкого производствсенного модуля. BAR – месте, где происходит обслуживание
-
TERMINATE – уход детали из гибкого производственного модуля
Рисунок 8
2
ой сегмент определяет время моделирования
480 минут – время моделирования
Шаг моделирования – 1 минута
2ой сегмент определяет последовательность выполнения машинных экспериментов.
Не учтен фактор, что система может отказать. Это надо учитывать с помощью датчика случайных чисел. (через каждые 100 минут будет разыгрываться ситуация что на разное время останавливается модуль).
Рисунок 1
Рассматриваемый ГПМ
Листинг результатов моделирования
Результаты моделирования (дает машина)
-
На ГПМ обработано 26 деталей
-
ГПМ был занят 86,6% от 480 минут
-
Заготовки вошли в систему 27, вышли из системы 26
-
Среднее число входов (на обработку) без ожидания - 23
-
Среднее число деталей в накопителе – 0,53
Имеется автоматизированная станочная система (АСС) – это сложная дискретная система (СДС)
«Событие» - это какое-то явление, факт, очевидец «мгновенно». Нулевая протяженность во времени.
«Действие» - требует для своей реализации некоторого времени и имеет собственное имя.
Действие связано с 2мя событиями – начало действия и окончание действия
Последовательность действий образует процесс в сложной дискретной системе
Рисунок 2
Последовательность действий в СДС образуют процесс.
Этапы имитационного моделирования
Рисунок 3
-
Определение доступных ресурсов (какие параметры по надежности, ресурсу) и законов функционирования моделируемой системы (равномерный, экспоненциальный, нормальный)
-
Формализация моделируемой системы
-
Программирование имитационной модели
-
Планирование имитационных экспериментов, определение начальных условий (минимальное время обработки, максимальное, интенсивность заявок – минимальная, максимальная)
-
Получение исходных данных
-
Проведение имитационных экспериментов
-
Обработка результатов экспериментов. Обработка результатов осуществляется автоматически (можно произвести несколько раз, меняя исходные данные)
-
Интерпретация полученных результатов. Какие конструктивные решения возможны, реальны, а какие нет.
Имитационное моделирование – мощное средство проектирования. Проектирование – научное предвидение.
Использование теории массового обслуживания ТМО при проектировании автоматизированных станочных систем (теория очередей)
ТМО – раздел, дальнейшее развитие теории вероятностей и математической статистики.
Появилась в начале 20 века в связи с развитием телефонных сетей (девушки сидели на линии и вставляли штекеры для соединения с нужным номером. Поступают заявки на обслуживание, девушки – обслуживающий прибор) Какова эффективность работы ТС?
Параметр потока заявок -
Параметр потока обслуживания –
При дальнейшем развитии техники оказалось, что математические модели теории массового обслуживания могут быть использованы в других технических, экономических и социальных сетях при разработке систем автоматического управления, ГПС, РТК.
Аналогично с телефонной линией про детали – n заготовок, ГПС, m деталей
Математический аппарат теории массового обслуживания оказался пригоден для анализа и проектирования АСС, обработки на них с потоком поступающих на них заготовок.
На управляющее ЭВМ поступают сигналы с датчиков обратных связей, установленных на технологическом оборудовании. Каждый сигнал требует обработки длительностью
(время обработки сигналов
изменяется в определенных пределах). Требуется определить способна ли управляющая ЭВМ (УВМ) с данным объемом ОЗУ и с данным быстродействием обработать в реальном масштабе времени все поступающие в нее сигналы. Может быть решена методом массового обслуживания
Есть ТМО, а есть СМО (система массового обслуживания). Пример СМО – телефонная станция. Характеристики системы массового обслуживания.
Основной первичной характеристикой системы массового обслуживания является наличие потока однородных зарядов, требований, событий. Вторая важная характеристика – наличие правил обслуживания заявок, то есть дисциплина обслуживания. 3 – структура исследования СМО (есть ли накопитель, какое перегрузочное устройство, какой магазин, как поступают детали, как закрепляются). СМО характеризуются временем обслуживания.
















