Элтех ДЗ1 вариант 86 (817388)
Текст из файла
Условие домашнего задания
Требуется:
-
Для заданной схемы составить систему уравнений по законам Кирхгофа, подставить в нее числовые значения, соответствующие рассматриваемому варианту задания, и, используя компьютер, определить все токи в ветвях схемы.
-
Записать уравнение баланса мощностей для исходной схемы, Подставить известные числовые значения и оценить относительную погрешность расчета.
-
Для исходной схемы составить систему уравнений по методу контурных токов, подставить числовые значения и, используя компьютер, определить все токи в ветвях исходной схемы.
-
Преобразовать исходную электрическую цепь в эквивалентную, заменив пассивный треугольник резисторов
эквивалентной звездой. Начертить полученную цепь с эквивалентной звездой и показать на ней токи. Рассчитать полученную цепь, используя метод межузлового напряжения (метод двух узлов). Определить все токи, соответствующие первоначальной схеме. -
Определить ток в резисторе
методом эквивалентного генератора. Сопоставить полученное значение этого тока с результатами расчета его другими методами. -
Определить показание вольтметра, указанного в исходной схеме.
-
Рассчитать и построить потенциальную диаграмму для внешнего контура исходной схемы.
-
Сопоставить рассмотренные методы расчета электрических цепей, сделать соответствующие выводы.
-
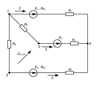
Расчет токов в цепи при непосредственном использовании законов Кирхгофа.
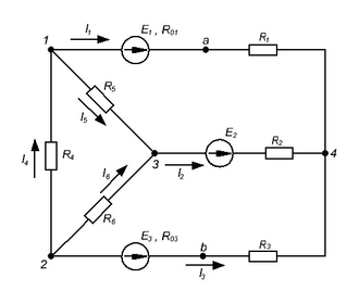
В рассматриваемой схеме четыре узла (q = 4) и шесть ветвей (k = 6). Число неизвестных токов шесть. Для определения токов составим по законам Кирхгофа систему из шести уравнений. Зададим направление токов и направление обхода контуров на схеме (см. рис. 1).
Рис. 1. Схема для расчета с использованием законов Кирхгофа
|
| (1) |
|
| (2) |
|
| (3) |
П
одставим в систему известные числовые значения параметров
Р
ешив неоднородное СЛАУ, получаем:
Все расчеты были выполнены в среде Matchcad (см. Приложение, 1).
-
Составление уравнения баланса мощностей
Уравнение баланса мощностей имеет вид
где
Ток
был найден со знаком минус. Это значит, что он противоположно направлен с источником ЭДС
и этот источник потребляет энергию из цепи. Поэтому его нужно отнести к потребителям.
Относительная погрешность
Мощность, отдаваемая источниками в цепь
и мощность, потребляемая пассивными приемниками
совпали. Это означает, что расчет токов был выполнен правильно.
Все расчеты были выполнены в среде Matchcad (см. Приложение, 2).
-
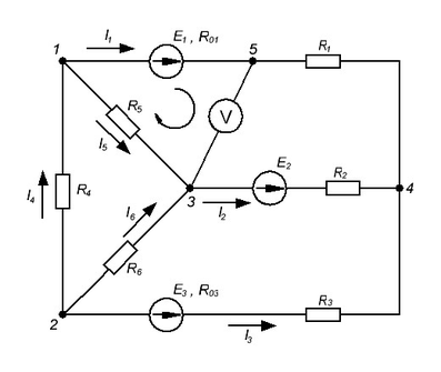
Расчет токов в цепи методом контурных токов
На рис. 2 представлена схема для расчета методом контурных токов.
Рис. 2. Схема для расчета методом контурных токов
В рассматриваемом примере (рис. 2) схема имеет три независимых контура и для расчета ее методом контурных токов потребуется решать систему только из трех уравнений.
З
ададим направление контурных токов
(рис. 2) и запишем систему из 3-х уравнений
П
одставим известные значения
Решив систему, получаем
Вычислим реальные токи в цепи
Значения токов совпали со значениями токов методом непосредственного использования законов Кирхгофа.
Все расчеты были выполнены в среде Matchcad (см. Приложение, 3).
-
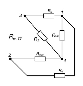
Расчет токов в цепи методом межузлового напряжения
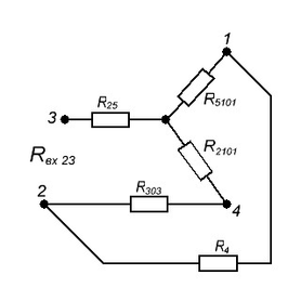
Заменим в схеме пассивный треугольник с резисторами
на эквивалентную звезду с резисторами
, которые вычисляются по формулам
Новая схема представлена на рис. 3
Рис. 3. Схема для расчета методом двух узлов
Напряжение между узлами 4 и 3
где
– проводимости ветвей.
Токи в ветвях преобразованной схемы
Токи
можно определить из уравнений второго закона Кирхгофа (1) – (3)
Значения токов совпали с токами, рассчитанными методами непосредственного использования законов Кирхгофа и контурных токов.
Все расчеты были выполнены в среде Matchcad (см. Приложение, 4).
-
Расчет токов в цепи методом эквивалентного генератора
Ток
будем определять по формуле
Отключим в исходной схеме ветвь с сопротивлением
от зажимов 2-3 и определим напряжение холостого хода
(рис. 5).
Рис. 5. Схема для определения
Запишем уравнение по второму закону Кирхгофа для контура 2-3-1-2:
Для определения
и
рассчитываем полученную схему (рис. 5). В ней два узла (1 и 4). Используем метод межузлового напряжения
Вычисляем токи
Напряжение холостого хода
Определим
. Из предыдущей схемы (рис. 5) удаляем все источники (
), оставив их внутренние сопротивления. Получаем схему рис. 6.
| Рис. 6. Схема для определения | Рис. 7. Преобразование схемы рис. 6 | |
| Рис. 8. Промежуточная схема для определения | Рис. 9. Окончательная схема для определения | |
На рисунке 7:
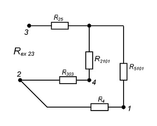
При переходе от рис. 7 к рис. 8 было произведено преобразование треугольника в звезду:
В соответствии со схемой рис. 9 выражение для входного сопротивления относительно зажимов 2 и 3:
Искомый ток
Значение тока
совпало со значениями этого же тока, рассчитанные другими методами.
Все расчеты были выполнены в среде Matchcad (см. Приложение, 5).
-
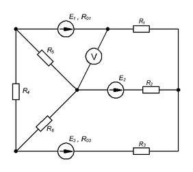
Определение показания вольтметра
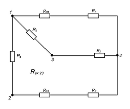
Вольтметр измеряет напряжение (разность потенциалов) между двумя точками в электрической цепи (точки 3 и 5 на рис. 12).
Рис. 11. Схема цепи
Для определения напряжения
выберем замкнутый контур 1-5-3-1 и составим уравнение II закона Кирхгофа для участка цепи
Все расчеты были выполнены в среде Matchcad (см. Приложение, 6).
-
Построение потенциальной диаграммы
Рассмотрим построение потенциальной диаграммы по внешнему контуру заданной цепи 1-a-4-b-2-1 (рис.10).
Рис. 10. Схема для построения потенциальной диаграммы
Расчеты для построения потенциальной диаграммы:
Потенциальная диаграмма приведена на рис. 11
Рис. 11. Потенциальная диаграмма
Все расчеты и построение графика были выполнены в среде Matchcad (см. Приложение, 6).
-
Вывод
Метод непосредственного использования уравнений законов Кирхгофа является наиболее общим методом решения задач расчета цепей. Он удобен, когда количество неизвестных токов мало. В данной задаче неизвестных токов было 6 и пришлось составлять систему из 6 уравнений. Расчет такой системы без использования ЭВМ был бы весьма трудоемким.
Метод контурных токов используется, когда число независимых контуров меньше числа уравнений по I и II законам Кирхгофа (в данной задаче условие выполняется: 3 < 6). Благодаря данному методу удалось сократить порядок системы с 6 до 3, реальные токи через контурные находятся весьма легко.
Метод межузловых потенциалов состоит в нахождении потенциалов всех узлов схемы и затем по известным потенциалам токов во всех ветвях. В данной задаче, сведя пассивный треугольник к звезде, удалось сократить объем вычислений, использовав частный случай метода – метод двух узлов. Найдя напряжение между узлами, можно просто вычислить токи с помощью законов Кирхгофа. Порядок системы уравнений тоже сократился с 6 до 3.
Метод эквивалентного генератора удобно всего использовать в том случае, когда необходимо найти всего один ток.
Токи, найденные с помощью всех выше перечисленных методов, совпали. Их значения равны:
Приложение
Характеристики
Тип файла документ
Документы такого типа открываются такими программами, как Microsoft Office Word на компьютерах Windows, Apple Pages на компьютерах Mac, Open Office - бесплатная альтернатива на различных платформах, в том числе Linux. Наиболее простым и современным решением будут Google документы, так как открываются онлайн без скачивания прямо в браузере на любой платформе. Существуют российские качественные аналоги, например от Яндекса.
Будьте внимательны на мобильных устройствах, так как там используются упрощённый функционал даже в официальном приложении от Microsoft, поэтому для просмотра скачивайте PDF-версию. А если нужно редактировать файл, то используйте оригинальный файл.
Файлы такого типа обычно разбиты на страницы, а текст может быть форматированным (жирный, курсив, выбор шрифта, таблицы и т.п.), а также в него можно добавлять изображения. Формат идеально подходит для рефератов, докладов и РПЗ курсовых проектов, которые необходимо распечатать. Кстати перед печатью также сохраняйте файл в PDF, так как принтер может начудить со шрифтами.














