Курсач - пример (814882)
Текст из файла
МОСКОВСКИЙ ГОСУДАРСТВЕННЫЙ ТЕХНИЧЕСКИЙ УНИВЕРСИТЕТ
имени Н.Э. БАУМАНА
Б.В. СТРЕЛКОВ, Ю.Г. ШЕРСТНЯКОВ
АНАЛИЗ УСТАНОВИВШИХСЯ И ПЕРЕХОДНЫХ РЕЖИМОВ
В ЛИНЕЙНЫХ ЭЛЕКТРИЧЕСКИХ ЦЕПЯХ
Рекомендовано редсоветом МГТУ им. Н.Э. Баумана
в качестве учебного пособия
Под редакцией С.И. Масленниковой
Москва
Издательство МГТУ им. Н.Э. Баумана
2005
ВВЕДЕНИЕ
Цель курсовой работы — закрепить теоретический материал, научить студентов приемам и методам познавательной деятельности, умению обобщать и вырабатывать навыки творческого мышления и самостоятельной работы.
Для расчета цепей, построения графиков и оформления отчета целесообразно применять персональные ЭВМ (ПЭВМ). При этом можно пользоваться готовыми программами систем инженерных и научных расчетов типа MATLAB, MATHCAD, MICROCAP и другими или самостоятельно написанными, что способствует закреплению навыков работы с вычислительной техникой. Умение правильно использовать компьютер становится важным показателем работы специалиста. Отсутствие у студента доступа к ЭВМ не является причиной невыполнения курсовой работы или отдельных ее пунктов.
ОПИСАНИЕ СХЕМЫ
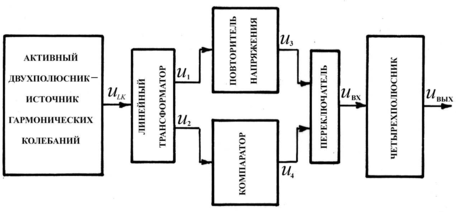
Предметом курсовой работы является исследование электрической цепи, структурная и функциональная схемы которой
показаны на рис. 1 и 2 соответственно. Схемы активного двухполюсника — источника гармонических колебаний (ИГК), четырехполюсника и параметры их элементов выдаются преподавателем по вариантам в виде раздаточного материала.
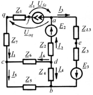
Схема источника гармонических колебаний состоит из источников ЭДС и тока одинаковой частоты и пассивных элементов разного характера, соединенных определенным образом (см. рис. 2).
Рис. 1
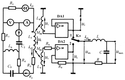
Рис. 2
Роль первичной обмотки линейного трансформатора (ТР) выполняет одна из индуктивностей Ln, входящих в состав источника. При этом последовательно с индуктивностью не должен быть включен источник тока, и ток в этой ветви не равен нулю, например L3 на рис. 2. Если в схеме нет такой индуктивности, то ее нужно создать, включив в любую ветвь без источника тока индуктивность 100 мГн и емкость 10 мкФ. Установившийся режим в схеме источника от этого не нарушится. Линейный (воздушный) трансформатор имеет две вторичные обмотки L8 и L9.
Напряжение u1 вторичной обмотки L8 ТР подается на вход повторителя, собранного на операционном усилителе (ОУ) DA1. Ориентировочные параметры такого усилителя следующие: Rвх
0,5 мОм, Rвых
100 Ом, m0
5×104, fв=20 мГц , где m0 — коэффициент усиления по напряжению, а fв — верхняя рабочая частота. Часто такой ОУ используется не для получения усилительного эффекта, а для предания электрическим цепям особых свойств, получить которые без него сложно или невозможно. Для работы ОУ к нему необходимо подвести постоянное питающее напряжение U =
10...15 В. Цепи питания на схемах обычно не изображают.
В большинстве практических расчетов характеристики ОУ идеализируют. При этом считают, что входная проводимость и выходное сопротивление равны нулю, а коэффициент усиления имеет бесконечно большое значение. Выходное напряжение повторителя u3 = u1, мощность входного сигнала равна нулю, а мощность выходного может принимать любое значение в зависимости от нагрузки — это не противоречит закону сохранения энергии, так как она обеспечивается источником питающего напряжения ОУ.
Напряжение u2 со вторичной обмотки L9 ТР подается на инвертирующий вход компаратора — порогового элемента, преобразующего гармоническое (синусоидальное) колебание в разнополярные импульсы прямоугольной формы: U4 = 10 В при u2 £ 0, U4 = –10 В при u2 > 0. Компаратор собран на ОУ DA2 с разомкнутой отрицательной обратной связью (ООС). В цепи без ООС коэффициент усиления ОУ оказывается чрезвычайно большим и синусоидальный сигнал преобразуется в прямоугольный. Следует обратить внимание, что напряжения u1 и u2 находятся в противофазе, а напряжению u3 ³ 0 соответствует U4 = 10 В.
Токи во вторичных обмотках трансформатора ТР для идеальных ОУ (Rвх
) равны нулю, поэтому нагрузка трансформатора никакого влияния на активный двухполюсник не оказывает.
Переключатель Кл позволяет подключить заданную схему четырехполюсника либо к выходу повторителя, либо к выходу компаратора. Переключение из одного положения в другое происходит мгновенно. В исходном (начальном) состоянии переключатель Кл находится в положении 1 (см. рис. 2). Изменение положения переключателя вызывает в схеме четырехполюсника изменение режима работы и возникновение переходного процесса.
ПРИМЕРЫ РАСЧЕТА
В учебном пособии не ставится задача проведения расчета какого-либо варианта курсовой работы. Рассматриваются отдельные фрагменты выполнения работы на примерах, позволяющих составить общее представление о характере и объеме необходимых расчетов.
Расчет источника гармонических колебаний
Пример 1. Рассчитать источник гармонических колебаний (см. п. 1.1) по схеме рис. 2, если заданы следующие исходные данные: iJ1 =
sin(103 t + 270°) A, e2 = 600 sin(103 t + 225°) B, E3 = 500 + j500 B, R1 = 30 Ом, C2 = 20/3 мкФ, R3 = 150 Ом, L3 = 100 мГн, R4 = 100 Ом, C5 = 10 мкФ, L6 = 100 мГн, R7 = 20 Ом.
Решение. Предварительная подготовка схемы к расчету заключается в выборе положительных направлений токов в ветвях и их обозначении. Кроме того, необходимо обозначить все узлы схемы буквенными или цифровыми индексами. Для перехода к комплексной схеме замещения (рис. 3) все независимые источники нужно представить в комплексной форме (в виде комплексных амплитуд или комплексных действующих значений) и рассчитать комплексные сопротивления всех ветвей схемы. Так, комплексные действующие значения источников будут равны:
iJ1
J1 = 4exp( j270°) = – j4, e2
E2 =
exp ( j225°) = –300
– j300, а комплексные сопротивления при = 103 c –1: Z1 = R1 = 30, Z2 = –jXC2 = –j/(C2) = –j150, Z3 = R3 + jXL3 = R3 + jL3 = 150 + j100, Z4 = R4 = 100, Z5 = –jXC5 = –j/(wC5) = –j100, Z6 = jXL6 = jL6 = j100, Z7 = R7 = 20, где
— символ соответствия между оригиналом и изображением функции.
Рис. 3 Рис. 4
Для упрощения расчета схемы применим эквивалентное структурное преобразование пассивного треугольника Z4–Z5–Z6 в звезду, обозначая ее сопротивления, например, следующим образом: Z45 = Z4Z5/(Z4 + Z5 + Z6) = 100(–j100)/(100 – j100 + j100) = –j100, Z46 = Z4Z6 /(Z4 + Z5 + Z6) = 100 j100/100 = j100, Z56 = Z5Z6/(Z4 + Z5 + Z6) =100.
Эквивалентная схема после преобразования имеет два элементарных контура и два узла (рис. 4). Также в схеме существует ветвь с идеальным источником тока. Для определения токов воспользуемся методом контурных токов (МКТ). Число независимых уравнений, составленных по МКТ, равно числу независимых контуров. Через ветвь с источником тока должен протекать лишь один и только один контурный ток, равный с учетом выбранного направления току источника тока. Поэтому число независимых уравнений равно 1. Это уравнение должно быть составлено относительно неизвестного контурного тока I11. В канонической форме при выбранных I11 и I22 = J1= –j4 (см. рис. 4) оно имеет вид I11Z11 + I22Z12 = E11, где собственное сопротивление первого контура Z11 = Z2 + Z3+ Z45 + Z46 = –j150 + 150 + j100 – j100 + j100 = 150 – j50, а общее сопротивление ветви, принадлежащей первому и второму контурам, Z12 = +(Z2 + Z46) = –j150 + j100 = –j50. Знак «плюс» сопротивления Z12 обусловлен одинаковым направлением контурных токов I11 и I22 в смежной ветви Z2 – Z46 – E2. Контурная ЭДС E11 = E2 + E3 = –300 – j300 +500 + j500 = 200 +
+ j200. Из уравнения I11(150 – j50) + (–j4)(–j50) = 200 + j200 находим I11 = 2 + j2. Комплексное значение тока указанного направления в ветви схемы (см. рис. 4) равно алгебраической сумме комплексных значений контурных токов, протекающих по этой ветви: I3 = I11 = 2 + j2, I2 = I11 + I22 = (2 + j2) + (–j4) = 2 – j2. В обоих случаях контурные токи входят в уравнение со знаком «плюс», так как их направления совпадают с направлением искомого тока ветви.
Определяем токи I4, I5, и I6 в пассивном треугольнике по известным из расчета токам в эквивалентной звезде. При этом учитываем, что напряжения треугольника и эквивалентной звезды равны. Из схемы рис. 3 следует, что I4 = Udb /Z4, I5 = Ucb /Z5, I6 =
= Udc/Z6. Из схемы рис. 4: Udb = – I3Z45 – I2Z46 = – 400, Ucb = I1Z56 –
– I3Z45 = –200 – j200, Udc = – I1Z56 – I2Z46 = – 200 + j200. Следовательно, I4 = –400/100 = –4, I5 = (–200 – j200)/j100 = 2 – j2, I6 = (–200
+ j200)/j100 = 2 + j2.
Проверим выполнение первого закона Кирхгофа для узлов схемы рис. 3. Узел b: I4 + I3 + I5 = (– 4) + (2 + j2) + (2 – j2) = 0, узел с: – I5 + I6 + I1 = – (2 – j2) + (2 + j2) + (– j4) = 0, узел d: – I2 – I4 – I6 = – (2 – j2) – (–j4) – (2 + j2) = 0.
Амперметр, включенный в ветвь с E2 (см. рис. 2), измеряет действующее значение тока I2: I2 = |I2| =
=
= 2,82A.
Для определения показания вольтметра V, включенного между точками а и q схемы рис. 3, предварительно рассчитаем комплексное действующее значение напряжения, выбрав произвольно его направление, например Uaq. Из уравнения – I2Z2 + I6Z6 – I1Z7 – Uaq = –E2, составленного по второму закону Кирхгофа для контура a–d–c–q, находим: Uaq= –200 + j280. Вольтметр, измеряющий действующее значение напряжения Uaq, покажет Uaq =
=
= 344 В.
Определим напряжение на зажимах источника тока, выбрав его направление, например Ufa (см. рис. 3). Уравнение, составленное согласно второму закону Кирхгофа, может быть записано для любого контура, в который входит ветвь с источником тока. При обходе контура a–d–c–q–f по ходу часовой стрелки получим уравнение –I2Z2 + I6Z6 – I1(Z1 + Z7) + Ufa = –E2, откуда Ufa = 200 – j400. Баланс мощностей составляем для исходной схемы (см. рис. 3). Полная комплексная мощность источников должна быть равна полной комплексной мощности потребителей:
Характеристики
Тип файла документ
Документы такого типа открываются такими программами, как Microsoft Office Word на компьютерах Windows, Apple Pages на компьютерах Mac, Open Office - бесплатная альтернатива на различных платформах, в том числе Linux. Наиболее простым и современным решением будут Google документы, так как открываются онлайн без скачивания прямо в браузере на любой платформе. Существуют российские качественные аналоги, например от Яндекса.
Будьте внимательны на мобильных устройствах, так как там используются упрощённый функционал даже в официальном приложении от Microsoft, поэтому для просмотра скачивайте PDF-версию. А если нужно редактировать файл, то используйте оригинальный файл.
Файлы такого типа обычно разбиты на страницы, а текст может быть форматированным (жирный, курсив, выбор шрифта, таблицы и т.п.), а также в него можно добавлять изображения. Формат идеально подходит для рефератов, докладов и РПЗ курсовых проектов, которые необходимо распечатать. Кстати перед печатью также сохраняйте файл в PDF, так как принтер может начудить со шрифтами.
















