1.1.6 (810802)
Текст из файла
Лабораторная работа 1.1.6.
Изучение электронного осциллографа.
Цель работы: ознакомление с устройством и работой осциллографа и изучение его основных характеристик.
В работе используются: осциллографа, генераторы электрических сигналов, соединительные кабели.
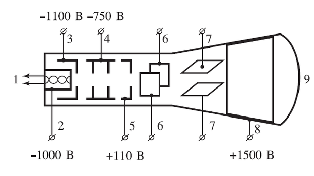
1.Устройство ЭЛТ осциллографа:
Где 1-подогреватель катода, 2- катод, 3-модулятор, 4- первый (фокусирующий) анод, 5- второй (ускоряющий ) анод, 6 и 7- горизонтально и вертикально отклоняющие пластины, 8- третий (ускоряющий) анод, 9- экран.
2.Теор. часть:
1)Чувствительность трубки к напряжению:
, где
-длинна пластин,
- расстояние от середины пластин до экрана,
- расстояние между пластинами,
- ускоряющее напряжение на втором аноде.
2)Подаваемое на вертикально отклоняющие пластины напряжение должно быть пропорционально самому сигналу:
.
-постоянное напряжение, определяющее расположение графика сигнала по оси Y,
- коэффициент входного сигнала каналом вертикального отклонения.
Подаваемое на горизонтально отклоняющие пластины напряжение должно линейно зависеть от времени :
.
-постоянное напряжение определяющее расположение графика сигнала по оси Х,
- коэффициент пропорциональности, зависящий от рабочих характеристик генератора развертки и усилителя.
3) Фигуры Лиссажу
Напряжение на горизонтально отклоняющие пластины
Напряжение на вертикально отклоняющие пластины
,
Тогда уравнение траектории движении луча:
=
3.Ход работы:
I.Наблюдение периодического сигнала от генератора звуковой частоты(ЗГ)
1.Выясним, как изменяется изображение сигнала на экране в разных режимах синхронизации. Подадим на вход Y сигнал с частотой 100 Гц, произвольной амплитуды. Вращая ручку УРОВЕНЬ добьемся того, чтобы синусоида стала неподвижной. Сместим синусоиду по горизонтали, чтобы на экране было видно ее начало.
2. Вращая ручку УРОВЕНЬ, проследим за изменением осциллограммы. Проведя аналогичные измерения при разных режимах развертки , установим влияние положения органов управления системы синхронизации на вид осциллограммы.
3.Получим устойчивое изображение при трех произвольных органов управления ЗГ.
II.Измерение амплитуды синусоидального сигнала. Определение соответствия ступенчатого аттенюатора ЗГ и переключателя масштаба по оси Y на передней панели осциллографа.
1. Установим переключатель V/ДЕЛ в положение 5;частоту ЗГ – 1000Гц; аттенюатор – 0;
Размах изображения 2А=4 деления. Получится устойчивое изображение синусоиды.
2. Проведем измерение при всех положениях аттенюатора, установив переключателем V/ДЕЛ удобный размер изображения по оси Y.
Параметр
определяется выражением
=-20lg(2A/20)
|
| В/ДЕЛ | 2А, ДЕЛ | 2А,В |
| | |
| 0 | 5 | 3,1 | 15,6 | 2,2 | 2,2 |
| 10 | 1 | 5,1 | 5,1 | 11,9 | 1,9 |
| 20 | 1 | 1,6 | 1,56 | 22,2 | 2,2 |
| 30 | 0,1 | 5 | 0,5 | 32,0 | 2,0 |
| 40 | 0,1 | 1,5 | 0,15 | 42,5 | 2,5 |
| 50 | 0,01 | 5 | 0,05 | 52,0 | 2,0 |
| 60 | 0,01 | 1,7 | 0,017 | 61,4 | 1,4 |
3.Построим график зависимости
от
:
III. Измерение частоты синусоидального сигнала.
Установим размах 6 делений а частоту ЗГ
будем изменять. Получим устойчивое изображение. Выберем удобный масштаб по горизонтали. Измерим период сигнала, рассчитаем частоту .
|
|
| Т, ДЕЛ | Т, с |
| | |
|
|
|
| 5,2 | 5,2 |
| 0,8 | 0,041 |
|
|
| 5,1 | 5,1 |
| 0,4 | 0,020 |
|
|
| 4,9 | 4,9 |
| 0,4 | 0,019 |
|
|
| 5,1 | 5,1 |
| 0,4 | 0,020 |
|
|
| 5,2 | 5,2 |
| 0,8 | 0,041 |
IV. Получение амплитудно-частотных характеристик(АЧХ) усилителей каналов X и Y.
1.Подадим сигнал с ЗГ на вход Y. Переключатель V/ДЕЛ установим в положение 1. Установим размах изображения 6 делений на частоте ЗГ
=
Гц. Получим устойчивое изображение. Измерим размах сигнала 2
во всем рабочем диапазоне ЗГ при открытом и закрытом входе и рассчитаем значения параметров К по формуле К(
)=
2. Выключим внутреннюю развертку по оси Х. Подадим сигнал с ЗГ на вход Х, установим размах 6 делений на частоте ЗГ
=
Гц. Проведем измерения размаха сигнала 2
и рассчитаем
Гц
10
3
2
дел
6
6
6
6
6
5,8
5,7
5,4
5,3
,
1
1
1
1
1
0,97
0,95
0,93
0,88
2
дел
6
6
6
6
6
5,8
5,7
5,4
5,3
,
1
1
1
1
1
0,97
0,95
0,95
0,88
2
дел
6
6
6
6
6
5,4
5,0
4,6
4,3
1
1
1
1
1
0,9
0,83
0,77
0,72
Гц
1,5
2
3
4
2
дел
5,1
4,8
4,6
4,5
4,0
3,1
2,6
2,3
2,0
,
0,85
0,80
0,77
0,75
0,67
0,52
0,43
0,39
0,33
2
дел
5,1
4,8
4,6
4,5
4,0
3,1
2,6
2,3
2,0
,
0,85
0,80
0,77
0,75
0,67
0,52
0,43
0,39
0,33
2
дел
3,9
3,6
3,3
3,0
2,6
1,8
1,5
1,2
1,0
0,65
0,60
0,55
0,50
0,43
0,30
0,25
0,20
0,17
Гц
2
дел
1,9
1,8
1,0
0,6
,
0,32
0,30
0,17
0,10
2
дел
1,9
1,8
1,0
0,6
,
0,32
0,30
0,17
0,10
2
дел
0,8
0,6
-
-
0,13
0,10
-
-
=
=0,03
Найдем значения частоты, при которых коэффициенты
составляют примерно 0,7 от своих максимумов. Эти значения будут границами пропускания усилителя:
Граница пропускания:
=1,5
Гц
3.Построим графики
в единых координатах по частоте f.
1) АЧХ открытого У канала:
2) АЧХ открытого У канала:
3) АЧХ Х канала:
4.Включим внутреннюю развертку осциллографа. Рассмотрим качественно влияние АЧХ канала Yна искажения импульсного сигнала. Размах сигнала – 4 деления. Пронаблюдаем сигнал при открытом и закрытом входе на частотах 10 Гц, 1000Гц, 2
Гц,
Гц и зарисуем полученные осциллограммы.
IV. Измерение разности фазовых сдвигов сигналов на выходах усилителей каналов Х и Y при одновременной подаче на их входы одного и того же сигнала
1.Выключим внутреннюю развертку, подадим сигнал частотой
Гц одновременно на выходы X иY. Установим размах по Х – 6 делений, по Y- 0,5 В/ДЕЛ. На экране появится прямая(вырожденный эллипс). При изменении частоты, прямая перейдет в эллипс.
2. Измерим по изображению А и В во всем диапазоне частот , найдем по ним разность фаз по формуле
|
| 10 | 50 |
|
|
|
|
|
|
| А, дел | 3,0 | 3,0 | 3,0 | 3,0 | 3,0 | 2,6 | 2,3 | 0,8 |
| В, дел | 2,4 | 1,0 | 0,5 | 0,0 | 0,0 | 0,2 | 0,5 | 0,6 |
|
| 0,93 | 0,34 | 0,17 | 0,0 | 0,0 | -0,08 | -0,22 | -0,69 |
=0,07
3.Построим график в логарифмическом масштабе
IV. Наблюдение фигур Лиссажу при сложении колебаний во взаимно перпендикулярных направлениях.
Выключим внутреннюю развертку осциллографа. Подадим на вход Х и Y от двух разных генераторов. Амплитуды колебаний и положение ручки V/ДЕЛ выберем такими, чтобы фигура заняла большую часть экрана. Установим частоту
1кГц. Получим 4 осциллограммы для отношения
/
1:1, 2:1, 3:1, 3:2. Зарисуем полученные осциллограммы.
6
Характеристики
Тип файла документ
Документы такого типа открываются такими программами, как Microsoft Office Word на компьютерах Windows, Apple Pages на компьютерах Mac, Open Office - бесплатная альтернатива на различных платформах, в том числе Linux. Наиболее простым и современным решением будут Google документы, так как открываются онлайн без скачивания прямо в браузере на любой платформе. Существуют российские качественные аналоги, например от Яндекса.
Будьте внимательны на мобильных устройствах, так как там используются упрощённый функционал даже в официальном приложении от Microsoft, поэтому для просмотра скачивайте PDF-версию. А если нужно редактировать файл, то используйте оригинальный файл.
Файлы такого типа обычно разбиты на страницы, а текст может быть форматированным (жирный, курсив, выбор шрифта, таблицы и т.п.), а также в него можно добавлять изображения. Формат идеально подходит для рефератов, докладов и РПЗ курсовых проектов, которые необходимо распечатать. Кстати перед печатью также сохраняйте файл в PDF, так как принтер может начудить со шрифтами.
,Гц
|, Гц
















