РПЗ (804553)
Текст из файла
АННОТАЦИЯ
В рамках курсовой работы были разработаны электрическая структурная, функциональная и принципиальная схемы контроллера управления сервомотором. Спроектирована топология печатной платы устройства с проведением конструкторских расчетов, подтверждающих его работоспособность (расчет теплового режима, расчет на механические воздействия, расчет надежности). Разработан корпус устройства и вся необходимая конструкторская документация, описанная в ТЗ.
Ключевые слова : микроконтроллер, стабилизатор напряжения, контроллер, сервомотор.
АНОТАЦІЯ
В рамках курсової роботи були розроблені електрична структурна, функціональна і принципова схеми контролера управління сервомотором. Спроектована топологія друкованої плати пристрої з проведенням конструкторських розрахунків, що підтверджують його працездатність (розрахунок теплового режиму, розрахунок на механічні дії, розрахунок надійності). Розроблено корпус пристрою і вся необхідна конструкторська
документація, описана в ТЗ.
Ключові слова: мікроконтролер, стабілізатор напруги, контролер, сервомотор.
| СПИСОК УСЛОВНЫХ ОБОЗНАЧЕНИЙ, СОКРАЩЕНИЙ И ТЕРМИНОВ | 4 |
| ВВЕДЕНИЕ | 5 |
| 1. РАЗРАБОТКА СТРУКТУРНОЙ СХЕМЫ УСТРОЙСТВА | 6 |
| 2. РАЗРАБОТКА ПРИНЦИПИАЛЬНОЙ СХЕМЫ УСТРОЙСТВА | 7 |
| 3. ОПРЕДЕЛЕНИЕ КОЭФФИЦИЕНТОВ ЭЛЕКТРИЧЕСКОЙ НАГРУЗКИ | 9 |
| 4. ТЕПЛОВОЙ РАСЧЕТ БЛОКА | 10 |
| 5. РАСЧЕТ НА МЕХАНИЧЕСКИЕ ВОЗДЕЙСТВИЯ ЭА | 25 |
| 6. РАСЧЕТ НАДЕЖНОСТИ БЛОКОВ ЭА | 29 |
| СПИСОК ИСПОЛЬЗОВАННЫХ ИСТОЧНИКОВ | 31 |
СПИСОК УСЛОВНЫХ ОБОЗНАЧЕНИЙ, СОКРАЩЕНИЙ И ТЕРМИНОВ
ЕСКД — единая система конструкторской документации
ШИМ — широтно-импульсная модуляция
АЦП — аналого-цифровой преобразователь
ОУ — операционный усилитель
LCD – жидкокристаллический дисплей (англ. Liquid Crystal Display)
ВВЕДЕНИЕ
Целью работы является разработка системы управления сервомотором. Управление периферией производится с помощью микроконтроллера Atmega328P-PU с тактовой частотой 16 МГц. По умолчанию движок сервомотора TowerPro SG90 9G (Mini) или любого другого, аналогичного этому, находится в нулевом положении, перпендикулярно оси корпуса. Для изменения угла поворота движка используется переменный резистор, вращение которого обеспечивает его поворот в соответствующую сторону (вправо на 60° или влево на -60°). Для индикации текущего угла поворота движка сервомотора используется знакосинтезирующий жидкокристаллический дисплей. Значения угла представлены в графическом виде на барграфе.
В рамках работы решаются следующие задачи:
-
анализ элементной базы устройства;
-
разработка структурной и принципиальной схем устройства;
-
разработка топологии печатной платы устройства;
-
проведение конструкторских расчетов;
-
выпуск конструкторской документации по требованиям ЕСКД.
1. РАЗРАБОТКА СТРУКТУРНОЙ СХЕМЫ УСТРОЙСТВА
Структурная схема была разработана в среде Splan 7.0 по ГОСТ 2.702-201 и представлена на рис. 1.
Рисунок 1: Структурная схема устройства
Устройство содержит в себе несколько ключевых структурных частей: узел самоблокировки питания, совместно с кнопкой питания, отвечает за включение и выключение устройства при кратковременном нажатии кнопки включения; стабилизатор напряжения задает основное питающее напряжение 5В для всей платы и сервомотора; кнопка сброса отвечает за перезапуск устройства в случае возникновения ошибки или при желании пользователя; органы управления отвечают за изменение направления головки сервомотора; микроконтроллер отвечает за все цифровые операции и вычисления, а также задает сигнал ШИМ для управления сервомотором; источник опорного напряжения задает точное постоянное напряжение для АЦП микроконтроллера; датчик тока совместно с транзисторным ключом служит для оперативного отслеживания проходящего по цепи питания тока и отключения нагрузки в случае перегрузки; жидкокристаллический дисплей выводит информацию о текущем положении головки сервомотора на барграфе, проходящем по цепи питания току, а также упрощенную иконку с информацией о напряжении источника питания, в случае использования устройства совместно с аккумуляторной батареей.
2. РАЗРАБОТКА ПРИНЦИПИАЛЬНОЙ СХЕМЫ УСТРОЙСТВА
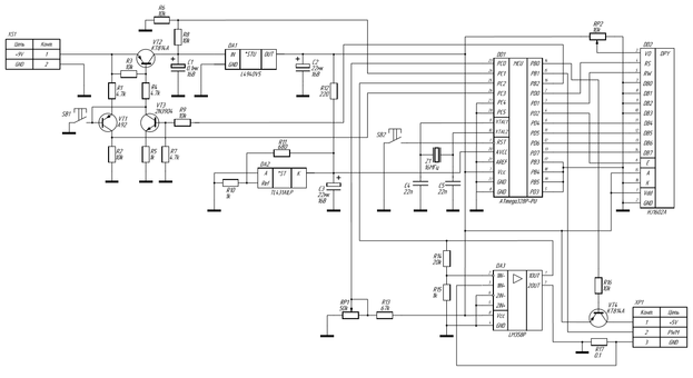
Принципиальная схема устройства была разработана в в среде Splan 7.0 по ГОСТ 2.113-75 и представлена на рис. 2.
Рисунок 2: Принципиальная схема устройства
XS1 – вход с источника постоянного напряжения 9В. Резисторы R1-R5, R7, R9, транзисторы VT1-VT3 и кнопка SB1 относятся к узлу самоблокировки питания. Делитель на резисторах R6, R8 служит для замера микроконтроллером напряжения на источнике электропитания. Микросхема DA1 с электролитическими конденсаторами C1-C2 является узлом преобразователя напряжения. Микросхема DA2 и относящиеся к ней резисторы R10-R12 и электролитический конденсатор C3 составляют узел источника опорного напряжения АЦП микроконтроллера. Кнопка SB2 – кнопка сброса. Кварцевый резонатор Z1 и конденсаторы C4-C5 осуществляют функцию тактирования микроконтроллера. Подстроечный резистор RP1 совместно с резистором R13 образуем модуль органов управления. Микросхема DA3 — операционный усилитель. Она замеряет падение напряжение на обеих выводах резистора R17 и полученные данные передает на микроконтроллер для дальнейших вычислений. Для задания необходимого коэффициента усиления ОУ используются резисторы R14-R15. VT4 с R16 – транзисторный ключ, отсоединяющий нагрузку по команде микроконтроллера. XP1 – выход на сервомотор. DD2 – жидкокристаллический дисплей. Яркость встроенного в LCD светодиода подстраивается переменным резистором RP2. DD1 – микроконтроллер, как основной вычислительный модуль.
3. ОПРЕДЕЛЕНИЕ КОЭФФИЦИЕНТОВ ЭЛЕКТРИЧЕСКОЙ НАГРУЗКИ
Единственными элементами, установленными в цепи питания являются транзистор VT2, стабилизатор напряжения DA1 и резистор R17. Максимально допустимый ток, установленный по ТЗ, равен 1А.
Согласно даташиту на транзистор КТ814А, максимальное падение напряжение в открытой цепи эмиттер-коллектор равно 0.2В. Рассчитаем, какое количество энергии при этом выделится:
Транзистор при этом способен выдержать до 1 Вт постоянной рассеиваемой мощность без теплоотвода, что полностью устраивает.
— нагрузка на 20%.
Падение напряжения на DA1 должно быть около 4В — с 9В источника питания до 5В выходных. При токе в 1А это даст тепла:
Тепловой расчет для DA1 будет представлен ниже.
Резистор R17 имеет номинальное значение сопротивления 0.1Ом. При токе в 1А это даст падение напряжения в 0.1В, также как и рассеиваемая мощность будет равна 0.1Вт. При этом максимальная рассеиваемая мощность согласно даташиту равна 5Вт.
4. ТЕПЛОВОЙ РАСЧЕТ БЛОКА
Программа предназначена для расчета теплового режима блоков в условиях естественного охлаждения ЭА. Для проведения расчета должна быть составлена тепловая модель блока, внутри которой выделяется область, называемая нагретой зоной.
Рисунок 3: Компоновка корпуса
Lбл – длина блока
Bбл – ширина блока
Hбл – высота блока
Этапы расчета перегрева и температуры:
1. Корпуса блока tк.бл.
2. Нагретой зоны tн.з.
3. Критического к перегреву компонента
Данные, необходимые для расчета:
Таблица 1
Таблица 2
Этап 1. Расчет перегрева и температуры корпуса блока
-
Определяем площадь поверхностей блока.
Для верхней и нижней поверхности:
Для боковой поверхности:
Площадь блока:
-
Определим перепад температур между корпусом и окружающей средой.
Мощность, рассеиваемая блоком в виде тепла: P0 = 4 (Вт)
Удельная поверхностная мощность:
Рисунок 4: Зависимость перегрева корпуса от удельной поверхностной мощности
По графику и с учетом предыдущих расчетов видно, что температура перегрева корпуса в первом приближении Δtк-о.с.= 14
).
-
Определяем температуру корпуса блока.
tк.бл.= tо.с. + Δtк-о.с.= 45 + 14 = 59 (̊C).
tо.с. – температура окружающей среды в рабочем режиме = 45
).
-
Находим среднюю температуру между корпусом и окружающей средой.
-
Определяем закон теплообмена.
– определяющий размер поверхности (м).
= min (Lбл, Bбл) = 0.021 (м)
= Hбл = 0.0975 (м)
Следовательно, условие выполняется, теплообмен проходит по закону 1/4, что характерно для блоков ЭА.
-
Рассчитаем коэффициенты конвективного теплообмена для каждой поверхности блока.
Где
– коэффициент, учитывающий положение поверхностей корпуса блока; А2 – коэффициент, зависящий от
:
Таблица 3
Для воздуха А2 = 1.392
Низ:
Бок:
Верх:
-
Определяем коэффициент лучистого теплообмена для каждой поверхности блока.
Где
коэффициент черноты корпуса блока.
Так как весь корпус блока выполнен из окисленной стали с коэффициентом черноты
, то коэффициент лучистого теплообмена будет одинаковым.
Характеристики
Тип файла документ
Документы такого типа открываются такими программами, как Microsoft Office Word на компьютерах Windows, Apple Pages на компьютерах Mac, Open Office - бесплатная альтернатива на различных платформах, в том числе Linux. Наиболее простым и современным решением будут Google документы, так как открываются онлайн без скачивания прямо в браузере на любой платформе. Существуют российские качественные аналоги, например от Яндекса.
Будьте внимательны на мобильных устройствах, так как там используются упрощённый функционал даже в официальном приложении от Microsoft, поэтому для просмотра скачивайте PDF-версию. А если нужно редактировать файл, то используйте оригинальный файл.
Файлы такого типа обычно разбиты на страницы, а текст может быть форматированным (жирный, курсив, выбор шрифта, таблицы и т.п.), а также в него можно добавлять изображения. Формат идеально подходит для рефератов, докладов и РПЗ курсовых проектов, которые необходимо распечатать. Кстати перед печатью также сохраняйте файл в PDF, так как принтер может начудить со шрифтами.















