Лекции ПЭВМ и ПУ (780327), страница 4
Текст из файла (страница 4)
ЗЭ – динамического типа (справа на рисунке).
В данной схеме элементом хранения информации является Т3 имеющий ёмкость затвора «С». Наличие или отсутствие заряда в этой ёмкости является признаком хранения «0» или «1». Ёмкость «Су» в схеме является паразитной ёмкостью шины Д и в режиме считывания может служить источником питания. Режим считывания информации:
При считывании в шину W/R поступает сигнал открывающий тр-р Т2, однако его величина этого потенциала не достаточна для открытия Т1. На тр-р Т4 подаётся потенциал, который заряжает ёмкость «Су». Если схема хранит «1», то ёмкость «С» заряжена и открыт Т3, в этом случае заряженная ёмкость «Су» разряжается через тр-ры Т2 и Т3 и шина Д имеет нулевой потенциал. Со схемы считывается инверсная информация. Запись информации: при записи информации ёмкость «Су» заряжается при записи «1» и остаётся разряженной при записи «0». На линию W/R подаётся потенциал открывающий Т1 и ёмкость «С» заряжается до потенциала ёмкости «Су».
Массив хранения информации может быть реализован нес-ми структурами: 2Д, 3Д, 2.5Д. (Д - размерность).
Структура 2Д.
О
тличается тем, что для выборки одного слова используется одна адресная шина. ЗЭ, хранящие все разряды одного слова подключены к одной адресной линии. ЗЭ хранит один бит информации. Запоминающая ячейка (ЗЯ) предназначена для хранения одного числа и состоит из ЗЭ, кол-во которых равно разрядности хранимого слова. Разрядные линии предназначены для зп/сч информации.
На выходе возбуждается адресная линия, в этом случае активизируются все ЗЭ относящиеся к данной адресной линии, происходит зп/сч информации. Другим ЗЭ информация не воспринимается. Плюсы: простота организации, минусы: зависимость длины адресных линий от разрядности чисел, т.е. чем больше разрядность числа, тем длиннее адресные линии.
ПЗУ.
Допустим мы хотим записать по 1-ому – (101), по 2-ому – (110). Данные резисторы закладываются либо на заводе, либо изменяется при программировании.
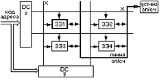
Структура 3Д. (трёх мерный массив хранения информации)
П
редназначен для хранения чисел большой разрядности, состоит из определённого числа матриц ЗЭ. Если массив хранения имеет параметры С = MN; С – может быть в битах. М – кол-во чисел, которое можно записать в данное ОЗУ; N – разрядность чисел (бит, байт), то в каждой разрядной матрице содержится М ЗЭ, а число разрядных матриц равно N. Каждая разрядная матрица состоит из ЗЭ хранящих определённый разряд всех слов.
Структура запоминающей матрицы (ЗМ).
ЗМ имеет две группы адресных линий предназначенных для выборки ЗЭ, это вертикальные адресные линии и горизонтальные адресные линии. При подаче кода адреса на матрице выбирается один ЗЭ находящийся на пересечении выбранных адресных линий. Пример: из 4 слов имеет 5 разрядов С=4сл*5р. При подачи кода адреса на каждой матрице выбирается нужный ЗЭ, относящийся к нужному слогу. Все матрицы к одному дешифратору. 3Д структуру используют для хранения чисел больших разрядностей.
При тестировании ОП производятся следующие тесты:
Program Buffers - Буфер программ
Base Memory - Базовая память
Extended Memory - Расширенная память
Expanded Memory - Дополнительная память
High Addr Lines - Ряд верхних адресов
Примеры диагностических кодов
Запись бита 0. Сначала во всё блоки памяти записывается "0", затем во все блоки памяти записываются "1", и после этого просматривается память на предмет наличия "0".
Запись бита 1. Сначала во все блоки памяти записывается "1", затем во все блоки памяти записываются "0", и после этого просматривается память на предмет наличия "1".
Бегущая 1. Записываются "0" во все разряды области памяти, затем записывается (или "бежит") "1" по всем битам области. Потом, каждый байт, в который записаны "1" проверяется на содержание «1».
Бегущий 0. Записываются «0» во все разряды области, затем записывается (или "бежит"), "0" по всем битам области. Потом, каждый байт, в который записаны "0" проверяется на содержание "0".
Шахматная доска. Записывается код 01010101 в четные байты и код 10101010 - в нечетные байты блока памяти. Затем байты считываются и проверяется, все ли шаблоны правильны.
Инвертированная шахматная доска. Записывается код 10101010 в четные байты и код 01010101 - в нечетные байты блока памяти. Затем байты считываются и проверяется, что все шаблоны правильны.
НГМД. Физическая и логическая организация ГМД. Основные характеристики НГМД. Аппаратное тестирование НГМД. Характеристики тестирования
Накопители на гибких МД – НГМД. Носителем информации является диск, состоящий из эластичной подложки и тонкого магнитного покрытия. Метод Зп/Сч – контактный. Головка Зп/Сч находится на поверхности диска и отслеживает его колебания (неровности). Обеспечивает max сигнал считывания, т.к.
, где m – расстояние от МГ до поверхности диска.
Преимущества: высокий уровень сигнала считывания; низкая стоимость диска.
Недостатки: низкая частота вращения диска; абразивный износ поверхности диска и Мг.
Г
ибкий диск имеет физическую организацию и логическую структуру.
Физическая организация.
Запись информации производится по дорожкам, которые являются концентрическими окружностями, относительно центра диска. Диск имеет 1 или 2 рабочие поверхности. Дорожки, имеющие одинаковый номер на поверхностях образуют цилиндр. На поверхности дорожки разделены на сектора. По умолчанию ёмкость сектора составляет 512 байт.
Физическими параметрами являются:
1 Д – внешний диаметр. 2 – кол-во рабочих поверхностей. 3 – кол-во дорожек.4 – кол-во секторов.
5 – продольная плотность записи информации. пр = [бит/мм] – кол-во бит, которые можно записать на определённой длине. 6 – поперечная плотность. Определяет плотность дорожек в радиальном направлении пр = дор/мм.
7 [об/мин] – скорость вращения диска. 8 Тдост – среднее время доступа к информации. 9 – скорость передачи данных [бит/с].
Важным параметром диска является ширина его рабочей поверхности. Запись производится на определённом участке от Д/4 до Д/2.
Двух сторонний диск DSHD. Кол-во дорожек - 80; кол-во секторов - 18; диаметр - 89 мм или 3,5.
Логическая структура диска.
Минимально адресуемой ячейкой на диске является кластер. Кластер может состоять из 2-х секторов. На дискете заносятся 4 области: загрузочный сектор; таблица размещения файлов; каталог; область данных. Эти области выделяются при форматировании, поэтому говорят о полной и форматированной области диска.
Загрузочный сектор содержит информацию о программе ОС, обслуживающий диск (накопитель). Таблица размещения файлов (FAT) содержит адреса файлов. На дискете FAT имеет 2 копии. В FAT указывается информация о кластере. Кластер может быть свободен, занят, повреждён или содержать информацию “последний кластер файла”. В каталоге – записывается полная информация о файле: имя файла, расширение (тип) файла, время создания (дата) файла, номер начального кластера файла и длину файла. Понимают форматированную (ёмкость только области данных) и не форматируемую (полная ёмкость поверхности диска) ёмкость диска. Сектор так же имеет область данных и служебную область. Полная ёмкость сектора – 574 байта.
| Идентификатор | Зазор | Область данных | Поле контроля | ||
| Маркер | Идентификатор | Зазор (маркер) | Область данных 512 байт | ||
М
аркер извещает о том, что идёт данная область. Полная информация о секторе содержится в его идентификаторе. Там записывается номер дорожки, сторона дискеты или номер головки и номер сектора. Далее идёт область данных – 512 байт, далее поле контроля – 2 байт. Используется метод: циклического контроля; контрольных сумм. Т.е. информация, записанная и считанная каждый раз контролируется.
Тесты: вставка диска, случайное чтение, случайная запись.
НЖМД. Физическая и логическая организация ЖМД. Основные характеристики ЖМД. Отличие от ГМД. Тестирование НЖМД. Характеристики тестирования.
Накопители на ЖМД (жёсткий магнитный диск (винчестер)).
Представляют собой пакет несменных МД, помещённых в герметично закрытое пространство, сообщение с атмосферой через специальный фильтр, сборка осуществляется в гермозонах с чистым воздухом. Способ Зп/Сч – бесконтактный. Скорость вращения шпинделя до 15 тыс. об/мин. Диаметр – 134 мм. Представляет из себя тонкую немагнитную подложку (алюминий, стекло), на которую нанесено ферромагнитное покрытие. Зазор между поверхностями диска и головки приблизительно 100 мкн. При поиске цилиндра позиционер с головкой совершает возвратно-поступательные движения. Ёмкость накопителя 50 Гбайт. Время доступа ≈ 30 милисек. Скорость передачи данных 40-50 Мб. В замкнутом корпусе размещены диски, блок МГ и плата управления частотой вращения, тракт записи/считывания, логика выполнения команд контроллера. Габаритные размеры характеризуются форм-фактором, т.е. в зависимости от диаметра бывают: полно- низкопрофильные; половинные размеры.
Логическая структура диска.
Лог-кая структура ЖМД совпадает с лог-кой организацией ГМД. Отличительной особенностью является наличие главной корневой записи. Она определяет разбиение первого физ-го диска на нес-ко лог-ких дисков. Для снижения времени доступа к накопителю, используются программы оптимизаторы, обеспечивающие последовательное расположение кластеров для записи файлов.
Тестируется физический, а не логический диск
Тесты: диагностика адаптера, линейное чтение, скачкообразное чтение, случайные выбор. При неисправностях выводятся номер дефектного цилиндра и считывающей головки.
При «линейном чтении» последовательно проверяется возможность считывания информации с головок жёсткого диска.
При «скачкообразном чтении» номер цилиндра выбирается следующим образом: сначала проверяется самый последний цилиндр, затем первый, потом предпоследний, затем второй, и так далее сходясь к центральному цилиндру.
При «случайном выборе» выбор цилиндров производится случайным образом.
Структура и тестирование системной платы ПЭВМ с помощью программы CHECKIT.
















