RPZ_4 (779658), страница 3
Текст из файла (страница 3)
Другим геометрическим эффектом, проиллюстрированным на рис. 11, является погрешность, связанная с увеличением размеров элемента в боковом направлении, которая вызвана расходимостью рентгеновского луча от точечного источника и существованием зазора конечной величины между шаблоном и пластиной. Изображение шаблона сдвигается в боковом направлении на величину h, определяемую из соотношения h = r (s/L), где r - расстояние, измеренное в радиальном направлении от центра пластины. Погрешность равна нулю в центре пластины и линейно возрастает к краям пластины. Эта погрешность ухода изображения может достигать величины 5 мкм на краю пластины диаметром 125 мм при величинах s = 40 мкм и L= 50 см. В принципе ошибка может быть скомпенсирована во время процесса изготовления шаблона. Однако отклонения величины зазора между шаблоном и пластиной вносят значительные погрешности ухода изображения. В связи с этим может возникнуть необходимость регулировки зазора перед каждым экспонированием. [5]
2.5.3 Рентгеновский резист
Одним из путей повышения чувствительности является увеличение коэффициента поглощения резистом рентгеновского излучения, который связан с поперечным сечением захвата рентгеновского излучения компонентами резиста. Поперечное сечение захвата рентгеновского излучения электронами в данной электронной оболочке атома изменяется с длиной волны излучения и резко увеличивается при определенных критических величинах длин волн ( рис. 12). Критические величины длин волн соответствуют энергиям рентгеновского излучения, достаточным для удаления электронов из электронных оболочек атомов К, L1 и т. п. Например, рентгеновское излучение с длиной волны немного более k не может захватываться электронами К-оболочек, следовательно, в этой точке происходит резкое падение поперечного сечения захвата. [9]
Рисунок 12 – Спектры поглощения Au, Si, Be, резиста ПММА.
Чувствительность рентгеновских резистов повышается при включении в их состав компонент, у которых край поглощения лежит вблизи резонанса с длиной волны экспонирующего облучения. Например, хлор имеет длину волны характеристического К - излучения 0.44 нм и, следовательно, сильно поглощает излучение с длиной волны 0,437 нм.
Увеличение чувствительности не единственное требование, которому должны удовлетворять резисты для рентгеновской литографии, они должны также обладать высоким пространственным разрешением и быть стойкими к химическому, ионному и плазменному травлению.
Наибольшей чувствительностью до 2000 мДж/см2 обладает резист типа ПММА (полиметилметакрилат) на длине волны 0,834 нм. ПММА является позитивным резистом, в котором рентгеновское излучение разрушает большие полимерные молекулы. Образующиеся в облученных областях меньшие молекулы быстро растворяются во время проявления. Разрешающая способность, достигнутая для резиста ПММА, составляет 50 нм, при теоретически возможной 5 нм. Этот резист является базовым для рентгеновской и электронной литографий. На его основе выпускается более десяти типов позитивных резистов с галогенными и другими заместителями с чувствительностью в диапазоне (20 – 1000) мДж/см2. [9]
2.5.4 Рентгеновский шаблон (маска)
Рисунок 13 – Рентгеновский шаблон
На рисунке 13 показана кремниевая подложка толщиной 0,5мм со слоем мембраны толщиной 2 мкм, на которой нанесен слой из материала, поглощающего рентгеновское излучение, из золота толщиной 0,25 мкм. Затем нанесли вспомогательный упрочняющий пленочный слой меди электролитическим осаждением толщиной 10 мкм. В результате чего получили рентгеношаблон.
3 Операции рентгеновской литографии
3.1 Подготовка поверхности
Режим:
- термообработка в атмосфере кислорода
- температура 250-550 ˚С.
--Время 60 с
Рисунок 14 – Подготовка поверхности
3.2 Нанесение рентгенорезиста
Рисунок 15 – Нанесение рентгенорезиста
Нанесение резиста на подложку центрифугированием (рис. 15).
Позволяет нанести резист с заданной равномерностью.
Угловая скорость вращения центрифуги выбирается исходя из соотношения:
, где hсл-толщина слоя резиста, А-опытный коэффициент, ν-вязкость резиста, ω-угловая скорость.
Режим:
- время процесса – 15-30 сек.
- частота – 3000-6000 об/мин.
3.3 Первая сушка резиста
Рисунок 16 – Сушка
Предназначена для:
- улучшения адгезии резиста к подложке
- обеспечение равномерности резиста на подложке
- сдерживание большинства растворителей в резисте
- облегчение контроля толщины линии в течение травления
Режим:
- производится на горячей плите
- температура 90-100 ˚С
- время 3-5 мин.
3.4 Экспонирование
Рисунок 17 – Совмещение рентгеношаблона и экспонирование
Нанесение изображения на подложку с нанесенным резистом
Активация рентгеночувствительных компонентов рентгенорезиста
Параметры качества:
–разрешение
–дефектность
Предназначено для:
- переноса изображения рентгеношаблона (мембраны) на скрытое изображение резиста.
Резист (АРЕХ-Е):
- позитивный
- толщина - 300 нм
- доза экспонирования – 50-130
.
3.5 Проявление рентгенорезиста
Рисунок 18 – Проявление
Предназначено для:
- преобразования скрытого изображения резиста в рельеф резиста.
Режим:
- Проявитель - 0,5% раствор КОН
- время – 0,3 сек
- температура – 22 ˚С.
3.6 Отжиг
Рисунок 19 – Отжиг
Испарение рентгенорезиста.
-Улучшение адгезии
-Время 5 мин
3.7 Контроль
Рисунок 20 – Контроль
Процесс обычно автоматизирован.
Контролируются:
- минимальный размер элемента;
- совмещаемость;
- дефектность.
-время контроля 10 мин
3.8 Травление рентгенорезиста
Рисунок 21 – Травление рентгенорезиста
Время 20 мин
3.9 Контроль
Рисунок 22 – Контроль
Время 7 минут
3.10 Травление
Рисунок 23 – Травление SiO2
Травление происходит плазмо-химическим методом.
Время 10 минут.
3.11 Удаление рентгенорезиста
Рисунок 24 – Удаление рентгенорезиста
Время 2 мин
3.12 Заключительный контроль
Время 10 минут.
Рисунок 25 – Заключительный контроль
4 Привод
Рисунок 26 – Схема рентгеновской установки
На рисунке 26 показаны рентгеновские лучи, которые проходят через оптику и попадают на рентгеношаблон. Потом попадают на подложку. Для того, чтобы просветить подложку требуется подвести ее с помощью магнитореологического привода на 1 мкм к рентгеновскому шаблону. Следовательно, магнитореологический привод используется для подведения с максимальной точностью к подложке.
4.1 Математическое моделирование
В начале берем пустой шприц. Взвешиваем его. Заполняем его магнитореологической жидкостью. Снова взвешиваем. Собираем оснастку: вставляем стеклянные трубки, по которым будет протекать магнитореологическая жидкость и герметизируем зазор. Собираем пневматическую магистраль. Включаем компрессор. Накачиваем 5 атм. Выключаем компрессор. Подключаем пневматическую магистраль к стеклянным трубкам оснастки. Плавно увеличиваем давление, смотрим, когда будет протекать жидкость, фиксируем давление, при котором жидкость начинает течь. Потом подаем управляющий ток на катушку от 0,01А до 0,35А с шагом 0,01А и снова подаем давление в трубку. Фиксируем момент увеличения скорости течения жидкости в трубке и записываем давление, при котором это произошло. Строим график зависимости тока от давления. Пересчитываем управляющий ток на катушке в магнитную индукцию в рабочем зазоре по методике расчета магнитных цепей. Строим график зависимости магнитной индукции в рабочем зазоре от управляющего тока на катушке. Строим график зависимости магнитной индукции в рабочем зазоре от перепада давлений на нем.
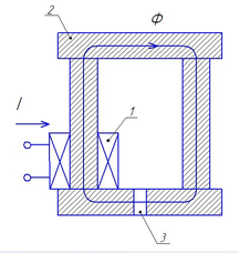
Рисунок 27 – Схема оснастки; 1 – катушка; 2 – магнитопровод; 3 – зазор; 4 – корпуса с каналами для подачи жидкости
4.1.1 Сравнительный анализ входных и выходных параметров
Входные контролируемые и управляемые факторы:
– управляемый ток (варьируемый);
– давление на входе (варьируемый);
– температура (варьируемый);
– время процесса (стабилизируемый);
– состав магнитореологической жидкости (варьируемый);
– время процесса (стабилизируемый);
Входные контролируемые, но неуправляемые факторы:
– температура окружающей среды;
– скорость ветра;
– влажность окружающей среды.
Входные неконтролируемые и неуправляемые факторы:
– состояние оператора.
Факторы первой группы вносят систематическую составляющую погрешности, а факторы второй и третьей групп вносят случайную составляющую.
Выходные параметры:
– давление на выходе (Па);
Рисунок 28 – Схема зависимости выходных параметров качества от входных
4.1.2 Выбор выходного параметра
Давление на выходе (Па).
4.1.3 Наиболее существенные входные факторы
– давление на входе (варьируемый);
– управляемый ток (варьируемый);
4.2 Проведение математического моделирования технологического процесса
4.2.1 Обоснование необходимости проведения процесса
Проведение моделирования выбранного технологического процесса необходимо для того, чтобы определить какие из входных факторов наиболее существенно влияют на выходной параметр, а какие оказывают наименьшее воздействие на выходной параметр. Поэтому, исходя из полученных результатов, мы сможем выбрать оптимальные режимы процесса.
4.2.2 План эксперимента
Таблица 2
| Уровень | Управляющий ток, [А], | Давление на входе, Па, | В безразмерной системе координат уровни факторов |
| Верхний | 0,5 | 30 | +1 |
| Нижний | 0,1 | 12 | -1 |
Выберем центр плана и интервал варьирования факторов:
















