1 (779646), страница 2
Текст из файла (страница 2)
= в + г = 67,2 + 32 = 99,2 МПа [] = 140МПа
Следовательно стрела с приведёнными выше геометрическими размерами обладает достаточной прочностью.
2.4 Расчет подшипников опорного узла.
Расчет нагрузки действующей на подшипники.
Схема нагрузки балки силами:
П
одбор подшипников.
Выбираем шариковые радиально упорные с повышенной грузоподъёмностью.
Подшипник 8305Н. d = 20, Сr = 34500H, C0r =46500H.
e = 0.43, Y = 1.4, Y0 = 0.8.
Определяем эквивалентную статическую нагрузку. Подшипники рассчитываем по статической грузоподъёмности, так как скорость вращения менее 10 об/мин.
P0 = X0Fr + Y0Fa (Fa = RА ) Fr=0
P0= 1.04*3105 = 3230H
Y0 = 0.22 ctg12=1.04
P0 Cor
Выбранные подшипники удовлетворяют требованиям.
Значения моментов в точках В и С
М= Q*0.4L = 5000*0.4*4000 = 8*106Нмм
М= Q*0.5L –RВ*0.1L = 5000*0.5*4000 – 9463*0.1*4000= 6.21*106Нмм
3. РАСЧЕТ СОЕДИНЕНИЙ
3.1 Шпоночные соединения.
Рассчитаем шпоночное соединение при соединении тихоходного вала с барабаном. Шпонку выбираем призматическую по ГОСТ 23360-78 исходя из размеров тихоходного вала.
Для диаметра вала d=40 мм принимаем призматическую шпонку по
: bh =87 (t1 = 4).
Определяем расчетную длину призматической шпонки:
Принимаем длину шпонки
lшп = 43 мм
lст = 70 мм
“Шпонка 8743 ГОСТ 23360 –78”
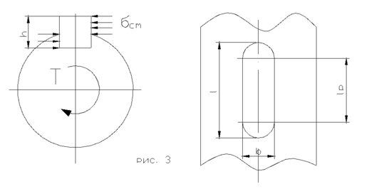
3.2 Расчет соединения стрелы крана с опорным узлом.
Расчет оси на смятие.[см]
см =
МПа
см см=0.4т=96Мпа
Расчет оси на срез.
П
ринимаем [ср] = 0,3т = 0.3 * 240 = 72МПа
О
сь отвечает необходимым требованиям по прочности.
3.3 Расчет болтового соединения крепления крана к стене.
Необходимая сила затяжки болта из условия несдвигаемости:
г
де Kcц – коэффициент запаса сцепления;
z – число болтов; f – коэффициент трения для стыка металл – бетон;
i – чило рабочих стыков.
Необходимая сила затяжки болта из условия не раскрытия стыка: min ст>0
min ст = зат - м
Напряжение на стыке от затяжки болтов:
Н
апряжение на стыке от действия момента:
г
де - коэффициент основной нагрузки.
М1=RА*l1 =3105*160= 4.97*106Нмм
Вводя коэффициент запаса по не раскрытию стыка, получим:
П
ринимаем силу затяжки болта Fзат = 3317 Н, большую из двух необходимых.
Условие прочности болта имеет вид:
г
де А1 – площадь болта по диаметру d1;
Суммарная внешняя нагрузка приходящаяся на один болт:
Н
еобходимый диаметр болта из засчёта необходимой площади:
г
де []p = т / Sт – допускаемое напряжение для расчёта на растяжение;
т = 320 – предел текучести материала болта, для болтов класса прочности 4.8
Sт = 4 – коэффициент запаса прочности, для болтов с d < 30мм.
П
о результатам расчеты выбираем болт М16, т.к. у него d1 = 14,294
Проверка на прочность бетонного основания.
max ст = зат + м []см
где []см = 1.8 МПа – допустимое для бетона напряжение смятия.
Б
етонное основание достаточно прочное.
3.4 Блоки
Основные размеры ручья:
Принимаем R=4мм;
Принимаем h=14мм;
Подшипники блока:
Частота вращения наиболее быстроходного блока подвески крюка:
Наибольшая нагрузка на подшипник блока полиспастов:
Zn- число подшипников
Эквивалентная динамическая нагрузка на подшипник блока
Pe=Fn*V*Kb*Khe =5000*1.2*1.3*1 =7800H
Принимаем подшипники шариковые однорядные ГОСТ8338-75
№304 d=20мм, Сr=15900H, С0r= 7800H
4. Механизм поворота.
Исходные данные:
Режим работы – 6М
4.1. Схема механизма.
Привод механизма представляет из себя электродвигатель со встроенным тормозом, закрытый одноступенчатый редуктор, открытую зубчатую пару, колесо которой является ребордой колеса тележки. Будем использовать механизм передвижения с тремя колесами при этом одно сделаем приводным.
4.2 Колеса
Применим одноребордные колеса с бочкообразным ободом. При точечном начальным контакте для стальных колес предварительный диаметр:
, где
— наибольшая нагрузка на колесо.
Gстр = S*L*стали = 1550Н
Предварительный диаметр колес
Для определения скорости механизма передвижения по рельсу воспользуемся формулой:
V = 2**n*R =2*3.14*1.5*2.4 = 22.61 м/мин
Где n =1.5 - частота поворота крана, мин-1
R =2.4 – радиус поворота, м
К
онтактное напряжение при точечном контакте
– коэффициент эквивалентности,
m =0,113 – коэффициент, зависящий от отношения
,
.
Допускаемое напряжение определяем по формуле
- допускаемое напряжение при наработке N=104 циклов
Наработка колеса
t - машинное время работы, ч;
– частота вращения колеса;
= 0.85 – коэффициент, учитывающий уменьшение средней частоты вращения в периоды неустановившихся движений.
4.3 Сопротивление передвижению.
Сопротивление передвижению при установившейся скорости и ходовых колесах с ребордами без направляющих роликов, Н
=0,15 – (при материале колес – сталь ) коэффициент трения качения.
Приведенный коэффициент трения f в подшипниках качения принимаем f=0,01 – шариковый подшипник.
Диаметр подшипников колес d=0,2D=20 мм.
Коэффициент kр, учитывает трение реборд о рельс. kр=2,5 – механизм с тележкой.
4.4 Двигатель.
Мощность при установившемся движении, кВт:
где = 0,93 – КПД при зубчатом редукторе.
Предварительный выбор мощности двигателя:
Выбираем двигатель со встроенным электромагнитным тормозом 4А63B2/4E2У1,2 с мощностью: РН=0,12 кВт, nдв=1360 мин-1,Tmax/Tном=1,6; Тmax.торм=0,03 Нм; исполнение IM 3001,
масса m = 9.4 кг
Требуемое передаточное отношение привода:
Число оборотов колеса: n = V*1000/*D =22.61*1000/3.14*100 = 72 об/мин
Расчет на нагрев.
Так как двигатель выбираем с учетом ПВ, то специальных расчетов их на нагрев проводить не требуется.
4.5 Редуктор.
Наибольший момент на тихоходном валу редуктора:
где
= 3 - передаточное отношение открытой зубчатой передачи.
- передаточное отношение закрытой зубчатой передачи.
Номинальный момент двигателя:
m – кратность максимального момента двигателя
Максимальный момент на тихоходном валу закрытой ступени:
Максимальный момент на приводном колесе:
Частота вращения тихоходного вала закрытой ступени:
Расчет закрытой передачи был произведен с помощью ЭВМ. Рассчитан зубчатый цилиндрический одноступенчатый редуктор внешнего зацепления с прямым зубом.
Вращающий момент на тихоходном валу 8 Нм
Частота вращения тихоходного вала 216 об/мин
Ресурс 8000 час
Режим нагружения 6М
Передаточное отношение механизма 6.3
Данные полученные в результате проектного рассчёта редуктора представлены в распечатке:
5. Расчет открытой зубчатой передачи.
Открытая зубчатая передача представляет собой колесо, нарезанное на реборде колеса тележки, и шестерню нарезанную на валу тихоходного вала закрытого редуктора.
Расчет проверочный, поскольку изначально были заданны геометрические параметры зацепления.
Модуль открытой пары не менее 2,5 ( m=3). Число зубьев шестерни минимальное
передаточное отношение в ступени
. Исходя из этого определяем параметры колеса:
Геометрические параметры зацепления:
примем bw=28мм по ряду Ra40
где
— коэффициент ширины зубчатого венца.
Проверочный расчет на контактную и изгибную прочность:
Выбор материала шестерни и колеса:
| Шестерня | Колесо |
| Сталь 40Х, HRCЭ=4550, b=900 МПа, т=900 МПа | Сталь 45 улучшенная 235262 НВ |
Допускаемое контактное напряжение
ZN – коэффициент долговечности
, где NHG – количество циклов соответствующее перелому кривой усталости.
NK – требуемый ресурс рассчитываемого зубчатого колеса в циклах.
При переменном режиме нагружения вместо NК подставляют NHE – эквивалентное число циклов.
SH – коэффициент запаса прочности
— минимально допустимый коэффициент запаса
(для улучшенных колес)
— коэффициент запаса,
т.к. выход из строя передачи не приведет к тяжелым последствиям
— коэффициент запаса, учитывающий упрощения
Допускаемые напряжения изгиба зубьев















