РПЗ краны4 (1053228)
Текст из файла
Министерство общего и профессионального образования РФ
Череповецкий государственный университет
Кафедра подъемно-транспортных машин и оборудования
ПОЯСНИТЕЛЬНАЯ ЗАПИСКА
ПО ПРЕДМЕТУ: ПОДЪЕМНО-ТРАНСПОРТНЫЕ МАШИНЫ И ОБОРУДОВАНИЕ
НА ТЕМУ:РАСЧЕТ И ПРОЕКТИРОВАНИЕ ТЕЛЕЖКИ МОСТОВОГО КРАНА
Вариант 04
Выполнил студент
Группы 3ММ-41
Голубьев В.В.
Проверил преподаватель
Задворнов С.И.
Отметка о зачете
Череповец 2001
СОДЕРЖАНИЕ
-
Задание на курсовой проект……………………………………………………………………..…..3
-
Расчет механизма подьема……………………………………………………………………….…4
-
Выбор типа подвески. Расчет канатов………………………………………………………4
-
Выбор крюка……………………………………………………………………………………..6
-
Расчет упорного подшипника крюка…………………………………………………………6
-
Расчет гайки крюка…………………………………………………………….……………….7
-
Расчет элементов подвески………………………………………………………………….7
-
Расчет блоков подвески………………………………………………………………………9
-
Расчет барабана………………………………………………………………………………11
-
Расчет узла крепления каната………………………………………………………..…….13
-
Выбор способа соединения редуктора с барабаном и расчет вала барабана…….14
-
Расчет подшипников оси барабана………………………………………………………..16
-
Расчет и выбор электродвигателя…………………………………………………………16
-
Выбор редуктора………………………………………………………………………………17
-
Расчет узла соединения редуктора с барабаном……………………………………….18
-
Расчет и выбор муфт………………………………………………………….……………..18
-
Расчет и выбор тормоза…………………………………………………………………….19
-
Расчет механизма передвижения………………………………………………………………..19
-
Определение сопротивления движению тележки……………………………………..19
-
Выбор двигателя, редуктора и муфт……………………………………………………..20
-
Проверка механизма на отсутствие буксования……………………………………….21
-
Расчет и выбор тормоза……………………………………………………………………21
-
Литература..………………………………………………………………………………………….23
Приложение 1……………………………………………………………………….………………24
Приложение 2……………………………………………………………………….………………25
- 2 -
1 ЗАДАНИЕ НА КУРСОВОЙ ПРОЕКТ
Рассчитать и спроектировать тележку мостового крана по исходным данным:
Грузоподъемность,т 25
Режим работы Л (3М)
Высота подьема груза,м 20
Скорость подьема груза,м/с 0,16
Скорость передвижения тележки,м/с 1
Графическая часть:
-
Механизм передвижения тележки(общий вид).
-
Конструкция барабана.
- 3 -
2.РАСЧЕТ МЕХАНИЗМА ПОДЬЕМА
Для расчета и выбора элементов механизма подьема необходимо составить его кинематическую схему. Она, как правило, включает электродвигатель 1, муфту 9, муфту с тормозом 2, редуктор 3, барабан 4, полиспаст 5, состоящий из подвижных и неподвижных блоков и ветвей каната, и крюковую подвеску 6, конструктивно обьединяющую подвижные блоки полиспаста и грузозахватный орган-крюк, подшипник 7, зубчатая муфта 8 (рис. 1).
Рис. 1. Схема механизма подьема
Расчет механизма подьема сводится к назначению типа и кратности полиспаста, выбору по ГОСТ каната и крюка, расчету параметров крюковой подвески и барабана, расчету и выбору электродвигателя, редуктора, муфт и тормоза.
2.1 ВЫБОР ТИПА ПОДВЕСКИ. РАСЧЕТ КАНАТОВ
В мостовых кранах для обеспечения строго вертикального подьема грузов применяются сдвоенные полиспасты, у которых на барабан наматываются две ветви каната (рис. 2). Число ветвей каната, на которых висит груз, зависит от грузоподьемности крана. Чем больше число ветвей, тем меньше усилие в канате, на барабане, а, следовательно, меньше диаметр и каната и барабана, меньше диаметр вала и размеры подшипников вала и т.д. Однако с увеличением числа ветвей увеличивается и число блоков, а это усложняет и утяжеляет подвеску.
В практике для грузоподъемности 20…30 т рекомендуется принимать 6…8 ветвей. Принимаем число ветвей z=8(рис. 2).
- 4 -
Р
ис. 2. Схема сдвоенного полиспаста
Полиспасты в кранах применяются для выигрыша в силе.Величина этого выигрыша характеризуется кратностью полиспаста и определяется по формуле
где z-число ветвей, на которых висит груз; zб-число ветвей, наматываемых на барабан (для сдвоенных полиспастов zб=2)
При использовании полиспаста скорость движения каната будет больше скорости подьема груза
где vk- скорость движения каната; vг- скорость подьема груза, vг=0,16 м/с;
Максимальное усилие в канате в точке набегания его на барабан определяется по формуле
где Q – грузоподъемность, кг, Q=25000 кг;
- КПД полиспаста,
=0,975;
-КПД
неподвижных блоков
=0,98 (n=3 – число таких блоков, приходящихся на одну ветвь каната).
Расчетное разрывное усилие в канате согласно правилам Госгортехнадзора определяется как
где kз- коэффициент запаса прочности, принимаемый для легкого режима равным 5.
- 5 -
Канат выбираем по таблицам ГОСТ 26688-80:канат двойной свивки типа ЛК-Р конструкции 6 х 9 + 1 о.с.
| Диаметр каната,мм | dk | 18 |
| Маркировочная группа, Мпа | - | 1764 |
| Разрывное усилие каната, Н | Fразр | 181500 |
2.2. ВЫБОР КРЮКА
В мостовых кранах общего назначения применяются кованые однорогие крюки по ГОСТ 6627-74. Выбор крюка производится по заданной грузоподъемности и режиму работы. В зависимости от типа подвески крюки могут быть укороченными или удлиненными. Удлиненные крюки применяются в подвесках, в которых ось блоков совмещена с траверсой крюка (рис. 2).
Рис. 3. Крюк однорогий
Крюк однорогий № 20. Размеры (ГОСТ 6627-74)
| D | S | b | h | d1 | d2 | d0 | L | l | l1 |
| 170 | 130 | 102 | 164 | 100 | 110 | Трап. 90x12 | 820 | 530 | 115 |
-
РАСЧЕТ УПОРНОГО ПОДШИПНИКА КРЮКА
Поскольку вращение крюка является только установочным, то расчет подшипника ведется по статической грузоподъемности, которая может быть определена по формуле
где kд=1,2 – динамический коэффициент.
- 6 -
Упорный подшипник (рис. 4) выбирается по ГОСТ 6874-75 исходя из расчетной нагрузки и диаметра хвостовика крюка. Верхнее кольцо подшипника устанавливается на хвостовик крюка по напряженной посадке.
Рис. 4. Шарикоподшипник упорный (легкая серия)(ГОСТ 6874-75)
| Типоразмер | d | D | H | Ca,H | Coa,H |
| 8220 | 100 | 150 | 38 | 132000 | 335000 |
2.4. РАСЧЕТ ГАЙКИ КРЮКА
Гайка крюка выполняется с уширением нижней части, которая охватывает упорный подшипник. Наименьший диаметр гайки определяется по формуле
где d0=90 – диаметр резьбы хвостовика крюка, мм.
По правилам безопасности стопорение гайги может осуществляться только при помощи планки, которая устанавливается в щлице нп торцовой части хвостовика и крепится болтами в тело хвостовика или гайки.
2.5. РАСЧЕТ ЭЛЕМЕНТОВ ПОДВЕСКИ
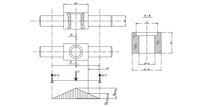
Траверса подвески (рис. 5) работает на изгиб. Расчет траверсы ведется по двум опасным сечениям: в середине (А-А) и в месте изменения сечения (В-В)
- 7 -
Рис. 5. Схема к расчету траверсы.
Максимальный изгибающий момент в сечении А-А определяется по формуле
где l- расчетная длина траверсы, см
где b=300 – расстояние между внутренними блоками крюковой подвески; b2=434 – расстояние между внешними блоками крюковой подвески
Ширину траверсы можно принять
мм, где D=150 – наружный диаметр упорного подшипника. Примем bтр=160 мм. Диаметр отверстия принимается на 2…5 мм больше диаметра хвостовика крюка. Примем dтр=105 мм.
Момент в сечении В – В будет равен
Параметры траверсы определяются проектным расчетом из условия прочности при изгибе
где М – момент, действующий в расчетном сечении, Н·см; W – момент сопротивления расчетного сечения, см3;
- допускаемое напряжение изгиба, МПа.
- 8 -
Траверса обычно изготавливается из стали 40 – 45 с пределом выносливости
=250…260 МПа. Поскольку траверса работает в пульсирующем цикле, то допускаемое напряжение для предварительного расчета может быть определено по упрощенной формуле
где К`0 – коэффициент, учитывающий конструкцию детали (для валов, осей и цапф К`0=2,0…2,8), К`0=2,5; [n] – допускаемый коэффициент запаса прочности (для легкого режима работы [n]=1,4).
Момент сопротивления в сечении А – А:
Момент сопротивления в сечении В – В:
Подставляя в формулу (10) соответствующие значения М и W, определяют высоту траверсы h и диаметр оси d (последний окончательно уточняется после выбора подшипников блоков).
Характеристики
Тип файла документ
Документы такого типа открываются такими программами, как Microsoft Office Word на компьютерах Windows, Apple Pages на компьютерах Mac, Open Office - бесплатная альтернатива на различных платформах, в том числе Linux. Наиболее простым и современным решением будут Google документы, так как открываются онлайн без скачивания прямо в браузере на любой платформе. Существуют российские качественные аналоги, например от Яндекса.
Будьте внимательны на мобильных устройствах, так как там используются упрощённый функционал даже в официальном приложении от Microsoft, поэтому для просмотра скачивайте PDF-версию. А если нужно редактировать файл, то используйте оригинальный файл.
Файлы такого типа обычно разбиты на страницы, а текст может быть форматированным (жирный, курсив, выбор шрифта, таблицы и т.п.), а также в него можно добавлять изображения. Формат идеально подходит для рефератов, докладов и РПЗ курсовых проектов, которые необходимо распечатать. Кстати перед печатью также сохраняйте файл в PDF, так как принтер может начудить со шрифтами.
















