РПЗ (777932)
Текст из файла
Государственное образовательное учреждение высшего профессионального образования
ФАКУЛЬТЕТ Машиностроительные технологии
КАФЕДРА МТ3 – Технология машиностроения
РАСЧЁТНО-ПОЯСНИТЕЛЬНАЯ ЗАПИСКА
к квалификационной работе бакалавра на тему:
«Технологические процессы изготовления резервуара элегазового»
Студент ____________________ __________________ Реут А.С.
(Подпись, дата) (И.О.Фамилия)
Руководитель квалификационной работы _______________ Волчкевич И.Л.
(Подпись, дата) (И.О.Фамилия)
Москва, 2015
Аннотация
Пояснительная записка выпускной квалификационной работы представлена на 52 с., в том числе 25 рисунков, 4 таблиц и 4 позиции списка использованных источников. Графическая часть работы состоит из 8 листов формата А1.
Работа состоит из трёх разделов: разработка технологического процесса сборки изделия, разработка технологического процесса механической обработки детали «резервуар» и исследовательского раздела.
В первом разделе проведен анализ технических требований на изделие «резервуар элегазовый», разработаны схемы сборки отдельных узлов и общей сборки, на основе которых спроектирован технологический процесс сборки резервуара, рассчитаны режимы и нормы времени выполнения переходов сборочных операций.
Во втором разделе работы выполнен анализ технических требований и технологичности конструкции «резервуара», выбраны заготовка, схемы установки, разработана последовательность обработки основных поверхностей детали и технологический процесс механической обработки, предложены необходимые схемы контроля технических требований, для одной операции механической обработки выполнен расчёт режимов резания, норм времени и припусков.
Третий раздел содержит исследование сварки плавящимся и неплавящимся электродами под защитным газом.
Содержание
Аннотация 2
Введение 4
1. Раздел 5
1.1. Назначение узла. Анализ технических требований на сборку, выявление основных технологических задач. 5
1.2 Анализ технологичности. Качественный и количественный критерии оценки технологичности конструкции……………………………………………………………………...………...7
1.3 Расчет размерных цепей с выбором метода достижения точности сборки………………….…9
1.4 Разработка и обоснование технологической схемы общей сборки……………………………10
1.5. Разработка технологической процесса сборки с выбором оборудования, инструментов, техническим нормированием времени и определением суммарной трудоемкости сборки узла 12
2. Разработка технологического процесса изготовления детали 19
2.1 Назначение детали в изделии……………………………………………………………………...19
2.2. Анализ технических требований и выявление технологических задач, возникающих при изготовлении детали 19
2.2.1. Разработка схем контроля по основным параметрам точности 20
2.3. Анализ технологичности конструкции детали 23
2.4. Выбор и обоснование вида заготовки и метода ее езготовления. Разработка эскиза заготовки 24
2.5 Выбор технологических баз……………………………………………………………………………27
2.6. Разработка маршрута обработки основных поверхностей детали 27
2.7. Расчет припусков на механическую обработку. 28
2.7.1. Точностные расчеты некоторых операций маршрута изготавления 30
2.8. Разработка маршрутного технологического процесса (МТП) изготовления детали с разработкой маршрутных эскизов и заполнения маршрутных карт. 32
2.9 Разработка технологических наладок для операций…………………………………………………41
3. Исследование дуговой сварки алюминия плавящимся и неплавящимся электродом в среде защитных газов……………………………………………………………………………………………………………45
3.1 Анализ принимаемых решений. Поставновка задачи исследования…………………………..45
3.2 Обзор технологических методов обеспечения качества изделий для выполнения задачи исследования……………………………………………………………………………………………….…45
3.3 Выбор метода для решения задачи исследования………………………………………………52
Заключение 53
Список используемой литературы 54
Введение
Проектирование технологических процессов – важная часть производства. Оно определяет то, как будет изготавливаться деталь, от чего зависит качество и точность детали.
Для обеспечения конкурентоспособности продукции машиностроительных предприятий необходимо повышать качество и производительность машин без существенного повышения их стоимости. Эту задачу невозможно решить только с помощью конструктивных новшеств, без серьёзной технологической подготовки производства на основе новейших технологических решений, использующих новые материалы, технологическую оснастку, оборудование.
Машиностроение обеспечивает новой техникой все отрасли экономики и определяет её технический прогресс. В связи с этим развитие машиностроения имеет первостепенное значение для развития экономики страны.
Технологический процесс должен обеспечивать высокую производительность труда и требуемое качество изделий при минимальных затратах материальных средств на их изготовление.
Целью выпускной квалификационной работы является разработка технологического процесса изготовления «резервуара элегазового», предназначенного для хранения элегаза.
-
Раздел
-
Назначение узла. Анализ технических требований на сборку, выявление основных технологических задач.
Назначение узла.
Деталь «резервуар» является сборочной еденицей и частью устройства «выключатель элегазовый баковый». Используется как емкость для хранения элегаза (гаксафторид серы).
Анализ технических требований на сборку, выявления основных технологических задач, разработка схем контроля по основным параметрам.
«Резервуар» - сварная сборочная еденица, в большей своей степени состоящая из тел вращения, относится к классу корпуса.
Исполнительными поверхностями являются отверстия в пластинах и резьбовые отверстия на торцах самого резервуара, они выполняют крепежную роль. К основным поверхностям относятся отверстия в патрубках d190H9 и отверстия на торцах фланцев d262H9. Остальные поверхности являются вспомогательными.
Рабочий чертеж содержит достаточное количество информации о детали: проекции, разрезы, виды, допуска на выполняемые размеры, технологические требования по форме, расположению поверхностей и их шероховатости. Главное изображение детали на чертеже приведено в положении, занимаемом деталью в сборочной единице при сварке.
Анализ чертежа детали показывает, что наиболее высокие требования по точности и качеству поверхности предъявляются к отверстиям на патрубках и фланцах (IT9, Ra 1,6).
Неответственные поверхности выполняются по IT14 и имеют шероховатость Ra 12.5.
На чертеже детали в технических требованиях твердость не задана.
После сварки требуется снять внутренние напряжения.
После механической обработки, поверхности предохранять от повредждений.
Требуются испытания на прочность внутренним давлением и герметичность. Требования к испытаниям достаточно жесткие.
Деталь изготовлена из материала АМг6. В таблице 1 приведен химический состав и физико-механические свойства в состоянии поставки.
Алюминий обеспечивает достаточно легкую конструкцию, высокую пластичность в отожженном состоянии, хорошую обрабатываемость резаньем удовлетворительную свариваемость деталей (является необходимым требованием для «резервуара»), высокую коррозионную стойкость, АМг6 – алюминиевый деформируемый сплав, предназначен для изготовления полуфабрикатов методом горячей или холодной деформации, а так же слитков и слябов. Используют для изготовления сварных резервуаров, работающих под давлением.
Железо повышает износостойкость и прочность материала.
Кремний повышает твердость материала.
Магний улучшает сварные характеристики.
Разработка схем контроля по основным параметрам точности
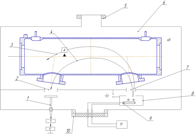
Испытание на герметичность масс спектрометрическим методом смесью гелия и воздуха с помощью щупа.
Рисунок 1
Метод контроля герметичности и поиска течей масс - спектрометрический метод, обладающий высокой чувствительностью. Сущность метода заключается в регистрации прохождения через оболочку пробного вещества с помощью масс-спектрометра, настроенного на данное пробное вещество. Отечественной промышленностью выпускается серия масс-спектрометрических течеискателей и измерителей концентрации, настроенных на гелий. Основным элементом течеискателя является масс-спектрометрический анализатор, представляющий собой масс-спектрометр с магнитным отклонением пучка ионов.
Принцип действия демонстрируется на рис 1, на котором показана масс-спектрометрическая камера течеискателя, предназначенного для работы с гелием в качестве пробного газа. Электроны, эмитируемые катодом 9, попадают в камеру ионизации 8. Источник питания катода 11 подключен к анализатору через фланец 10. В случае не герметичности вакуумной системы, обдуваемой пробным газом, молекулы гелия через фланец 5 проникают в камеру ионизации. Положительные ионы гелия ускоряющим напряжением направляются в камеру магнитного анализатора 6. Ускоряющее напряжение Еy и магнитная индукция В подбираются таким образом, чтобы ионы гелия, прошедшие через входную щель 7, двигаясь по траектории 4, попали в выходную щель 2. Остаточные газы по траектории 3 разряжаются на стенках анализатора.
-
Анализ технологичности. Качественный и количественный критерии оценки технологичности конструкции.
Качественный анализ:
-
Подвод-вывод сборочных исполнительных механизмов из зоны сборки – «хорошо»
-
Количество требуемых установов для полной сборки сборочной единицы – «хорошо»
-
Жесткость (средняя), хрупкость(средняя) – «допустимо»
-
Устойчивость базовых поверхностей – «хорошо»
-
Возможность соблюдения принципа постоянства технологических баз – «плохо»
-
Возможность применения одного приспособления для конструкции – «недопустимо»
-
Направление сборки – «горизонтальная»
-
Возможность проведения параллельной узловой сборки – «допустимо»
-
Возможность ориентирования детали в автоматическом режиме – «допустимо»
-
Количество стандартных унифицированных деталей (отсутствуют) – «плохо»
-
Необходимость применения специального оборудования – «недопустимо»
-
Возможность применения повторяющихся операций – «допустимо»
-
Соблюдение принципа взаимозаменяемости – «недопустимо»
Вывод: принимая во внимание проведенную качественную оценку технологичности, делаем вывод, что в целом, конструкция является технологичной. Автоматизация процесса возможна.
Количественный анализ:
рассчитаем коэффициенты использования материала, коэффициент шероховатости и точности изготовления детали:
, где
- масса детали,
- масса заготовки.
, где
- среднее значение шероховатости,
- количество поверхностей с данной шероховатостью.
, где
- среднее значение точности поверхностей,
- количество поверхностей данной точности.
Характеристики
Тип файла документ
Документы такого типа открываются такими программами, как Microsoft Office Word на компьютерах Windows, Apple Pages на компьютерах Mac, Open Office - бесплатная альтернатива на различных платформах, в том числе Linux. Наиболее простым и современным решением будут Google документы, так как открываются онлайн без скачивания прямо в браузере на любой платформе. Существуют российские качественные аналоги, например от Яндекса.
Будьте внимательны на мобильных устройствах, так как там используются упрощённый функционал даже в официальном приложении от Microsoft, поэтому для просмотра скачивайте PDF-версию. А если нужно редактировать файл, то используйте оригинальный файл.
Файлы такого типа обычно разбиты на страницы, а текст может быть форматированным (жирный, курсив, выбор шрифта, таблицы и т.п.), а также в него можно добавлять изображения. Формат идеально подходит для рефератов, докладов и РПЗ курсовых проектов, которые необходимо распечатать. Кстати перед печатью также сохраняйте файл в PDF, так как принтер может начудить со шрифтами.
















