Методические указания (775196), страница 7
Текст из файла (страница 7)
З
десь с учетом логических выражений (2.1) и выбранной элементной базы
УЗП = P1 / Q,
УСДВ = P2 / Q. (2.2)
С
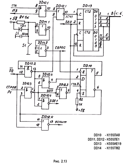
игнал возбуждения Д-триггера на микросхеме DD14 типа К155ТМ2, используемого для построения УА, на основании (2.1) и (2.2) запишется следующим образом:
D = (P1 / Q1) / ( P2 / Q) = УЗП / УСДВ. (2.3)
С
четчик собирается на микросхеме К555ИЕ19, включающей два 4-разрядных асинхронных счетчика с последовательным переносом. Для его работы сигнал УСЧ необходимо стробировать тактовыми импульсами ГИ :
УСЧ1 = УСЧ ∙ τ = (УСДВ ∙ P3) τ = УСДВ ↓ ( P3 / τ)
С
игнал УСЧИТ в соответствии с (2.1) формируется на элементе DD12.4, выполняющем функцию ИЛИ-НЕ (стрелку Пирса):
УСЧИТ = P2 ∙ Q = P2 ↓ Q.
При его формировании необходимо организовать такой временной интервал между последним импульсом УСЧ1 и УСЧИТ, чтобы гарантировать завершение всех переходных процессов в последовательном счетчике на К555ИЕ19 (60 нс на четыре разряда, 90 нс на шесть разрядов). Работа устройства демонстрируется эпюрами напряжений на рис. 2.14. Суммарная задержка фронта импульса УСЧИТ относительно среза импульса УСЧ1 - не менее 100 нc. Таким образом, к началу импульса УСЧИТ все переходные процессы в счетчике DD13 завершатся, и выходной код В{1:6} установится.
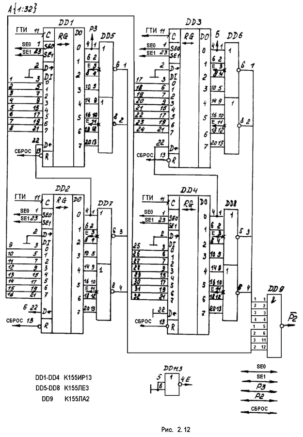
Устройство требует для своего построения 14 корпусов микросхем, среди них: по четыре микросхемы К155ИР13 и К155ЛЕ3, по одной микросхеме K155ЛA2, К155ТМ2, К555ИЕ19, К155ЛА8 и две микросхемы К555ЛЕ1.
Разработанная схема обеспечивает время преобразования от 0,25 мкс (нулевой код) до 6,25 мкс (код всех единиц) при потребляемой от источника +5 В мощности 3,5 Вт.
2.4. ПОСТРОЕНИЕ УСТРОЙСТВА В ВИДЕ МИКРОПРОЦЕССОРНОГО ВЫЧИСЛИТЕЛЯ НА БИС КР580ВМ80 (Intel 8080A)
Микропроцессорный вычислитель имеет стандартную структуру. Поэтому его схему строить не надо. Единственной задачей остается создание программируемого контроллера интерфейса, обеспечивающего подключение к вычислителю источника и потребителя информации, управляющей программы обмена контроллера, называемой драйвером, и обрабатывающей программы.
В отличие от рассмотренных ранее вариантов построения преобразователя в виде самостоятельного устройства для микропроцессорного варианта подсчет числа единиц кода осуществляется с помощью обрабатывающей программы. Поэтому ее написание и отладка является важным этапом в построении устройства, включающем следующие шаги:
1) разработку обрабатывающего алгоритма;
2) составление программы на языке ассемблера;
3) отладку и выполнение программы.
Третий шаг требует дополнительных пояснений. Отладку и выполнение программы можно осуществить либо на микро ЭВМ и персональных ЭВМ, имеющих транслятор с языка ассемблера КР580ВМ80 или языков ассемблеров, включающих его как подмножество, либо на лабораторной микроЭВМ "Микролаб". В последнем случае необходимо выполнить ручное ассемблирование программы.
При составлении алгоритма необходимо учитывать, что микропроцессорный вычислитель имеет байтовую организацию памяти и 8-разрядную шину данных. Обобщим исходную задачу, положив, что входной код, число единиц которого подсчитывается после размещения его в памяти, занимает массив из n байтов.
Алгоритм для микропроцессорного вычислителя не соответствует исходной схеме алгоритма, разработанного для регистровой реализации устройства, в нем отсутствуют сигналы синхронизации (СТРОБ, УСЧИТ, УГОТ). Входные (выходные) данные считываются (записываются) из ячеек оперативной памяти.
Схема алгоритма изображена на рис. 2.15. Алгоритм включает в себя два цикла: подсчет числа единиц в текущем байте и накопление единиц при просмотре всех байтов. Входной код размещается в массиве БАЙТ_ДАННЫХ. Положение текущего байта в массиве определяется счетчиком байтов СЧ_БАЙТ. Положение текущего бита этого байта, предварительно помещенного в аккумулятор, определяется СЧ_БИТ.
Программа, реализованная по данному алгоритму, представлена на рис. 2.16. Просмотр битов текущего байта осуществляется путем сдвига аккумулятора, при этом анализируемый бит кода формирует значение признака переноса С. Окончание просмотра осуществляется по нулевому содержимому счетчика битов, расположенного в регистре В. Просмотр байтов кода завершается, когда обнуляется счетчик байтов, расположенный в регистре С. Программа загружается в ОЗУ по адресу 8000.
| START 8000H | ||||
| AF | XRA A | ; очистка аккумулятора | ||
| 4F | MOV С, А | ; очистка счетчика единиц | ||
| 21, _ , _ | LXI H, QBITES | ; загрузка в регистр В числа байтов | ||
| 46 | MOV B, M | ; во входном коде | ||
| 21, _ , _ | LXI H , DATA | ; адрес первого байта в регистр (H,L) | ||
| 7E | REPEAT: | MOV A , M | ; загрузка текущего байта в аккумулятор | |
| 16, 08 | MVI D , 08 H | ; загрузка в счетчик битов | ||
| ; константы 8 | ||||
| 07 | LOOP: | RLC | ; счет единиц в текущем байте | |
| D2, _ , _ | JNC NCNT | ; входного кода путем сдвига | ||
| 0C | INR С | ; содержимого аккумулятора | ||
| 15 | NCNT: | DCR D | ||
| C2, _ , _ | JNZ LOOP | |||
| 23 | INX H | ; подготовка следующего байта | ||
| 05 | DCR В | |||
| C2, _ , _ | JNZ REPEAT | |||
| 21, _ , _ | LXI H, NONES | ; запись числа единиц кода в | ||
| 71 | MOV M, С | ; память | ||
| 76 | HLT | |||
| 01 | NONES: | DB 1 | ; число единиц кода | |
| 04 | QBITES: | DB 04 H | ; число байтов в коде | |
| AD, 07 | DATA: | DB ADH, 07H | ; входной код | |
| 3C, FF | DB 3CH , FFH | |||
| END | ||||
| Рис. 2.15. Алгоритм программы счета единиц | Рис. 2.16. Программа счета единиц | |||
Для успешного выполнения курсовой работы необходимо, чтобы студент умел пользоваться и ориентироваться в научной и справочной литературе по тематике курсовой работы. Чтобы помочь студенту в этом, ниже приводится указатель литературы, сгруппированной по отдельным разделам работы.
РЕКОМЕНДУЕМАЯ ЛИТЕРАТУРА
Общие вопросы
1. Каган Б.М. Электронные вычислительные системы. - М.: Энергоатомиздат, 1991.
2. Уокерли Дж. Архитектура и программирование микроЭВМ: В 2-х кн. - М.: Мир.1984.
3. Бруснецов Н.П. Микрокомпьютеры. - М.: Наука,1985.
4. Гилмор Ч. Введение в микропроцессорную технику. -М.: Мир, 1984.
5. Микропроцессоры; В 3-х кн. / Под ред. Л.Н. Преснухина. -М.: Высшая шкода, 1986.
6. Кондратьев P.M., Мельников Б.C., Щеглов А.В. Архитектура микропроцессорных вычислителей. - М.: МАИ, 1986.
7. Пухальский Г.И. Новосельцева Т.Я. Цифровые устройства: Учебное пособие для втузов. – СПб: Политехника, 1996.
8. Силин В.Б. Конспект лекций по курсу “Электронные вычислительные устройства”. М.: МАИ 1971 [681.14 (075) С-362].
Языки операционного описания, языки регистровых передач и синтез операционных устройств
9. Автоматизация проектирования вычислительных систем, языки моделирования и базы данных / Под ред. Брейера. М. - М.: Мир,1979.
10. Проектирование цифровых вычислительных машин / Под ред. С.А. Майорова. - М.: Высшая школа, 1972.
11. Майоров С.А., Новиков Г.И. Принципы организации цифровых машин. - Л.: Машиностроение, 1974.
12. Чу Я. Организация ЭВМ и микропрограммирование. - М.: Мир, 1975.
13. Силин В.Б., Мельников Б.C. Электронные вычислительные устройства. Операционный синтез. - М.: МАИ, 1982.
14. Силин В.Б., Мельников Б.С., Кондратьев P.M. Операционный синтез цифровых устройств. - М.: МАИ, 1985. (Содержит в себе описание УА с программируемой логикой с принудительной и естественной адресацией).
Построение управляющих автоматов
15. Силин В.Б., Мельников Б.С. Учебное пособие по курсу “Электронные вычислительные устройства”. Конечные автоматы: Учебное пособие. - М.: МАИ, 1978.
16. Лазарев В.Г., Пийль Е.И. Синтез управляющих автоматов. - М.: Энергия, 1978.
17. Баранов С.И. Синтез микропрограммных автоматов. -Л.: Энергия, 1978.
18. Специализированные ЦВМ / Под ред. В.Б. Смолова. - М.: Высшая школа, 1981.
Программирование микропроцессорных вычислителей
19. Григорьев В.Л. Программное обеспечение микропроцессорных систем. - М.: Энергоатомиздат, 1983.
20. Григорьев В.Л. Программирование однокристальных микропроцессоров. - М.: Энергоатомиздат, 1987.
Программирование на ассемблере однокристального микропроцессора КР580ВМ80А
21. Кондратьев P.M., Мельников Б.С., Щеглов А.В. Архитектура микропроцессорных вычислителей.- М.: Изд-во МАИ, 1986.
22. Караваев А.П., Мельников Б.С., Щеглов А.В. Изучение архитектуры и программных средств микропроцессорных вычислителей на базе микропроцессора КР580ВМ80А: Лаб. работы по курсу "Вычислительные системы и микропроцессорная техника (ВС и МПТ)". - М.: Изд-во МАИ, 1993.
















