Курсовой проект (775192), страница 2
Текст из файла (страница 2)
Управляющий автомат будем реализовывать на J-K триггерах. Определим функции возбуждения J-K триггеров, используя уравнение
Q(t+1) = J(t) & Q(t) V K(t) & Q(t).
J1(t) = ( Q2 & P1)t;
K1(t) = ( Q2 & P2)t;
J2(t) = ( P4 & P2 & P5) t;
K2(t) =( Q1 & P1)t;
Выходные сигналы автомата формируются по выражениям:
УН(t): =( Q1 & Q2)t;
СЛСЛВ(t): = ( Q1 & Q2 V Q1 & Q2 & P4 & P2 & P5)t =
= ( Q2 & P2 & P4 & P5) t;
УЗП1(t): = ( Q1 & Q2 & P1)t;
ГОТОВ(t): = (Q1 & Q2 & P2 & P5 & P4)t;
УСДВ(t): = (Q1 & Q2 & P2 & P4)t;
УСЧ2(t): = (Q1 & Q2 & P2 & P3 & P4)t = (УСДВ & P3)t;
УСЧ1(t): = (Q1 & Q2 & P2 & P3 & P4)t = (УСДВ & P3)t;
УЗП2(t): = (Q1 & Q2 & P4)t.
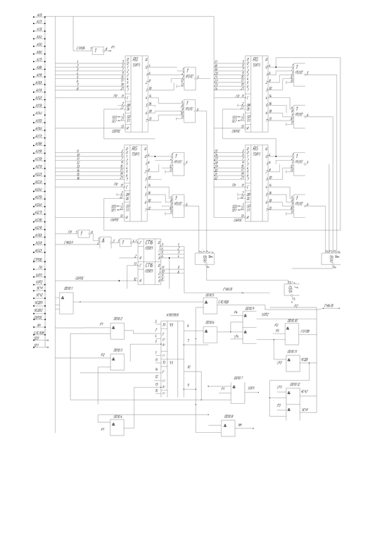
Функциональная схема приведена на рисунке 7, сигнал Сброс является установочным.
рис. 7
Построение принципиальной схемы
Регистры данных РГД1 строится на четырёх микросхемах 8-разрядных сдвигающих регистров К155ИР13. Управляющие сигналы SE0, SE1 обеспечивают запись кода А в регистр (SE0=1, SE1=1) и сдвиг вправо (SE0=1, SE1=0). Он формируется из управляющих сигналов УА в соответствии с уравнениями:
SE0=УСДВ V УЗП1;
SE1=УЗП1.
Микросхемы :
DD10 – К155ЛИ1,
К155ЛА1, К155ЛЕ4, К555ИЕ19, КР531ЛЕ7
К155ТВ15- сдвоенный JK-триггер
Список использованной литературы
-
Мельников Б.С., Щеглов А.В.. Методические указания к курсовой работе по дисциплине "Вычислительные системы и микропроцессорная техника". -М.: МАИ, 1991.
-
Силин В.Б., Мельников Б.С. Электронные вычислительные устройства. Операцинный синтез. -М.: МАИ, 1982.
-
Силин В.Б., Мельников Б.С., Кондратьев Р.М. Операционный синтез цифровых устройств. - М.: МАИ, 1985
3















