Офигеть (775101)
Текст из файла
Московский Авиационный Институт
(Государственный Технический Университет)
МАИ
Кафедра 403
Расчетно-пояснительная записка
к курсовой работе по дисциплине:
"Вычислительные системы и микропроцессорная техника"
Выполнил:
Ерошкин А. В.
Группа № 04-407
Проверил:
Щеглов А.В.
Задание.
Вариант №81.
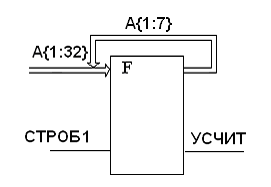
По шине А{1:32} последовательно друг за другом приходят два параллельных 32 разрядных кода. Определить код, в котором больше единичных символов. Подсчитать разность единиц кодов и в прямом коде передать ее на выход устройства. Входные и выходные слова передаются по одной шине А{1:32}.
Уточнение задания.
Для выполнения данной задачи необходимо устройство, имеющее один вход и один выход. На вход А{1:32} побайтно подаются два 32-разрядных сигнала. Необходимо определить разность единиц этих кодов и представить в прямом коде. Выдать по входной шине.
Примем, что источник входного кода гарантирует правильность выставленной информации во время действия стробирующего импульса СТРОБ1. Устройство подтверждает выдачу кода разности единиц во время действия генерируемого им импульса считывания УСЧИТ.
Выберем внешнюю синхронизацию.
Будем считать, что смена кода А осуществляется по положительному фронту импульсов ГТИ (генератора тактовых импульсов), длительность импульсов СТРОБ1, УСЧИТ равна периоду тактовой последовательности и положительные фронты этих импульсов появляются вслед за положительным фронтом импульсов ГТИ.
Выходной код А{0:х}– двоично-позиционный код, численный эквивалент которого равен разности сигналов во входном коде, поступающего на вход А. Так как значение такой разности не может быть больше 32, то разрядность выходного кода может равняться {1:6}, так как: (32)10 = (100000)2, добавим еще один разряд на знак.
Результат будем выдавать по входной шине используя разряды А{1:7}.
Представим функциональную схему и эпюры напряжения:
Алгоритм функционирования устройства.
Обозначения:
РГД{1:32} – регистры данных;
СЧР{6:0} – счетчик разности кодов;
нет
нет
Да
нет
нет



РГД{1:32}=А{1:32}
СЧР{6:0}=0

СЧР := СЧР +1
Формирование УСЧИТ








Да
Да








Сдвиг РГД на разряд влево

да


СЧР{5:0} := СЧР{5:0}
СЧ Р:= СЧР +1








нет



Да


нет
Да
нет

РГД{1:32}=A{1:32}

СЧР := СЧР -1




Да





Сдвиг РГД на разряд влево







Микропрограмма.
Микропрограмма;
Переменные
входные: A{1:32}, СТРОБ;
внутренние: РГД{1:32}, СЧР{6:0};
выходные: A{1:7} = СЧР{6:0}, УСЧИТ;
Признаки:
Р1 = СТРОБ;
Р2 = (РГД{1:32} =0);
Р3 = (РГД{1} =1);
Р4 = (СЧР{6} = 0);
Управляющие сигналы:
УЗАП, УН, УСЧПЛ, УСЧМИН, УСДВ, УСЧИТ, УИНВ;
Процедура
М1 если Р1, то М1;
УЗАП: РГД{1:32}:= А{1:32},
УН: СЧР{6:0}:= 0;
М2 если Р2, то М4;
если Р3, то М3;
УСЧПЛ: СЧР:= СЧР + 1;
М3 УСДВ: РГД:= РГД{2:32}.0;
идти к М2;
М4 если Р1, то М4;
УЗАП: РГД{1:32}:= A{1:32};
М5 если P2, то М7;
если Р3, то М6;
УСЧМИН: СЧР:= СЧР - 1;
М6 УСДВ: РГД:= РГД{2:32}.0;
идти к М5;
М7 если Р4, то М8;
УИНВ: СЧР{5:0}:= СЧР{5:0};
УСЧПЛ: СЧР:= СЧР + 1;
М8 УСЧИТ: ;
конец.
Где УЗАП – сигнал устройства запоминания; УН – сигнал устройства накопления; УСЧПЛ, УСЧМИН – сигналы счетного устройства; УИНВ – сигнал инвертирующего устройства; УСДВ – сигнал устройства сдвига; УСЧИТ – сигнал устройства, генерирующего импульсы считывания.
Проверку на ноль содержимого регистра можно осуществить с помощью операции ИЛИ-НЕ(стрелка Пирса):
Ниже показан текст микропрограммы с учетом изложенных выше уточнений.
Микропрограмма;
Переменные
входные: A{1:32}, СТРОБ;
внутренние: РГД{1:32}, СЧР{6:0};
выходные: A{1:7} = СЧР{6:0}, УСЧИТ;
Признаки:
Р1 = СТРОБ;
Р2 = ↓/РГД{1:32};
Р3 = РГД{1};
Р4 = СЧР{6};
Управляющие сигналы:
УЗАП, УН, УСЧПЛ, УСЧМИН, УСДВ, УСЧИТ, УИНВ;
Процедура
М1 если Р1, то М1;
УЗАП: РГД{1:32}:= А{1:32},
УН: СЧР{6:0}:= 0;
М2 если Р2, то М4;
если Р3, то М3;
УСЧПЛ: СЧР:= СЧР + 1;
М3 УСДВ: РГД:= РГД{2:32}.0;
идти к М2;
М4 если Р1, то М4;
УЗАП: РГД{1:32}:= A{1:32};
М5 если P2, то М7;
если Р3, то М6;
УСЧМИН: СЧР:= СЧР - 1;
М6 УСДВ: РГД:= РГД{2:32}.0;
идти к М5;
М7 если Р4, то М8;
УИНВ: СЧР{5:0}:= СЧР{5:0};
УСЧПЛ: СЧР:= СЧР + 1;
М8 УСЧИТ: ;
конец.
Функциональная схема устройства.
Операционный автомат.
Функциональная схема операционного автомата представлена ниже:
Управляющий автомат с жесткой логикой.
Управляющий автомат построим с жесткой логикой. Конечный автомат может быть построен и как автомат Мура, и как автомат Мили. Построение графов переходов и выходов управляющего автомата осуществляется на основании граф-схем алгоритмов изображенных ниже.
Автомат Мура
0
УЗАП, УН

а1
1
УСЧПЛ, УСДВ




УСДВ

а2
а3
1

0

0
1
0
0
1




УСЧИТ





1



1


УИНВ
УСЧПЛ





1
0
0

УЗАП


1




а0
а4
а6
а7
а8
а2
а5
УСЧМИН, УСДВ




УСДВ

Граф автомата Мура:
Автомат Мили
0
1
0
0
1



УЗП

УСЧПЛ, УСДВ
УСЧИТ








0
1








УСДВ

1


УИНВ
УСЧПЛ








1



0


1
0
0

УЗАП

УСЧМИН, УСДВ




1





УСДВ






а0
а1
а2
а4
а3
а5
а0
Граф автомата Мили:
Управляющий автомат с программируемой логикой.
Составим каноническую форму микропрограммы синтезируемого операционного устройства в виде таблицы:
Номер | Метка | Управляющие сигналы | Переход |
0 1 2 3 4 5 6 7 8 9 10 11 12 13 14 15 16 17 18 | М1 М2 М3 М4 М5 М6 М7 М8 | УЗАП, УН УСЧПЛ УСДВ УЗАП УСЧМИН УСДВ УИНВ УСЧПЛ УСЧИТ | если Р1, то М1 если Р2,то М4 если Р3, то М3 идти к М2 если Р1, то М4 если Р2, то М7 если Р3, то М6 идти к М5 если Р4, то М8 конец |
В случае принудительной адресации строки 5 и 6, 12 и 13, 17 и 18 можно объединить. Тогда:
Номер | Метка | Управляющие сигналы | Переход |
0 1 2 3 4 5 6 7 8 9 10 11 12 13 14 15 | М1 М2 М3 М4 М5 М6 М7 М8 | УЗАП, УН УСЧПЛ УСДВ УЗАП УСЧМИН УСДВ УИНВ УСЧПЛ УСЧИТ | если Р1, то М1 если Р2,то М4 если Р3, то М3 идти к М2 если Р1, то М4 если Р2, то М7 если Р3, то М6 идти к М5 если Р4, то М8 конец |
Формат команды с принудительной адресацией имеет вид:
МК | УЗАП | УН | УСЧПЛ | УСЧМИН | УСДВ | УИНВ | УСЧИТ | ХР1 | ХР2 |
Разряды МК | 1 | 2 | 3 | 4 | 5 | 6 | 7 | 8 | 9 |
МК | ХР3 | ХР4 | А3 | А2 | А1 | А0 | |||
Разряды МК | 10 | 11 | 12 | 13 | 14 | 15 |
Для естественной адресации имеем два формата микрокоманд:
Операционные МК | 0 | УЗАП | УН | УСЧПЛ | УСЧМИН | УСДВ | УИНВ | УСЧИТ | – | – |
Управляющие МК | 1 | ХР1 | ХР2 | ХР3 | ХР4 | А4 | А3 | А2 | А1 | А0 |
Разряды МК | 1 | 2 | 3 | 4 | 5 | 6 | 7 | 8 | 9 | 10 |
Первый разряд формата микрокоманды УА с естественной адресацией определяет признак микрокоманды: 0 – операционная микрокоманда, 1 – управляющая микрокоманда.
Кодовые выражения микропрограммы для УА следующие:
Характеристики
Тип файла документ
Документы такого типа открываются такими программами, как Microsoft Office Word на компьютерах Windows, Apple Pages на компьютерах Mac, Open Office - бесплатная альтернатива на различных платформах, в том числе Linux. Наиболее простым и современным решением будут Google документы, так как открываются онлайн без скачивания прямо в браузере на любой платформе. Существуют российские качественные аналоги, например от Яндекса.
Будьте внимательны на мобильных устройствах, так как там используются упрощённый функционал даже в официальном приложении от Microsoft, поэтому для просмотра скачивайте PDF-версию. А если нужно редактировать файл, то используйте оригинальный файл.
Файлы такого типа обычно разбиты на страницы, а текст может быть форматированным (жирный, курсив, выбор шрифта, таблицы и т.п.), а также в него можно добавлять изображения. Формат идеально подходит для рефератов, докладов и РПЗ курсовых проектов, которые необходимо распечатать. Кстати перед печатью также сохраняйте файл в PDF, так как принтер может начудить со шрифтами.