patrin_dz (773246)
Текст из файла
Московский ордена Ленина, ордена Октябрьской Революции
и ордена Трудового Красного Знамени
ГОСУДАРСТВЕННЫЙ ТЕХНИЧЕСКИЙ УНИВЕРСИТЕТ имени Н.Э. БАУМАНА
Факультет: «Информатика и системы управления»
Кафедра: «Проектирование и технология производства электронной аппаратуры» («ИУ–4»)
ДОМАШНЕЕ ЗАДАНИЕ
по дисциплине
«Источники электропитания»
вариант №17
Студент: ______________________РТ2-71
(подпись, дата) (фамилия, инициалы) (индекс группы)
Руководитель: Патрин Г.М.
(фамилия, инициалы)
Москва
2016
Содержание
-
Исходные данные задания………………………………………………………...3
-
Мостовая схема выпрямителя……………….……..……………………………..4
-
Расчет трансформатора……………………………………………………………5
-
Список источников…………………………………………………………………7
-
Приложение………………………………………………………………………...8
1. Исходные данные задания
| tокр = 65 ◦С | Параметры расчета трансформатора и расчета схемы выпрямителя при работе на активную нагрузку |
| Входное напряжение первичной обмотки I, В | 9 |
| Напряжение вторичной обмотки II, В | 20 |
| Ток вторичной обмотки II, А | 0,6 |
| Напряжение вторичной обмотки III, В | 15 |
| Ток вторичной обмотки III, А | 0,8 |
| Частота входного напряжения, кГц | 20 |
| Форма напряжения | Синусоидальный сигнал |
| Выпрямитель с нагрузкой | Мостовая схема выпрямителя |
Задание: Рассчитать трансформатор
-
Определить типоразмер магнитопровода
-
Определить коэффициент заполнения окна медью
-
Определить рабочую индукцию и ЭДС индуцируемую в одном витке
-
Определить число витков первичной и вторичной обмоток
-
Определить ток первичной обмотки (I1)
-
Выбрать сечение провода обмотки
-
Определить потери в меди
-
Определить потери в магнитопроводе
-
Определить падение напряжение в обмотках
-
Определить КПД трансформатора
-
Определить перегрев трансформатора tокр = 65 ◦С
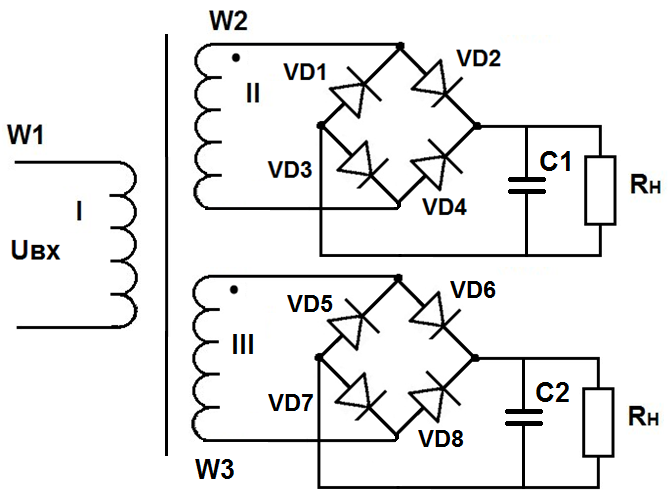
2. Мостовая схема выпрямителя
Рисунок 1 – Схема трансформатора
Обозначения:
I, II, III – первичная и вторичные обмотки трансформатора
Uвх – входное напряжение
W1, W2, W3 – число витков в обмотках I, II, III
Rн – резисторы нагрузки
VD1…VD8 – диоды
C1, C2 – фильтры
3. Расчет трансформатора
-
Выходная мощность трансформатора.
Рассчитывается по формуле:
Pвых = U2*I2+U3*I3
Pвых = 20*0,6+15*0,8 = 24 В×А
-
Входная мощность.
Для расчета входной мощности необходимо задать КПД трансформатора ƞ. Примем его равным 98%.
Тогда для активной нагрузки мощность трансформатора:
P1 = Pвых/ƞ = 24/0,98 ≈ 24,5 Вт
-
Входной ток трансформатора.
I1 = P1/U1 = 24,5/9 = 2,72А
Округляем значение входного тока в большую сторону
I1 = 3А
-
Выбор типоразмера магнитопровода.
По назначения входной мощности определяем P1=24,5 Вт для частоты f=20 кГц
Согласно таблице 1 (см. приложение) выбираем типоразмер магнитопровода: Ш8×8.
Для данного магнитопровода подберем соответствующий феррит: М2000НМ1-14.
-
Определение площади эквивалентного поперечного сечения.
Площадь эквивалентного поперечного сечения для выбранного магнитопровода Aе = 0,692 см2
-
Определение площади поперечного сечения обмотки.
Определяется допустимой плотностью тока j: q=I\j. Для выбранного магнитопровода определяем допустимую плотность тока j≤ 5,0 А/мм2
Учитывая значительный запас мощности (24,5 Вт < 45 Вт), принимаем:
J1 = 2,5 А/мм2;
J2 = 3 А/мм2;
J3 = 4 А/мм2.
Проведем расчет сечения по формуле: q = I/J.
q1 = 3/2,5 = 1,2 мм2;
q2 = 0,6/2 = 0,3 мм2;
q3 = 0,8/4 = 0,2 мм2.
Теперь подберем для каждого сечения свой тип обмоточного провода(выбираем по таблице):
В качестве обмоточного провода возьмем провод марки ПЭТВ-2.
Для первого сечения q1 = 1,2 мм2 (1,2272 мм2 ):
dм1 = 1,25 мм
dиз1 = 1,35 мм
Для второго сечения: q2 = 0,3 мм2 (0,31157 мм2 ):
dм2 = 0,63 мм
dиз2 = 0,7 мм
Для третьего сечения: q3 =0,2 мм2(0,24618 мм2 ):
dм3 = 0,56 мм
dиз3 = 0,63 мм
-
Число витков первичной обмотки.
W1 = U1*104/(4*Kф*f*B*Ae),
Где Kф – коэффициент формы трансформируемого напряжения (для синусоиды Kф = 1,11)
По данным таблицы 1, индукция в выбранном магнитопроводе при частоте 20 кГц не должна превышать 0,2 Тл. Принимаем значение индукции меньше допустимого на 30% (учитывая запас по мощности): B = 0,15 Тл
Тогда число витков первичной обмотки:
W1 = 9*104/(4*1,11*2*104*0,15*0,692) ≈ 10 витков
-
Значение ЭДС на виток.
E = U1/W1 = 9/10 ≈ 0,9 В/виток.
-
Число витков вторичной обмотки.
W2 = U2*m2/E,
Где m2 – коэффициент, учитывающий падение напряжения на вторичной обмотке. По данным таблицы 1 для выбранного магнитопровода падение напряжения U2≤5%. Принимаем ΔU2 = 0,8% => m2 = 1,008.
W2 = 20*1,008/0,9 ≈ 23 витка
-
Число витков на третьей обмотке.
W3 = U3*m3/E,
Где m3 – коэффициент, учитывающий падение напряжения на вторичной обмотке. По данным таблицы 1 для выбранного магнитопровода падение напряжения U3≤5%. Принимаем ΔU3 = 0,8% => m3 = 1,008.
W3 = 15*1,008/0,9 ≈ 17 витков.
-
Определение числа витков в одном слое.
Wсл = Lн* Ку/dиз,
Где dиз – диаметр провода по изоляции;
Ку – коэффициент укладки (из таблицы 1.21);
Lн – длина средней линии магнитопровода (из таблицы 1.20).
Для первой обмотки обмотки:
Wсл1= Lн1* Ку/dиз1= 20*0,87/1,35 = 12,88 ≈ 13 витков
Для второй обмотки:
Wсл2 = Lн2* Ку/dиз2 = 20*0,95/0,7 = 27,14 ≈ 28 витков
Для третьей обмотки:
Wсл3 = Lн3* Ку/dиз3 = 20*0,93/0,63 = 29,5 ≈ 30 витков
-
Нахождение числа слоев в обмотках.
Воспользуемся формулой:
Ni = Wi * Кпар/ Wiсл
Wi – число витков обмотки
Где Кпар – коэффициент параллельности, учитывает количество
параллельных проводов. В данном случае он равен 1.
i – порядковый номер слоя
Найдем число витков для каждой обмотки и округлим в сторону большего
значения:
N1 = 10*1/13 = 0,76 ≈ 1 слой
N2 = 17/28 = 0,6 ≈ 1 слой
N3 = 6,5/30 = 0,2 ≈ 1 слой
-
Высота обмотки.
Высота обмотки задается следующей формулой:
hi = [Ni*dизi+(Ni-1)*δi]*Kpi
Где Kp – коэффициент разбухания обмоток
δi – толщина изоляции между слоями (из таблицы 1.21)
В качестве межслойной изоляции выбраны бумага изоляционная намоточная
ЭН-50 ГОСТ 1931 для третьей обмотки и бумага кабельная марки К-120 ГОСТ 23436 для первой и второй обмоток.
Отыщем для каждой обмотки высоту.
Для первой:
h1 = [1*1,35+(1-1)*0,12]*1,15 = 1,55 мм
Для второй:
h2 = [1*0,7+(1-1)*0,12]*1,15 = 0,805 мм
Для третьей:
h3 = [1*0,63+(1-1)*0,05]*1,1 = 0,693 мм
-
Определение изолирующего зазора в конструкции катушки.
Для обеспечения конструктивного сопряжения выбираем значение воздушного зазора между магнитопроводом и каркасом по размеру a = 0,4мм, а по размеру b = 0,5мм. Толщина каркаса hкарк определяется размерами магнитопровода и значением испытательного напряжения. Для приведенных выше условий принимаем hкарк = 0,8мм.
Межслоевая и межобмоточная изоляция выбирается в соответствии с рекомендациями из таблицы 1.21. Между каркасом и третьей обмоткой размещается два слоя изоляционной бумаги марки ЭН-50 (толщина 0,05*2 = 0,1 мм) и один слой пленки ПЭТ-Э толщиной 0,012 мм. Таким же образом выполнена внешняя изоляция. Кроме того, дополнительно снаружи помещается слой бумаги К–120 (толщина 0,12 мм).
Между каркасом и первой (второй) обмоткой размещается два слоя изоляционной бумаги марки К-120 (толщина 0,12*2 = 0,24 мм) и один слой пленки марки ПЭТ-Э толщиной 0,012 мм. Таким же образом выполнена внешняя изоляция.
Таким образом, суммарная толщина изоляции между первичной обмоткой и каркасом hk-1 = 0,252 мм.
Такая же толщина изоляции h1-2 между первичной и вторичной обмотками.
Толщина изоляции между первичной и третьей обмотками h1-3 = 0,112 мм.
Толщина внешней изоляции:
hвн(1-2) = 0,252 + 0,12 = 0,372 мм
hвн(1-3) = 0,112 + 0,12 = 0,232 мм
-
Сопротивление обмотки.
Для определения сопротивления воспользуемся формулой:
Ri = ρ*Lср*Wi/qi
Где ρ – удельное электрическое сопротивление медного провода, равное 0,0175 Ом*мм2/м
qi – сечение провода первичной обмотки из пункта 6
Найдем Lср – длина среднего витка катушки.
Средний виток обмотки 1:
Lср1=2a+2b+2π(rk+hk-1+h1/2) = 2*8,8+2*9+2π*(0,4+0,252+1,55/2) ≈ 45 мм
Здесь rk– радиус скругления. Приблизительно равен значению a для первой обмотки и b.
Средний виток обмотки 2:
Lср2=2a+2b+2π(rk+hk-1+h2/2) = 2*8,8 +2*9+2π*(0,5+0,252+0,805/2) ≈ 43 мм
Средний виток обмотки 3:
Lср3=2a+2b+2π(rk+hk-1+h3/2) = 2*8,8 +2*9+2π*(0,5+0,252+0,693/2) ≈ 43 мм
Тогда сопротивление обмоток:
R1 = ρ*Lср1*W1/q1 = 0.0175*45*10-3*10/1,2 ≈ 0,0065 Ом
R2 = ρ*Lср2*W2/q2 = 0.0175*43*10-3*23/0.3 ≈ 0,057 Ом
R3 = ρ*Lср3*W3/q3 = 0.0175*43*10-3*17/0.2 ≈ 0,064 Ом
Узнаем реальное активное сопротивление обмоток Ra. Для этого воспользуемся графиком и найденными значениями сопротивления.
Ra = K**Ri
По графику находим, что для данной частоты (f = 20кГц) и сечения провода K*:
Ra1 = K**R1 = 1,05* 0,0065 ≈ 0,0068 Ом
Ra2 = K**R2 = 1* 0,057 ≈ 0,057 Ом
Ra3 = K**R3 = 1* 0,064 ≈ 0,064 Ом
-
Нахождение массы меди.
Рассчитаем массу меди для каждой обмотки:
Mi = Lсрi*Wi*qi*γ
Где γ – удельная масса меди – 8,9 г/см3;
M1 = Lср1*W1 * q1 * γ = 45*10-1 * 10 * 1,2 * 10-2* 8,9 = 4,8 г
M2 = Lср2* W2 * q2 * γ = 43 * 10-1 * 23 * 0,3 * 10-2* 8,9 = 2,64 г
M3 = Lср3* W3 * q3 * γ = 43 * 10-1 * 17 * 0,2 * 10-2* 8,9 = 1,3 г
Суммарная масса меди Мсумм = М1+М2+М3 = 8,74 г
-
Электрические потери в меди.
Рассчитываются согласно формуле:
PMi = Kθ*Ii2*Rai
Характеристики
Тип файла документ
Документы такого типа открываются такими программами, как Microsoft Office Word на компьютерах Windows, Apple Pages на компьютерах Mac, Open Office - бесплатная альтернатива на различных платформах, в том числе Linux. Наиболее простым и современным решением будут Google документы, так как открываются онлайн без скачивания прямо в браузере на любой платформе. Существуют российские качественные аналоги, например от Яндекса.
Будьте внимательны на мобильных устройствах, так как там используются упрощённый функционал даже в официальном приложении от Microsoft, поэтому для просмотра скачивайте PDF-версию. А если нужно редактировать файл, то используйте оригинальный файл.
Файлы такого типа обычно разбиты на страницы, а текст может быть форматированным (жирный, курсив, выбор шрифта, таблицы и т.п.), а также в него можно добавлять изображения. Формат идеально подходит для рефератов, докладов и РПЗ курсовых проектов, которые необходимо распечатать. Кстати перед печатью также сохраняйте файл в PDF, так как принтер может начудить со шрифтами.
















