136379 (766208)
Текст из файла
Информационное обеспечение рекламы и фундаментальные принципы управления
Я. Л. Либерман
Вопрос об информационном обеспечении рекламы - один из важнейших в организации деятельности любой рекламной фирмы. Вместе с тем сегодня он еще недостаточно изучен. Одной из наиболее распространенных точек зрения является, в частности, такая, при которой считают, что нормальное информационное обеспечение - это обеспечение, базирующееся на информации о рекламируемом объекте и априорных знаниях работников фирмы. Так, Т. К. Серегина и Л. М. Титкова полагают, что при разработке рекламного обращения "...необходимо учитывать свойства рекламируемого товара, способные привлекать потенциальных покупателей и стать основой рекламы. Используя имеющиеся знания о товаре, рекламодателе, потенциальных (но не реальных. - Я.Л.) покупателях, текстовик создает рекламное обращение"[1, 63]. Приводя "перечень информации, которую целесообразно собрать и использовать рекламным агентствам или непосредственно рекламодателям при написании рекламного текста", указанные авторы обращают внимание на:
Наименование товара (продукции).
Ассортимент (спецификация, модификация и т.д.).
Технические характеристики.
Сферы применения товара (продукции).
Полезные свойства и достоинства.
Удовлетворяемые нужды покупателей.
Эффективность использования товара (продукции).
Преимущества товара (продукции) по сравнению со старыми его (ее) образцами [2, 73].
Проанализируем, к чему приводит такая точка зрения, используя для этого математический аппарат описания фундаментальных принципов управления, поскольку систему "рекламная фирма - рынок" вполне правомерно рассматривать как систему управления, в которой рекламная фирма выполняет функции "управляющего устройства", а рынок - "объекта управления" [3, 14].
Составим вначале модель системы "рекламная фирма - рынок". Очевидно, что роль "задатчика" в такой системе играет рекламодатель. На основе информации R1 , поступающей от рекламодателя, и априорной информации R2 (знаний, опыта и т.п.) работников фирмы, последняя формирует управляющее воздействие на рынок, являющееся некоторой функцией суммарного объема той и другой информации f (R1 + R2) . Рынком воспринимается информационное воздействие R , в анализируемом случае равное f (R1 + R2) и чем больше R , тем больше сбыт товара и прибыль P от его реализации на рынке. Но рынок противодействует реализации. Как всякий инерционный объект он оказывает сопротивление Q внешним воздействиям, в частности, обусловленным деятельностью рекламной фирмы, что приводит к снижению прибыли P . В результате
P = AR - BQ;
гдеA и B - коэффициенты пропорциональности, независимые от R и Q . Интерпретируя P как выходной параметр системы, и будем иметь искомую модель.
Рисунок 1
Структурная схема системы "рекламная фирма - рынок" в анализируемом случае имеет вид, показанный на рис.1, где 1 - рекламодатель, 2 - рекламная фирма, 3 - рынок. Блок 3 управляется блоком 2 , но, кроме того, на него воздействуют внешние возмущения V , которые несут информацию о цене рекламируемого товара, товарах конкурентов, покупательной способности и психологических состояниях потребителей товара и т.п.
При изменениях V изменяется Q и, как следствие, P . Допустим, Q изменилось от Q1 до Q2 . Тогда P изменится от
P1 = AR - BQ1
до
P2 = AR - BQ2 ,
или на величину
P = P2 - P1 = ( AR - BQ2 ) - (AR - BQ1 ) = -B ( Q2 - Q1 ) = -B * Q.
Поскольку B0 , то в рассматриваемом случае рост сопротивления рынка на любую величину Q неминуемо приводит к снижению прибыли на P0 .
Система, показанная на рис.1, реализует принцип разомкнутого управления. Это первый и самый простой из фундаментальных принципов управления. Вторым и более сложным является принцип управления по отклонению. Применительно к изучаемому вопросу - по отклонению P .
Рисунок 2
Управление по отклонению P требует введения в систему "рекламная фирма - рынок" канала непрерывного сбора информации о величине прибыли от продажи товара. Сбор может осуществляться специальными "службами определения и анализа прибыли" 4 (рис.2), которые оценивают P и по результатам оценки выдают информацию R3 = CP , где С - коэффициент, аналогичный A и B . Величина R3 используется для коррекции управляющего воздействия, формируемого рекламной фирмой. Если в предыдущем случае указанное воздействие f ( R1 + R2 ) воспринималось рынком в качестве R , то в данном случае из него предварительно вычитается R3 (на рис.2 вычитатель обозначен цифрой 5), и рынком воспринимается
R = f ( R1 + R2 ) - R3 = f ( R1 + R2 ) - CP
Определим изменение P для системы с таким R при изменении Q от Q1 до Q2 . Ясно, что при Q1 имеет место
P1 = A [ f ( R1 + R2 ) - CP1 ] - BQ1
а при Q2 -
P2 = A [ f ( R1 + R2 ) - CP2 ] - BQ2 ,
или
P1 = [A f ( R1 + R2 ) - BQ1 ] / [1 + AC ] ,
P2 = [A f ( R1 + R2 ) - BQ2 ] / [1 + AC ] .
Изменение P составит
P = P1 - P2 = - [ B / ( 1 + AC ) ] * ( Q2 - Q1 ) = - [ B / ( 1 + AC ) ] * Q .
Нетрудно заметить, что снижение прибыли на P при росте сопротивления рынка на Q так же, как и в случае разомкнутого управления, не может быть равным нулю. Однако оно меньше в 1 + AC раз. Это наглядно демонстрирует целесообразность работы над рекламой не только на основании априорной информации R2 и информации R1 , поступившей от рекламодателя, но и с использованием информации о прибыли от реализации рекламируемого товара.
На первый взгляд кажется, что дополнительное использование информации о прибыли - идеальный вариант работы над рекламой, поскольку на колебаниях прибыли сказываются все возмущающие воздействия на систему "рекламная фирма - рынок". Однако в действительности это не так. Колебания прибыли - это уже последствия воздействия V . Корректируя деятельность рекламной фирмы в зависимости от прибыли, мы всегда будем запаздывать с коррекцией, так как будем принимать меры по совершенствованию рекламы лишь тогда, когда снижение прибыли уже произошло. Чтобы избежать этого, коррекцию лучше проводить, предупреждая возможное снижение P . Это можно осуществить, если в рекламной деятельности использовать фундаментальный принцип управления по возмущению. В данном случае он будет состоять в коррекции деятельности непосредственно в зависимости от информации, содержащейся в V , т.е. в зависимости от информации о конкурирующих товарах, о покупательной способности потребителей и пр.
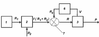
Рисунок 3
Структура системы "рекламная фирма - рынок" с управлением по возмущению приведена на рис.3, где 6 - средства получения информации о возмущениях V, 7 - сумматор. Покажем, что такая система действительно превосходит систему управления по отклонению P . Представим для этого информацию о V как R4 = D1 V , где D1 - коэффициент, подобный A, B и С . Но V определяет сопротивление рынка Q и правомерно полагать, что Q = D2 V , где D2 аналогично D1 . Отсюда
R4 = D1 V = D1 * ( Q / D2 ) = DQ.
При управлении по возмущению информационное воздействие на рынок
R = f ( R1 + R2 ) + R4 = f ( R1 + R2 ) + DQ.
Если Q изменяется от Q1 до Q2 , то P при таком R изменится от
P1 = A [ f ( R1 + R2 ) + DQ1 ] - BQ1
до
P2 = A [ f ( R1 + R2 ) + DQ2 ] - BQ2 ,
или от
P1 = Af ( R1 + R2 ) + ( AD - B ) Q1
до
P2 = Af ( R1 + R2 ) + ( AD - B ) Q2 .
Изменение при этом окажется равным
P = P2 - P1 = ( AD - B ) ( Q2 - Q1 ) = ( AD - B ) * Q ,
откуда видно, что даже при увеличении сопротивления рынка, потерь прибыли можно избежать, если ( AD - B ) = 0 , или D = B / A. Величина D всецело зависит от двух факторов: от полноты имеющейся в распоряжении работников рекламной фирмы информации о возмущениях V и от знаний работников фирмы о влиянии возмущений на сопротивление рынка Q (это следует из того, что D = D1 / D2 ). В связи с этим принципиально возможно в каждом конкретном случае выбрать такое D , какое требуется, и, в частности, равное или близкое к B / A. В результате система "рекламная фирма - рынок" станет инвариантной или почти инвариантной по отношению к V . Это и доказывает превосходство применения принципа управления по возмущению в указанной системе над использованием принципа управления по отклонению.
К сожалению, в реальных условиях сотрудники рекламной фирмы далеко не всегда имеют исчерпывающую информацию о возмущениях V и знания о механизме влияния возмущений на Q . Поэтому достоинства принципа управления по возмущению используются не полностью. Для того, чтобы компенсировать эту неполноту, целесообразно комбинировать принцип управления по возмущению с принципом управления по отклонению. Покажем, что это даст.
Рисунок 4
Очевидно, что использование принципа комбинированного управления (рис.4) влечет за собой
R = f ( R1 + R2 ) - R3 + R4 = f ( R1 + R2 ) - CP + DQ .
Подставив R в модель системы, при сопротивлении рынка Q1 получим
P1 = A [ f ( R1 + R2 ) - CP1 + DQ1 ] - BQ1 ,
а при Q2
P2 = A [ f ( R1 + R2 ) - CP2 + DQ2 ] - BQ2
или
P1 = [ Af ( R1 + R2 ) + ( AD - B ) Q1 ] / [ 1 + AC ] ,
P2 = [ Af ( R1 + R2 ) + ( AD - B ) Q2 ] / [ 1 + AC ] ,
Разница P2 и P1 составляет
P = P2 - P1 = [ ( AD - B ) ( Q2 - Q1 ) ] / [ 1 + AC ]= [ ( AD - B ) * Q ] / [ 1 + AC ] .
Числитель множителя при Q оказался таким, как при управлении по возмущению, а знаменатель - как при управлении по отклонению. Это означает, что при возрастании сопротивления рынка на Q потери прибыли будут в данном случае меньше, чем при управлении по возмущению, в ( 1 + AC ) раз. При D , близком к B / A , они будут вообще меньше, чем во всех случаях, рассмотренных ранее.
Проведенный анализ, разумеется, весьма приблизителен. Однако, как нам кажется, он достаточно убедительно показывает роль всех источников информации, необходимых при разработке рекламы, и позволяет сопоставить их значимость. Использование его результатов может дать возможность более осмысленно выбирать источники информации и в конечном итоге повысить эффективность рекламной деятельности. Он также может помочь построить информационную систему, облегчающую разработку рекламы. Для этого необходимо ввести количественный показатель, характеризующий сопротивление рынка Q (им может быть, например, число единиц рекламируемого товара, принимаемых торговыми организациями к реализации в единицу времени - в неделю, в месяц и т.п.), и путем статистического исследования найти зависимость Q от уровня возмущающих факторов X1, X2, X3 и т д., составляющих множество V . Полученная модель, допустим,
Q = G * X1Y1 * X2Y2 * X3Y3 * ... ** XnYn
где G - некоторая константа, Y1, Y2, Y3,...,Yn - показатели степени, характеризующие "весомость" возмущающих факторов, позволит оценить "влиятельность" этих факторов на Q , выбрать из них существенно влияющие и организовать систему сбора сведений о них и о прибыли. Использование собираемых сведений с учетом их "влиятельности" на Q и приведет к отмеченному выше повышению эффективности.
Список литературы
1. Реклама в бизнесе: Учебное пособие / Сост. Т. К. Серегина, Л. М. Титкова. — М., 1996.
2. Реклама в бизнесе: Учебное пособие / Сост. Т. К. Серегина, Л. М. Титкова. — М., 1996.
3.Старобинский Э. Е. Самоучитель по рекламе. 3-е изд., перераб. и доп. М., 1997.
Для подготовки данной работы были использованы материалы с сайта http://www.eunnet.net/
Характеристики
Тип файла документ
Документы такого типа открываются такими программами, как Microsoft Office Word на компьютерах Windows, Apple Pages на компьютерах Mac, Open Office - бесплатная альтернатива на различных платформах, в том числе Linux. Наиболее простым и современным решением будут Google документы, так как открываются онлайн без скачивания прямо в браузере на любой платформе. Существуют российские качественные аналоги, например от Яндекса.
Будьте внимательны на мобильных устройствах, так как там используются упрощённый функционал даже в официальном приложении от Microsoft, поэтому для просмотра скачивайте PDF-версию. А если нужно редактировать файл, то используйте оригинальный файл.
Файлы такого типа обычно разбиты на страницы, а текст может быть форматированным (жирный, курсив, выбор шрифта, таблицы и т.п.), а также в него можно добавлять изображения. Формат идеально подходит для рефератов, докладов и РПЗ курсовых проектов, которые необходимо распечатать. Кстати перед печатью также сохраняйте файл в PDF, так как принтер может начудить со шрифтами.
















