168166 (741806), страница 7
Текст из файла (страница 7)
Для сравнения была обработана проба загрязненной воды как прямым электролизом, так и хлорной водой. В результате электролитической обработки несколько увеличилось значение рН воды, снизились ее цветность и окисляемость. Изменение указанных показателей вполне закономерно. Увеличение рН воды происходит в результате образования в прикатодном пространстве щелочи; снижение цветности и как следствие окисляемости—при взаимодействии органических веществ с окислителями, в частности с электролитическим гипохлоритионом.
При обеззараживании сточной жидкости прямым электролизом значение БПК5 и оптической плотности, характеризующей наличие в воде растворимых органических загрязнений, практически не изменяется. Качество воды, оцениваемой по ХПК и окисляемости, улучшается в среднем на 5,8 и 8 % соответственно. Снижение в обработанной воде воде перманганатной и бихроматной окисляемости, очевидно, связано с наличием остаточного хлора и хлораминов. Действуя как окислители, они снижают количество потребляемого KMnO4 и K2Cr2O7.
Результаты санитарно-бактериологических исследований, подтверждающие, что основным критерием бактериальной надежности воды остается величина остаточного хлора, а также данные технологических опытов позволяют считать, что, несмотря на возможность образования в процессе электролиза различных соединений и окислителей, основное влияние на эффект обработки воды оказывает, по-видимому, активный хлор. Следовательно, с целью создания экономичного метода обеззараживания воды процесс ее прямого электролиза необходимо проводить при условиях, обеспечивающих максимально возможный выход хлора по току.
Таблица 2.2
Влияние прямого электролиза на качество очищенной сточной жидкости.
| Показатели | Значение показателей на этапе обработки | Процент снижения показателей | |
| до электролиза | после электролиза | ||
| БПК5, мг/л | 1,46 | 1,46 | 0 |
| ХПК, мг/л | 27,9 | 26,3 | 5,8 |
| Окисляемость, мг/л | 5,14 | 4,73 | 8 |
| Оптическая плотность (250 см) | 0,13 | 0,13 | 0 |
2.9.Схемы конструкции электролизных установок и принципы их действия
Возможные технологические схемы процесса получения растворов гипохлорита натрия зависит от вида исходного раствора хлоридов, требуемой концентрации активного хлора в готовом продукте, территориального расположения объекта, на котором производится гипохлорит натрия, стоимости электроэнергии и соли.
Наиболее простой схемой электролизной установки с минимальными возможными капитальными затратами является схема, при которой в качестве рассолов используют природные электролиты – подземные минерализованные и морские воды. В этом случае, как показывают расчеты, эксплуатационные расходы определяются в основном затратами электроэнергии, поэтому с целью снижения энергетических затрат процесс целесообразно вести в направлении получения слабоконцентрированных растворов гипохлорита натрия с содержанием активного хлора 0,2-1 г/л. При реализации такой схемы на практике электролит без какой-либо предварительной обработки с заданным расходом подается на электролизную установку, а затем в бак накопитель гипохлорита натрия или прямо в обрабатываемые системы.
В определенных условиях при работе электролизеров на морской воде по санитарно-гигиеническим соображениям требуется применение растворов гипохлоритов с более высоким содержанием активного хлора (до 3-3,5 г/л). Однако очевидно, что применение таких установок ограничено районами, расположенными в прибрежных зонах, и подземные минеральные воды могут использоваться только в тех случаях, когда вблизи очистных сооружений находятся пробуренные скважины многоцелевого назначения. В связи с вышесказанным, наибольшее распространение нашли установки, работающие на растворах поваренной соли.
Технологические схемы электролизных установок, работающих на растворах поваренной соли, могут быть как проточные, так и с системой рециркуляции.
Основное отличие режимных параметров проточных электролизёров от параметров электролизёров периодического действия заключается в том, что в первом случае процесс электролиза можно полагать стационарным, не зависящим от времени. При этом, если расход рассола, подаваемого на электролиз, и токовая нагрузка на электролизёр остаются постоянными, то сохраняется неизменной и концентрация раствора гипохлорита натрия, отводимого из электролизёра.
В электролизёрах периодического действия концентрация гипохлорита натрия зависит от времени, прошедшего с начала электролиза.
При использовании проточных электролизёров появляется возможность сократить затраты на обслуживание установок, т. к. здесь значительно легче управлять процессом.
При применении проточных электролизёров наиболее сложной задачей в обслуживании является обеспечение непрерывной подачи раствора поваренной соли на электролизёры.
В случае применения электролизёров периодического действия обслуживающий персонал должен значительно больше затрачивать времени на организацию процесса в связи с тем, что он вынужден несколько раз в сутки заполнять электролизёры раствором и сливать из них гипохлорит натрия.
Эта причина по-видимому обуславливает преимущественное применение электролизёров проточного типа за рубежом.
В зависимости от вида используемого сырья электролизные установки можно разделить на установки для прямого электролиза, для электролиза искусственно приготовленного раствора, для электролиза природных рассолов. В первом случае гипохлорит натрия получают из хлоридов, содержащихся в небольших концентрациях в обрабатываемой воде, а в двух последних для этой цели используют более концентрированные растворы поваренной соли.
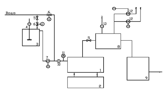
Рис.2.1. Технологическая схема проточного электролизера
1 – проточный трубчатый электролизер
2 – блок питания
3 – емкость приготовления концентрированного раствора соли
4 – мешалка
5 – шаровой вентиль
6 – регулировочные клапаны
7 – насос дозатор соляного раствора
8 – сепаратор
9 – емкость раствора гипохлорита натрия
10 – реле протока жидкости
11 – манометр
12 – вентилятор
13 – реле протока воздуха
Расход поваренной соли у прямоточных установок, как правило, несколько больше, чем у рециркуляционных. Однако их оформление и условия эксплуатации значительно проще. Поэтому такие аппараты зачастую используют на объектах небольшой пропускной способности, когда некоторый перерасход соли оправдан простой их конструкции и обслуживания.
В последние годы прямоточные схемы находят распространение и на очистных сооружениях и со значительной суточной потребностью в активном хлоре. В этих схемах используются электролизеры с окисно-металлическими анодами, способными эффективно работать даже при концентрации раствора поваренной соли всего 12-25 мг/л. При столь невысоком содержании хлоридов в исходном электролите экономически оправданная степень разложения соли достигается без применения каких-либо дополнительных устройств в виде рециркуляционных насосов, систем охлаждения и т.п.
Таблица 3
Размеры помещений в зависимости от типа установки
| Показатель | Значения показателей при типовом номере электролизера | |||||||||
| 1 | 1,5 | 2 | 5 | 10 | 15 | 20 | 25 | 30 | ||
| Производительность по активному хлору, кг/ч | 1,2 | 1,5 | 2 | 5 | 10 | 15 | 20 | 25 | 30 | |
| Размеры здания h*l, м | 2*2 | 2*2,5 | 2*2,5 | 2,5*3,5 | 3*5 | 4*7 | 5*7,5 | 6*6 | 6*6,5 | |
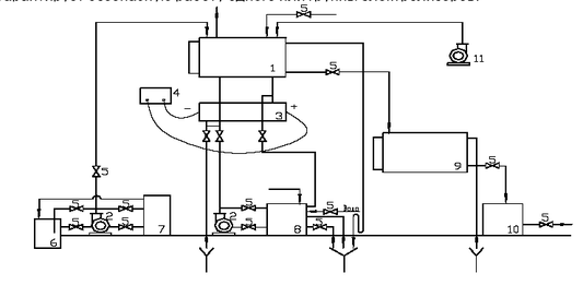
Технологическая схема электролизера циклического действия более сложная по сравнению со схемой проточного электролизера. Поэтому она применяется, как правило, в тех случаях, когда требуется наиболее полное использование поваренной соли, а также при необходимости получения растворов гипохлоритов с повышенным содержанием активного хлора.
Концентрированный раствор поваренной соли из емкости мокрого хранения насосом подается в емкость рабочего раствора, где происходит разбавление соли водопроводной водой до рабочей концентрации, а затем – в электролизер. В процессе электролиза происходит нагрев электролита, поэтому необходима постоянная вентиляция.
Рис.2.2.Технологическая схема электролизера циклического действия
1 – электролизная емкость
2 – насос перекачивающий
3 – трубчатый электролизер
4 – блок питания ( выпрямитель)
5 – шаровые вентили
6 – емкость мокрого хранения соли
7 – емкость рабочего раствора соли
8 – узел кислотной промывки
9 - емкость раствора гипохлорита натрия
10 – дозирующее устройство
11 – вентиляционная установка
Таблица 2.4.
Основные технико-экономические показатели трубчатых электролизеров “ХлорЭл”
| № | Наименование показат | Модификация трубчатого электролизера ХлорЭл | |||
| РГ001/800 | РГ001/1150 | РГ 001/1500 | РГ 001/2000 | ||
| 1 | Режим работы | Прот-непр | Прот-непр | Прот-непр | Прот-непр |
| 2 | Рабочая концентрация Раствора NaCl, г/дм3 | 20+/- 2 | 20+/- 2 | 20+/-2 | 40+/-4 |
| 3 | Удельный расход эл.эн на электролиз,кВт-ч/кг | 6,5 | 6,5 | 6,5 | 4,2 |
| 4 | Материал анода | ОРТА | ОРТА | ОРТА | ОРТА |
| 5 | Материал катода | титан | титан | титан | титан |
| 6 | Удельный расход NaCl, кг/кга.х. | 3,3 | 3,3 | 3,3 | 5,0 |
| 7 | Рабочая плотность тока, А/дм2 | 100 | 100 | 100 | 100 |
| 8 | Ресурс работы анодного покрытия, ч | 2000 | 2000 | 2000 | 2000 |
| 9 | Ресурс работы электродов, не менее, лет | 10 | 10 | 10 | 10 |
| 10 | Производительность по активному хлору, г/ч | 800 | 1150 | 1500 | 2000 |
Достоинства электролитического гипохлорита натрия как эффективного бактерицидного агента, простота и надежность электролизных установок, а также заинтересованность потребителей в применении безопасного электрохимического метода обеззараживания воды привели к созданию огромного числа самых разнообразных по своей конструкции электролизеров.
Лучшими зарубежными образцами установок являются «Sanilec» (Diamond shamrock corporation), «Pepcon» (Pacific engineering and Production company of Nevada)















