166801 (740527)
Текст из файла
1 АНАЛИЗ ОБЪЕКТА ПРОЕКТИРОВАНИЯ
В данной курсовой работе разработана система синхронизации положения траверсы гидравлического пресса усилием 75000тс. Необходимость разработки такой системы объясняется тем, что в процессе штамповки из-за эксцентричного нагружения пресса происходит перекос траверсы относительно нижнего штампа с заготовкой. Из-за перекосов траверсы появляется клиновидность получаемых заготовок, т.е. ухудшаются их качественные параметры, требуется дополнительная обработка в механическом цехе, что ведет к повышению затрат на производство продукции. Причины возникновения эксцентриситета нагрузки: несимметричность форм штампуемых изделий, неравномерный нагрев заготовки, неравномерное остывание из-за специфики формы изделия. Т.к. данные причины являются неустранимыми, то поддержание параллельности траверсы относительно стола необходимо осуществлять с помощью системы синхронизации.
Модернизация системы синхронизации позволит получать штампованные заготовки высокой точности, снизится объем работ по дальнейшей обработке деталей, снизится время обработки заготовок, повысится производительность, а следовательно себестоимость получаемых изделий будет ниже. Т.о. экономический эффект от использования системы синхронизации траверсы пресса очевиден.
Имеющаяся система синхронизации на прессе основана на применении синхронизирующих цилиндров, расположенных в нижней части траверсы. Работа основана на принципе гидравлического слежения. При появлении перекоса поперечины пресса, возросшее давление в одном синхронизирующем цилиндре повышает давление в другом до выравнивания траверсы. Но в процессе эксплуатации такой системы выявили ее малую надежность и точность. В современных условиях требования к точности получаемых заготовок возросли, поэтому появилась необходимость в разработке новой системы синхронизации положения траверсы.
Рисунок 1.1 – Схема системы ограничения перекоса подвижной поперечины пресса 750 МН
Для разработки системы синхронизации положения траверсы приведем необходимые технические характеристики гидравлического пресса.
Пресс имеет двенадцать рабочих цилиндров с диаметром поршня 1520 мм.
Номинальное усилие – 750 МН, достигается за счет давления всех 12 цилиндров и собственного веса траверсы 5000т (50 МН).
За счет различной подачи рабочей жидкости в группы цилиндров возможен набор усилия от 50 до 750 МН.
Пресс имеет привод от двухсекционной насосно-аккумуляторной станции (давления 20 и 32 МПа).
Ход траверсы – 2000 мм.
Диапазон скоростей траверсы при рабочем ходе: 0,2 – 30 мм/с.
Обратный ход поперечины осуществляется специальными возвратными цилиндрами.
Система синхронизации действует по принципу изменения усилия в рабочих цилиндрах при перекосе траверсы посредством регулирования количества поступающей в них жидкости. Данное регулирование можно осуществлять различными способами. Разработка новой системы синхронизации предполагает отказаться от синхронизирующих цилиндров, а использовать в качестве последних четыре крайних рабочих. Эта возможность обусловлена тем, что в крайних рабочих цилиндрах при любой ступени усилия пресса рабочее давление 32 МПа. При этом в момент появления перекоса необходимо уменьшить подачу жидкости в крайнем гидроцилиндре и возобновит ее при исчезновении перекоса.
Достоинства такого поддержания траверсы в бесперекосном горизонтальном положении во время рабочего хода при эксцентричном нагружении пресса в том, что освобождается рабочее пространство в нижней части траверсы, возможно более точное поддержание необходимого давления штамповки.
Регулировать расход в рабочих (синхронизирующих) цилиндрах можно с помощью напорного клапана, который включает в свой состав гидроцилиндр, перемещение поршня которого регулирует расход жидкости через клапан в рабочий гидроцилиндр. Т.о. стоит задача проектирования системы управления перемещением поршня цилиндра напорного клапана в зависимости от величины перекоса поперечины пресса.
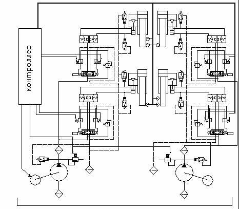
Структурная схема системы синхронизации траверсы представлена на рисунке 1.2.
Рисунок 1.2 – Структурная схема синхронизации траверсы пресса
Регулируемым объектом является траверса пресса. В качестве чувствительного элемента используем датчик положения. В качестве усилительно- преобразующего устройства применим дросселирующий распределитель. Регулирующий орган – гидроцилиндр напорного клапана.
Важный элемент алгоритма работы системы синхронизации – определение зависимости величины расхода жидкости в рабочем цилиндре от положения траверсы. Для этого необходимо ввести в схему контроллер, который будет обрабатывать информацию с датчиков положения и выдавать сигналы на установку положения золотников в соответствующих дросселирующих распределителях. В результате управляемые клапаны будут открываться и закрываться на необходимую величину, подавая в синхронизирующие гидроцилиндры определенную подачу рабочей жидкости.
Расход жидкости в каждом синхронизирующем цилиндре управляется отдельно, по два цилиндра на одну насосную установку. Это решение обусловлено конструктивными особенностями гидравлического пресса. Насосные установки располагаются в верхней части пресса, непосредственно вблизи напорных клапанов, регулирующих расход в синхронизирующих цилиндрах. Таким образом предотвращаются потери давления по длине трубопровода и в местных гидравлических сопротивлениях. Два крайних цилиндра слева управляются от одной насосной установки, два крайних цилиндра справа – от другой. При этом повышается надежность эксплуатации системы синхронизации, т.к. при аварийных ситуациях, таких как отказ в работе приводного электродвигателя, имеется возможность с помощью второй насосной установки вернуть гидроцилиндры в исходное положение. Т.о. отказ в работе системы ограничения перекоса не окажет существенного влияния на функционирования всей системы.
Для повышения надежности работы системы синхронизации необходимо предусмотреть возможные аварийные ситуации. В основном это повышение давления при выходе из строя гидроаппаратуры. При этом необходимо сигнализировать о повышении давления в соответствующих точках схемы и при необходимости отключить приводной электродвигатель для предотвращения аварийных ситуаций.
Первоочередной задачей при разработке системы синхронизации положения траверсы пресса является расчет управляемого впускного клапана, т.к. данный гидроаппарат не является типовым и не имеет справочных данных. После расчета впускного клапана необходимо для него спроектировать систему управления, рассчитать и выбрать гидроаппаратуру. Для контроля положения траверсы выбрать датчики положения и спроектировать схему сопряжения этих датчиков с выбранным микроконтроллером. В алгоритме работы необходимо учесть сигналы с датчиков аварийных ситуаций.
Построение динамической модели системы синхронизации позволит получить ее переходной процесс и оценить объект управления на устойчивость и быстродействие.
Функциональная схема системы синхронизации приведена на рисунке 1.3. Схема разработана в пакете AUTOCAD2000.
Р
исунок 1.3 – Функциональная схема системы синхронизации положения траверсы пресса
2 ГИДРАВЛИЧЕСКИЙ РАСЧЕТ СИСТЕМЫ СИНХРОНИЗАЦИИ
2.1
РАСЧЕТ ВПУСКНОГО УПРАВЛЯЕМОГО КЛАПАНА
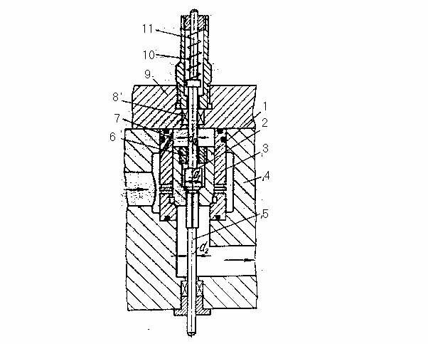
Принципиальная схема клапана представлена на рисунке 2.1.
Рисунок 2.1 – Впускной управляемый клапан гидравлического пресса
1-5 – клапан; 6 – втулка; 7 – отверстия; 8 – уплотнения; 9 – крышка; 10 – пружина; 11 – указатель.
Проходное сечение клапана:
где Fпл – площадь поршня цилиндра, обслуживаемого данным клапаном;
пл – скорость поршня;
к – скорость движения жидкости через клапан.
При давлениях жидкости р=20-32Мпа к для клапанов выбирают до 20-30 м/c.
Тогда диаметр условного прохода и диаметр клапана:
Исходя из полученного диаметра основного клапана принимаем диаметр разгрузочного клапана d1=22м, а диаметр штока клапана соответственно d2=12 мм.
Для клапана усилие для подъема штока определяется по формуле:
где d1 – диаметр разгрузочного клапана;
d2 – диаметр штока клапана;
Т – сила трения в манжетах;
П – усилие пружины.
Пренебрегая силами трения и усилием пружины найдем необходимое усилие:
Обычная величина подъема разгрузочного клапана 4мм.
2.2 ВЫБОР ИСПОЛНИТЕЛЬНОГО ГИДРОЦИЛИНДРА
Для регулирования потоком жидкости в синхронизирующих цилиндрах гидравлического пресса применен напорный клапан, для его подъема используем гидроцилиндр исходя из следующих условий:
где
и
- соответственно паспортное и заданное значения толкающего номинального усилия на штоке;
и
- соответственно паспортное и заданное значения максимального хода штока гидроцилиндра;
и
-соответственно паспортное и заданное максимальные значения скорости движения штока.
Выбираем гидроцилиндр с односторонним расположением штока ЦРГ25Х12, имеющий техническую характеристику:
D=25 мм; d=10 мм;
=6 мм;
=7400 Н;
=1,5
;
=0,95; m=1,88 кг при номинальном давлении
.
Для выбранного типоразмера гидроцилиндра определяем расчётные значения необходимого перепада давления и объёмного расхода жидкости
на входе в гидроцилиндр и
- на выходе.
Эффективные площади поршня:
Необходимый перепад давления:
Т.к. закрытие и открытие клапана должно проходить в минимальное короткое время, то учитывая минимальное время срабатывания дросселирующего распределителя 0,04с необходимая заданная скорость
Характеристики
Тип файла документ
Документы такого типа открываются такими программами, как Microsoft Office Word на компьютерах Windows, Apple Pages на компьютерах Mac, Open Office - бесплатная альтернатива на различных платформах, в том числе Linux. Наиболее простым и современным решением будут Google документы, так как открываются онлайн без скачивания прямо в браузере на любой платформе. Существуют российские качественные аналоги, например от Яндекса.
Будьте внимательны на мобильных устройствах, так как там используются упрощённый функционал даже в официальном приложении от Microsoft, поэтому для просмотра скачивайте PDF-версию. А если нужно редактировать файл, то используйте оригинальный файл.
Файлы такого типа обычно разбиты на страницы, а текст может быть форматированным (жирный, курсив, выбор шрифта, таблицы и т.п.), а также в него можно добавлять изображения. Формат идеально подходит для рефератов, докладов и РПЗ курсовых проектов, которые необходимо распечатать. Кстати перед печатью также сохраняйте файл в PDF, так как принтер может начудить со шрифтами.
















