151915 (733155)
Текст из файла
Размещено на http://www.allbest.ru/
Вступ
Прилади для виміру неелектричних величин або окремі їхні перетворювачі в робочих умовах піддаються впливу різних несприятливих умов, що погіршують їхню точність. Одним з методів зменшення похибки є метод структурування схеми пристрою. За цим методом прилад будується з реальних перетворювачів, які піддані дії зовнішніх впливів, але його структурна схема вибирається така, щоб похибки окремих перетворювачів взаємно компенсувалися. Структурний метод дозволяє побудувати "гарний" прилад, використовуючи "погані" перетворювачі. Структурна схема приладу багато в чому визначає його властивості. Прилади, побудовані за простими схемами, звичайно дешевші й надійніші приладів, побудованих за складними схемами. Однак ускладнення схеми дозволяє побудувати із кращими метрологічними характеристиками: меншою похибкою, меншою інерційністю й т.д.
1. Послідовне з'єднання перетворювачів
Послідовною схемою з'єднання перетворювачів називається схема, де вхідною величиною кожного наступного перетворювача служить вихідна величина попереднього. Вхідною величиною першого перетворювача є вимірювана величина. Окремі перетворювачі можуть мати складнішу структуру.
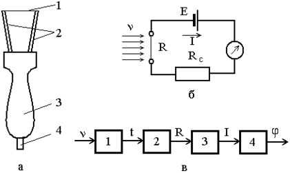
Прикладом схеми з послідовним з'єднанням перетворювачів є структурна схема термоанемометра (приладу для вимірювання швидкості газів). Давач (рис. 1, а) є платиновим дротом 1 з опором R, припаяним до манганінових стрижнів 2, які змонтовані на ручці 3. Дріт за допомогою проводів 4 включений в електричне коло, показане на рис.1, б, і нагрівається струмом I, що йде від джерела Е. При протіканні струму I по рамці вимірювального механізму його стрілка відхиляється. Символом
позначений сумарний опір проводів, вимірювального механізму й джерела живлення.
Рисунок 1 – Послідовне з'єднання перетворювачів
У розглянутому термоанемометрі можна виділити такі елементарні перетворювачі, включені послідовно (рис.1,в): 1 ‑ нагрітий дріт, що перетворить швидкість v повітря в зміну температури t; 2 ‑ той же дріт, що виконує функцію термометра опору й перетворить зміну температури в зміну опору R; 3 – електричне коло, що перетворить зміну опору R у зміну струму I; 4 – вимірювальний механізм, що перетворить зміну струму I у зміну відхилення стрілки або відліку приладу ц.
Визначимо функцію перетворення приладу з послідовним з'єднанням перетворювачів. При цьому вважатимемо заданими функції перетворення окремих перетворювачів. Функція перетворення першого перетворювача є залежністю температури дроту термоанемометра t від швидкості повітря v і виражається складною аналітичною залежністю, яку позначимо
. (1)
Функція перетворення другого перетворювача є залежністю опору платинового дроту R від температури t і виражається рівнянням
, (2)
де R0 ‑ її опір при 0 °С;
– температурний коефіцієнт опору.
Функція перетворення третього перетворювача – залежність струму I у колі від значення опору R:
. (3)
Функція перетворення четвертого перетворювача – залежність відхилення стрілки магнітоелектричного механізму
від струму I, що проходить через нього, причому
(4)
де SM – чутливість механізму.
Функцію перетворення приладу отримуємо шляхом послідовної підстановки функцій перетворення елементарних перетворювачів (3), (2), (1) в (4):
. (5)
Вираз (5) визначає залежність відхилення стрілки приладу від вимірюваної швидкості повітряного потоку, а також вплив конструктивних параметрів SM, E, Rc, R0, б на функцію перетворення й може використовуватися при проектуванні.
Визначимо залежність чутливості приладу від чутливостей окремих перетворювачів
. Відповідно до визначення чутливості
,
,
,
. (6)
Перемноживши значення чутливостей, одержимо
. (7)
Права частина рівності є чутливістю приладу
`. (8)
Отже, при послідовному з'єднанні перетворювачів чутливість приладу дорівнює добутку чутливостей вхідних у нього перетворювачів:
. (9)
Розглянемо залежність похибки приладу з послідовним з'єднанням перетворювачів від похибок елементарних перетворювачів. Для простоти зазначимо, що прилад складається із трьох перетворювачів (рис. 2). Припустимо, що кожний окремо взятий перетворювач має похибку. Його вихідну величину можна подати у вигляді суми
, (10)
де уН — частина вихідного сигналу, обумовлена вхідною величиною й номінальною функцією перетворення;
Ду — абсолютна похибка, наведена до виходу перетворювача.
Рисунок 2 – Визначення похибки послідовного з'єднання
Якщо перетворювачі з'єднані в послідовну схему (рис. 2), то сигнал похибки Ду впливає на вхід наступного перетворювача так само, як і сигнал уН. Оскільки похибка Ду звичайно мала, можна вважати, що на виході наступного перетворювача вона утворить сигнал SДу, де S – чутливість наступного перетворювача. Якщо функція перетворення цього перетворювача нелінійна, то чутливість S залежить від сигналу уН.
Вихідна величина перетворювача 1
(11)
впливає на вхід перетворювача 2. Вихідна величина перетворювача 2 при цьому дорівнюватиме
(12)
де S2 – чутливість перетворювача 2;
Ду2 – його похибка.
Вихідна величина перетворювача 2 впливає на вхід перетворювача 3. Вихідна величина перетворювача 3 при цьому стане рівною
, (13)
де S3 – чутливість перетворювача 3;
Ду3 – його похибка.
За відсутності похибок вихідна величина приладу дорівнює у3H, отже, похибка схеми
. (14)
З (14) видно, що при послідовному з'єднанні перетворювачів похибка приладу дорівнює сумі перелічених до виходу похибок усіх вхідних в нього перетворювачів.
Аналогічно можна показати, що похибка по входу визначається виразом
, (15)
де Дx1, Дx2, Дx3 – похибки перетворювачів 1–3 по входу.
Розглянемо наведену похибку приладу, що складається з перетворювачів із пропорційною функцією перетворення. Діапазон зміни вихідної величини такого приладу
. (16)
Підставивши (14) і (16) у формулу наведеної похибки, одержимо
. (17)
Отже, при послідовному з'єднанні перетворювачів, що мають пропорційні функції перетворення, наведена похибка приладу дорівнює сумі наведених похибок перетворювачів, його складових.
З отриманих виразів можна визначити похибку приладу, якщо відомі похибки перетворювачів, його складових, наприклад, якщо похибки систематичні.
Якщо ж похибки випадкові, то їхні значення звичайно невідомі, але часто відомі імовірнісні параметри точності: середньоквадратична похибка, граничні похибки й т.д.
Для схеми рис. 2 абсолютне значення середньоквадратичної похибки при незалежності похибок окремих перетворювачів у першому наближенні можна визначити за формулою
, (18)
де у1,2,3 – абсолютне значення середньоквадратичної похибки відповідних перетворювачів.
Наведена середньоквадратична похибка при пропорційній функції перетворення визначається виразом
(19)
де упр1,2,3 ‑ наведені середньоквадратичні похибки відповідних перетворювачів.
Вирази (18) і (19) справедливі лише за умов нормальних законів розподілення похибок. У іншому разі вони дають наближений результат. Для більш точного обчислення потрібно використовувати строгий метод підсумовування ймовірнісних величин.
Перевагою приладу з послідовним з'єднанням перетворювачів є його простота, недоліком ‑ досить велика похибка.
2. Диференціальні схеми з'єднання перетворювачів
Диференціальною схемою називається схема, що містить два канали з послідовним з'єднанням перетворювачів, причому вихідні величини кожного з каналів подаються на два входи від’ємного перетворювача. Від’ємний перетворювач – це перетворювач із двома входами, вихідна величина якого є непарною функцією різниці двох вхідних:
. (20)
Зокрема, вихідна величина може бути рівною
. (21)
На рис. 3 показана структурна схема диференціального перетворювача. Відповідно до прийнятих позначень величина, що подається на сектор, позначеним знаком «–» (перетворювач 2), віднімається з величини, що підводиться до іншого сектора. Обидва канали диференціальної схеми робляться однаковими й перебувають в однакових робочих умовах.
Рисунок 3. – Диференційний перетворювач
Диференціальні схеми можуть бути двох типів. У схемі першого типу вимірювана величина впливає на вхід одного каналу, на вхід іншого впливає фізична величина тієї ж природи, але вона має постійне значення, зокрема, нульове. Тоді другий канал служить для компенсації похибок, викликаних зміною умов роботи приладу. У схемі другого типу вимірювана величина після деякого перетворення впливає на обидва канали, причому так, що коли на вході одного каналу вхідна величина зростає, на вході іншого ‑ зменшується.
Розглянемо похибку перетворювача, зібраного за диференціальною схемою рис. Нехай перетворювачі 1 і 2 мають адитивні похибки, тобто такі, які не залежать від вхідної величини. У цьому випадку
. (22)
Похибки Ду обох каналів можна вважати рівними, оскільки канали однакові й перебувають у тих самих умовах. При цьому вихідна величина диференціального перетворювача
. (23)
Отже, у диференціальних перетворювачах адитивні похибки каналів 1 і 2 компенсуються.
Лінійність функції перетворення диференціальної схеми другого типу при малих х краще, ніж лінійність вихідних перетворювачів. Нехай канали 1 і 2 мають нелінійні функції перетворення
. (24)
Розкладаючи у1 й у2 у степеневий ряд в околі х0, одержимо
;
. (25)
При підсумовуванні у1 й у2 будуть скомпенсовані адитивні похибки, та похибки і нелінійність, що виникають завдяки другій похідній функції перетворення.
3. Логометричні схеми з'єднання перетворювачів
Логометрична схема включення перетворювачів (рис. 4) містить два канали з послідовним з'єднанням перетворювачів, вихідні величини яких подаються на логометричний перетворювач. Логометричний перетворювач – це перетворювач із двома входами, вихідна величина якого є функцією відношення від вхідних величин:
. (26)
Обидва канали логометричної схеми, як і в диференціальній схемі, виконуються однаково й перебувають у тих самих умовах.
Логометрична схема дозволяє компенсувати мультиплікативну похибку.
У загальному випадку для схеми, наведеної на рис. 4, при пропорційній функції перетворення каналів 1 і 2
. (27)
Характеристики
Тип файла документ
Документы такого типа открываются такими программами, как Microsoft Office Word на компьютерах Windows, Apple Pages на компьютерах Mac, Open Office - бесплатная альтернатива на различных платформах, в том числе Linux. Наиболее простым и современным решением будут Google документы, так как открываются онлайн без скачивания прямо в браузере на любой платформе. Существуют российские качественные аналоги, например от Яндекса.
Будьте внимательны на мобильных устройствах, так как там используются упрощённый функционал даже в официальном приложении от Microsoft, поэтому для просмотра скачивайте PDF-версию. А если нужно редактировать файл, то используйте оригинальный файл.
Файлы такого типа обычно разбиты на страницы, а текст может быть форматированным (жирный, курсив, выбор шрифта, таблицы и т.п.), а также в него можно добавлять изображения. Формат идеально подходит для рефератов, докладов и РПЗ курсовых проектов, которые необходимо распечатать. Кстати перед печатью также сохраняйте файл в PDF, так как принтер может начудить со шрифтами.
















