151874 (733144)
Текст из файла
Размещено на http://www.allbest.ru/
ВСТУП
На теплових електричних станціях та у котельнях централізованого теплопостачання для підтримування оптимального технологічного процесу необхідно визначити склад багатьох речовин. Бо тільки за наявності інформації про склад речовин можна забезпечити свідомі й цілеспрямовані дії оперативного персоналу, що керує процесом виробництва енергії.
Таку інформацію можна одержати за допомогою приладів, що визначають і показують величину концентрації розчинів, склад газових сумішей, кількість вологи у паливі, ступінь кислотності або лужності розчинів. Виявляється, що у багатьох випадках такі прилади виконують на основі застосування електричних методів дослідження складних речовин.
Так, ступінь кислотності чи лужності розчинів визначають вимірюванням ЕРС, що виникає між зануреними в розчин електродами; склад газових сумішей визначають за зміною опорів, вимірюваних мостами у газоаналізаторах; кількість вологи у паливі визначають за величиною ємності діелектричних втрат у конденсаторах, де діелектриком є саме паливо; концентрацію розчинів солей чи кислот визначають за величиною електропровідності розчинів, що заповнюють випробувальні чарунки.
1. Вимірювання рівня кислотності розчинів
На енергетичних підприємствах, зокрема на теплових електричних станціях, досить часто виникає необхідність визначення ступеня кислотності, або лужності розчинів. Ця ступінь зумовлена активністю іонів водню, що є у розчинах. За кількісний показник активності іонів водню прийнято вважати від'ємний логарифм від концентрації іонів водню, помножений на коефіцієнт активності. Цей показник позначають як рН (водневий показник). Діапазон значень рН (від кислішого й до найлужнішого) становить від нуля й до 14. Для нейтральних розчинів — рН 7, для кислих — рН7.
Величина рН найуспішніше визначається гальванометричним методом, основаним на вимірюванні різниці потенціалів електродних систем, ЕРС яких залежить від активності іонів водню у розчині.
Під терміном "рН-метр", який застосовується досить часто, розуміють систему вимірювання водневого показника (рН), яка складається з вимірювального (скляного) і допоміжного електродів, перетворювача, вимірювального приладу, допоміжних пристроїв та з'єднувальних ліній.
Вимірювальний і допоміжний електроди, звичайно, об'єднуються у чутливий елемент, котрий виконують як занурюваний (для використання у нерухомому розчині) чи проточний (для використання у трубах або лотках, де проходить розчин). Перетворювач являє собою електронний вольтметр чи потенціометр з дуже великим вхідним опором. Частіш за все перетворювач вимірювану ЕРС, що створюється на електродах, переробляє у стандартний сигнал постійного струму величиною 0...5 мА, 0...20 або 4...20 мА. До вимірювального приладу, що приєднують до перетворювача, особливих вимог не ставиться. Необхідно лише аби його границі вимірювання збігалися з номінальним струмом вихідного кола перетворювача та величина його опору не була більшою, ніж передбачено технічним описом приладу (звичайно це 1000 або 2500 Ом, хоча може бути і 40 Ом).
Щодо з'єднувальних ліній та допоміжного устаткування, то є одне серйозне обмеження: опір ізоляції всіх відрізків проводу, що з'єднує вимірювальний електрод з перетворювачем, має бути більшим ніж багато сотень (а то й тисяч) мегом, бо саме наявність менших опорів може суттєво знижувати вимірювану ЕРС цього електрода, власний опір якого становить 200...300 МОм. Цю лінію з'єднання електрода і перетворювача завжди слід виконувати коаксіальним кабелем, що має товсту і високоякісну ізоляцію між центральною жилою і екраном на рівні 5000 МОм на один кілометр довжини.
2. Вимірювання складу газових сумішей
Складу газових сумішей, зокрема наявності окремих домішок у повітрі, на теплових електростанціях та на інших підприємствах централізованого енергопостачання приділяється значна увага. Саме величиною концентрації окремих складових у цих сумішах визначається правильний хід технологічного процесу на окремих ділянках виробництва електричної чи теплової енергії, а іноді й безпека робочого персоналу.
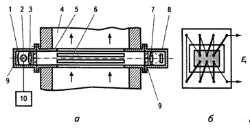
Так, наявність збільшеної кількості твердих часток у димових газах свідчить про неповне згоряння палива і необхідність коригування цього процесу операторами. Про кількість твердих часток у димових газах свідчить їхня оптична щільність. Об'єктивно величину оптичної щільності оцінюють за допомогою димоміра, будову якого показано на рис. 1, а.
Трубу димоміра 5 встановлюють упоперек димоходу 4, чи упоперек відгалуження від нього так, щоб відбивач світла 1, електрична лампа розжарювання 2, конденсор 3, об'єктив 7, термобатарея 8 та два захисних скла 9 були розташовані за межами димоходу, щоб до них було легко доступитись. Труба 5 має декілька широких прорізів 6, довжина яких близька до розміру діаметра (чи ширини) димоходу 4.
Рис. 1 Димомір: а — будова; б — термобатарея
Дим, що проходить уздовж димоходу завдяки наявності широких прорізів 6, вільно заходить у трубу 5 і поглинає частину світла, що несе промінь від лампи 2, Завдяки цьому величина світлового потоку, що досягає термобатареї 8, буде дещо зменшеною, а це призведе до зменшення ЕРС термобатареї Ет і показань вольтметра чи потенціометра, які встановлені на щиті керування топками. Показання цих приладів функціонально залежатимуть від вмісту твердих часток у димових газах. Чим більшою буде напруга термобатареї, тим прозоріші димові гази, а значить ефективніше використовуватиметься паливо, що надходить у топку. Термобатарея, складена з шести термопар, що з'єднані послідовно, зображена на рис. 1, б. Всі кінці термопар, що підлягають опромінюванню, мають надійний тепловий контакт (але не електричний), з зачорненою металевою платівкою, розміщеною в скляному балоні, крізь стінку якого зібраний об'єктивом 7 промінь нагріває її разом з кінцями термопар. Внутрішній об'єм труби 5 повинен бути надійно відділений склом 9 від об'ємів, у яких розміщено освітлювальну лампу 2 з конденсором 3 та об'єктив 7 з термобатареєю 8.
Освітлювальна лампа живиться від стабілізатора напруги 10, бо величина світлового потоку цієї лампи значною мірою залежить від величини напруги, що її живить, і зміна величини цієї напруги сприятиме появі значних похибок у показаннях димоміра.
На жаль, за показаннями димоміра можна одержати лише первинну інформацію про характер процесу згоряння палива. Детальнішу інформацію можна одержати, аналізуючи хімічний склад суміші газів, що проходить димоходом.
Для аналізу газових сумішей (і не тільки тих, що є у димових газах) користуються електричними газоаналізаторами. Більшість з них розраховано на вимірювання вмісту однієї з компонент газової суміші, наприклад кисню, водню, метану, вуглецевого газу, оксиду вуглецю тощо.
Залежно від виду фізичних явищ, використаних для аналізу, газоаналізатори можуть бути:
-
термомагнітними;
-
термокондуктометричними;
-
оптико-акустичними;
-
термохімічними.
Для аналізу складних газових сумішей користуються комбінованими газоаналізаторами, котрі складаються з набору ряду блоків, де кожний блок розрахований на певний метод аналізу вмісту якоїсь з компонент цієї газової суміші.
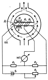
Термомагнітні газоаналізатори придатні для визначення вмісту кисню у газовій суміші. У цих газоаналізаторах використана здатність кисню, як парамагнітного газу, створювати течію завдяки втягуванню його у проміжок між полюсами магніта і втрачати здатність до такого втягування за відносно невеликого його підігріву. Принципову схему, що пояснює дію термомагнітного газоаналізатора на кисень, показано на рис. 2. У найпростішому вигляді газоаналізатор виконано на основі неврівноваженого мосту для вимірювання електричного опору, де резистори R1 і R2 — це спіралі з тонкого платинового дроту, котрі є нагрівниками газової суміші. Ця суміш постійним магнітом відхиляється з основного потоку, перемішуваного по кільцевому каналу КК у діаметрально розташовану трубку Д. Об'єм суміші, що відхиляється дією магніта, буде тим більшим, чим більшим є вміст кисню у суміші, що проходить через газоаналізатор.
Рис. 2 Схема термомагнітного газоаналізатора
Таким чином, швидкість проходу суміші діаметральною трубкою буде тим більшою, чим більшим буде вміст кисню в суміші. Потрапляючи у цю трубку, газова суміш нагрівається теплом, що його виділяють платинові резистори R1 і R2 та втрачає свої магнітні якості (тобто не може бути притягнута у зворотному напрямі до магніта), тим самим забезпечується безперервність руху суміші цією трубкою.
Завдяки наявності безперервного потоку газової суміші, ще холодної у лівій частині діаметральної трубки, платиновий резистор R1 охолоджується дещо більше, ніж розташований далі по потоку резистор R2, повз який проходить вже підігріта суміш. Через різницю температури резисторів R1 і R2 величини їх опорів будуть дещо відмінними, що призводить до розбалансування мосту, створеного резисторами Rl, R2, R3, R4 і до появи відхилення покажчиками магнітоелектричного мілівольтметра МП. І це відхилення буде тим більшим, чим більшим буде вміст кисню у газовій суміші. Регульований резистор Rp призначений для початкового встановлення напруги на мості.
Для підвищення точності вимірювань термомагнітними газоаналізаторами їх застосовують разом з врівноваженими автоматичними мостами. Основна похибка таких газоаналізаторів з діапазоном вимірювання вмісту кисню 0...10 % не перевищує 5 % від діапазону вимірювання.
Додаткові похибки таких газоаналізаторів зумовлено головним чином наявністю у складі газової суміші, крім кисню, ще й інших складових, які можуть впливати на в'язкість суміші.
На жаль, термомагнітні газоаналізатори здатні визначати вміст у сумішах лише парамагнітних складових. Переважна кількість газових домішок не має значної магнітної сприйнятливості і виявити її термомагнітними газоаналізаторами неможливо.
Вміст таких домішок визначають за допомогою термокондуктометричних газоаналізаторів, принцип дії яких полягає у використанні залежності величини теплопровідності газової суміші від вмісту складової, що має істотно більшу питому теплопровідність, порівняно з такою самою у інших складових суміші. Зазначимо, що коефіцієнти теплопровідності різних газів можуть суттєво відрізнятися між собою. Наприклад, такий коефіцієнт для хлору втроє менший ніж у повітря, а для водню у сім разів більший ніж у повітря.
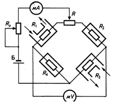
Принципову схему термокондуктометричного газоаналізатора наведено на рис. 3. Газоаналізатор створено на основі неврівноваженого мосту, в схему якого введено дротяні резистори Rl, R2, R3, і R4, виконані з металу, що має значний температурний коефіцієнт електричного опору. Це можуть бути нікель, мідь, платина та інші метали, необхідно лише, щоб вони були хімічно стійкими стосовно контрольованої газової суміші. Кожний з названих резисторів встановлено у камері, яка зроблена у масивному металевому зливку, що забезпечує однакову температуру стінок в усіх камерах.
Рис. 3 Принципова схема термокондуктометричного газоаналізатора
Резистори R2 і R4 частіш за все містяться у камерах, заповнених повітрям, а резистори Rl і R3 — у камерах, крізь котрі проходить газова суміш, що підлягає аналізові. Міст живиться від джерела Б через регульований резистор Rр, за допомогою якого заздалегідь встановлюють певну величину струму живлення, контрольовану міліамперметром. Реохорд R у цій схемі забезпечує можливість встановлення нульового показання мілівольтметра — покажчика напруги розбалансування мосту до початку вимірювань, коли камери резисторів R1 і R3 заповнюють повітрям, як і камери резисторів R2 і R4.
Характеристики
Тип файла документ
Документы такого типа открываются такими программами, как Microsoft Office Word на компьютерах Windows, Apple Pages на компьютерах Mac, Open Office - бесплатная альтернатива на различных платформах, в том числе Linux. Наиболее простым и современным решением будут Google документы, так как открываются онлайн без скачивания прямо в браузере на любой платформе. Существуют российские качественные аналоги, например от Яндекса.
Будьте внимательны на мобильных устройствах, так как там используются упрощённый функционал даже в официальном приложении от Microsoft, поэтому для просмотра скачивайте PDF-версию. А если нужно редактировать файл, то используйте оригинальный файл.
Файлы такого типа обычно разбиты на страницы, а текст может быть форматированным (жирный, курсив, выбор шрифта, таблицы и т.п.), а также в него можно добавлять изображения. Формат идеально подходит для рефератов, докладов и РПЗ курсовых проектов, которые необходимо распечатать. Кстати перед печатью также сохраняйте файл в PDF, так как принтер может начудить со шрифтами.















