151658 (733092), страница 4
Текст из файла (страница 4)
Выключатели ВГБЭ-35-12,5/630 УХЛ1(Т1) комплектуются приводами ПЭМ-1 или ПЭМ-11, а выключатели ВГБЭП-35-12,5/630 УХЛ1(Г1) - приводом ПЭМ-ТТТ.
Бак и шкаф привода снабжены болтами заземления.
3. РАЗЪЕДИНИТЕЛИ
3.1 ОБЩИЕ СВЕДЕНИЯ
Разъединитель представляет собой коммутационный аппарат, используемый для включения и отключения электрических цепей в таких условиях, при которых на его контактах не возникает длинной открытой электрической дуги. В отключенном положении разъединителя на его контактах создается видимый разрыв.
Кроме того, разъединители наружной установки рассчитываются на возможность разрыва посредством их ножей зарядных токов воздушных и кабельных линий, а также токов холостого хода силовых трансформаторов и токов небольших нагрузок. Поэтому их контакты часто снабжаются дугогасительными рогами.
Отличительной чертой разъединителей, а также отделителей и короткозамыкателей в сравнении с выключателями является отсутствие дугогасительных устройств.
Основное назначение разъединителя заключается в изоляции отключенных частей электрической цепи с целью безопасного ремонта оборудования.
Разъединители строятся для внутренней и для наружной установки на всю шкалу токов и напряжений. Они могут выполняться как трехполюсными на общей раме (обычно при напряжениях до 35 кВ), так и однополюсными при более высоких напряжениях. Последнее обусловлено тем, что при напряжениях свыше 35 кВ требуемые расстояния между фазами достаточно велики и общая рама получается чрезвычайно громоздкой и тяжелой.
Основным элементом разъединителя являются его контакты. Они должны надежно работать при номинальном режиме, а также при перегрузках и сквозных токах короткого замыкания. В разъединителях применяют высокие контактные нажатия. При больших токах контакты выполняют из нескольких (до восьми) параллельных пластин. Применяют пластины прямоугольного, швеллерного и круглого сечения.
Разъединители могут иметь приводы: ручной - оперативную штангу, рычажной или штурвальный и двигательный - электрический, пневматический. Во избежание ошибочных действий, т.е. размыкания под током, что может привести к крупным авариям и несчастным случаям, разъединитель всегда блокируется с выключателем. Блокировка допускает оперирование разъединителем только при отключенном выключателе. По исполнению блокировка может быть механической, механической замковой, электромагнитной замковой.
Конструктивное различие между отдельными типами разъединителей состоит прежде всего в характере движения подвижного контакта (ножа). По этому признаку различают разъединители:
вертикально-поворотного (врубного) и горизонтально-поворотного типов с вращением ножа в плоскости, параллельной или перпендикулярной осям поддерживающих изоляторов данного полюса;
с прямолинейным движением вдоль размыкаемого промежутка либо только ножа, либо ножа совместно с изолятором (катящегося типа);
со складывающимся ножом, со сложным движением (поворот и складывание) ножа и др.
Основные требования, предъявляемые к разъединителям:
1. Контактная система должна надежно пропускать номинальный ток сколь угодно длительное время и иметь необходимую динамическую и термическую стойкость.
2. Разъединитель и механизм его привода должны надежно удерживаться во включенном положении при протекании тока КЗ. В отключенном положении подвижный контакт должен быть надежно фиксирован.
3. Промежуток между разомкнутыми контактами должен иметь повышенную электрическую прочность.
4. Привод разъединителя целесообразно блокировать с выключателем.
-
РАЗЪЕДЕНИТЕЛИ ВНУТРЕННЕЙ УСТАНОВКИ
Для внутренней установки заводы выпускают однополюсные и трехполюсные разъединители вертикального рубящего типа (нож перемещается в плоскости, перпендикулярной основанию) на напряжения, как правило, не выше 20 ьсВ. Обычно их устанавливают в вертикальном положении.
В большинстве из них применены линейные контакты, которые при относительно небольшой силе нажатия имеют меньшее сопротивление, чем плоские контакты. Токоведущие части выполняются из двух или более параллельных пластин. При токе КЗ электродинамическая сила стремится сблизить их друг с другом и этим еще сильнее прижимает подвижные контакты к стойкам неподвижного контакта, что исключает самопроизвольное размыкание контактов, опасное возможностью пожара в электроустановке.
Управление разъединителями осуществляется вручную с помощью ручных, электродвигательных или пневматических приводов.
Разъединитель серии РВО (Р - разъединитель, В - для внутренней установки, О - однополюсный) выпускается на токи до 600 А. Числа в наименовании означают напряжение (кВ) и ток (А).
Нож поворачивается на угол до 100 и в отключенном положении удерживается только собственным весом, рис. 1.1.
Угол поворота ножа фиксируется ограничителем. Для разъединителей этой же серии на 1000 А для уменьшения усилий выдергивания ножа введен промежуточный вал.
Рис. 3.2.1 Разъединитель однополюсный РВО-10/600
Трехполюсные разъединители серии РВ выпускаются на напряжение от 6 до 35 кВ и номинальный ток до 600 А, рис. 1.2. На рис. 3.2. показана в увеличенном масштабе его контактная система.
Подвижный контакт 1 выполнен в виде двух параллельных шин. При КЗ электродинамическая сила прижимает шины 1 к стойкам неподвижного контакта 2. При номинальном токе контактное нажатие создается пружинами 3, которые воздействуют на подвижный контакт через стальные пластины 4.
Магнитный поток, создаваемый проходящим по шинам током, замыкается вокруг них и через стальные пластины 4. В системе возникают электродинамические силы такого направления, чтобы возросла энергия магнитного поля. Пластины приближаются к шинам 1 и попадают в зону более сильного магнитного поля. Электромагнитная энергия при этом возрастает. Таким образом создается сила Р, притягивающая стальные пластины к шинам и увеличивающая контактное нажатие.
Рис. 3.2.2 Разъединитель типа РВ
Рис. 3.2.3 Контактная система разъединителя типа РВ
Для управления разъединителями типа РВ применяются рычажные системы с ручным или моторным приводом.
Для дистанционного управления применяются электрические и пневматические приводы. В электрических приводах ось двигателя связывается с выходным рычагом привода через систему червячной передачи.
В пневматическом приводе отсутствуют громоздкие рычажные передачи и обеспечивается плавный ход контактов.
3.3 РАЗЪЕДЕНИТЕЛИ НАРУЖНОЙ УСТАНОВКИ
Разъединители для наружной установки должны иметь изоляцию, рассчитанную для работы в неблагоприятных атмосферных условиях (загрязнение, влага, снег), а также обладать повышенной механической прочностью, позволяющей производить операции с разъединителями при наличии гололеда на контактах.
Разъединители на 10 кВ с вертикальным движением ножа выполняются без льдоломающих устройств.
Разъединители выше 10 кВ снабжены такими устройствами: у разъединителя серии РЛНЗ (Р - разъединитель, Л - линейный, Н - наружной установки, 3 - с заземляющими ножами) при отключении нож сначала поворачивается на 90°, а затем поднимается на требуемое расстояние; у разъединителя серии РОНЗ (О - однополюсный) льдоломающее устройство расположено в неподвижном контакте и выполнено в виде лопатки, которая может поворачиваться на 90° вокруг своей вертикальной оси.
Разъединители горизонтально-поворотного типа серии РЛНД (Д -двухколонковый) устанавливаются на напряжения от 10 до 750 кВ, серии РНД - на напряжение 330-500 кВ. Включение и отключение полюса производятся либо вращением одного изолятора, на которых установлен нож разъединителя, либо одновременно вращением обоих изоляторов, связанных между собой тягами.
Двухколонковые поворотные разъединители типа SGF с заземлителем выпускаются на напряжения 110, 150 и 220 кВ (г. Екатеринбург).
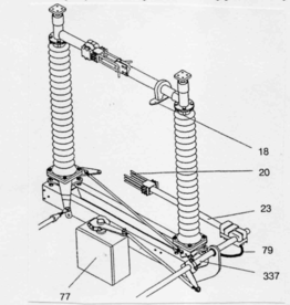
На рис. 3.3.1 показан трехполюсный разъединитель при последовательном варианте установки полюсов с одним заземлителем.
На рис. 3.2.2. изображен трехполюсный разъединитель при параллельном варианте установки с двумя заземлителями.
Рис. 3.2.3 Основная конструкция разъединителя
На рис. 3.2.3. приведены наиболее важные части разъединителя. Основание разъединителя состоит из сварной рамы из профильной стали (221), поворотных оснований (70), поперечной тяги (68). Поворотные основания - это закрытая конструкция, не требующая ухода при эксплуатации. Крепится на шпильках для регулировки. На изоляторах (201) установлены поворотные головки (284). Это тоже закрытая конструкция, не требующая ухода, вращается на 360 .Токопроводы (5 и 6) - сварная алюминиевая конструкция. Контактные пальцы (66) выполняются из псевдосплава медь-хром-цирконий с покрытием серебром. Непосредственно контакт (67) выполняется из меди с покрытием серебром.
Высоковольтные выводы (17) имеют плоскую присоединительную поверхность по ГОСТ 21242-75 с:
- 4 отверстиями для номинальных токов до 1600 А;
- 8 отверстиями для номинальных токов выше 1600 А. Приводной механизм (75) - моторный или ручной привод.
На рис 3.2.4 представлены основные части заземлителя. Заземление (79) выполнено гибкой связью из меди, вал заземлителя (337) - из оцинкованной трубы, труба (23) - из алюминия.
Контактный палец (20) - также металлокерамика медь-хром-цирконий с покрытием серебром, а заземляемый контакт (18)- медь с покрытием серебром.
Приводной механизм (77) - моторный или ручной привод.
Рис. 3.2.4 Основная конструкция заземлителя
Разъединители имеют независимые приводные механизмы для разъединителя и заземлителя.
При отключении или включении привод проходит через мертвую точку перед моментом достижения конечного положения. Это предотвращает самопроизвольное отключение или включение разъединителя или заземлителя:
- при коротких замыканиях;
- при внешних воздействиях (штормовой ветер или землетрясение).
4. ОТДЕЛИТЕЛИ И КОРОТКОЗАМЫКАТЕЛИ
4.1 ОБЩИЕ СВЕДЕНИЯ
В настоящее время разработаны типовые схемы высоковольтных подстанций без выключателей на питающей линии. Это позволяет удешевить и упростить оборудование при сохранении высокой надежности. Для замены выключателей на стороне высокого напряжения используются короткозамыкатели и отделители.
Короткозамыкатель - это быстродействующий контактный аппарат, который по сигналу релейной защиты создает искусственное КЗ сети.
Короткозамыкатели наружной установки с приводом ШПК (привод короткозамыкателя в шкафу) и трансформатором тока ТШЛ 0,5 (трансформатор тока шинный, с литой изоляцией, класс точности 0,5) предназначены для создания искусственного короткого замыкания (двухфазного у КЗ-35 или на землю у КЗ-110, КЗ-220) при повреждениях в трансформаторе. Под воздействием защиты замыкание вызывает отключение выключателей, установленных на питающих концах линий.
Управление короткозамыкателем осуществляется приводом ШПК, причем включается короткозамыкатель автоматически под действием пружинного механизма при срабатывании привода от сигнала релейной защиты. При необходимости короткозамыкатель может быть включен также вручную. Отключается короткозамыкатель только при ручном оперировании.
Отделитель представляет собой разъединитель, который быстро отключает обесточенную цепь после подачи команды на его привод. Если в обычном разъединителе скорость отключения очень мала, то в отделителе процесс отключения длится 0,5-1,0 с. Отделитель отсоединяет поврежденные участки электрической цепи после отключения защитного выключателя. Выключатель срабатывает от искусственного короткого замыкания, создаваемого короткозамыкателем.
Отделители представляют собой двухколонковый разъединитель с ножами заземления (ОДЗ); одним ОДЗ-1А, ОДЗ-1Б, двумя ОДЗ-2 или без них (ОД), управляемый приводом ШПО (привод отделителя в шкафу). До 110 кВ включительно три полюса отделителя соединяются в общий трехполюсный аппарат и управляются одним приводом ШПО.
Отделители на 220 кВ выполняются в виде трех отдельных полюсов, каждый из которых управляется самостоятельным приводом.
Отключение отделителя происходит автоматически под действием заведенных пружин при срабатывании блокирующего реле или отключающего электромагнита, освобождающих механизм свободного расцепления привода. Включение отделителя производится вручную.
Конструкции короткозамыкателей и отделителей:
На рис. 4.1.1. показан короткозамыкатель на напряжение 35 кВ КЗ-35. В скобках приведены размеры для короткозамыкателя на 110 кВ.
Рис. 4.1.1 Короткозамыкатель КЗ-35
На стальной коробке 1 установлен опорный изолятор 2. Вверху опорного изолятора расположен неподвижный контакт 3, находящийся под высоким напряжением. Подвижный заземленный контакт - нож 4 укреплен на валу 5 привода короткозамыкателя. Основание 1 изолировано от земли. На вал 5 действует пружина привода, которая заводится в отключенном состоянии. Для включения подается команда на электромагнит привода, который освобождает защелку механизма. Под действием пружины нож перемещается в вертикальной плоскости и заземляет контакт 3. Время включения такого короткозамыкателя 0,15-0,25 с.
Рис. 4.1.2. Отделитель
В основу конструкции отделителя ОД-220 на напряжение 220 кВ положен двухколонковый разъединитель с вращением ножей 1 в горизонтальной плоскости, рис. 4.1.2 Приведение в движение колонок 2 осуществляется пружинным приводом 3 с электромагнитным управлением. Во включенном положении пружины привода заземлены. При подаче команды пружина освобождается и контакты расходятся за время 0,4-0,5 с.















