151658 (733092), страница 5
Текст из файла (страница 5)
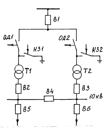
4.2 ПРИНЦИП ДЕЙСТВИЯ ОТДЕЛИТЕЛЕЙ КОРОТКОЗАМЫКАТЕЛЕЙ
Рис. 4.2.1 Схема коммутации с отделителями и короткозамыкателями
В качестве примера применения короткозамыкателей и отделителей на рис. 4.2.1. приведена схема питания от одной линии двух трансформаторных группТ1иТ2. 220кВ
В схему кроме быстродействующих короткозамыкателей КЗ-1 и КЗ-2, введены отделители ОД-1 и ОД-2, которые при нормальном режиме работы замкнуты. Допустим вследствие ухудшения изоляции трансформатора Т1 внутри него возникают электрические разряды, которые приводят к разложению масла и выделению газа. Газовые пузырьки, поднимаясь вверх, приводят к срабатыванию газового реле. По сигналу этого реле включается короткозамыкатель и в цепи возникает искусственное короткое замыкание. Под действие тока КЗ срабатывает выключатель защиты В1 и оба трансформатора Т1 и Т2 обесточиваются. С помощью релейной защиты трансформатора Т1 отключается также выключатель В2, после чего с некоторой выдержкой отключается отделитель ОД1. Затем, так как режим искусственного КЗ оказался отключенным, снова включается выключатель В1, то есть срабатывает АПВ (автоматическое повторное включение) этого выключателя. Если до аварии выключатель В4 был отключен, то после включения выключателя В1 он может быть включен, то есть сработает АВР (автоматический ввод резерва). При этом будет восстановлено питание потребителей на шинах 10 кВ первой трансформаторной группы.
Эффективность такой схемы тем выше, чем больше номинальное напряжение сети. Указанный эффект достигается за счет отсутствия выключателей на стороне 35-220 кВ, а также аккумуляторных батарей и компрессорных установок. Уменьшается площадь подстанции. Сокращаются сроки строительства.
Список использованной литературы
-
Китаев В.Е. Трансформаторы. Москва, «Высшая школа», 1974
-
Грумбина А.Б. Электрические машины и источники питания РЭА. Москва, «Энергоатомиздат», 1990
-
Чунихин А.А. Электрические аппараты: Общий курс. Учебник для вузов. 3-е изд., перераб. и доп. - М.: Энергоатомиздат, 1988. - 720 с. 2. Электротехнический справочник. Том 1, книга 2. 4 изд., перераб./ Под общей ред. профессоров П.Г.Грудинского, Г.Н. Петрова, М.М. Соколова и др. -М: Энергия, 1971. - 880 с.
-
Двухколонковые горизонтально поворотные разъединители типа SGF для наружной установки. Руководство по монтажу и эксплуатации. Екатеринбург, 2000.- 68с.
-
А.А.Федоров «Справочник по электроснабжению и электрооборудованию» (в двух томах, М.: Энергоатомиздат, 1987г.).
-
Ю.Г Барыбин. «Справочник по проектированию электроснабжения.», (М.: Энергоатомиздат, 1990 г., -576 с.:ил.).
-
Б.А. Соколов, Н.Б.Соколова «Монтаж электрических установок», (М.: Энергоатомиздат, 1991 г.,-592 с.:ил.).















