151459 (733034)
Текст из файла
Реферат
по дисциплине "Электрооборудование"
на тему "Автоматические выключатели"
Курчатов 2008
Содержание
Введение
1. Автоматические выключатели
2. Автоматические выключатели с тепловыми расцепителями
3. Автоматические выключатели с комбинированным расцепителем
4. Выбор автоматических выключателей
Заключение
Список литературы
Введение
В настоящее время для защиты сетей и электрических приемников от повреждений, вызываемых током, превышающим допустимую величину, все шире применяются автоматические выключатели. Они служат для проведения, включения и автоматического размыкания электрических цепей при аномальных явлениях, (например при токах перегрузки, КЗ, недопустимых снижения напряжения), а также для нечастого включения цепей вручную. Выключатели выпускаются с тепловыми, электромагнитными и комбинированными (тепловыми и электромагнитными) расцепителями с различным числом полюсов — одним, двумя и тремя. В однофазных цепях применяют одно- и двухполюсные, а в трехфазных — трехполюсные.
1. Автоматические выключатели
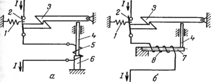
Автоматические выключатели с электромагнитными расцепителями применяются для защиты сети и электрического приемника от повреждений, вызываемых током короткого замыкания, действующим даже кратковременно. Принципиальная схема такого выключателя изображена на рис 1,а.
Контакт главной цепи замыкается нажатием на кнопку или поворотом рукоятки. При этом преодолевается усилие размыкающей пружины и контакт удерживается в замкнутом положении защелкой 3. Как только ток в защищаемой цепи превысит определенную величину, сердечник 6 втянется в катушку 5 и через рычаг 4 освободит защелку 5. Под действием пружины 1 контакт 2 разомкнётся. На схеме изображен один контакт главной цепи, а практически их может быть два или три, столько же может быть и катушек 5 с сердечниками 6. Всё сердечники при втягивании действуют на одну и ту же защелку 3. Увеличение тока в любом проводе (катушке) до величины, превышающей величину установки тока срабатывания, влечет за собой размыкание всех главных контактов.
Электромагнит с механизмом отключения называется электромагнитным расцепителем. Время отключения автоматических выключателей с электромагнитными расцепителями незначительное (доли секунды), поэтому они относятся к аппаратам максимальной защиты мгновенного действия.
Преимущество автоматических выключателей перед плавкими предохранителями состоит в том, что они обладают многократностью действия. После срабатывания плавкого предохранителя требуется замена плавкой вставки. Автоматический же выключатель после устранения причины срабатывания можно подготовить для повторной работы нажатием на кнопку или поворотом рукоятки.
Автоматические выключатели применяются не только для отключения приемников при токах короткого замыкания, но и для нечастых включений и отключений их вручную при нормальной работе. Возникающая при размыкании цепи электрическая дуга гасится в воздухе или масле. В зависимости от этого автоматические выключатели называются воздушными или масляными. В цепях с напряжением до 500 В применяются в основном воздушные выключатели.
2. Автоматические выключатели с тепловыми расцепителями
Металлы имеют разные коэффициенты линейного расширения и поэтому при нагревании удлиняются неодинаково. Если две металлические пластины с различными коэффициентами расширения наложить одну на другую и прочно соединить вместе, получится биметаллическая пластина. При нагревании она деформируется выпуклостью в сторону активного слоя металла. Активным называется слой металла, обладающий большим коэффициентом расширения. Другой слой называют пассивным. Активный слой делают из стали, а пассивный — из инвара (сплав, состоящий из 64 % железа и 36% никеля). Коэффициент линейного расширения инвара в 12 раз меньше стали.
Если один конец биметаллической пластины закрепить, то другой при нагревании будет изгибаться в сторону пассивного слоя. Это свойство пластины используется для освобождения защелки автоматического выключателя. Степень деформации пластины зависит от температуры ее нагрева.
Применяются два способа нагревания пластины: непосредственный и косвенный. При первом ток проходит непосредственно через пластину. При этом количество теплоты, которое выделяется в ней, пропорционально квадрату величины тока, времени его прохождения и сопротивлению пластины. При втором способе ток проходит по нагревательному элементу (небольшой спирали), выполненному из нихрома или другого сплава. Спираль располагают рядом с пластиной или наматывают на нее. Выделяющаяся в этой спирали теплота и нагревает биметаллическую пластину. Перед намоткой спирали биметаллическая пластина покрывается электроизоляцией, например слюдой.
На рис.1,6 изображена схема автоматического выключателя с тепловым расцепителем. Контакт 2 главной цепи замыкают вручную кнопкой или рукояткой, g замкнутом положении он удерживается защелкой 3. При прохождении по сети тока, величина которого меньше определенного значения, биметаллическая пластина 7 нагревается незначительно, и ее изгиба вверх недостаточно для того, чтобы передать усилие на защелку 3. Если же по спирали 8 будет проходить ток, величина которого превысит это определенное значение, то через некоторое время правый конец пластины 7 изогнется вверх настолько, что через толкатель 4 поднимет рычаг защелки 3. Под действием пружины 1 разомкнётся контакт 2. Время, через которое произойдет размыкание контакта, зависит от степени перегрузки сети. Тепловые расцепители не могут срабатывать мгновенно, особенно при косвенном нагреве биметаллической пластины. Нагрев и деформация ее не происходят мгновенно даже при очень большом выделении теплоты в спирали.
Автоматические выключатели с тепловыми расцепителями отключают сеть с выдержкой времени в обратной зависимости от величины тока перегрузки. При больших перегрузках отключение происходит быстрее. На схеме изображен один контакт выключателя, а их может быть два или три.
3. Автоматические выключатели с комбинированным расцепителем
В этих выключателях устанавливают как электромагнитные, так и тепловые расцепители. Обмотки электромагнитов и нагревательные элементы тепловых расцепителей включают последовательно электрическому приемнику. Электромагнитные расцепители мгновенно отключают электроприемник при токе короткого замыкания хотя бы в одном проводе сети. Тепловые же расцепители отключают электроприемник при незначительных, но длительных токах перегрузки. Последние превышают номинальный ток приемника, но значительно меньше токов короткого замыкания.
Автоматические выключатели с комбинированным расцепителем получили широкое применение в сетях с различными электроприемниками. В сетях с электродвигателями они незаменимы.
Величина тока электродвигателя зависит от нагрузки на его валу и колебания напряжения сети. Она увеличивается при обрыве провода в процессе работы трехфазного электродвигателя. Во время холостого хода двигателя потребляемая им мощность и ток наименьшие. С возрастанием нагрузки на валу до номинальной величины Р2н ток I и подводимая мощность Р1 увеличиваются до номинальной величины.
Если нагрузка на валу выше номинальной, то потребляемая мощность и ток также превышают номинальную величину. В этом случае обмотки электродвигателя через некоторое время перегреваются, и изоляция начинает разрушаться и может даже воспламениться. Тепловые расцепители должны предотвратить это, несколько ранее отключив двигатель от сети. При кратковременных небольших перегрузках, которые неопасны для двигателя, тепловые расцепители не успевают срабатывать и отключить его.
Если нагрузка остается неизменной, но произошел обрыв одного провода, то по двум проводам будет проходить ток, значительно превышающий номинальную величину. При этом обмотки двигателя быстро перегреваются. Отключение двигателя в этом случае должны производить тепловые расцепители.
Уменьшение напряжения на двигателе также влечет за собой увеличение тока в его обмотках.
Для защиты двигателя от перегрева при пониженном напряжении кроме автоматических выключателей с тепловыми расцепителями применяются выключатели с расцепителями минимального напряжения. При значительном снижении или исчезновении напряжения якорь расцепителя минимального напряжения отпадает и, воздействуя на защелку, размыкает главные контакты автоматического выключателя. При нормальном напряжении якорь втянут, а контакты выключателя замкнуты.
Наряду с автоматическими выключателями серии АП50Б на предприятиях торговли и общественного питания применяются новые автоматические выключатели серии АЕ20, устройство и принцип действия которых те же, что и АП50Б. В этих автоматических выключателях буквы характеризуют условное обозначение серии, а первые две цифры (20) — порядковый номер разработки. Следующая цифра обозначает номинальный ток (цифра 3—25 А, 4—63 А и 5—100 А). Четвертая цифра обозначает число полюсов и максимальную токовую защиту; цифры 1, 2, 3 соответствуют электромагнитным расцепителям; 4, 5, 6 — комбинированным (электромагнитным у тепловым) расцепителям; 7, 8 , 9 — отсутствию расцепителей. При этом цифры 1, 4, 7 обозначают однополюсное исполнение, цифры 2, 5, 8 — двухполюсное и 3, 6, 9 — трехполюсное исполнение. Пятая цифра обозначает наличие или отсутствие контактов вспомогательной цепи. При этом цифра 1 показывает отсутствие контактов, цифра 2 — наличие одного замыкающего, 3 — одного размыкающего и 4 — одного замыкающего и одного размыкающего контактов.
Шестая цифра обозначает наличие или отсутствие дополнительных расцепителей. При этом цифра 0 показывает на отсутствие дополнительного расцепителя, Цифра 1 — на наличие расцепителя минимального напряжения, а 2 — независимого расцепителя.
Буквы, следующие за шестой цифрой, обозначают: К — наличие температурной компенсации; Р — наличие температурной компенсации и регулирования тока срабатывания тепловых расцепителей.
Условное обозначение автоматического выключателя ДЕ203610Р на 2,5 А расшифровывается: серия АЕ, Номер разработки — 20, номинальный ток выключателя 25 А (3) с тремя полюсами и комбинированными расцепителями (6), без контактов вспомогательной цепи без дополнительных расцепителей (0), с температурной компенсацией и регулированием тепловых расцепителей (Р), номинальный ток расцепителей 2,5 А. Регулировать тепловой расцепитель этого выключателя можно от 2,0 до 2,5 А.
Автоматический выключатель АЕ20 (на 25 А) выпускается на номинальные токи расцепителей 0,6; 0,8; 1,0 1,25; 1,6; 2,0; 2,5; 4,0; 5,0; 6,0; 8,0; 10; 12,5; 16,0; 20; 25,0 А.
Если автоматические выключатели серий АП50Б ц АЕ20 в основном устанавливают в электрошкафах обору, дования, например холодильных прилавках, то в групповых и распределительных щитах цехов и предприятий устанавливают автоматические выключатели серии A3100. Они выпускаются одно-, двух- и трехполюсными с тепловыми, электромагнитными и комбинированными расцепите-лями. Автоматические выключатели A3161 (однополюсные), A3162 (двухполюсные) и A3163 (трехполюсные) на номинальный ток 50 А имеют тепловые разделители на 15, 20, 25, 30, 40, 50 А, которые срабатывают при токах, в 1,25... 1,35 раза превышающих номинальный ток расцепителей. Автоматические выключатели А3113, АЗП4, A3123, A3124 на ток 100 А выпускаются двух- и трехполюсными с электромагнитными и комбинированными разделителями на различные номинальные токи. Выключатели с последней цифрой 3 — двухполюсные, с цифрой 4 — трехполюсные. Первые два автоматических выключателя отличаются от двух других различным превышением тока срабатывания относительно номинального тока разделителя.
Одно- и двухполюсные автоматические выключатели применяются в однофазных цепях, трехполюсные — в трехфазных.
4. Выбор автоматических выключателей
Для всех видов электрических приемников номинальный ток расцепителя должен быть
Iи. р≥Imax
где Iи. р— номинальный ток расцепителя, A; Imax — максимальный номинальный ток цепи (электроприемника), А.
Для сетей с осветительной нагрузкой и электротепловыми аппаратами, защищаемых от повреждений при токах короткого замыкания, рекомендуется применять автоматические выключатели с токами уставки расцепителей, не превышающими 4,5-кратного значения максимально допустимого значения тока провода. Этим требованиям удовлетворяют автоматические выключатели с тепловыми или комбинированными расцепителями, а также выключатели с электромагнитными расцепителями, ток 5 уставки которых в 3—4 раза превышает номинальный.
Поскольку пусковой ток электрических двигателей в 5 – 7 раз превышает номинальное значение, то выбор автоматического выключателя производится с учетом этих токов. Ток срабатывания электромагнитного расцепителя Iэ.р должен быть не менее 1,25 пускового тока двигателя
Iэ.р ≥ 1,25 Iпуск
Для защиты цепи двигателя от перегрузки, т. е. от повреждений, вызываемых длительным превышением величины тока, допустимой по нагреву, применяют тепловые расцепители. Для цепей с одиночным двигателем используют в основном автоматические выключатели с комбинированными расцепителями. Номинальный ток расцепителя определяется по формуле
Iн.р > вIн,
где в — коэффициент, принимаемый равным 1,2...1,25 при Гтяжелых условиях пуска и равным 1 при легких условиях пуска.
Для цепей с группой двигателей используют в основном автоматические выключатели с электромагнитными расцепителями. При этом величина тока срабатывания расцепителей должна превышать максимальную величину кратковременного тока, который определяется суммой номинальных токов наибольшего количества включенных двигателей (приемников) при условии пуска двигателя с максимальным пусковым током:
I
э. р ≥ Iкр; Iкр = Kодн Iраб + Iпуск.max
где Iкр — максимальный кратковременный ток, А; n — число всех электроприемников (двигателей); Кодн — коэффициент одновременной работы электрических приемников (двигателей).
При установке автоматических выключателей с тепловыми или комбинированными расцепителями в закрытом шкафу ток расцепителя должен быть
Iн. р ≥ 1,15 Imax.
Характеристики
Тип файла документ
Документы такого типа открываются такими программами, как Microsoft Office Word на компьютерах Windows, Apple Pages на компьютерах Mac, Open Office - бесплатная альтернатива на различных платформах, в том числе Linux. Наиболее простым и современным решением будут Google документы, так как открываются онлайн без скачивания прямо в браузере на любой платформе. Существуют российские качественные аналоги, например от Яндекса.
Будьте внимательны на мобильных устройствах, так как там используются упрощённый функционал даже в официальном приложении от Microsoft, поэтому для просмотра скачивайте PDF-версию. А если нужно редактировать файл, то используйте оригинальный файл.
Файлы такого типа обычно разбиты на страницы, а текст может быть форматированным (жирный, курсив, выбор шрифта, таблицы и т.п.), а также в него можно добавлять изображения. Формат идеально подходит для рефератов, докладов и РПЗ курсовых проектов, которые необходимо распечатать. Кстати перед печатью также сохраняйте файл в PDF, так как принтер может начудить со шрифтами.
















