148229 (730667)
Текст из файла
Реферат на тему:
Судовые вспомогательные механизмы
Насосы, топливный сепаратор, водоопреснительная установка
Так как работа насоса тесно связана с трубопроводом, то для обеспечения перемещения жидкости по нему необходимо, чтобы напор, развиваемый насосом, превосходил характеристики трубопровода. Для выяснения режима работы насоса с трубопроводом, имеющим определенную характеристику, накладывают характеристику трубопровода на характеристику насоса, выполненную в том же масштабе (рис. 3). При пересечении характеристики 2 трубопровода с действительной характеристикой 6 насоса получается рабочая точка К, которой соответствуют производительность Qi и напор Н1
Рис. 3. Характеристика центробежного насоса и трубопровода и совмещенная характеристика
Совместная работа двух центробежных насосов на судне может быть вызвана различной служебной необходимостью. Причем эти насосы могут быть соединены параллельно и последовательно.
Рассмотрим достоинства и недостатки параллельной работы двух центробежных насосов. На рис. 4 обозначены: а—б — характеристика первого центробежного насоса, д—е — характеристика трубопровода. Точка К (пересечение характеристик насоса и трубопровода) определяет режим работы первого насоса. Как видно из рисунка, развиваемый при этом напор будет выражаться величиной Нк, а подача — QK. Характеристика двух работающих тождественных центробежных насосов может быть построена путем удвоения значений подачи первого насоса. Для этого на характеристике первого насоса выбирают произвольные точки, например 1, 2, 3, затем от них вправо по горизонтали откладывают расстояния, равные величине отстояния этих точек от оси ординат. Полученные таким образом точки 1', 2', 3' являются точками характеристики двух центробежных насосов, соединенных параллельно. Соединив точки 1', 2', 3', получим суммарную характеристику а—с. Точка пересечения характеристики трубопровода д—е с суммарной характеристикой, обозначенная буквой Т, характеризует режим работы двух насосов, включенных параллельно в данный трубопровод; при этом насосы развивают напор Нт и подачу QT.
Рис. 4. Характеристика двух параллельно работающих насосов
Из рисунка видно, что при работе двух центробежных тождественных насосов, включенных параллельно в один трубопровод, развиваемые напор и подача меньше удвоенного значения подачи и напора одного из тождественных насосов при раздельной работе. При этом становится очевидным, что при более крутой характеристике трубопровода выигрыш в увеличении напора и подачи при параллельном соединении двух центробежных насосов, работающих в одну сеть, будет меньшим. Так как подъем характеристики трубопровода зависит от гидравлических сопротивлений, увеличивающихся с уменьшением диаметра трубопровода, можно сделать вывод, что параллельное включение двух тождественных центробежных насосов а один трубопровод целесообразно при значительных диаметрах этого трубопровода.
В нашей стране строят центробежные насосы, развивающие очень высокие напор и подачу. Однако в связи с тем, что у центробежных насосов, в отличие от поршневых, подача и напор взаимосвязаны, их рекомендуется применять при значительных подачах и не очень высоких давлениях. Применение центробежных насосов на судах в качестве основных обусловлено характером главной судовой силовой установки. В связи с этим на судах с паровой турбиной и ДВС предпочтение должно быть отдано центробежным насосам. Единственные условия, при которых центробежные насосы неприменимы,— это их работа при очень малых переменных подачах и высоких давлениях.
По сравнению с поршневыми насосами центробежные имеют недостатки:
-
пониженный на 10—15% к. п. д.;
-
отсутствие сухого всасывания;
-
невозможность увеличения отдельно подачи или напора без изменения другого функционально связанного параметра насоса.
Бесспорными преимуществами центробежных насосов являются:
-
равномерная подача и постоянное давление при установившемся режиме работы;
-
меньшие масса и габаритные размеры благодаря тому, что можно применять относительно быстроходные двигатели;
-
простота устройства, более легкая эксплуатация, так как нет клапанов и поршней;
-
малая чувствительность к чистоте перекачиваемой жидкости;
-
меньшие, чем у поршневых насосов, гидравлические сопротивления за счет отсутствия затрат на подъем и посадку клапанов.
С увеличением вязкости перекачиваемой центробежным насосом жидкости уменьшаются напор и подача, что объясняется увеличением потерь на трение в проточной части насоса. Потребляемая мощность также возрастает в связи с увеличением дискового трения.
Роторно-зубчатые, называемые обычно шестеренчатыми, насосы различаются по числу роторов-шестерен, способу их зацепления, форме зуба и реверсивности, т. е. способности сохранять постоянное направление подаваемой жидкости независимо от направления вращения шестерен. Наибольшее распространение на промысловых судах имеет двухроторный нереверсивный шестеренчатый насос, имеющий наружное зацепление шестерен. Устройство и действие насоса можно проследить по рис. 5.
Насос состоит из корпуса 4, двух роторов, ведущего 5 и ведомого 3, которые представляют собой цилиндрические шестерни, изготовленные заодно с валами. Подшипниками роторов служат бронзовые втулки 2, запрессованные в крышку 1 и стойку 6 и зафиксированные от поворота штифтами. Выходной конец ведущего вала имеет сальниковое уплотнение. Оно состоит из резиновых манжет 7, которые обжимают вал с натягом, упорных кольца 9 и втулки 8. В нижней части стойки 6 находится сборник для жидкости, просачивающейся из сальника, и отверстие для ее спуска, закрываемое пробкой 10. В крышке 1 смонтирован предохранительно-перепускной клапан 11, прижимаемый пружиной 12; другим концом пружина упирается в шайбу 14.
Внутренняя полость клапана закрывается резьбовой втулкой 13, через нее проходит регулировочный клапанный винт 15. Колпачок 16 предохраняет полость клапана 11 от засасывания воздуха и вытекания жидкости по резьбе регулировочного винта. Для слива жидкости из насоса в нижней части корпуса имеется отверстие, закрытое пробкой 17.
Действие насоса можно понять, рассмотрев поперечный разрез А—Б. При вращении шестерен в направлениях, указанных стрелками, жидкость, находящаяся во всасывающем патрубке, заполняет объемы впадин между зубьями и переносится по периметру корпуса насоса к нагнетательному патрубку. Зубья шестерен, выходя из зацепления, освобождают объемы впадин, обеспечивая заполнение их жидкостью на стороне всасывания. Зубья, снова входящие в зацепление, выжимают жидкость из объема впадин на стороне нагнетания. Предотвращение обратного движения жидкости из нагнетательной полости во всасывающую обеспечивается малыми зазорами между зубьями и внутренней поверхностью корпуса ( 0,02—0,06 мм).
Шестеренчатые насосы с наружным зацеплением зубьев изготовляются с прямым, косым (шевронным) или спиральным зубом.
Шестеренчатый насос, имеющий внутреннее зацепление зубьев, показан на рис. 6.
При вращении вала 1, размещенного эксцентрично внутри корпуса, поворачивается звездочка 2, жестко укрепленная на валу. Вследствие эксцентричного расположения звездочки ее зубья выходят из зацепления с концентричным ротором-шестерней 3, и объем впадин заполняется жидкостью из всасывающего патрубка. Жидкость переносится во впадинах ротора по окружности корпуса к нагнетательному патрубку, где зубья звездочки входят в зацепление с ротором и выжимают жидкость из впадин. Вал ротора вращается в направляющей втулке 4. Уплотнение выходного конца вала создается сальником, состоящим из уплотнительной втулки 5, пружины 6, грундбуксы 7, набивки 8, нажимной втулки 9 и крышки сальниника 10.
Шестеренчатые насосы, имеющие внутреннее зацепление, более компактны, чем насосы наружного зацепления.
Рис. 5. Роторно-зубчатый, или шестеренчатый, насос с наружным зацеплением типа РЗ.
Рис. 6. Роторно-зубчатый насос с внутренним зацеплением.
Сепаратор предназначен для очистки от воды и механических примесей дизельного топлива и минеральных масел вязкостью до 350 мм3/С при температуре +50°С, не образующих с водой стойких эмульсий. Существует возможность использования сепаратора на автозаправках для очистки дизельного топлива, кроме этого проведены испытания по сепарированию смеси, состоящей из 13% нефтепродуктов и 87% воды, в результате чего получено очищение воды от нефтепродуктов от 0,064% до 0,0023%.
Выполнен в виде центробежного саморазгружающегося агрегата вертикального типа непрерывного действия с периодичной выгрузкой осадка на ходу машины. Конструктивные усовершенствования, касающиеся узла обгонной муфты, торцевых уплотнений барабана устраняют недостатки, сопутствующие аналогичной продукции в мире, значительно улучшают эксплуатационные возможности сепаратора.
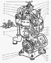
Рис. 7 Устройство сепаратора: 1. Рукоятка впускного патрубка; 2. Смотровое стекло в узле выпуска масла; 3. Впуск жидкости для гидравлического затвора; 4. Впуск сепарируемой жидкости; 5. Выпуск очищенной жидкости; 6. Барабан сепаратора; 7. Распределительный клапан для воды; 8. Распределительный диск буферной воды; 9. Патрубок отвода шлама; 10. Муфта фрикционная; 11. Станина; 12. Амортизатор; 13. Регулятор расхода; 14. Впускной патрубок; 15. Крышка; 16. Откидной зажимной болт; 17. Приемник шлама; 18. Смотровая коробка; 19. Вертикальный вал; 20. Подшипник; 21. Датчик оборотов; 22. Заливка смазочного масла; 23. Тормоз; 24. Указатель уровня масла; 25. Колесо ведущее; 26. Слив смазочного масла.
Система автоматического управления сепаратором:
-
пульт автоматического управления,
-
бак буферной воды,
-
теплообменник,
-
клапаны управления разгрузкой и подачей нефтепродукта,
-
датчики давления, температуры, вибрации
Сепарирование топлива осуществляется в сепараторах, действие которых основывается на отделении механических примесей и воды за счет центробежных сил, возникающих благодаря большой скорости вращения барабана. В системах топливоподготовки находят применение сепараторы дискового и трубчатого типа.
Сепараторы более ранних выпусков требуют периодической разборки и очистки вручную и поэтому для сепарирования тяжелых топлив, содержащих большие количества загрязняющих примесей, малопригодны. Особые трудности возникают при использовании таких сепараторов для очистки топлив, склонных к выделению асфальто-смолистых соединений. В современных сепараторах самоочищающегося типа периодическая очистка осуществляется автоматически, путем промывки горячей водой и сброса шлама в грязевую цистерну. Период между разгрузками барабана устанавливают опытным путем. Сигналом о необходимости разгрузки может служить появление водотопливной эмульсии в смотровом окне сливного патрубка, вызываемое заполнением грязевой полости барабана шламом и вытеснением водяного затвора.
Сепараторы в зависимости от настройки могут работать в режимах кларификации (отделение механических примесей) и пурификации (разделение топлива и воды с одновременным отделением механических примесей). Последний способ при очистке тяжелых топлив (в силу его универсальности является более предпочтительным. К достоинствам пурификации относится также возможность промывки топлива горячей водой, вводимой в сепаратор в количестве 3—4% топлива при температуре, на 3—5° превышающей температуру топлива. Промывка улучшает отделение механических примесей и способствует удалению из топлива водорастворимых солей золы.
Повышению эффективности очистки топлива в сепараторах способствуют снижение вязкости топлива за счет его подогрева перед сепаратором и сепарация с производительностью, не превышающей 0,3—0,5 от ее паспортного значения.
Верхним допустимым пределом подогрева топлива является температура кипения воды. Обычно не рекомендуется нагревать топливо свыше 95° (368 К). Для маловязких дистиллятных топлив замедленного коксования или термоконтактного крекинга температура подогрева не должна превышать 35—40°С (308—313 К). В противном случае возможно выделение из топлива в процессе его сепарации асфальто-смолистых соединений.
При работе сепаратора в режиме пурификации эффективность сепарирования зависит также от положения пограничного слоя представляющего собой границу раздела между топливом и водой. Нормально он должен располагаться у внешней кромки распределительных отверстий дисков и ни при каких обстоятельствах не должен проходить по отверстиям и тем более правее них. В первом случае будет наблюдаться торможение потока топлива на входе в диски, что приведет к резкому ухудшению сепарации, во втором — в зону очищенного топлива будет поступать вода.
Характеристики
Тип файла документ
Документы такого типа открываются такими программами, как Microsoft Office Word на компьютерах Windows, Apple Pages на компьютерах Mac, Open Office - бесплатная альтернатива на различных платформах, в том числе Linux. Наиболее простым и современным решением будут Google документы, так как открываются онлайн без скачивания прямо в браузере на любой платформе. Существуют российские качественные аналоги, например от Яндекса.
Будьте внимательны на мобильных устройствах, так как там используются упрощённый функционал даже в официальном приложении от Microsoft, поэтому для просмотра скачивайте PDF-версию. А если нужно редактировать файл, то используйте оригинальный файл.
Файлы такого типа обычно разбиты на страницы, а текст может быть форматированным (жирный, курсив, выбор шрифта, таблицы и т.п.), а также в него можно добавлять изображения. Формат идеально подходит для рефератов, докладов и РПЗ курсовых проектов, которые необходимо распечатать. Кстати перед печатью также сохраняйте файл в PDF, так как принтер может начудить со шрифтами.
















