148043 (730624)
Текст из файла
РЕЛЬСОВЫЕ ЦЕПИ С ИЗОЛИРУЮЩИМИ СТЫКАМИ
Содержание
1. Общие сведения 3
2. Рельсовая цепь с путевыми реле ДСШ-2 5
3. Разновидности рельсовых цепей с централизованным размещением аппаратуры 9
4. Регулировка 15
5. Способы отыскания неисправностей 18
1. Общие сведения
Для определения местонахождения поезда на линии ее делят стыками на изолированные участки. Каждый такой участок пути (до 500 м) оснащается рельсовой цепью. Длина изолированных участков колеблется в зависимости от требуемой пропускной способности участка. В этой связи на подходе к станции и на самой станции, где скорости движения и расстояние между поездами меньше, рельсовые цепи короче, чем на перегоне.
На линиях метрополитена в качестве сигнального тока для РЦ, ограниченных изолирующими стыками, используется ток промышленной частоты, т.е.50 Гц.
Задача по одновременному использованию рельсовой линии для пропуска сигнального тока РЦ и обратного тягового тока в условиях установки изолирующих стыков решена установкой путевых дросселей. Они устанавливаются попарно у изолирующих стыков, причем средние выводы обмоток соединены между собой, а крайние выводы подключаются к рельсам. Первый путевой дроссель подключается с одной стороны изолирующих стыков, а второй с другой.
Путевой дроссель представляет собой большую реактивную катушку с малым сопротивлением постоянному току и достаточно большим для переменного тока. Таким образом, снижаются потери при прохождении постоянного тягового тока через обмотку дросселя и уменьшается шунтирующее воздействие на РЦ.
В обобщенной схеме рельсовых цепей, разделенных изолирующими стыками, с подключенной системой энергоснабжения подвижного состава (рис.2.1) тяговый ток поступает от подстанции на контактный рельс, откуда через токосъемник вагонов попадает на тяговые двигатели поезда и вспомогательное оборудование. После этого тяговый ток протекает через колесные пары и рельсы вновь к подстанции. Цепь тягового тока становится замкнутой.
Обратный тяговый ток протекает по обеим нитям рельсовой линии, поэтому эти РЦ называются двухниточными.
Рис.2.1 Схема рельсовых цепей с подключенной системой электроснабжения подвижного состава 1 – контактный рельс; 2 – колесная пара; 3 – рельсовая нить; 4 – путевой дроссель.
Влияние смежных РЦ друг на друга исключается их взаимным изолированием стыками. Однако при неисправности изолирующего стыка возможно проникновение сигнального тока одной РЦ в другую и его воздействие на путевое реле смежной рельсовой цепи. Сигнальный ток, проникающий через неисправный (пробитый) изолирующий стык, может вызвать ложное возбуждение путевого реле смежной РЦ при нахождении на ней поезда.
Для исключения возможных опасных последствий отказа сигнальные токи смежных рельсовых цепей должны отличаться друг от друга по фазе на угол 180°, тогда проникающий сигнальный ток в смежную занятую рельсовую цепь не приводит к ложному возбуждению путевого реле. Кроме того, при пробое изолирующих стыков происходит взаимное вычитание токов и, как следствие, обесточивание хотя бы одного путевого реле смежных РЦ.
2. Рельсовая цепь с путевыми реле ДСШ-2
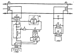
Подключение аппаратуры питающего и релейного концов к рельсовой линии осуществляется с помощью дроссель-трансформаторов ДТМ-0,17 (рис.2.6). Аппаратура размещается в релейном шкафу и кабелем подключается к дополнительной обмотке дроссель-трансформатора.
Рис.2.6 Схема рельсовой цепи с путевыми реле ДСШ-2.
Питание рельсовой цепи осуществляется от сетевых проводов через питающий трансформатор СОБС-3А. В цепь вторичной обмотки трансформатора ПТ включен конденсатор С1, который выполняет роль емкостного ограничителя сигнального тока РЦ и создает последовательный резонанс напряжений на элементах контура питающего конца. Кроме того, он обеспечивает требуемое фазовое соотношение на обмотках путевых реле.
Конденсатор С2 на релейном конце создает необходимые фазовые соотношения, а также обеспечивает требуемое по условиям шунтового режима сопротивление приемного (релейного) конца. Реле ДСШ-2, разработанные специально для линий метрополитена, обладают низкой чувствительностью и поэтому устойчиво работают в условиях больших тяговых токов.
Схема подключения передающей аппаратуры АРС для подачи кодовых сигналов АРС в рельсовую линию с питающего конца РЦ приведена на рис.2.7
Рис.2.7 Схема рельсовой цепи с путевыми реле ДСШ-2 с наложением сигналов АРС на питающем конце.
Питающий конец рельсовой цепи в этом случае имеет два параллельно включенных источника: сеть переменного тока промышленной частоты 50 Гц для работы путевых реле и генератор частот АРС типа ГАЛСМ-66. Для уменьшения взаимного влияния источников сигналов РЦ и АРС в цепь контура питающего конца рельсовой цепи введен дроссель (реактор) L1, имеющий большое сопротивление для высокой частоты кодового сигнала АРС. В цепь выходного контура генератора сигналов АРС введен режекторный фильтр L2C2, настроенный на частоту 50 Гц. Этот фильтр имеет большое Сопротивление на резонансной частоте 50 Гц и ограничивает утечку сигнального тока РЦ.
В качестве питающего трансформатора рельсовой цепи используется трансформатор ПОБС-5А. Для обеспечения нормативного сопротивления питающего конца РЦ и необходимого фазового соотношения в обмотках путевых реле в контур питающего конца введен согласующий трансформатор ПОБС-2А. Он включается по схеме автотрансформатора с коэффициентом трансформации 2, при этом используется только первичная обмотка.
Так как контур питающего конца рельсовой цепи должен быть настроен в последовательный резонанс напряжений на частоте 50 Гц, то введение дополнительного дросселя L1 (РОБС-ЗА) и согласующего трансформатора в цепь контура ведет к изменению емкости трансформатора С1 до 30 мкФ.
Параллельное включение путевых обмоток реле ДСШ-2 связано с необходимостью уменьшить вибрацию секторов реле от воздействия сигнального тока АРС и, прежде всего, частотой 75 Гц. В некоторых случаях для защиты путевых обмоток реле в цепь приемного конца РЦ устанавливается фильтр-”пробка”, настроенный на частоту 75 Гц и имеющий на этой частоте высокое сопротивление.
На рельсовых цепях, где предусматривается двухстороннее движение поездов (станционные пути, оборотные тупики и т.п.), используются схемы с наложением сигналов АРС с обоих концов (рис.2.8, 2.9).
В зависимости от состояния реле направления РН кодирование осуществляется с релейного или питающего конца рельсовой цепи.
Рис.2.8 Схема рельсовой цепи с путевыми реле ДСШ-2 при двухстороннем кодировании и параллельном подключении аппаратуры АРС на релейном конце.
Рис.2.9 Схема рельсовой цепи с путевыми реле ДСШ-2 при двухстороннем кодировании и последовательном подключении аппаратуры АРС на релейном конце.
Подключение генератора частот АРС к приемному концу осуществляется через компенсирующий конденсатор С4 (см. рис.2.8) и согласующий трансформатор СТ2 (ПОБС-5А или ПОБС-2А). Емкость компенсирующего конденсатора выбирается исходя из требования частичной настройки релейного конца рельсовой цепи в резонанс на частотах АРС.
Выходной контур путевого генератора частот АРС включается параллельно путевым обмоткам реле ДСШ-2. Согласующий трансформатор СТ2 уменьшает степень шунтирования путевых реле, поскольку позволяет повысить сопротивление контура генератора АРС в п2 раз (где п - коэффициент трансформации, равный 2) на частоте 50 Гц. Переменные резисторы R1 и R2 дают возможность регулировать сигнальный ток АРС в зависимости от длины РЦ.
Особенностью схемы рельсовой цепи (рис.2.8) является также включение параллельно обмоткам путевых реле последовательного контура. Параметры контура выбраны таким образом, чтобы на частоте 50 Гц его сопротивление было бы эквивалентно сопротивлению конденсатора емкостью 16 мкФ. При этом сохраняются идеальные фазовые соотношения в обмотках реле. В то же время этот контур на повышенных частотах АРС при кодировании с релейного конца имеет высокое сопротивление и не шунтирует сигнальный ток АРС, как это имело бы место в случае использования конденсатора 16 мкФ.
Особенностью схемы, приведенной на рис.2.9, является не параллельное, а последовательное по отношению к обмоткам путевых реле подключение выходного контура путевого генератора частот АРС. В этом случае не требуется установки специального контура, а используется существующий конденсатор С3 приемного конца рельсовой цепи, функцией которого становится также пропуск сигнального тока АРС.
Для организации последовательного подключения выходного контура путевого генератора АРС используется дополнительный дроссель (реактор) L3 типа РОБС-ЗА, сопротивление которого на частотах АРС значительно, что и обуславливает поступление сигнального тока АРС в рельсовую цепь.
3. Разновидности рельсовых цепей с централизованным размещением аппаратуры
В устройствах автоблокировки и АРС, построенных до 70-х годов, аппаратура размещалась в шкафах, которые устанавливались у светофоров и в разрезных точках тоннеля. Совершенствование систем интервального регулирования, проводившееся для увеличения пропускной способности, повышения безопасности движения поездов метрополитена и надежности работы устройств, осуществлялось внедрением целого комплекса технических решений, в том числе сокращением длины РЦ (до 37,5 м). Это значительно увеличило количество аппаратуры и оборудования, приходящееся на 1 км пути. На линиях с высокой интенсивностью движения, особенно в зоне станций, тоннели достаточно плотно заполняли конструкциями и оборудованием СЦБ.
Рассредоточение аппаратуры и оборудования вдоль тоннеля имеет ряд негативных особенностей, оказывающих влияние на качество строительства и эксплуатационного обслуживания устройств. Ограничивается возможность применения индустриальных методов, что увеличивает сроки монтажа устройств при строительстве новых линий метрополитена и особенно сдерживает темпы реконструкции на действующих линиях, когда работы выполняют лишь только во время непродолжительного ночного технологического окна. Кроме того, затрудняется использование средств резервирования и телемеханического контроля за работой устройств. В условиях ограниченных размеров тоннеля и высокой интенсивности движения снижается оперативность устранения неисправностей.
Для устранения указанных недостатков была создана централизованная система интервального регулирования движения поездов метрополитена которая предусматривает вынос аппаратуры из тоннеля и ее централизованное размещение на станции. Сосредоточение аппаратуры на станции позволяет применять более прогрессивные и экономичные методы строительства и обслуживания устройств, решить ряд технических, экономических и социальных задач.
При проектировании строящихся линий метрополитена и реконструкции действующих линий во всех случаях применяется централизованное размещение аппаратуры.
Для улучшения технического обслуживания в каждом релейном помещении устанавливается контрольное табло, предназначенное для электромехаников СЦБ. На табло установлены сигнальные лампы, индицирующие состояние рельсовых цепей, огней светофоров, линейных реле автоблокировки и различных контрольных реле, что значительно облегчает и сокращает время обнаружения неисправности в устройствах СЦБ.
Сосредоточение аппаратуры на станциях облегчает эксплуатационное обслуживание устройств, сокращает время пребывания обслуживающего персонала в тоннеле во время движения поездов.
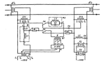
Для контроля рельсовой линии при централизованном размещении аппаратуры было разработано несколько типов рельсовых цепей. Пропуск тягового тока в обход изолирующих стыков для всех типов РЦ с централизованным размещением аппаратуры выполнен с помощью дроссель-трансформаторов ДТМ-0,17. Дроссель-трансформаторы устанавливаются на питающем и релейном концах, а аппаратура РЦ подключается к дополнительной обмотке кабельной линией.
В схеме РЦ с централизованным размещением аппаратуры и путевыми приемниками типа ДСШ-2 (рис.2.10) кабельная линия представлена в виде резисторов R*кп и R**кп на питающем конце и R*кр R**кр на релейном.
Рис.2.10 Схема рельсовой цепи при централизованном размещении аппаратуры.
Рельсовая цепь получает питание от трансформатора ПТ типа ПОБС-5А. На его первичную обмотку подается напряжение 220 В. В цепь вторичной обмотки включены дроссель L1 и конденсатор С1. Дроссель L1 типа РОБС-3А уменьшает степень утечки токов АРС через обмотку питающего трансформатора, а конденсатор С1 емкостью 30 мкФ обеспечивает настройку питающего конца в резонанс на частоте 50 Гц.
Для обеспечения требуемого сопротивления питающего конца применен согласующий трансформатор СТ типа ПОБС-2А, включаемый в цепь первичной обмоткой по схеме автотрансформатора. В качестве путевого приемника используются два путевых реле ДСШ-2. Отличительной особенностью РЦ является то, что путевые элементы реле соединены параллельно, а местные последовательно, поскольку на них подается напряжение 220 В.
Характеристики
Тип файла документ
Документы такого типа открываются такими программами, как Microsoft Office Word на компьютерах Windows, Apple Pages на компьютерах Mac, Open Office - бесплатная альтернатива на различных платформах, в том числе Linux. Наиболее простым и современным решением будут Google документы, так как открываются онлайн без скачивания прямо в браузере на любой платформе. Существуют российские качественные аналоги, например от Яндекса.
Будьте внимательны на мобильных устройствах, так как там используются упрощённый функционал даже в официальном приложении от Microsoft, поэтому для просмотра скачивайте PDF-версию. А если нужно редактировать файл, то используйте оригинальный файл.
Файлы такого типа обычно разбиты на страницы, а текст может быть форматированным (жирный, курсив, выбор шрифта, таблицы и т.п.), а также в него можно добавлять изображения. Формат идеально подходит для рефератов, докладов и РПЗ курсовых проектов, которые необходимо распечатать. Кстати перед печатью также сохраняйте файл в PDF, так как принтер может начудить со шрифтами.
















