148043 (730624), страница 2
Текст из файла (страница 2)
Рассмотренная схема при длине РЦ до 300 м позволяет установить аппаратуру питающего и релейного концов на расстоянии до 2400 м от места подключения к рельсам без дублирования жил кабеля.
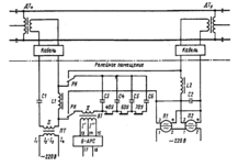
Отличительной особенностью схемы РЦ, изображенной на рис.2.11, является включение резонансного контура в выходной цепи путевого генератора сигналов АРС, настраиваемого в резонанс на каждую из сигнальных частот. Благодаря этой отличительной особенности данная РЦ называется резонансной рельсовой цепью (тип Ш-33/ЦУ).
Рельсовая цепь питается от трансформатора ПТ типа ПОБС-3А. Конденсатор С1 емкостью 10 - 12 мкФ служит ограничителем сигнального тока РЦ, и с его помощью питающий конец настраивается в резонанс на частоте 50 Гц. В качестве путевого приемника используются два реле ДСШ-2, путевые обмотки которых включены параллельно. Конденсатор С4 емкостью 4 - 16 мкФ предназначен для получения необходимого фазового угла между током в путевой обмотке и напряжением на местной обмотке путевого реле.
Рис.2.11 Схема резонансной рельсовой цепи при централизованном размещении аппаратуры.
Фильтр-пробка на частоту 50 Гц в выходной контур генератора АРС не устанавливается, поскольку сопротивление этого контура на промышленной частоте относительно велико из-за наличия емкостей в его составе.
При передаче кодового сигнала АРС частотой 75 Гц в цепь резонансного контура включается фильтр-”пробка”, настроенный на третью гармонику этой частоты (225 Гц), который состоит из реактора L2 и конденсатора С2.
Для уменьшения влияния сигнала АРС частотой 75 Гц на работу путевых реле, приводящего к зуммированию их секторов, на приемном конце включен режекторный фильтр-пробка на эту частоту, образованный из параллельно включенных конденсатора С3 емкостью 30 мкФ и реактора РОБС-3А.
На рис.2.12 представлена схема резонансной РЦ с двухсторонним кодированием.
Рис.2.12. Схема рельсовой цепи при централизованном размещении аппаратуры и двухстороннем кодировании.
В этой схеме резонансной РЦ двухсторонняя посылка кодовых сигналов АРС с питающего и релейного концов осуществляется, как правило, на участках, расположенных в пределах станций с путевым развитием, где максимальная скорость не реализуется и кодовый сигнал АРС частотой 75 Гц в рельсы не передается. Поэтому на схеме отсутствует фильтр-”пробка’ на релейном конце. Переключение выходного контура путевого генератора АРС в зависимости от направления движения поезда осуществляется контактами реле направления РН.
Для нужд метрополитена налажен выпуск серийной аппаратуры для передачи сигналов АРС, в том числе и блока ФП-АЛСМ, представляющего собой набор катушек индуктивности и конденсаторов для создания резонансного контура на частотах АРС (рис.2.13).
Рис.2.13. Схема рельсовой цепи при централизованном размещении аппаратуры и одночастотном кодировании с помощью типового блока ФП-АЛСМ.
Для проверки отпускания якорей управляющих реле системы АРС смежной РЦ их тыловые контакты включены в цепь питания местных обмоток путевых реле. Управляющие реле предыдущей по ходу движения поезда РЦ отпускают якоря при занятии данной РЦ и тыловыми контактами создают цепь возбуждения путевых реле П1 и П2 после освобождения РЦ. Когда путевые реле встают под ток, то цепь возбуждения дублируется через собственный фронтовой контакт одного из реле. После этого возбуждение управляющих реле не приведет к обесточиванию путевых. Если же после прохода поезда по неисправности какое-либо управляющее реле остается возбужденными, то это легко определяется по отсутствию тока в путевом приемнике данной РЦ.
Для линий с рельсовыми цепями переменного тока частотой 50 Гц с изолирующими стыками была разработана система дублирующих автономных устройств (ДАУ-АРС). В этой системе для резервирования используется комплект поездных устройств АРС хвостового вагона. При отказе устройств в головном вагоне машинист специальным переключателем переходит в режим ДАУ, в котором сигнализация и воздействие на внутреннюю автоматику поезда осуществляются от комплекта АРС хвостового вагона. В нормальном режиме работают оба комплекта поездных устройств АРС.
Рис.2.14. Схема рельсовой цепи с наложением кодовых сигналов АРС по системе ДАУ-АРС.
Сигналы АРС в системе ДАУ-АРС посылаются в рельсовую линию навстречу и в хвост поезда (рис.2.14). При этом благодаря пространственному разделению в системе ДАУ-АРС для кодирования в голову и в хвост используются те же сигнальные частоты 75, 125, 175, 225 и 275 Гц.
В хвост поезда передаются кодовые сигналы, соответствующие допустимой скорости на впередилежащей рельсовой цепи. Это позволяет обеспечивать в нормальном режиме основную и предупредительную сигнализацию, т.е. сигнализацию о допустимой скорости на данной и последующей рельсовых цепях.
Для передачи кодовых сигналов системы ДАУ-АРС в хвост поезду применяется дополнительный комплект путевой аппаратуры АРС или комплект передающей аппаратуры АРС впередилежащей рельсовой цепи (см. рис.2.14). Передача кодовых сигналов АРС в хвост поезда обуславливает необходимость также посылки специального кодового сигнала об установленном (правильном) направлении движения для исключения возможности движения в неправильном направлении по сигналам АРС. Для этого в рельсовую линию в определенных местах в хвост поезда передается сигнал частотой 325 Гц, который не воспринимается головным комплектом поездных устройств АРС.
Система ДАУ-АРС получила ограниченное применение на линиях метрополитенов в связи с тем, что рельсовые цепи переменного тока частотой 50 Гц при новом проектировании и реконструкции линий метрополитенов заменяются на бесстыковые рельсовые цепи.
4. Регулировка
Регулировка РЦ частотой 50 Гц различной длины заключается в выборе необходимого напряжения питающего трансформатора, установления требуемых фазовых соотношений на путевом реле, а также в обеспечении чередования мгновенных полярностей сигнальных токов смежных рельсовых цепей.
После настройки РЦ проверяется ее шунтовая чувствительность на питающем и релейном концах.
Регулировка РЦ с путевыми реле ДСШ-2 и путевыми дроссель-трансформаторами ДТМ-0,17 сводится к получению необходимого угла сдвига фаз (20 +/-15) ° и установлению требуемого напряжения на путевом элементе. Независимо от типа включения (путевые элементы последовательно или параллельно, местные элементы последовательно или параллельно) это напряжение равно 50-65 В, а при включенном генераторе АРС - 55-70 В.
Угол сдвига фаз регулируют, изменяя емкость конденсатора на питающем или релейном конце РЦ. Напряжение на путевом элементе реле устанавливают, изменяя коэффициент трансформации питающего трансформатора.
После проведения регулировки всех видов РЦ метрополитена в нормальном режиме проверяется их шунтовая чувствительность. Для этого на питающий и релейный конец РЦ накладывается типовой шунт сопротивлением 0,06 Ом. Сектор путевого реле должен оказаться в нижнем положении, а напряжение на путевом элементе не должно превышать значения 18 В для ДСШ-2.
Регулировка РЦ с параллельным наложением сигналов АРС заключается в установлении нормативных параметров для частоты 50 Гц и нормативных токов в рельсах сигнальной частоты АРС.
Напряжение на путевом элементе регулируется изменением коэффициента трансформации питающего трансформатора ПОБС-5А. Цепь утечки тока РЦ в контур генератора АРС сохраняется, один из проводов, идущих от трансформатора ВТ, отключается и подключается накоротко к другому проводу. Во избежание ошибок питание генератора АРС рекомендуется отключить.
При регулировке проверяется напряжение на элементах контура питающего конца рельсовой цепи. В случае правильной регулировки РЦ напряжение на первичной обмотке согласующего трансформатора (выводы I1-I4) и напряжение на реакторе в сумме должны быть больше напряжения на конденсаторном блоке примерно на 20%. Причем напряжение, снимаемое со вторичной обмотки питающего трансформатора, как правило, в 2 раза меньше напряжения на первичной обмотке согласующего трансформатора ПОБС-2А (выводы I1-I2).
Примерные значения напряжений для РЦ длиной 200 м с путевыми реле типа дСШ-2 и параллельным включением аппаратуры АРС:
напряжение, В
на путевой обмотке реле 55
на местной обмотке реле 118
на конденсаторе питающего конца 130
на реакторе РОБС-3А 66
на выводах трансформатора СТ (ПОБС-2А):
I1-I2 65
I1-I4 130
питания РЦ (на обмотке II ПТ) 30
После регулировки напряжения и фазового соотношения на путевом реле проверяется шунтовая чувствительность РЦ.
Регулировка сигнального тока АРС в рельсах осуществляется изменением коэффициента трансформации выходного трансформатора путевого генератора АРС, при этом должна сохраняться цепь утечки тока в контур питающего конца РЦ через реактор РОБС-3А. для этого один из проводов контура РЦ отключается от вывода питающего трансформатора и подключается накоротко к другому проводу.
После регулировки схема собирается полностью, и проверяется работа путевого реле при параллельном наложении сигнального тока АРС. Сектор путевого реле при включенном генераторе АРС не должен иметь вибрации, заметной для глаза.
В процесс регулировки РЦ, кроме перечисленного выше, входит проверка правильности чередования мгновенных полярностей сигнальных токов смежных рельсовых цепей в результате замыкания одного, а затем и двух изолирующих стыков, разделяющих смежные РЦ. Сектор путевого реле должен в обоих случаях отпускаться, что указывает на правильную, т.е. чередующуюся полярность. Если путевое реле в возбужденном состоянии при замыкании изолирующего стыка, то следует поменять местами выводы согласующего или питающего трансформатора одной из смежных РЦ.
5. Способы отыскания неисправностей
Неисправностью рельсовой цепи называется ее нештатное состояние в том или ином рабочем режиме, т.е. нарушение правильности функционирования. Нештатными состояниями в работе РЦ являются:
индикация занятости при свободности контролируемого участка пути, т.е. нарушение нормального режима (ложная занятость);
индикация свободности при занятости контролируемого участка пути поездом, т.е. нарушение шунтового режима (ложная свободность);
индикация свободности при обрыве рельсовой линии, т.е. нарушение контрольного режима;
отсутствие приема сигналов АРС поездными устройствами, т.е. нарушение режима АРС.
Существует несколько способов поиска неисправности технической системы, основными из которых являются следующие;
метод последовательного поиска, когда проверяются на исправность все элементы системы последовательно, без каких-либо приоритетов, до выявления отказавшего;
метод последовательного поиска с приоритетом, когда проверяются на исправность все элементы системы, но в определенной последовательности. Обычно первыми проверяются элементы с наибольшей степенью вероятности отказа или те, на проверку которых требуется меньше времени, чем для проверки остальных;
метод секционирования неисправности (определения зоны неисправности), при котором система делится на части, проверяется исправность работы каждой из них и выявляется неисправная. Затем выявленная часть системы может быть поделена еще на несколько частей и т.д., пока не будет выявлен элемент, вызвавший неисправную работу системы.
Исправность элемента системы или ее части можно контролировать, измеряя контрольные параметры или методом замены элемента или части системы на достоверно исправный элемент или часть системы.
















