146761 (730185)
Текст из файла
КРАСНОДАРСКИЙ ТЕХНИЧЕСКИЙ КОЛЛЕДЖ
РЕФЕРАТ
на тему:
«Рулевое управление и тормозная система автомобиля»
Разработал Гончаров С.А
2002 г.
ОСНОВНЫЕ ЭЛЕМЕНТЫ РУЛЕВОГО УПРАВЛЕНИЯ И КОНСТРУКЦИЯ РУЛЕВЫХ УПРАВЛЕНИЙ БЕЗ УСИЛИТЕЛЕЙ
ОСНОВНЫЕ ЭЛЕМЕНТЫ И ДЕЙСТВИЕ РУЛЕВОГО УПРАВЛЕНИЯ
Рулевое управление служит для изменения направления движения автомобиля. При неподвижной передней оси изменение направления движения автомобиля осуществляется поворотом передних управляемых колес.
Для того чтобы при движении автомобиля на повороте колеса его имели качение без бокового скольжения, они должны катиться по окружностям, описанным из одного центра, который называется центром поворота. В этом центре О (рис. 1) должны пересекаться продолжения осей всех колес. Для соблюдения данного условия внутреннее к центру поворота управляемое колесо должно поворачиваться круче, т. е. на больший угол, чем наружное колесо. Для одновременного поворота колес на необходимые различные углы служит рулевая трапеция.
В трапецию входят (рис. 2, а) передняя ось 5, рулевые рычаги 3 и 6, соединенные с поворотными кулаками 1 и 7, и поперечная рулевая тяга 4. Поворотные кулаки шарнирно соединены с осью шкворнями 2.
При повороте одного колеса через рычаги 3 и 6 и тягу 4 поворачивается и другое колесо. При этом вследствие изменения положения поперечной тяги 4 относительно передней оси внутреннее к центру поворота колесо поворачивается на угол а (рис. 2, б), больший, чем угол Р поворота наружного колеса.
Правильность соотношения угла а и Р поворота колес обеспечивается соответствующим подбором угла наклона рулевых рычагов к продольной оси автомобиля и длины рулевых рычагов и поперечной тяги.
Кроме трапеции в рулевое управление входят (рис. 3) рулевое колесо / с валом 3, установленным в рулевой колонке 2, и рулевой механизм 4, заключенный в картер, а также рулевая сошка 5, продольная рулевая тяга 6, рулевой рычаг 7 продольной тяги.
При повороте рулевого колеса / в ту или другую сторону вместе с ним вращается вал 3, приводя в действие рулевой механизм 4, поворачивающий сошку 5. Нижний конец сошки перемещается вперед или назад, поворачивая через тягу 6 рулевой рычаг 7 с поворотным кулаком, соединенным шарнирно с осью 10. Через рулевые рычаги 8 и поперечную тягу 9 на соответствующий угол поворачивается и другой кулак 11 с установленным на его цапфе колесом.
Рулевую нерасчлененную трапецию такого устройства применяют на грузовых автомобилях, у которых управляемые колеса установлены на общей оси, подвешенной на рессорах к раме.
При независимой подвеске колес у легковых автомобилей рулевую трапецию делают расчлененной с несколько измененным расположением тяг и рычагов. Расчлененная рулевая трапеция с передним (рис. 2, в) или задним (рис. 2, г) расположением обычно включает рулевую сошку 8, конец которой перемещается в поперечном направлении, и маятниковый рычаг 10, соединенные средней поперечной тягой 9. . •
Маятниковый рычаг 10 установлен шарнирно на оси в кронштейне, закрепленном на раме основания кузова. Концы сошки 8 и маятникового рычага 10 или средней тяги соединены шарнирно двумя промежуточными боковыми тягами 11 с рычагами 12 поворотных кулаков 13 или поворотных стоек колес. Такая схема с расчлененной рулевой трапецией обеспечивает правильный поворот управляемых колес при качании их на независимой подвеске.
Рис. 1. Схема поворота автомобиля
Рис. 2. Схемы рулевых трапеций
У легковых автомобилей получает применение энергопоглощающее рулевое управление, повышающее безопасность водителя при аварии автомобиля. Такое рулевое управление имеет составной телескопический рулевой вал и колонку с фрикционными элементами или включает другие упругие элементы. В случае удара автомобиля о препятствие и смятия его передней части энергия удара поглощается в фрикционных или упругих элементах рулевого управления, а удар и перемещения не передаются на верхнюю часть его вала с рулевым колесом, предохраняя водителя от травм.
РУЛЕВОЙ МЕХАНИЗМ
Рулевой механизм 4 (см. рис. 3) служит для передачи усилий от рулевого колеса 1 с валом 3 на сошку 5. Рулевой механизм имеет передаточное число, доходящее обычно до 15— 20, вследствие чего усилие, развиваемое на сошке, получается значительно больше, чем усилие, приложенное к рулевому колесу, что облегчает поворот рулевого колеса и управление автомобилем.
Наибольшее применение получил рулевой механизм, выполненный в виде пары — глобоидальный червяк и ролик на подшипниках качения.
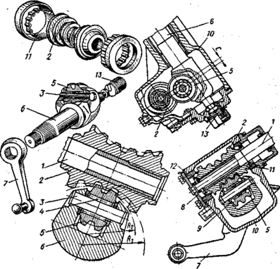
Такой рулевой механизм состоит из стального глобоидального (т. е. с вогнутой поверхностью) червяка 2 (рис. 4), в зацепление с которым входит двух- или трехгребневой ролик 5.
Червяк 2 закреплен на рулевом валу 1 и установлен на подшипниках 11 в картере 10 рулевого механизма. Ролик n5 установлен на шариковом 9 или игольчатом 4 подшипнике на оси 3, закрепленной в головке вала 6. Бал лежит на подшипниках в приливе картера. На наружном конце вала закреплена сошка 7.
При повороте червяка ролик перемещается по его винтовой нарезке, поворачивая вал с сошкой. При вогнутой поверхности червяка получается правильное зацепление червяка с роликом при различных его положениях. В такой паре трение и износ значительно уменьшаются, так как при работе ролик не скользит, а катится по червяку.
Вогнутая поверхность червяка и дуга, по которой поворачивается ролик, описаны разными радиусами R1 и R2 из разных центров так, что дуги сближаются в средней плоскости и расходятся по краям. Вследствие этого обеспечиваются малый зазор между роликом и червяком в' среднем положении и увеличенные зазоры в крайних положениях ролика. Это повышает чувствительность рулевого управления при среднем положении колес, облегчает вывод рулевого колеса из крайних положений и способствует более равномерному износу червяка.
Рулевой механизм расположен в картере 10, который крепится на раме и заполнен маслом.
Рис. 3. Схема устройства рулевого управления
Рис. 4. Рулевой механизм
Для поддержания правильного зацепления пары и устранения повышенных зазоров в рулевом механизме, что может вызвать большой свободный ход рулевого колеса, применяют регулировочные устройства. При этом регулируют осевой зазор червяка в подшипниках, осевой зазор вала сошки и зацепление пары. Регулировку осевого зазора червяка 2 и его подшипников 11 осуществляют обычно с помощью прокладок 12, установленных под верхней или нижней крышкой 8 картера, или с помощью торцовой гайки, завернутой в картер. Регулировка глубины зацепления ролика 5 с червяком 2 осуществляется чаще всего осевым перемещением вала 6 сошки с помощью регулировочного винта 13, так как средняя диаметральная плоскость ролика несколько смещена относительно средней плоскости червяка на величину с.
Кроме рассмотренного рулевого механизма применяют рулевые механизмы других типов: винт-сектор, винт-гайка и др. В рулевом механизме, выполненном в виде пары винт—гайка, для уменьшения трения между ними в некоторых конструкциях рулевых управлений вводят непрерывную цепь циркулирующих стальных шариков. При этом трение скольжения в паре заменяется трением качения, что облегчает поворот рулевого колеса.
ДЕТАЛИ РУЛЕВОГО ПРИВОДА
Рулевой привод служит для передачи усилия от рулевого механизма к колесам. К деталям рулевого привода с установкой колес на общей оси относятся (см. рис. 3): рулевая сошка 5, продольная тяга 6, рычаг 7 продольной тяги, рулевые рычаги 5 поворотных кулаков 11 и поперечная тяга 9.
Рулевая сошка одним концом закреплена на наружном конце вала рулевого механизма. Крепление производится на конусных шлицах с помощью гайки. Для правильной установки сошки при сборке на валу делают специальные метки или сдвоенный шлиц, обеспечивающий возможность установки сошки на валу только в одном положении.
У грузовых автомобилей нижний конец сошки 5 соединен при помощи продольной тяги с рулевым рычагом, закрепленным в поворотном кулаке. Тяга 1 (рис. 5, а) обычно имеет трубчатое сечение и снабжена наконечниками, в которых установлены сухари 3 и 5, охватывающие шаровые пальцы 4 сошки
Рис. 5. Шарнирные соединения рулевых тяг
или рулевого рычага. Сухари сжимаются пружиной 6 и закрепляются пробкой 8, ввернутой в конец тяги. При помощи пробки можно регулировать затяжку пружин. Предельное сжатие ее ограничивается ограничителем 7. Пробку в установленном положении шплинтуют. Отверстия в наконечниках тяг для прохода шаровых пальцев закрывают уплотняющими крышками 9. Внутрь наконечников подается смазка через масленку 2. Наконечники тяги с амортизирующими пружинами смягчают толчки, передаваемые от колес на сошку, предохраняя рулевой механизм от повышенного износа и поломки.
Рулевые рычаги закреплены в отверстиях вилок поворотных кулаков на шпонках гайками со шплинтами. Шаровые пальцы рычагов обычно делают вставными и крепят в рычагах при помощи гаек со шплинтами.
Поперечная тяга 10 (рис. 5, б), соединяющая рычаги цапф, имеет по концам наконечники 12, навернутые на резьбе и закрепленные стяжными болтами 11. Вращением тяги в наконечниках можно изменять рабочую длину тяги, что необходимо для правильной регулировки схождения передних колес. В поперечной тяге обычно применяют наконечники 13 (рис. 5, в) с вертикальными вкладышами 3, плотно зажимающими шаровой или полушаровой палец 4 под действием подпятника и пружины 6. Таким соединением обеспечивается автоматическое устранение зазора при износе деталей сочленения. В некоторых конструкциях применяют для снижения трения в сочленении и его износа пластмассовые вкладыши. Наконечник снизу закрыт крышкой и сочленение сверху уплотняется резиновой шайбой 14 или закрывается резиновым чехлом; внутрь шарнира подается смазка.
У легковых автомобилей с расчлененной рулевой трапецией при независимой подвеске колес рулевой привод включает рулевую сошку 8 (см. рис. 2, в, г) с маятниковым рычагом 10, среднюю поперечную тягу 9, боковые тяги 11 и рулевые рычаги 12 поворотных кулаков или стоек. Сочленения тяг и рычагов рулевого привода также снабжены шаровыми шарнирами. Применяют шарниры разборного или неразборного типа (рис. 5, г, д), с шаровыми 4 или полусферическими пальцами, установленными в наконечниках тяг обычно на пластмассовых (полиуретановых, полиамидных и др.) вкладышах 15, поджимаемых подпятниками 16 с пружинами 18. Шаровые сочленения хорошо герметизированы — надежно защищены резиновыми чехлами 19; смазку в них обычно закладывают при сборке и в процессе эксплуатации не дополняют. В разборном шарнире крышка 17 (рис. 5, г) головки шарнира съемная, закреплена стопорным кольцом; в неразборном крышка завальцована в головке (рис. 5, д).
РУЛЕВОЕ УПРАВЛЕНИЕ АВТОМОБИЛЕЙ «ЗАПОРОЖЕЦ» МОД. ЗАЗ-968 И -968А
На автомобиле «Запорожец» ЗАЗ-968 рулевое управление имеет энергопоглощающий элемент и рулевую трапецию расчлененного типа с передним расположением.
Рулевой механизм, расположенный в чугунном картере 16 (рис. 6), выполнен в виде пары глобоидальный червяк — двухгребневой ролик. Ролик 11 установлен на оси 12 головки вала рулевой сошки на двухрядном радиально-упорном шарикоподшипнике. Червяк 15, закрепленный на нижнем конце составного рулевого вала, «установлен в картере 16 рулевого механизма на двух конических роликоподшипниках. Подшипники регулируют нижней пробкой 17, ввернутой в картер на резьбе. Пробку фиксируют стопорной гайкой. Вал червяка уплотняют в картере сальником 14.
Характеристики
Тип файла документ
Документы такого типа открываются такими программами, как Microsoft Office Word на компьютерах Windows, Apple Pages на компьютерах Mac, Open Office - бесплатная альтернатива на различных платформах, в том числе Linux. Наиболее простым и современным решением будут Google документы, так как открываются онлайн без скачивания прямо в браузере на любой платформе. Существуют российские качественные аналоги, например от Яндекса.
Будьте внимательны на мобильных устройствах, так как там используются упрощённый функционал даже в официальном приложении от Microsoft, поэтому для просмотра скачивайте PDF-версию. А если нужно редактировать файл, то используйте оригинальный файл.
Файлы такого типа обычно разбиты на страницы, а текст может быть форматированным (жирный, курсив, выбор шрифта, таблицы и т.п.), а также в него можно добавлять изображения. Формат идеально подходит для рефератов, докладов и РПЗ курсовых проектов, которые необходимо распечатать. Кстати перед печатью также сохраняйте файл в PDF, так как принтер может начудить со шрифтами.
















