146761 (730185), страница 2
Текст из файла (страница 2)
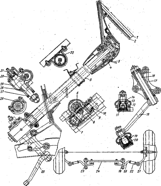
Вал 28 рулевой сошки 18 лежит в приливе картера на бронзовых втулках и уплотнен сальником 29. Зацепление ролика с червяком регулируют винтом 30, ввернутым в верхнюю крышку 31 картера и входящим головкой с регулировочной шайбой в паз вала рулевой сошки. Винт закреплен контргайкой.
Картер 16 рулевого механизма крепят на кронштейне основания кузова. Между картером и кронштейном на один крепящий болт поставлены регулировочные шайбы 10. Картер в стенке кронштейна уплотнен резиновым уплотнителем 26.
Рулевой вал 3,4 установлен во втулке в резиновой обойме 33, закрепленной в кронштейне 32, который прикреплен к щитку кузова. На верхнем конце рулевого вала установлено рулевое колесо / с двумя спицами. В центре колеса расположена кнопка 2 включения звукового сигнала. Нижний конец рулевого вала соединен с валом 13 червяка на шлицах при помощи стяжного зажима 27. Такая конструкция составного рулевого вала с энергопоглощающим промежуточным зажимом устраняет передачу удара от картера на рулевой вал в случае аварии автомобиля. Энергия удара поглощается вследствие трения при скольжении вала червяка в зажиме 27, затягиваемом с определенным усилием при сборке.
На наружном конце вала 28 укреплена на елочных шлицах гайкой с шайбой рулевая сошка 18, соединяемая шарнирно с левым концом поперечной рулевой тяги 19. Правый конец этой тяги соединен с маятниковым рычагом 21, закрепленным на пальце 25, который установлен на
Рис. 6. Рулевое управление автомобиля «Запорожец» ЗАЗ-968
двух конусных резиновых втулках 24. Втулки зажаты шплинтуемой гайкой с шайбой в кронштейне, закрепленном с правой стороны на кронштейне трубчатых кожухов передней подвески. Рулевая сошка 18 и маятниковый рычаг 21 боковыми тягами 22 шарнирно соединены с рычагами 23, закрепленными в поворотных кулаках передних колес. Соединения рулевых тяг выполнены на шаровых сочленениях.
В каждом сочленении хвостовик шарового пальца 9 коническим концом закреплен шплинтуемой гайкой в головке рычага. Шаровой палец 9 установлен в головке 8 тяги на двух пластмассовых вкладышах 4, поджимаемых подпятником 5 с пружиной 7. Пружина упирается в заглушку 6, укрепленную в головке стопорным кольцом. Шаровое сочленение закрыто резиновым чехлом 3 с опорной шайбой. Заглушка уплотняется в головке 8 резиновым кольцом. Сочленение заполняется при сборке смазкой и в дополнительной смазке не нуждается.
Наконечники шаровых сочленений соединяются с поперечной тягой 19 На резьбе. Это дает возможность изменять длину тяги и регулировать схождение колес. В установленном положении наконечники закрепляют в тяге контргайкой.
Наибольший поворот управляемых колес ограничивается упором сошки и маятникового рычага в ограничительные болты 20, ввернутые в кронштейны на верхнем трубчатом кожухе подвески.
На автомобиле «Запорожец» ЗАЗ-968А рулевое управление имеет устройство, аналогичное устройству рулевого управления автомобиля ЗАЗ-968.
РУЛЕВОЕ УПРАВЛЕНИЕ АВТОМОБИЛЕЙ «ЖИГУЛИ» МОД. ВАЗ-2101 И -2103
На автомобиле «Жигули» ВАЗ-2101 рулевое управление выполнено с расчлененной рулевой трапецией, имеющей заднее расположение, и шарнирами, не требующими смазки.
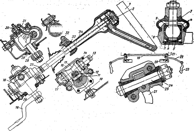
Рулевой механизм, включающий глобоидальный червяк, сцепленный с двухгребневым роликом, расположен в картере 6 (рис. 7), отлитом из алюминиевого сплава. Червяк 28, напрессованный на короткий вал 31,установлен в картере на двух радиально-упорных шарикоподшипниках. Правильность установки червяка в картере регулируется прокладками 29, поставленными под наружным кольцом верхнего подшипника. Затяжка подшипников регулируется прокладками /2, поставленными под торцовой крышкой 13, прикрепленной к картеру болтами. Вал 31 червяка уплотнен в картере самоподжимным сальником 30. Двухгребневой ролик 10 установлен на оси 11, закрепленной в головке вала 7 рулевой сошки на двух игольчатых подшипниках, имеющих распорное кольцо и боковые шайбы. Вал 7 рулевой сошки установлен в приливе картера на двух бронзовых втулках. Наружный конец его уплотнен в картере самоподжимным сальником 8, Регулировку зацепления ролика 10 с червяком 28 осуществляют регулировочным винтом 4, ввернутым в стальную крышку 5, прикрепленную сверху к картеру на прокладке болтами. Головка винта с регулировочной шайбой входит в паз головки вала сошки. Винт закрепляют контргайкой с шайбой. В крышке имеется отверстие для заливки в картер масла (масло Т Ад-17), завернутое пробкой на резьбе. Картер 6 рулевого механизма фланцем крепится болтами к левому лонжерону основания кузова на регулировочных прокладках, позволяющих обеспечить соосность вала червяка с рулевым валом.
Рулевой вал 2 установлен верхней частью на двух пластмассовых втулках в кронштейне 32, прикрепленном к панели приборов кузова. К нижнему концу вала приварен наконечник с мелкими внутренними шлицами, которым вал надвинут на шлицованный конец вала 31 рулевой сошки. Наконечник имеет прорезь и затягивается на валу червяка хомутом 3 со стяжным болтом, проходящим через канавку на валу, соединяя валы. На верхнем конце рулевого вала закреплено на мелких шлицах гайкой рулевое колесо 1 с двумя спицами. Рулевой вал в полу кузова уплотнен резиновым чехлом.
С наружным концом вала 7 соединяется на шлицах рулевая сошка 9, закрепляемая гайкой со стопорной шайбой. Все шлицевые соединения рулевого управления имеют сдвоенный шлиц и соответствующую впадину, что определяет правильность их сборки.
Рулевая сошка 9 средним ушком соединена шарнирно с левым концом стальной кованой поперечной тяги 18. Правый конец ее шарнирно соединен с маятниковым рычагом 14, который закреплен самоконтрящейся гайкой на оси 19, установленной на двух пластмассовых втулках 21 и кронштейне 20, отлитом из алюминиевого сплава. Кронштейн крепится на правом лонжероне основания кузова. Ось 19 закреплена во втулках при помощи двух упорных шайб и шплинтуемой гайки. Под шайбы поставлены уплотнительные резиновые кольца.
Рулевая сошка 9 и маятниковый рычаг 14 концами соединены при помощи боковых тяг 17 с поворотными рычагами 15, закрепленными болтами на поворотных стойках. Каждая боковая тяга состоит из двух кованых наконечников и регулировочной муфты 16, навернутой на концы наконечников, имеющих правую и левую резьбу. Вращением регулировочной муфты изменяют длину тяги с целью регулировки схождения колес. Муфта 16, имеющая по концам разрезы, закрепляется на наконечниках стяжными хомутами с болтами.
Рис. 7. Рулевое управление автомобиля «Жигули» ВАЗ-2101
Соединения тяг с рычагами выполнено при помощи шаровых шарниров неразборного типа. Каждый шаровой шарнир представляет собой шаровой палец 26, закрепленный коническим хвостовиком при помощи шплинтуемой гайки в рычаге. Палец установлен в головке 24 тяги на конусном пластмассовом вкладыше 25 (полиуретан), обладающем высокими противо-износными свойствами. Вкладыш 25 поджимается к пальцу конической пружиной 23, опирающейся на заглушку 22, завальцованную в головке. Сверху головка закрыта резиновым грязезащитным чехлом 27 с металлической обоймой, напрессованной на выточку головки. Шаровые шарниры не нуждаются в смазке в процессе эксплуатации. Наибольший поворот управляемых колес ограничивается упором двух выступов, имеющихся на рулевой сошке 9, в головки нижних болтов, крепящих картер рулевого механизма.
На автомобиле «Жигули» ВАЗ-2103 рулевое управление имеет устройство, аналогичное устройству рулевого управления автомобиля «Жигули» ВАЗ-2101. Рулевое колесо выполнено в другом оформлении, изменен рулевой вал в связи с установкой замка зажигания с противоугонным устройством.
РУЛЕВОЕ УПРАВЛЕНИЕ АВТОМОБИЛЕЙ «МОСКВИЧ» МОД. 412 И 408
На автомобиле «Москвич-412» рулевое управление выполнено с расчлененной рулевой трапецией, с задним расположением и шарнирами, не требующими добавления смазки в процессе эксплуатации.
Рулевой механизм, расположенный в 'литом чугунном картере 29 (рис. 8), выполнен в виде пары: глобоидальный червяк — двухгребневой ролик. Червяк 8 приварен к нижнему концу рулевого вала 10 и. установлен в картере на двух конических роликоподшипниках. Над верхним подпятником в картере поставлен самоподжимной сальник 9. Регулировка подшипников осуществляется пробкой 7, ввернутой в картер снизу и закрепляемой стопорной гайкой.
Ролик 6, зацепляющийся с червяком, установлен на двухрядном радиально-упорном шарикоподшипнике на оси, закрепленной в головке вала 28 рулевой сошки. Вал лежит в картере на трех бронзовых свертных втулках, из которых две втулки расположены в приливе картера, а третья — в боковой отъемной алюминиевой крышке 30, В крышке имеется масло-заливное отверстие, закрытое пробкой. На выходе из картера вал уплотнен самоподжимным сальником 27, и на наружном конусном конце его на шлицах закреплена гайкой с замковой пластиной и стопорной шайбой рулевая сошка 25. Регулировку зацепления ролика с червяком осуществляют винтом 31, ввернутым в боковую крышку картера. Головка винта со стальной каленой шайбой входит в паз хвостовика вала сошки; винт стопорится контргайкой.
Картер 29 рулевого механизма фланцем прилива прикреплен тремя болтами к торцам трех втулок, приваренных к левой балке подмоторной рамы так, что вал сошки направлен вниз.
Рулевой вал проходит внутри рулевой колонки 5 и лежит верхним концом в подшипнике 4, состоящем из корпуса с пластмассовой втулкой. Корпус закреплен в трубе рулевой колонки тремя болтами.
Нижний конец рулевой колонки закреплен стяжным хомутом 26 на шейке картера рулевого механизма, а верхний — на резиновой прокладке в кронштейне 32, прикрепленном с помощью подвижной планки и болтов к опоре, приваренной к поперечине переднего щита кузова. Колонка в месте прохода через пол кузова надежно уплотнена прокладкой и резиновой манжетой. На верхнем конусном конце рулевого вала закреплено гайкой рулевое колесо 1 с двумя спицами. На рулевом колесе расположен выключатель 2 звукового сигнала. Под рулевым колесом в кожухе, установленном на колонке, расположен рычажок 3 переключения указателя поворота с контактным механизмом.
Рулевая сошка 25 соединена с левым концом средней поперечной рулевой тяги 24. Правый конец тяги соединен с маятниковым рычагом 18, напрессованным на ось 16, которая установлена на двух конусных резиновых втулках 15, зажатых шплинтуемой гайкой с шайбами в конусных отверстиях кронштейна 17, прикрепленного тремя болтами к правой балке подмоторной рамы.
Средняя поперечная рулевая тяга 24 при помощи боковых составных тяг 23 соединена с рычагами 21 поворотных стоек с цапфами. На боковых составных тягах, состоящих каждая из двух частей с нарезкой на внутренних концах, навернуты винтовые муфты 22 с правой и левой резьбой, при помощи
Рис. 8. Рулевое управление автомобиля «Москвич-412».
которых осуществляется регулировка схождения колес. Муфту стопорят контргайками.
Все соединения тяг выполнены на шаровых шарнирах. Шаровые пальцы 13 конусными хвостовиками закреплены в рычагах или в средней тяге шплинтуемыми гайками, а головки шарниров изготовлены непосредственно на концах тяг. В каждом шарнире шаровой палец 13 установлен в головке между двумя пластмассовыми (полиамидными) вкладышами 12, снабженными поджимной штампованной шайбой и конической пружиной. Пружина установлена под заглушкой 11, закрепленной стопорным кольцом в головке и уплотненной резиновым кольцом. Сочленение закрыто резиновым чехлом 14, затянутым в пазу головки проволокой. Под чехол на палец поставлена опорная шайба. В шаровом шарнире маятникового рычага 18 для устранения проворачивания средней тяги вокруг ее оси палец 19 имеет овальную головку и на пальце между верхним и нижним вкладышами поставлена промежуточная пластмассовая втулка 20. Смазку в шарниры закладывают при сборке и в процессе эксплуатации не дополняют.
Наибольший поворот колес ограничивается болтами, ввернутыми в кронштейны балок рамы около маятникового рычага и рулевой сошки.
На последних выпусках автомобиля «Москвич-412» установлено рулевое управление с энергопоглощающим элементом и усиленным рулевым механизмом, размещенным в алюминиевом картере.
















